PCCar.ru - Ваш автомобильный компьютер

Вернуться   PCCar.ru - Ваш автомобильный компьютер > Всё Остальное > Проекты > Рабочий журнал

Ответ
 
Опции темы Поиск в этой теме
Старый 08.04.2016, 09:44   #71
YAM1966
Гуру
 
Аватар для YAM1966
 
Регистрация: 01.06.2013
Возраст: 59
Регион: Украина
Машина: Toyota Fortuner 4.0 / Chevrolet Bolt EV
Сообщений: 2,006
YAM1966 has much to be proud ofYAM1966 has much to be proud ofYAM1966 has much to be proud ofYAM1966 has much to be proud ofYAM1966 has much to be proud ofYAM1966 has much to be proud ofYAM1966 has much to be proud ofYAM1966 has much to be proud ofYAM1966 has much to be proud ofYAM1966 has much to be proud ofYAM1966 has much to be proud of
По умолчанию

Цитата:
Сообщение от kostya740 Посмотреть сообщение
..... Думаю как снять инфу с климата и как им управлять. Его платы я собираюсь спрятать внутри торпеды. И управлять с CarPC'а.
Так есть же контроллер V4, включаем отображение пакетов по iBus....
YAM1966 вне форума   Ответить с цитированием
Старый 08.04.2016, 11:35   #72
kostya740
Старший Пользователь
 
Регистрация: 18.10.2008
Возраст: 43
Город: Одесса
Регион: Украина
Машина: 1999\BMW\E38 740
Сообщений: 837
kostya740 is a jewel in the roughkostya740 is a jewel in the roughkostya740 is a jewel in the rough
По умолчанию

Климата в ibus никогда не было. Или у тебя другая информация?
kostya740 вне форума   Ответить с цитированием
Старый 08.04.2016, 13:09   #73
basurman
Super Moderator
 
Аватар для basurman
 
Регистрация: 19.07.2011
Возраст: 54
Город: Нижегородские болота
Регион: 52
Машина: пешкарус
Сообщений: 2,033
basurman has a reputation beyond reputebasurman has a reputation beyond reputebasurman has a reputation beyond reputebasurman has a reputation beyond reputebasurman has a reputation beyond reputebasurman has a reputation beyond reputebasurman has a reputation beyond reputebasurman has a reputation beyond reputebasurman has a reputation beyond repute
По умолчанию

Цитата:
Сообщение от kostya740 Посмотреть сообщение
Климата в ibus никогда не было.
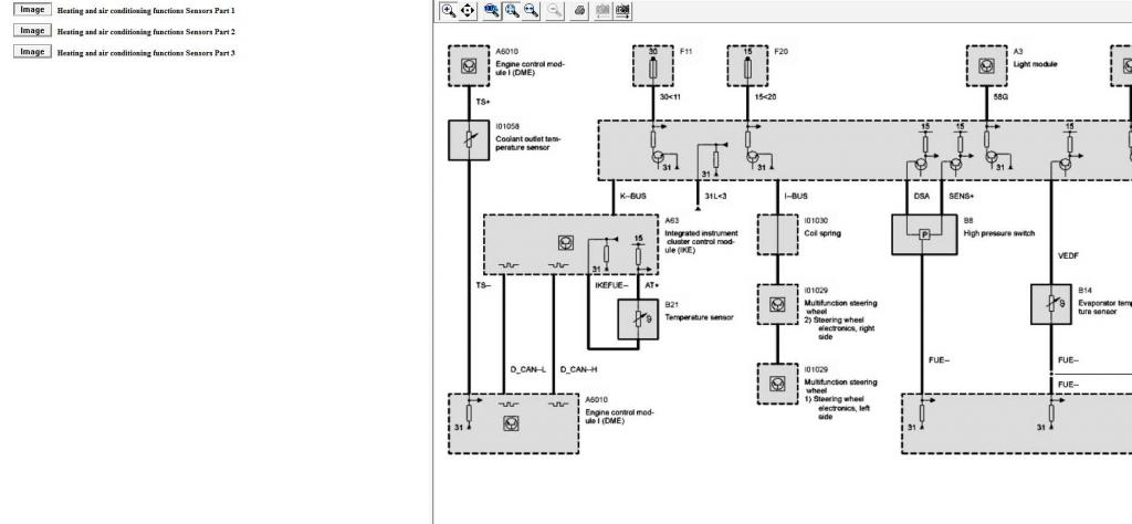
Ну, суди сам
Миниатюры
Нажмите на изображение для увеличения
Название: 12.jpg
Просмотров: 551
Размер:	45.5 Кб
ID:	43387  
__________________
ВСЕ ДЛЯ АРДУИНО

Моя почта - mogirov971sobakamail.ru
basurman вне форума   Ответить с цитированием
Старый 08.04.2016, 13:30   #74
kostya740
Старший Пользователь
 
Регистрация: 18.10.2008
Возраст: 43
Город: Одесса
Регион: Украина
Машина: 1999\BMW\E38 740
Сообщений: 837
kostya740 is a jewel in the roughkostya740 is a jewel in the roughkostya740 is a jewel in the rough
По умолчанию

я про сообщения температуры и т.д.

К ibus он подключается, что вебасту запускать и вентиляцию салона. А управления или сообщения об настройки с климы нету.
kostya740 вне форума   Ответить с цитированием
Старый 08.04.2016, 13:33   #75
kostya740
Старший Пользователь
 
Регистрация: 18.10.2008
Возраст: 43
Город: Одесса
Регион: Украина
Машина: 1999\BMW\E38 740
Сообщений: 837
kostya740 is a jewel in the roughkostya740 is a jewel in the roughkostya740 is a jewel in the rough
По умолчанию

и зачем климе сообщать в ibus положение заслонок или скорость вентилятора?
kostya740 вне форума   Ответить с цитированием
Старый 08.04.2016, 13:37   #76
basurman
Super Moderator
 
Аватар для basurman
 
Регистрация: 19.07.2011
Возраст: 54
Город: Нижегородские болота
Регион: 52
Машина: пешкарус
Сообщений: 2,033
basurman has a reputation beyond reputebasurman has a reputation beyond reputebasurman has a reputation beyond reputebasurman has a reputation beyond reputebasurman has a reputation beyond reputebasurman has a reputation beyond reputebasurman has a reputation beyond reputebasurman has a reputation beyond reputebasurman has a reputation beyond repute
По умолчанию

В диагностику то она все это зачем то сообщает. И даже управляется из диагнозы. Я могу конечно ошибаться с 38 кузовом, но в 39 все то что я написал возможно.Да и блоки управления отопителем визуально похожи.
__________________
ВСЕ ДЛЯ АРДУИНО

Моя почта - mogirov971sobakamail.ru
basurman вне форума   Ответить с цитированием
Старый 08.04.2016, 13:52   #77
kostya740
Старший Пользователь
 
Регистрация: 18.10.2008
Возраст: 43
Город: Одесса
Регион: Украина
Машина: 1999\BMW\E38 740
Сообщений: 837
kostya740 is a jewel in the roughkostya740 is a jewel in the roughkostya740 is a jewel in the rough
По умолчанию

Вы путаете разные шины. Диагностика по клайну, ибус мультимедиа.
kostya740 вне форума   Ответить с цитированием
Старый 08.04.2016, 14:11   #78
basurman
Super Moderator
 
Аватар для basurman
 
Регистрация: 19.07.2011
Возраст: 54
Город: Нижегородские болота
Регион: 52
Машина: пешкарус
Сообщений: 2,033
basurman has a reputation beyond reputebasurman has a reputation beyond reputebasurman has a reputation beyond reputebasurman has a reputation beyond reputebasurman has a reputation beyond reputebasurman has a reputation beyond reputebasurman has a reputation beyond reputebasurman has a reputation beyond reputebasurman has a reputation beyond repute
По умолчанию

Ну тогда ой... Вариантов в принципе не много.
__________________
ВСЕ ДЛЯ АРДУИНО

Моя почта - mogirov971sobakamail.ru
basurman вне форума   Ответить с цитированием
Старый 08.04.2016, 16:27   #79
YAM1966
Гуру
 
Аватар для YAM1966
 
Регистрация: 01.06.2013
Возраст: 59
Регион: Украина
Машина: Toyota Fortuner 4.0 / Chevrolet Bolt EV
Сообщений: 2,006
YAM1966 has much to be proud ofYAM1966 has much to be proud ofYAM1966 has much to be proud ofYAM1966 has much to be proud ofYAM1966 has much to be proud ofYAM1966 has much to be proud ofYAM1966 has much to be proud ofYAM1966 has much to be proud ofYAM1966 has much to be proud ofYAM1966 has much to be proud ofYAM1966 has much to be proud of
По умолчанию

Цитата:
Сообщение от kostya740 Посмотреть сообщение
Климата в ibus никогда не было. Или у тебя другая информация?
Да, неужели?
Откуда тогда взялся адрес устройства iBus Integrated Heating And Air Conditioning = 0x5B?
YAM1966 вне форума   Ответить с цитированием
Старый 09.04.2016, 08:29   #80
kostya740
Старший Пользователь
 
Регистрация: 18.10.2008
Возраст: 43
Город: Одесса
Регион: Украина
Машина: 1999\BMW\E38 740
Сообщений: 837
kostya740 is a jewel in the roughkostya740 is a jewel in the roughkostya740 is a jewel in the rough
По умолчанию

Хммммм. А откуда этот адрес? Там нет случайно пакетов?
kostya740 вне форума   Ответить с цитированием
Ответ


Здесь присутствуют: 1 (пользователей: 0 , гостей: 1)
 

Ваши права в разделе
Вы не можете создавать новые темы
Вы не можете отвечать в темах
Вы не можете прикреплять вложения
Вы не можете редактировать свои сообщения

BB коды Вкл.
Смайлы Вкл.
[IMG] код Вкл.
HTML код Выкл.



Часовой пояс GMT +4, время: 15:00.


Работает на vBulletin® версия 3.8.4.
Copyright ©2000 - 2026, Jelsoft Enterprises Ltd.
Перевод: zCarot