PCCar.ru - Ваш автомобильный компьютер

Вернуться   PCCar.ru - Ваш автомобильный компьютер > Всё Остальное > Проекты > Рабочий журнал

Ответ
 
Опции темы Поиск в этой теме
Старый 24.03.2011, 16:58   #21
aione
Пользователь
 
Регистрация: 13.02.2011
Возраст: 45
Город: Екатеринбург
Регион: 66, 96
Машина: Kia Soul
Сообщений: 36
aione is on a distinguished road
По умолчанию

Рамку доделал. После первой примерки с монитором пришло расстройство и понимание. Надо примерять в светлое время суток, а не как я. Дубина. Смысл в том что со своего места в мониторе я вижу отражение света через стекло в задней правой двери!!! Угол наклона идеален, строго 90 град ко взгляду по верткали, НО НЕ ПРАВИЛЬНЫЙ!!! Поверхность сенсорного стекла отлично отражает все. Нужно видеть отражение потолка, мне так кажется. Можно конечно затонировать заднюю полусферу, но мне не нра. Думал о пленках на стекло, хотя очень сильно сомневаюсь что поможет. Буду переделывать, увеличивать наклон матрицы вверх.
Вот так.
aione вне форума   Ответить с цитированием
Старый 11.04.2011, 19:34   #22
aione
Пользователь
 
Регистрация: 13.02.2011
Возраст: 45
Город: Екатеринбург
Регион: 66, 96
Машина: Kia Soul
Сообщений: 36
aione is on a distinguished road
По умолчанию

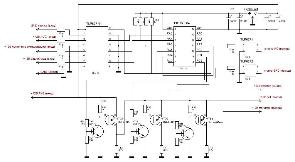
Ну вооот. В прошедшие выходные все оборудование успешно установлено в машину. Это хорошо. Все заработало сразу. Фото пока нет. Перед установкой был приобретен блок питания 12в - 19в. Пока питание БП и монитора подключено через реле, вкл. системника его кнопкой. По простому.
Но всерьез занялся созданием своего контроллера БП по мотивам разработок форумчан. Отдельное спасибо уважаемым Alex-L и OKLiK.
Не просто это для меня, но реально мне кажется. Вот мой первый вариант. Жду критики по схемотехнике.
Миниатюры
Нажмите на изображение для увеличения
Название: control1.GIF
Просмотров: 921
Размер:	22.0 Кб
ID:	21577  
aione вне форума   Ответить с цитированием
Старый 11.04.2011, 20:47   #23
Игнат
Пользователь
 
Аватар для Игнат
 
Регистрация: 24.03.2011
Возраст: 48
Город: Новосибирск
Регион: 54
Машина: Honda Edix
Сообщений: 47
Игнат is on a distinguished road
По умолчанию

Зчётная рамочка!
Монитор мой пришёл, тоже бескорпусный - нужно делать рамку... Собирался делать "сэндвич" из оргстекла, увидел твою рамку... Понравилась очень, но тема ПХВ не раскрыта! Что за материал? Где берут? Чем клеют? Чем режут?
Да, и ещё... Как закреплена матрица? Такое впечатление, что то ли приклеена, толи сверху зажата между двумя слоями ПХВ. На фото не видно - светлый кант по внутренней стороне рамки - это такая задумка или это технологическая рамка монитора/сенсорного стекла?
__________________
Honda Edix 2004
Игнат вне форума   Ответить с цитированием
Старый 11.04.2011, 22:01   #24
aione
Пользователь
 
Регистрация: 13.02.2011
Возраст: 45
Город: Екатеринбург
Регион: 66, 96
Машина: Kia Soul
Сообщений: 36
aione is on a distinguished road
По умолчанию

Отвечаю по порядку. Фото сделаю завтра.
Данный вид листового ПВХ это белый, пористый в центре и довольно плотный на поверхности материал. Хорошо режется канцелярским ножом, отлично строгается, шкурится не очень, но возможно. Широко применяется в наружной рекламе (вывески, буквы и т.д.), продается на строительных рынках (в наших краях большими листами разной толщины). Я использовал 5 мм, склеивал в два слоя. Клеил всю рамку цианоакрилатом (супер клей). После подгонки деталей до точности стыковки примерно 0,5 мм собрал конструкцию на суперклей Момент-ГЕЛЬ, потом проливал стыки жидким суперклеем. Особо нагруженные места засверливал и вставлял зубочистки на клею как шплинты. На всю рамку потратил по полтюбика того и того клея. После сборки зашкуриваем торцы, закругления и прочие изыски по вкусу. Потом шпатлевка, опять наждачка. На этом этапе я был ленив - себе ведь. Поэтому для маскировки дефектов поверхности использовал антигравий. Берем в аэрозоле, не дешман, по возможности нужного цвета. Распылять с расстояния 30-40 см, пажимаем на распылитель заранее, ведем равномерно. Факел не должен начинаться и заканчиваться на детали. Желательно вытирать сопло тряпочкой перед паузами в процессе. Если этого не делать возможны плевки каплями и неравномерность фактуры. Тщательно и терпеливо сушим! Некоторые антигравийные покрытия сохнут долго. Потом покрываем краской. Желательно матовой, так лучше.
Матрица не закреплена, зажата при тщательной подгонке сверху и снизу деталями рамки. Ну а светлое обрамление это действительно металлический корпус матрицы. С ним я поступил по свойски. Покупаем черную пластиковую канцелярскую папку со скоросшивателем для файлов, вырезаем из нее рамочку или просто полоски и приклеиваем ее тонким двусторонним скотчем прямо к сенсорному стеклу. Все зазоры и просветы закрыты. Главное точность и аккуратность.
aione вне форума   Ответить с цитированием
Старый 11.04.2011, 22:06   #25
Anthonymus
Старший Пользователь
 
Регистрация: 28.01.2009
Возраст: 47
Регион: 12
Машина: Chrysler Concorde
Сообщений: 386
Anthonymus is on a distinguished road
По умолчанию

Поправлю - клеить его НАДО космофеном. Именно им собирают модели рекламщики. После суток сушки разорвать в месте склейки невозможно. Но работать дальше можно уже через 3-5 минут после стыковки.
__________________
Мой компьтеризируемый лайнер тут.
Anthonymus вне форума   Ответить с цитированием
Старый 12.04.2011, 06:29   #26
aione
Пользователь
 
Регистрация: 13.02.2011
Возраст: 45
Город: Екатеринбург
Регион: 66, 96
Машина: Kia Soul
Сообщений: 36
aione is on a distinguished road
По умолчанию

Отличное замечание. После минутного гугления добавлю. COSMOFEN большая линейка специальных клев. От цианоакрилата до клея для аллюминия. Я о таком бренде не знал сам, спасибо за наводку.
Сегодня буду мучеть GPS премник BU-353. В машине постоянно отваливается, навипрогами видится нестабильно. Дрова скачал новые. Причем первый день все было норм. Дома как ни странно работает отлично. И цепляется хорошо прогами и х-порт отлично его раздает нескольким потребителям. Имеется два подозрения.
Блок питания проседает, и на USB системник отдает мало. Блок питания с регулируемым выходом, ползунок я выставил по надписям на корпусе, мерял напряжение на холостом ходу - вроде 18,9в было. Неттоп мой хочет получать 19в. Может под нагрузкой там вообще 17,5 - 18в остается? Потребителей самый минимум по USB - сенсор, жпс, флешка, мышь.
Вторая мысль - винда. Но это печально. Так долго все настраивал. Думаю все же не в ней дело.
aione вне форума   Ответить с цитированием
Старый 12.04.2011, 06:49   #27
Игнат
Пользователь
 
Аватар для Игнат
 
Регистрация: 24.03.2011
Возраст: 48
Город: Новосибирск
Регион: 54
Машина: Honda Edix
Сообщений: 47
Игнат is on a distinguished road
По умолчанию

aione, Anthonymus, спасибо!
Пошел искать кто торгует ПХВ в Н-ске.
__________________
Honda Edix 2004
Игнат вне форума   Ответить с цитированием
Старый 12.04.2011, 07:34   #28
OKLiK
Старший Пользователь
 
Аватар для OKLiK
 
Регистрация: 08.06.2009
Возраст: 49
Город: Екатеринбург
Регион: 66, 96
Машина: Калина 2 - 219470 Норма
Сообщений: 339
OKLiK has a spectacular aura aboutOKLiK has a spectacular aura about
По умолчанию

Кстати, будьте внимательнее с пластиком, он имеет свойство усаживаться, я на нем же делал рамку так потом пришлось расковыривать чтобы матрица встала в своем место а на солнце он тоже слегка сжимается...
Про схему в личке
OKLiK вне форума   Ответить с цитированием
Старый 12.04.2011, 09:57   #29
aione
Пользователь
 
Регистрация: 13.02.2011
Возраст: 45
Город: Екатеринбург
Регион: 66, 96
Машина: Kia Soul
Сообщений: 36
aione is on a distinguished road
По умолчанию

Прикольно будет если сожмется.)))) Посмотрим. С жпс моим проблемы и правда были по питанию. Не стал промерять выход из БП, просто подключил активный хаб от Миркома и все заработало. УРА.
Короче дожа получилась. Хаб не при делах. Жпс каждую загрузку вставал то на com3 то на com4. Отключил хаб нафиг. Стал промерять питание на неттопе под нагрузкой - 18,6в. Вроде похоже на правду, но решил поднять питание до 20в. Под нагрузкой 19,7. НО ЗАРАБОТАЛО!!! Жпс уверено встал на com3 и работает и работает!!! Включал, выключал, перезагружал, заводил, глушил. Работает. Может для сборных из комплектухи компьютеров это и не так критично, но как выходит, для неттопов важно. Всего то 0,5в. А какая разница.

Последний раз редактировалось aione; 12.04.2011 в 20:42.
aione вне форума   Ответить с цитированием
Старый 22.04.2011, 21:46   #30
OKLiK
Старший Пользователь
 
Аватар для OKLiK
 
Регистрация: 08.06.2009
Возраст: 49
Город: Екатеринбург
Регион: 66, 96
Машина: Калина 2 - 219470 Норма
Сообщений: 339
OKLiK has a spectacular aura aboutOKLiK has a spectacular aura about
По умолчанию

Ну че, как у тебя успехи?
OKLiK вне форума   Ответить с цитированием
Ответ


Здесь присутствуют: 1 (пользователей: 0 , гостей: 1)
 

Ваши права в разделе
Вы не можете создавать новые темы
Вы не можете отвечать в темах
Вы не можете прикреплять вложения
Вы не можете редактировать свои сообщения

BB коды Вкл.
Смайлы Вкл.
[IMG] код Вкл.
HTML код Выкл.



Часовой пояс GMT +4, время: 08:09.


Работает на vBulletin® версия 3.8.4.
Copyright ©2000 - 2026, Jelsoft Enterprises Ltd.
Перевод: zCarot