PCCar.ru - Ваш автомобильный компьютер

Вернуться   PCCar.ru - Ваш автомобильный компьютер > MP3Car ТехИнфа > Мониторы

Ответ
 
Опции темы Поиск в этой теме
Старый 08.04.2017, 23:04   #1231
kolobock
Новый Пользователь
 
Регистрация: 27.12.2013
Регион: другой - для добавления сообщить ab
Сообщений: 18
kolobock is on a distinguished road
По умолчанию

Цитата:
Сообщение от Leobor Посмотреть сообщение
Мда... Судя по всему так. Переходник в шапке - он же "универсальный" как считают китайцы - под все иннолюксовские HJ, EJ, EE, HE, ZJ. Под BOE с 40 пинами - свой переходник, а специально под ханнстар не видел ни разу.
...исправил текст в шапке...
Есть такие
Миниатюры
Нажмите на изображение для увеличения
Название: 20170329_1552011.jpg
Просмотров: 949
Размер:	159.6 Кб
ID:	47198  
kolobock вне форума   Ответить с цитированием
Старый 12.04.2017, 19:53   #1232
Leobor
Старший Пользователь
 
Регистрация: 13.05.2014
Возраст: 60
Город: Воронеж
Регион: 36
Машина: Hyundai S-Fe I
Сообщений: 799
Leobor has a brilliant futureLeobor has a brilliant futureLeobor has a brilliant futureLeobor has a brilliant futureLeobor has a brilliant futureLeobor has a brilliant futureLeobor has a brilliant futureLeobor has a brilliant futureLeobor has a brilliant futureLeobor has a brilliant futureLeobor has a brilliant future
По умолчанию

Цитата:
Сообщение от kolobock Посмотреть сообщение
...нужен правильный переходник LVDS - 60p TTL....
... херасе, да он штукарь стоит! Может все таки пассивный 50 pin TTL - 60 pin TTL? Он хотя бы рублей 300 всего. В шапке фотка есть. Но под него своя прошивка.
ЗЫ. Если нужен - могу продать. У меня без дела валяется такой.
__________________
Ёпть! А то ж...
Leobor вне форума   Ответить с цитированием
Старый 18.04.2017, 09:48   #1233
ShCoder
Новый Пользователь
 
Регистрация: 30.05.2016
Возраст: 43
Город: Пермь
Регион: 59
Машина: Renault Duster f.2 2.0 4WD
Сообщений: 8
ShCoder is on a distinguished road
По умолчанию

День добрый.
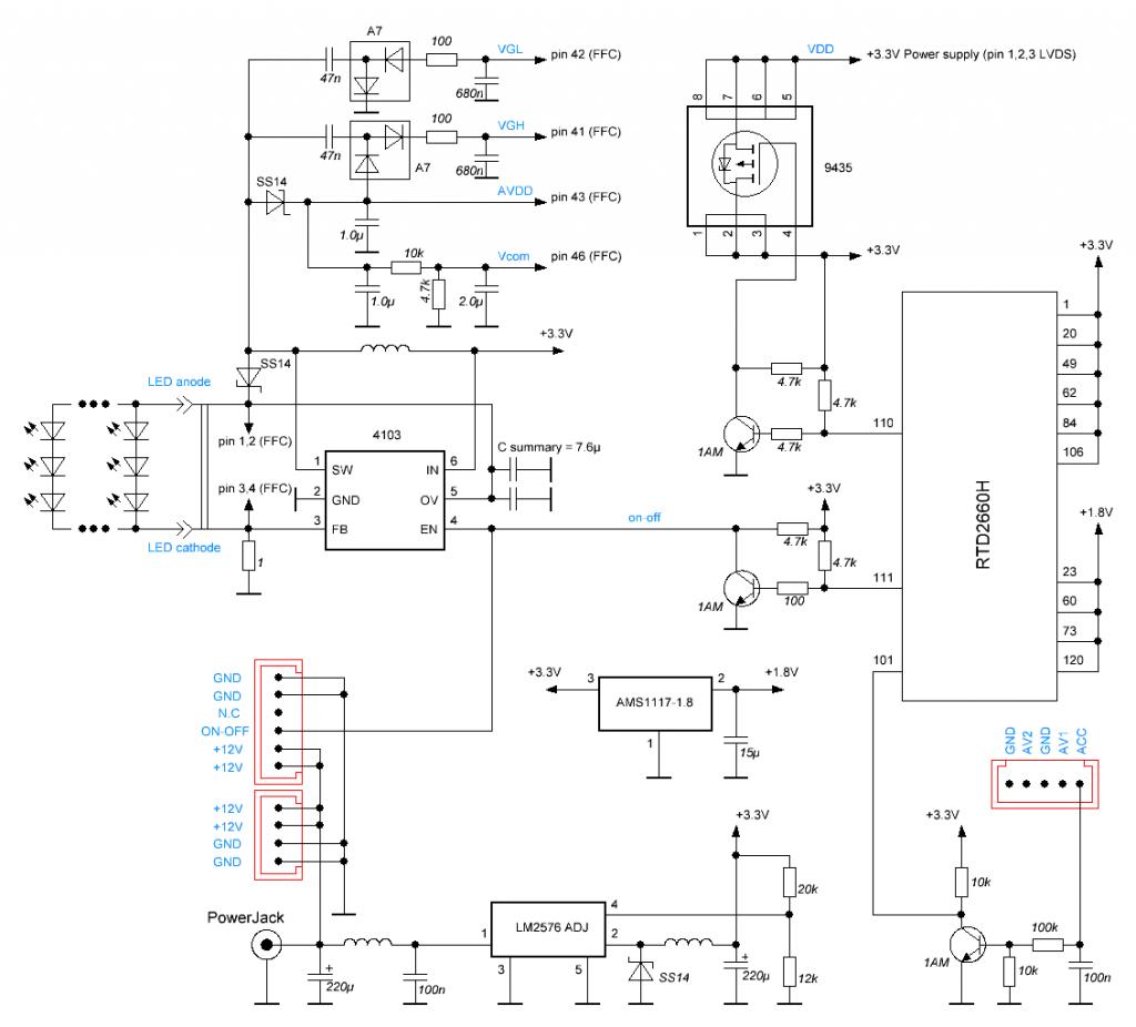
Помогите найти проблему. Имеется связка N070ICG-LD1 и народного контролера. Осенью всё работало. На зиму по ряду причин проект приостанавливался. Сейчас всё достал, подключил и связка не заводится.
Народный включается, через VGA определяется как монитор 1280х800. На линиях LVDS с контролера, там где VCC, уходит 3.3в. С коннектора подсветки уходит 12в. Но матрица молчит. Подсветка не зажигается. На панельке с кнопками загорается сперва зелёный светодиод, через 1-2 секунды меняется на красный. При попытках с кнопок включить ситуация аналогичная: сперва зелёный и следом красный светодиод.
Где что посмотреть?
Что должно быть на подсветке пин ON-OFF?
Помнется мне что на самой матрице на крайнем "толстом" шлейфе подсветки было раньше что-то вроде 20+ вольт. Или я путаю? Сейчас там вижу только 12В на одном пине.
В флешке первые 256к соответсвуют ранее работавшей прошивки.
ShCoder вне форума   Ответить с цитированием
Старый 18.04.2017, 13:05   #1234
Leobor
Старший Пользователь
 
Регистрация: 13.05.2014
Возраст: 60
Город: Воронеж
Регион: 36
Машина: Hyundai S-Fe I
Сообщений: 799
Leobor has a brilliant futureLeobor has a brilliant futureLeobor has a brilliant futureLeobor has a brilliant futureLeobor has a brilliant futureLeobor has a brilliant futureLeobor has a brilliant futureLeobor has a brilliant futureLeobor has a brilliant futureLeobor has a brilliant futureLeobor has a brilliant future
По умолчанию

ShCoder, контроллер работает исправно (судя по описанным состояниям светодиодов). На матрице на контактах LED_VCC должны присутствовать +12В, а одновременно на LED_EN и LED_PWM - уровень +3В - это условия для зажигания подсветки. Правда, LD1 вещь капризная и ВОЗМОЖНО без наличия LVDS не разрешит засветиться и подсветке, поэтому для начала проверьте наличие этих напряжений, а уж потом как вариант еще и заново перешить контроллер.

SigiJ, я ставил на матрицу N070ICG-LD1 тачскрин от Wido, этот. Конечно он не такой удобный, как от singway, но вместе с контроллером YAM1966 работает прекрасно. А если с ним договориться, то он расскажет еще и как запустить "кнопку" Windows
__________________
Ёпть! А то ж...
Leobor вне форума   Ответить с цитированием
Старый 18.04.2017, 16:35   #1235
ShCoder
Новый Пользователь
 
Регистрация: 30.05.2016
Возраст: 43
Город: Пермь
Регион: 59
Машина: Renault Duster f.2 2.0 4WD
Сообщений: 8
ShCoder is on a distinguished road
По умолчанию

Цитата:
Сообщение от Leobor Посмотреть сообщение
ShCoder, контроллер работает исправно (судя по описанным состояниям светодиодов). На матрице на контактах LED_VCC должны присутствовать +12В, а одновременно на LED_EN и LED_PWM - уровень +3В - это условия для зажигания подсветки. Правда, LD1 вещь капризная и ВОЗМОЖНО без наличия LVDS не разрешит засветиться и подсветке, поэтому для начала проверьте наличие этих напряжений, а уж потом как вариант еще и заново перешить контроллер.
LED_VCC шлейфом разведены 2 из 3 и на обоих 12В
А вот с LED_EN и LED_PWM загвозка. Они оба идут 2 отдельными проводами но с одного пина на народном с меткой ON-OFF для подсветки. И вот на них 1.5В с самого народного идёт. Секунд через 5 после включения исчезает. Если с кнопки попытаться включить, то опять 1.5В секунд на 5 и после снова 0. Что дальше смотреть?
ShCoder вне форума   Ответить с цитированием
Старый 18.04.2017, 18:18   #1236
Leobor
Старший Пользователь
 
Регистрация: 13.05.2014
Возраст: 60
Город: Воронеж
Регион: 36
Машина: Hyundai S-Fe I
Сообщений: 799
Leobor has a brilliant futureLeobor has a brilliant futureLeobor has a brilliant futureLeobor has a brilliant futureLeobor has a brilliant futureLeobor has a brilliant futureLeobor has a brilliant futureLeobor has a brilliant futureLeobor has a brilliant futureLeobor has a brilliant futureLeobor has a brilliant future
По умолчанию

Цитата:
Сообщение от ShCoder Посмотреть сообщение
...А вот с LED_EN и LED_PWM загвозка. Они оба идут 2 отдельными проводами но с одного пина на народном с меткой ON-OFF для подсветки.
Где загвоздка? Я разве не это сказал словом "одновременно"?
Цитата:
Сообщение от ShCoder Посмотреть сообщение
Что дальше смотреть?
Смотреть в схему "народного" и анализировать ключ подсветки. Полтора вальта - маловато...
__________________
Ёпть! А то ж...
Leobor вне форума   Ответить с цитированием
Старый 18.04.2017, 21:26   #1237
ShCoder
Новый Пользователь
 
Регистрация: 30.05.2016
Возраст: 43
Город: Пермь
Регион: 59
Машина: Renault Duster f.2 2.0 4WD
Сообщений: 8
ShCoder is on a distinguished road
По умолчанию

Цитата:
Сообщение от Leobor Посмотреть сообщение
Смотреть в схему "народного" и анализировать ключ подсветки. Полтора вальта - маловато...
Завтра гляну на работе. Ещё вопрос: в качестве проверки работы матрицы можно перекинуть временно 3.3В с порта LVDS на LED_EN и LED_PWM? По току эти линии матрицы сильно нагруженные?
ShCoder вне форума   Ответить с цитированием
Старый 18.04.2017, 23:43   #1238
kirnet
Старший Пользователь
 
Аватар для kirnet
 
Регистрация: 30.03.2012
Город: Саратов
Регион: 64
Машина: Duster
Сообщений: 223
kirnet is a jewel in the roughkirnet is a jewel in the roughkirnet is a jewel in the roughkirnet is a jewel in the rough
По умолчанию

Посмотри с стабилизатора выходит 3.3v
kirnet вне форума   Ответить с цитированием
Старый 19.04.2017, 02:53   #1239
Leobor
Старший Пользователь
 
Регистрация: 13.05.2014
Возраст: 60
Город: Воронеж
Регион: 36
Машина: Hyundai S-Fe I
Сообщений: 799
Leobor has a brilliant futureLeobor has a brilliant futureLeobor has a brilliant futureLeobor has a brilliant futureLeobor has a brilliant futureLeobor has a brilliant futureLeobor has a brilliant futureLeobor has a brilliant futureLeobor has a brilliant futureLeobor has a brilliant futureLeobor has a brilliant future
По умолчанию

Да, а чтобы не ловить момент появления on/off, подкинь на вход сигнал с компьютера. Правда, придется угадывать, какой вход активен. Можно подать на VGA или HDMI и перещелкивать кнопкой (с противоположного края от светодиода) пока не загорится уверенно "зеленый" на светодиоде - значит попал. Тогда и On должно присутствовать.
__________________
Ёпть! А то ж...
Leobor вне форума   Ответить с цитированием
Старый 19.04.2017, 09:32   #1240
ShCoder
Новый Пользователь
 
Регистрация: 30.05.2016
Возраст: 43
Город: Пермь
Регион: 59
Машина: Renault Duster f.2 2.0 4WD
Сообщений: 8
ShCoder is on a distinguished road
По умолчанию

Итого:
На выходе со стабилизатора 2576 после дросселя 3,26В.
На коллекторе транзистора 1АМ 1,51В.
На базе того-же 1АМ ноль, когда экран как-бы включён и 0,66, когда как-бы выключен.
Что дальше смотреть?

Ещё вопрос: к контролеру подключил как минимум 2 источника: VGA и камеру AV1. Даже при попытке перебирать источники кнопкой (S/AUTO) во всех случаях сперва загорается зелёный светодиод, потом снова красный. Разница лишь в том, что в некоторых случаях (портах) зелёный горит пару секунд, а в других почти сразу меняется на красный. Постоянного зелёного нет. Он должен быть ведь?
ShCoder вне форума   Ответить с цитированием
Ответ


Здесь присутствуют: 1 (пользователей: 0 , гостей: 1)
 

Ваши права в разделе
Вы не можете создавать новые темы
Вы не можете отвечать в темах
Вы не можете прикреплять вложения
Вы не можете редактировать свои сообщения

BB коды Вкл.
Смайлы Вкл.
[IMG] код Вкл.
HTML код Выкл.



Часовой пояс GMT +4, время: 07:39.


Работает на vBulletin® версия 3.8.4.
Copyright ©2000 - 2026, Jelsoft Enterprises Ltd.
Перевод: zCarot