PCCar.ru - Ваш автомобильный компьютер

PCCar.ru - Ваш автомобильный компьютер (https://pccar.ru/index.php)
-   Мониторы (https://pccar.ru/forumdisplay.php?f=10)
-   -   "Народный контроллер". Разбираем "до винтиков"... (https://pccar.ru/showthread.php?t=22851)

Leobor 20.02.2015 13:28

"Народный контроллер". Разбираем "до винтиков"...
 
Вложений: 38
В связи с тем, что возникает много вопросов по подключению, комплектации и функционированию универсального контроллера дисплея на чипе RTD2660H/RTD2662, который мы тут за глаза называем "народным", думаю, данная тема окажется многим полезной. При желании эту тему можно дополнять еще многими полезностями, как то: особенности ремонта, восстановления, замены элементов и т.д.
Итак, торговое наименования контроллера:
VS-TY2662-V1 (и то, оно известно не очень широко). В Китае он вообще не имеет названия. У продавцов он числится как "HDMI+VGA+2AV LCD display driver board". Иногда у нас этот контроллер называют PCB800099 но это не верно, это - название голой платы, а не самого контроллера, и по такому тегу в интернете найдется только информация у "нас", а не в Китае.
Внешний вид, габариты и назначение разъемов показаны на картинке

Вложение 45364

Контроллер может быть как на чипе RTD2660H, так и RTD2662. Даташиты существуют на оба чипа, но разницы в них не замечено. Можно уверенно утверждать, что второй - это переименованный первый. Контроллер может быть собран на платах двух ревизий - PCB800099 и PCB800099 V.9, которые имеют незначительные различия. В функциональном плане никаких, а в топологии печатной платы - есть. Иногда даже попадаются экземпляры под синей маской. Это говорит только о том, что собирают их на разных предприятиях. Я думаю, что заводов-производителей порядка 4-5 и все они сосредоточены в китайском Сколково - славном наукограде Шеньчжене.
Вот картинки разных вариантов для сравнения

Вложение 45365

Контроллер имеет 4 видеовхода: HDMI, VGA, AV1, AV2, которые с клавиатуры переключаются циклически в этом же порядке. На видовую сторону выведены разъемы HDMI, VGA и AV1. Вход AV2 выведен на отдельный разъем (на нем же продублирован и AV1) и помимо активации с клавиатуры может быть включен подачей напряжения на специальную ножку разъема (ACC) даже в то время, когда контроллер находится в режиме отображения информации с любого из других входов. При снятии этого управляющего напряжения контроллер вновь переключится в предыдущий режим. Этот композитный вход применяется для камеры заднего хода, а управляющее им напряжение в этом случае берется с ламп ЗХ (если, конечно, они зажигаются подачей +12В, если же лампы зажигаются подачей "массы", то необходим инвертор). Возможно это результат появления современных прошивок, но включение режима КЗХ возможно как из активного состояния контроллера, так и из спящего режима. На более ранних прошивках контроллер при подаче напряжения на контакт ACC из спящего режима не выходил.
Согласно даташита на RTD2660H, он поддерживает разрешение матриц вплоть до Full HD. Однако, китацы почему то выше 1366*768 контроллер не прошивают, мотивируя это "нестабильностью" работы контроллера. Как на самом деле обстоят дела - утверждать не берусь, я просто констатирую факты.

"НАЧИНКА" КОНТРОЛЛЕРА
Для начала приведу схему обвязки чипа чтобы было нагляднее. На схеме показаны только узлы питания, формирования напряжений и ключи. Обвязку самого чипа можно глянуть в даташите
Вложение 45523
Как видно из схемы, контроллер питается от бортового напряжения сети. Сама величина этого напряжения не принципиальна, так как все питание контроллера идет через стабилизатор HY2576ADJ. Это - LM2576ADJ, только от другого производителя. Согласно даташита LM2576ADJ допускает подачу входного напряжения аж до 45В. Правда, на входе стоит конденсатор 220мкФ*25В. Поэтому верхняя граница входного напряжения контроллера оговорена изготовителем как 20В. Нижняя (также согласно даташита на LM2576ADJ) - 6В. Так что боязнь бортсети 14,2В - беспочвенна. Так же не страшна подача повышенного напряжения на контакт ACC переключения в режим КЗХ - в базе ключевого транзистора уже установлен делитель на 10, а ток через 100кОм - мизерный. Единственное, что можно порекомендовать - подключать провод к фонарям заднего хода через резистор 5-10кОм. Причем резистор лучше установить в месте подключения к фонарям. Это скорее мера для предотвращения случайных замыканий этого провода на массу.

ПОДКЛЮЧЕНИЕ LCD ПАНЕЛЕЙ
Контроллер может быть использован с большим ассортиментом матриц. Для этого достаточно чтобы он был прошит под конкретную (или аналогичную) матрицу и имел соответствующие "добавки" в виде интерфейсных переходников (шлейфов) и если это необходимо - драйверов подсветки. На борту для этого существуют два интерфейса данных (они подписаны как TTL и LVDS) и разъем для подключения дополнительного драйвера подсветки или управления им. К интерфейсу TTL напрямую без каких либо довесков и доработок можно подключить матрицы TTL, имеющие такую распиновку (50 pin)
Вложение 45366
К ним относятся "классические" представители типа AT070TN92, AT080TN64, AT090TN10 с разрешением 800*480, AT080TN52 с разрешением 800*600 и YH070IF50H-A с разрешением 1024*600, а также их многочисленные аналоги. Думаю, таковых наберется с полсотни. Да, чуть не забыл: для таких матриц все же существует один довесок. Это удлинитель шлейфа, который ставят в случае необходимости разнести матрицу и контроллер. Выглядит он так
Вложение 45367
Также к этому интерфейсу можно подключить и целое семейство матриц с таким LVDS интерфейсом (40pin)
Вложение 45368
"Классические" представители этого семейства - EJ070NA-01 (1024*600) и EJ080NA-04 (1024*768) (которые также имеют с полтора - два десятка аналогов). Однако, их подключение возможно ТОЛЬКО через переходную плату. Внешний вид таких плат приведен на картинках. Слева вверху плата попроще, справа вверху - более "продвинутая и позволяет подключать к контроллеру еще некий перечень нестандартных матриц (внизу две картинки ее с более детальным изображением)
Вложение 45369
Какая бы ни была конструкция переходной платы, соответствие распиновок разъемов 50pin (применительно к разъему TTL контроллера) и 40pin (применительно к матрице EJ070NA-01) такое:
Вложение 45676
Кстати есть еще один способ подключения таких матриц через совсем другой переходник. Он подключается к выходу LVDS контроллера и на борту имеет отдельный драйвер подсветки. Обычно такие применяют с матрицами с более прожорливой подсветкой (ZJ080NA-08A). Выглядит он так:
Вложение 45372
Говоря о том, что к выходу TTL можно подключить матрицу с LVDS интерфейсом, я не оговорился. Дело в том, что этот 50-пиновый FFC разъем всего лишь так назван ("TTL output") и подписан на плате, а то, что на него выводится, диктуется прошивкой. Так вот согласно прошивке под матрицы типа EJ070NA-01 на пины разъема выводятся сигналы не TTL, а LVDS. С этой прошивкой сигналы LVDS вообще запараллелены с разъемом, который стоит дальше от края платы и называется "LVDS output".
Есть еще ряд матриц с 60-пиновым TTL интерфейсом, под которые также есть переходники. Однако, брендовые матрицы такого плана от именитых производителей хоть и похожи распиновкой, но все же имеют отличия, поэтому такие переходники ориентированы в основном на китайские нонеймы, у которых 60-пиновый интерфейс слизан с матрицы от AUO HSD070IDW1. Их не так много, но есть. Переходники для них выглядят вот так
Вложение 45399
Но и с ними тоже есть проблемы. Тот переходник что слева, ориентирован на использование контроллера с прошивкой под 50-пиновую TTL матрицу, а тот, что справа, вообще предполагает свою TTL прошивку из-за того, что у него все "цветовые" сигналы перевернуты в отличие от первого переходника.
Все остальные виды матриц (включая и экзотику) могут быть подключены только через интерфейс LVDS 30pin. Для комплектования наборов существует множество шлейфов и переходников. Поэтому перед покупкой продавцы всегда интересуются, под какую матрицу вы его заказываете, чтобы прошить контроллер под нужное разрешение и битность, а также помочь вам собрать все необходимое.

ОРГАНИЗАЦИЯ ПОДСВЕТКИ
Контроллер имеет на борту встроенный драйвер подсветки. Он предназначен только для LED подсветки в тех матрицах, в которых она представлена отдельным выводом самих светодиодов подсветки. Т.е. те, у которых СВЕТОДИОДЫ подсветки выведены либо на сам шлейф матрицы, либо на отдельный разъем (обычно выводится из края корпуса матрицы красным и черным проводами). Контакты выхода драйвера подсветки запараллелены с контактами 1,2 (+LED) и 3,4(-LED) разъема TTL.
В каких случаях используется встроенный драйвер:
- с матрицами, которые подключаются к контроллеру через разъем TTL и выводы светодиодов их подсветки выходят в составе их интерфейсного шлейфа;
- с матрицами, которые подключаются к контроллеру через разъем TTL и выводы светодиодов их подсветки выходят отдельным проводом;
- с матрицами, которые подключаются к контроллеру через разъем LVDS и выводы светодиодов их подсветки выходят отдельным проводом.
Встроенный драйвер подсветки не используется с матрицами, в которых есть свой внутренний драйвер подсветки (практически все матрицы от ноутбуков).
Драйвер подсветки контроллера собран на PT4103. Иногда (совсем редко) попадаются платы, на которых установлен драйвер YB1518 (на микросхеме драйвера написано тогда Y58M и у него отсутствует ножка 5). На функционировании это не сказывается, потому что они взаимозаменяемы. Драйвер рассчитан на подключение светодиодов по схеме 3LED*n - т.е. 3 светодиода последовательно (около 9В питания) и такие "гирлянды" потом параллельно. Ток (стабилизированный) через светодиоды подсветки задается одним резистором. На схеме это резистор, подключенный между 3 ножкой микросхемы драйвера и общим проводом.
Вложение 45373
На всех платах, идущих из Китая, установлен резистор номиналом 1 Ом. Согласно даташита ток подсветки рассчитывается по формуле:
I[A]=0,104V/R[Ohm] для PT4103 (или I[A]=0,100V/R[Ohm] для YB1518, но поскольку все же YB1518 применяется совсем редко, далее речь пойдет именно о PT4103).
Нетрудно подсчитать, что при таком номинале резистора драйвер выдает стабилизированный ток 104мА. Однако, подсветки у матриц отличаются и имеют сугубо индивидуальные величины. Поэтому, при желании можно произвести "тюнинг" подсветки под конкретную матрицу. Например EJ070NA-01 рассчитана на номинальный ток подсветки 160мА, а AT070TN92 - 180мА. Поэтому для них уже необходимы другие номиналы токозадающего резистора. "Переворачиваем" формулу:
R[Ohm]=0.104V/I[A]
и получаем - 0,65 и 0,57 Ом соответственно. Конечно же таких номиналов найти не получится, но раз на плате уже стоит резистор 1 Ом, достаточно сверху на него припаять еще один резистор (параллельно). Его сопротивление рассчитываем по формуле:
R=Ro*Ri/(Ri-Ro),
где Ro - суммарное сопротивление резисторов, которое нам необходимо получить, а Ri - уже установленный на плате резистор (1 Ом).
Так для вышеприведенных примеров с матрицами сопротивление дополнительных резисторов должно составить 1,86 и 1,33 Ом соответственно. Таких номиналов конечно же тоже не существует, поэтому берем ближайшие из ряда Е6 или Е12 в БОЛЬШУЮ СТОРОНУ: 2,2Ом и 1,5 Ом соответственно. Отличия получившихся токов подсветки от номинального (из даташита), которые получатся при таких номиналах сопротивлений, будут не принципиальны по сравнению с тем, что мы имели в исходном варианте.
Микросхема драйвера "умеет" регулировать яркость свечения подсветки аж тремя способами, на этой плате регулировка невозможна - выходное напряжение подсветки тесно взаимосвязано еще с рядом параметров матриц (напряжения VGL, VGH, AVDD и Vcom) и любое его изменение приводит к потере качества изображения. Внешне это выглядит примерно как понижение битности изображения до совсем низкого значения.
Матрицы, имеющие в своем составе свой встроенный драйвер подсветки, берут из контроллера только сигнал управления подсветкой. Эта линия обычно выведена из шлейфа матрицы и подключается к разъему управления подсветкой. Хоть в этом случае внутренний драйвер контроллера не используется, при появлении сигнала разрешения подсветки он все равно начинает работать. А, поскольку нагрузки (в виде подсветки) на нем нет, то напряжение на его выходе начинает неконтролируемо колебаться от 3,3В до порога ограничения по входу OV (порядка 40В). В этом случае встроенный драйвер представляет их себя лишний источник помех и его лучше отключить. Для этого достаточно аккуратно отпаять один вывод дросселя (на фото выше он расположен на краю платы слева от микросхемы драйвера). Лучше выпаивать вывод, который находится ближе к разъему управления подсветкой (согласно того же фото - ближний к нам) - тогда дроссель можно "положить" на плату, согнув оставшийся припаянный вывод (согласно фото - наклонить дроссель "вверх"). Поскольку такие матрицы подключаются к контроллеру через разъем LVDS, они не используют для работы напряжения VGL, VGH, AVDD и Vcom. Поэтому сам факт выключенного драйвера в данном случае не влияет ни на что.
В тех случаях, когда к контроллеру матрица все же подключена через интерфейс "TTL", но имеет "прожорливую" LED подсветку или все-таки задаться целью осуществлять регулировку яркости, можно применить какой нибудь сторонний драйвер, приняв все необходимые меры по сохранению значений VGH, VGL, AVDD и Vcom. Для этого нужно будет повесить на выход встроенного драйвера резистор 1-2 Вт сопротивлением 100-150 Ом. Следует иметь в виду, что температура этого резистора при работе составляет 50-60 градусов...

ОРГАНЫ УПРАВЛЕНИЯ
Контроллер может быть укомплектован клавиатурой как без ДУ, так и под ДУ. Выглядят это так
Вложение 45374
Плата клавиатуры без ДУ отличается только отсутствием фотоприемника (ну и конечно же пульта). На плате расположены 5 кнопок, фотоприемник типа TSOP1838B и двухцветный трехвыводной светодиод, отображающий состояние контроллера:
красный - контроллер принудительно выключен
зеленый - наличие сигнала на входе, контроллер работает.
оранжевый - (в силу конструкции светодиода почти не отличается от красного) контроллер в состоянии сна (отсутствие сигнала на входе)
Все перечисленные состояния справедливы только для китайской прошивки. Кстати сказать, китайские прошивки "пережили" неоднократное перерождение и в каком то поколении прошивок индикация зеленым и оранжевым поменяны местами, в каком то другом - зеленый светится только при появлении сигнала на входе, но пока контроллер проводит инициализацию, а после этого вообще гаснет. Думаю, это не сильно принципиально.
Схема клавиатуры совершенно проста. Все кнопки замыкают нужную шину (все названия кнопок подписаны на обратной стороне платы возле разъема) на массу. Также относительно массы подключается и светодиод индикации. Однако, довольно часто приходится "тюнинговать" и ее. Например не всегда удобно располагать "глаз" под ДУ рядом с кнопками. В таком случае его можно вынести отдельно и не используя клавиатуру пользоваться пультом без кнопок. Все функции клавиатуры пульт дублирует. Если не совсем технически удобно использовать заводскую клавиатуру, то можно изготовить ее самостоятельно - в ней нет ничего особенного. Нетрудно догадаться, что правильность срабатывания функций напрямую зависит от состояния самих кнопок. Примененные в родной плате клавиатуры кнопки весьма ненадежны с точки зрения атмосферных воздействий и их последствий. И если спустя какое то время у вас на нажатия кнопок контроллер не отзывается или ошибается, то значит пришло время менять кнопки.

Отдельно остановлюсь на очень интересной функции, которую этот контроллер позволяет воплотить: поворот/зеркалирование изображения. Данный аспект касается только обычных китайских прошивок и актуален только для тех матриц, которые подключаются к разъему TTL. В меню настроек есть пункт, который позволяет выбрать режимы SYS1...SYS4. В двух из них изображение поворачивается на 180 градусов, а два других зеркалируют изображение для каждого из повернутых. Таким образом изображение можно вывести в 4 вариантах:
- обычное (нормальное) положение (SYS3)
- перевернутое положение (с ног на голову)
- зеркальное отображение нормального положения
- зеркальное отображение перевернутого положения
Как именно называются остальные три режима - точно не скажу (просто не помню). Каждая из выбранных функций действует не на какой то конкретный вход, а на весь контроллер в целом. Т.е. нельзя применить только на один отдельный вход. Функция зеркалирования возможно и бесполезна, а вот функция поворота бывает востребована для первоначального монтажа матрицы в панель. Следует отметить тот факт, что поворот/отражение изображения осуществляется не силами контроллера, а средствами самих матриц. Контроллер только формирует высокий/низкий уровень на пинах матрицы U/D и L/R (соответственно Up/Down и Left/Right), а поворот и отражение осуществляет схема управления внутри матрицы. Замечено, что в некоторых совсем дешевых матрицах эти пины могут отсутствовать, соответственно поворота/отражения не получится (тогда при смене режима с изображением ничего не происходит). С матрицами, подключенными через интерфейс LVDS данная функция невозможна. Даже если в их интерфейсе и присутствуют таковые ножки, то подключить их в контроллер просто некуда.

Во время эксплуатации контроллер довольно сильно нагревается. Можно выделить три основные зоны нагрева: стабилизатор питания, драйвер подсветки и сам чип. Причем самый горячий - чип. И если в условиях зимы/весны/осени еще терпимо, то в условиях жаркого лета (а помимо окружающей среды сам автомобиль - неслабый источник тепла) напрашивается какое нибудь решение по принятию мер для охлаждения. Неплохо над платой контроллера поместить какой нибудь кулер. Если так не получается, то хотя бы наклеить на чип какой либо подходящий по размерам радиатор. Например от чипсета с какой нибудь старой материнки или от памяти с видеокарт. Поверьте, хуже не будет...

ПОДКЛЮЧЕНИЕ К ИСТОЧНИКАМ
Подключение контроллера к источникам сигналов медийного контента особо не накладывает никаких ограничений на сам источник, так как в в работе контроллера присутствуют алгоритмы ап- и даунскейлинга (т.е. зуммирование в оба направления до полного кадра в размер матрицы) и контроллер вполне хорошо справляется с этим по любому из входов. Следует отметить тот факт, что вход HDMI в китайских прошивках сделан как мультимедийный и как правило корректно отрабатывает только контент от медиаплееров, приставок и т.д. Однако, если вести речь о графической информации (как то прорисовка интерфейса операционной системы, отображение рисунков карт навигации и т.д.), необходимо принять меры к тому, чтобы обеспечить по входам HDMI или VGA разрешение сигналов, равное разрешению матрицы (т.н. "нативное" разрешение). Только в этом случае можно получить максимально четкое изображение. Для работы контроллера с графическим адаптером (видеокартой) не требуется никаких специальных драйверов. В то же время никакой информации EDID с самой матрицы (если таковая подключена) контроллер тоже не несет, а информация о доступных режимах контроллера содержится только в прошивке. Однако, китайские прошивки не блещут тщательностью разработки и чаще всего работать в нативном разрешении сможет разве что контроллер под матрицы 800*600 и 1024*768. Для планшетных матриц (с разрешениями отличающимися от стандартных для windows) уже все не так просто. И если основа Car PC собрана на относительно современном железе, то для HDMI входа иногда бывает достаточно покопаться в настройках графического адаптера и заготовить нужное разрешение, а вот для входа VGA придется еще и изменять прошивку. Я не буду здесь дублировать накопленный в форумах опыт, а дам только ссылки, позволяющие понять суть процесса. Не очень внятные 1, 2. Более глубокие 3, 4.

ПРОГРАММИРОВАНИЕ
Контроллер программируется по шине I2C. Прошивка ложится в SPI-Flash типа Winbond 25X40. Шины SDA и SCL находятся в составе разъема VGA, а также запараллелены на разъем, дублирующий VGA. Для программирования контроллера многие продавцы предлагают даже программаторы. Подешевле - те, которые работают через LPT порт, например такой или такой. Варианты с USB ощутимо дороже, например вот. На форуме встречаются также и другие решения для программирования (например здесь). "Клиентам" многоуважаемого YAM1966 предлагаются вообще уникальные возможности, так сказать "два-в-одном".
Конечно же и потребности и возможности у всех разные. Но для действительно разовой работы (не каждый же день все прошивают контроллеры) должно быть и разовое решение. И оно существует.
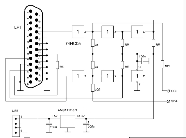
Что есть самый дешевый LPT программатор? Да ни что иное, как общеизвестная схема на 74HC05 и никаких секретов:
Вложение 45375
А дальше все зависит от уровня подготовки и дизайнерских навыков.
Себестоимость такого программатора - порядка 100 руб. При аккуратном монтаже можно легко всю схему уместить в покупной разборный корпус LPT разъема. Компьютер с LPT портом ради прошивки найти все таки возможно. Сами прошивки (китайские) - тоже не дефицит. Например по продавцы Chinatobby 2011 и Elecrealm на Ebay выложили целый архив прошивок для этого контроллера. Останется установить драйвер LPT порта, софт и вперед. Китайским софтом не пользовался, может он и удобный, но с этим джигом он не заработал. Я пользуюсь Postal2 - в нем тоже есть поддержка RTD2660.
Да, маленькая поправка. На схеме программатора есть USB разъем. Это - не порт! Это всего лишь питание программатора. Кто хочет - для вывода SDA и SCL может применить разъем VGA и соединять с контроллером через кабель. Мне лично показалось более простым использовать для программирования дублирующий VGA разъем (позади основного VGA). Контакты с обратной стороны платы все подписаны.
ВНИМАНИЕ! На плате версии PCB800099 V.9 контакты интерфейса I2C (SDA и SCL) на разъеме, дублирующем VGA, подписаны не правильно - они поменяны местами.
Есть еще одно "разовое решение". Можно снять микросхему SPI Flash (а при наличии "прищепки" и не снимая) и прошить любым программатором с поддержкой 25 серии (например CH341A). Для этого даже не потребуется софт с поддержкой протокола обмена RTD2660. Прошивка - это и есть дамп самой флэши.

Не знаю, корректно это или нет, но выложу небольшую кучку последних китайских прошивок для подавляющего большинства матриц. Все прошивки с отключением синего бэкграунда. У прошивок 800*480 и 1024*600 натив я вроде сделал. Прошивка 1024*600 подходит как к нетбучным матрицам, так и ко всем типа EJ070NA-01 (т.е. с 40-пиновым шлейфом и переходником). Прошивка 800*480 у меня на моем железе показала натив на всех интеловских платах. Один человек сказал, что натив он не получил никак. Возможно зависит от железа.
Вложение 45376
Для матриц 800*480 с 60-пиновым интерфейсом и "перевернутым" переходником (о котором я говорил выше) - отдельная прошивка
Вложение 45377
Ну и возможно кто то может найти для себя что то в первых китайских прошивках, выложу архив сюда. Первые прошивки имеют немного другую цветовую гамму меню и некоторые функции меню отсутствуют. Один товарищ даже сказал, что качество отображения на них отличается в лучшую сторону - не знаю, не проверял. Все эти прошивки не правленые и натива возможно не будет. Так что тема про натив возможно будет актуальна. Архив под 5 метров и сюда не ложится, так что кладу на яндекс-диск.

Поскольку то и дело возникает вопрос, связанный с неправильно выбранной битностью прошивки, то вот образец работы 6-битной матрицы с 8-битной прошивкой:
http://www.pccar.ru/attachment.php?a...5&d=1454713804
Если сделать наоборот (т.е. 8-битную матрицу подключить к контроллеру с 6-битной прошивкой), то ВОЗМОЖНО могут быть разные варианты артефактов на изображении. Я лично сталкивался один только раз - была сильно затемненная картинка.
И еще одна "хитрость". Бывает же так, что есть прошивка, но она не под ту битность. Так вот битность в прошивке (я говорю только про китайскую прошивку) поменять довольно просто. Способ описан тут в самом конце топика.

ДИАГНОСТИКА И РЕМОНТ
В силу высокой интеграции чипа ремонт по части изображения невозможен - на плате попросту ничего для этого нет и все "спрятано" внутри чипа. Все видеопараметры решаются в прошивке.
При сбоях в работе и глючности контроллера вариантов тоже немного. Вернее, их всего два: замена электролитических конденсаторов (их всего два на плате) и перепрошивка (а возможно и замена) SPI Flash.
Что касается конденсаторов, то неисправность каждого из них может привести к глючности контроллера. В случае замены следует подыскивать помимо габаритов еще и температурную группу +105 градусов (это написано на корпусе конденсатора). Подходящие конденсаторы, если их невозможно купить, можно найти на материнских платах, платах от различных коммутаторов и роутеров.
Что касается замены SPI Flash, то вместо установленной Winbond W25X40 ставить можно любую с такой же организацией: M25P40, 25LV040, AT25DF041, SST25VF040. Я ставил вместо нее даже какой то неизведанный фрукт FM25F04 (выдернул из какого то планшета) - тоже работает, хоть она и менее скоростная, чем 25X40. Главное - одинаковая организация.
Не думаю, что когда либо потребуется замена транзисторов и диодов на плате, но на всякий случай расшифрую, что за элементы установлены. Транзисторы с маркировкой 1AM - это MMBT3904LT1 (2N3904). Поскольку все эти транзисторы работают как ключи, то заменить их можно любым подходящим по току и напряжению NPN транзистором корпусе SOT23. Можно даже поставить транзистор и в обычном корпусе. Главное - аккуратно припаять.
Диоды в цепях VGL и VGH (маркировка A7) - BAV99. Думаю, просто так они не выгорают, так что эта информация скорее для справки.
Диоды Шоттки SS14 имеют максимально допустимые 40В 1А и заменяются любыми подобными. Такие можно отыскать на платах от любого планшета - они стоят "вблизи" драйвера подсветки.
Стабилизатор HY2576ADJ особо нигде не исвестен, но это ни что иное как LM2576ADJ и найти его в случае замены не составит труда. Но есть и нюансы. Для замены необходим стабилизатор в корпусе TO-263 (D2PAK5). Однако, не всегда возможно такой найти. Чаще конечно же более доступны в корпусе TO-220. Можно взять и такой, но придется отпилить ему часть фланца. ВНИМАНИЕ! Если вдруг доведется проделывать такое, держите стабилизатор при отпиливании ТОЛЬКО за отпиливаемый край фланца, а не за корпус, иначе велика вероятность повредить микросхему. Помимо LM2576ADJ можно применить стабилизатор LM2576-3.3 (с фиксированным напряжением 3,3В). Тогда необходимо будет внести изменения в схеме (согласно даташита) - вместо резистора 20кОм поставить перемычку (поз.1 на рисунке ниже) и удалить резистор 12кОм (поз.2).
Вложение 45382
Такая "доработка" повышает надежность работы контроллера - в этом случае стабилизатор исключает несанкционированную "регулировку" выходного напряжения например при воздействии избыточной влажности (конденсата).

Теперь непосредственно о диагностике.
Самые распространенные случаи - это случайная переполюсовка при подключении. Обычно при этом выходит из строя стабилизатор HY2576. Не исключаю, что переполюсовка может привести и к более катастрофическим последствиям, но мне лично попадались контроллеры после таких недоразумений только с убитым стабилизатором. Помимо стабилизатора от переполюсовки может пострадать конденсатор 220мкФ*25В (который стоит на краю платы возле разъема питания). Мне попадался контроллер, у которого этот конденсатор разорвало спустя месяц после переполюсовки.
Диагностика начинается с обмеров напряжений. И первая ошибка, которую допускают многие - обмер стабилизатора непосредственно на его ножках. Конечно же так проще, но ножки входа и выхода у него находятся рядом (1 и 2 соответственно). В подавляющем большинстве случаев имеет место соскользнувший щуп и замыкание 12В на шину 3,3В. И если до этого была неисправна только микросхема стабилизатора, то при таком замыкании достаточно доли секунды, чтобы выгорели еще чип и флэш. Поэтому рекомендую входное напряжение измерять на 1 ножке стабилизатора, а выходное (+3,3В) пытаться искать на ножках микросхеме AMS1117 (с тремя выводами и широким фланцем). Вокруг нее довольно "просторно", замкнуть там ничего не получится. К тому же на ее фланце заодно можно посмотреть еще и наличие напряжения +1,8В (если конечно же +3,3В на нее поступает).
При замене снимаем горелый стабилизатор. Он припаян фланцем на плату, поэтому удобнее отпаять сначала по одной ножке (приподнимая каждую), а потом уже более высокой температурой прогреть фланец. После снятия стабилизатора нужно обязательно обмерить плату (тестером в режиме измерения сопротивлений) на предмет отсутствия аномалий по вторичной цепи питания (+3,3В). При полностью исправных элементах на плате сопротивление между шиной +3,3В и общим проводом должно составлять примерно 9-10кОм (щуп тестера с положительным потенциалом к шине +3,3В). Если это сопротивление составляет десятки или единицы Ом, то это говорит о выходе из строя каких то элементов по вторичной цепи питания и тогда следует поэтапно проверить каждую ветку питания +3,3В. В грубом выражении таких веток четыре и на каждую ветку на плате установлены SMD дроссели:
- драйвер подсветки (поз.1)
- ключ питания матрицы LVDS (поз.2)
- SPI Flash (поз.3)
- питание чипа RTD2660H (поз.4)
Вложение 45383
Если, как говорилось выше, по шине питания тестер показывает сопротивление единицы Ом, то можно методом исключения перемычек найти неисправную цепь (или цепи, если она не одна). Боюсь кого то огорчить, но почему то как правило таковыми являются чип контроллера и flash. Так что можно сразу начинать проверку с них.
Поменять флэш не сложно. Гораздо проблематичнее поменять сам RTD2660H. Если все таки он "готов", то не стоит отчаиваться - они продаются (даже где то у нас встречаются) и можно поменять и его. Просто следует иметь в виду, что удобнее всего это делать при помощи фена паяльной станции. Но если таковой нет, можно обойтись подручными средствами. Нужно взять острый скальпель и пройти им вдоль граней корпуса чипа, срезая ножки (аккуратно, надавливая сверху вниз по принципу ножниц, естественно не царапая плату). Затем мелким (лучше все же специализированным миниатюрным) паяльником снять все ножки, аккуратно БЕЗ НАДАВЛИВАНИЯ сдвигая их паяльником вдоль дорожек. Когда останется один голый корпус чипа, тогда нужно мощным паяльником прогреть его со "спины" до тех пор, пока он не отпаяется от платы (он припаян на плату подложкой). Припаять подложку нового чипа без спецсредств уже не получится, поэтому можно обойтись и каплей термопасты, которой мы смазываем компьютерные процессоры. Нужно "мазнуть" ей подложку, положить чип на плату, сориентировать чтобы все ножки совпали с дорожками на плате, прижать его и очень аккуратно припаять хотя бы угловые ножки. Ну а далее так же вдоль ножек проходя все тем же мелким паяльником, припаиваем все выводы чипа.

Вот вроде бы и все. Если что еще вспомню - добавлю.

Схема без блока питания, тут.

Народ, принимайте как предупреждение. От 22.10.2021
На алиэкспресс при заказе народного контроллера почти все продавцы высылают его новую версию. Слыхал даже что обычную версию сейчас найти совсем проблематично.
Выглядит новый вот так:

Вложение 52528

Отличается организацией понижения питания (+3,3В - теперь DC/DC не греется, как это было с LM2576ADJ), наличием джамперной гребенки, при помощу которой выбирается необходимое разрешение и возможностью запитать матрицу напряжением +12В. Питания +5В на плате не предусмотрено - на ней нет такого источника.
Вот таблица джамперов с соответствием разрешений:

Вложение 52529

Положения джамперов написаны на обратной стороне платы и каждое положение имеет вид: "А, 1, 2....9, 10". Как видите, не все разрешения доступны. По крайней мере я не нашел самого распространенного 1366*768 8 бит 1 канал (S8 - single 8 bit). Пробовал на соответствующей матрице - нет такого.
КОНТРОЛЛЕР БОЛЬШЕ НЕ ТРЕБУЕТ ПРОШИВАНИЯ!!!
Поскольку версия контроллера называется так же, как и старая, я попробовал залить прошивку от обычного народного. Увы, контроллер не стартует и уходит в бутлуп. Помогло подключение на имеющееся место конденсатора по фильтрации +3,3В емкостью 220-470мкФ. Однако это спасает только при использовании матриц, которые подключаются к разъему "TTL". При подключении матриц к разъему LVDS на выходе управления подсветкой BLON просто раз в секунду скачет уровень запуска. При случайном касании металлическим предметом даже затрудняюсь сказать чего именно, контроллер оживает, но после перехода через сон при пробуждении сваливается в устойчивый бутлуп.
Так что если кто планирует применить прошивку ancc, этот вариант контроллера вам точно не подойдет (если конечно же Андрей не изучит эту плату и не напишет под нее свое ПО).
Модератор, прошу вынести это в шапку.

Leobor 21.02.2015 14:49

По поводу
Цитата:

Сообщение от Nikolay2112 (Сообщение 321327)
- стоковая прошивка "слетает" примерно после двух месяцев активного пользования (перестают сохраняться установленные параметры, слетают "по умолчанию" ). Поставил прошивку "местных гуру" - все работает отлично.

Здесь нашлась такая информация (цитирую):
"...Дело в том, что контроллер имеет триггер на второй аналоговый видеовход, который боится напряжения при выключенном питании. Так что, чтобы биос не слетал, не нужно выключать зажигание в режиме заднего хода)"
В теории не совсем понятно, о каком "напряжении" идет речь. Напряжение на переключение - оно всего лишь поступает в базу ключевого транзистора, а не в контроллер (хотя, при этом вывод 101 оказывается на массе). Если идет речь о видеосигнале - то он вроде не должен ни на что влиять. Но раз "сигнал поступил" - возможно и имеет место....

sclif83 21.02.2015 20:26

Цитата:

Сообщение от Leobor (Сообщение 321333)
По поводу

Здесь нашлась такая информация (цитирую):
"...Дело в том, что контроллер имеет триггер на второй аналоговый видеовход, который боится напряжения при выключенном питании. Так что, чтобы биос не слетал, не нужно выключать зажигание в режиме заднего хода)"
В теории не совсем понятно, о каком "напряжении" идет речь. Напряжение на переключение - оно всего лишь поступает в базу ключевого транзистора, а не в контроллер (хотя, при этом вывод 102 оказывается на массе). Если идет речь о видеосигнале - то он вроде не должен ни на что влиять. Но раз "сигнал поступил" - возможно и имеет место....

уже второй день комп снят с машины и экран не запитан, а +12 с фонаря ЗХ как был подключён к контроллеру так там и висит и я так делал уже не раз прошивка на месте:dntknw:

Leobor 21.02.2015 21:37

Сложно сказать, от чего "слетает" прошивка. Я думаю виновата флэшка. Ведь это не у всех подряд, а только единичные случаи...

Юран каюр 23.02.2015 10:20

на панель AT080TN64 разрешение 800X480, у меня этот контроллер в диспетчере устройств определяется как "стандартный" с разрешением минимум 800X600 (window 7) и нужное разрешение никак не получается, картинка не помещается (кнопка "Пуск" не видна). Вот с смотрю варианты с "малой кровью". Как узнать что или под какую матрицу прошит контроллер этот?

-=zds=- 23.02.2015 11:43

Цитата:

Сообщение от Юран каюр (Сообщение 321431)
на панель AT080TN64 разрешение 800X480, у меня этот контроллер в диспетчере устройств определяется как "стандартный" с разрешением минимум 800X600 (window 7) и нужное разрешение никак не получается, картинка не помещается (кнопка "Пуск" не видна). Вот с смотрю варианты с "малой кровью". Как узнать что или под какую матрицу прошит контроллер этот?

Так это вам не драйвера нужны, а как вы правильно заметили, вам надо прошивать контроллер под свою матрицу, и тогда он будет верно определяться в винде.

Farman 23.02.2015 14:42

подправьте если не прав:
вот вижу что этот контроллер прошивают через SPI интерфейс. Знаем что у Ардуино тоже есть SPI интерфейс. Нельзя ли его использовать для этих целей? Ардуино и Сдкард шилд. Бросить прошивку на карт и дальше залить на контроллер.

YAM1966 23.02.2015 17:47

Цитата:

Сообщение от Farman (Сообщение 321445)
подправьте если не прав:
вот вижу что этот контроллер прошивают через SPI интерфейс. Знаем что у Ардуино тоже есть SPI интерфейс. Нельзя ли его использовать для этих целей? Ардуино и Сдкард шилд. Бросить прошивку на карт и дальше залить на контроллер.

По SPI шьется только FLASH память если ее выпаять.
Внутрисхемно она шьется по I2C DDC каналу в разъеме VGA.
Или этим или этим или этим софтом и железом.

swao 24.02.2015 12:51

Цитата:

Сообщение от Leobor (Сообщение 321235)
В связи с тем, что возникает много вопросов по подключению, комплектации и функционированию универсального контроллера дисплея на чипе RTD2660H/RTD2662, который мы тут за глаза называем "народным", думаю, данная тема окажется многим полезной. При желании эту тему можно дополнять еще многими полезностями, как то: особенности ремонта, восстановления, замены элементов и т.д. Я бы даже пометил ее как "важная", но это не в моей компетенции.

премного благодарю уважаемого Leobor за аппаратное описание контроллера
Цитата:

Сообщение от Leobor (Сообщение 321235)
В то же время никакой информации EDID контроллер тоже не несет, поэтому данный вопрос решается непосредственно в настройках графического адаптера. На страницах форума есть информация как это делается.

а тут я не согласен с автором темы и хочу внести поправку. Во всяком случае мой экземпляр контроллера несет такую информацию по каналу VGA точно есть EDID. Именно, по этому он должен быть корректным, иначе его прийдется "преодолевать" для работы в нативном разрешении.

ancc 24.02.2015 14:54

насчет EDID топикстартер в корне не прав. В каждой прошивке есть EDID, но он везде одинаковый и не учитывает установленную матрицу, поэтому нет нативного разрешения. Убедиться в этом можно запустив, например, moninfo.


Часовой пояс GMT +4, время: 19:29.

Работает на vBulletin® версия 3.8.4.
Copyright ©2000 - 2025, Jelsoft Enterprises Ltd.
Перевод: zCarot