PCCar.ru - Ваш автомобильный компьютер

Вернуться   PCCar.ru - Ваш автомобильный компьютер > Всё Остальное > Проекты > Рабочий журнал

Ответ
 
Опции темы Поиск в этой теме
Старый 23.12.2015, 13:30   #201
mendisabal
Гуру
 
Аватар для mendisabal
 
Регистрация: 05.10.2012
Возраст: 44
Город: Краснодар
Регион: 23, 93
Машина: Subaru impreza 08
Сообщений: 1,786
mendisabal is a name known to allmendisabal is a name known to allmendisabal is a name known to allmendisabal is a name known to allmendisabal is a name known to allmendisabal is a name known to all
По умолчанию

Я случйно наткнулся в dns , алюминиевая рамка и железная решетка мелкая , помню на али\ибее тогда не нашел , сам хз по каким словам искать , но вещь классная .
__________________
Win 10 , ZOTAC Z68-ITX WiFi Supreme + i7 3770S + crucial M4 256 , gt430 + VS-TY2662-V1 + n101bcg-l21 , Xonar DX + ВА 3121 + BM2032 + Pioneer TS-F650C .
избыток свободного времени + острое желание быть не таким как все открывают бесконечные горизонты творчества в скудном пространстве возможностей
mendisabal вне форума   Ответить с цитированием
Старый 23.12.2015, 14:05   #202
Vladget
Moderator
 
Регистрация: 04.04.2009
Возраст: 69
Город: Краснодар
Регион: 23, 93
Машина: HONDA CR-V-08
Сообщений: 3,124
Vladget is a splendid one to beholdVladget is a splendid one to beholdVladget is a splendid one to beholdVladget is a splendid one to beholdVladget is a splendid one to beholdVladget is a splendid one to beholdVladget is a splendid one to behold
По умолчанию

до сих пор есть http://www.dns-shop.ru/search/?q=+FAN+FILTER
__________________


Vladget вне форума   Ответить с цитированием
Старый 23.12.2015, 16:31   #203
Andrey875
Старший Пользователь
 
Аватар для Andrey875
 
Регистрация: 26.10.2011
Возраст: 38
Город: Приозёрск
Регион: Казахстан
Машина: Camry 2001
Сообщений: 355
Andrey875 is a jewel in the roughAndrey875 is a jewel in the roughAndrey875 is a jewel in the roughAndrey875 is a jewel in the rough
По умолчанию

Да! Штука классная! Особенно вот эта!

Так же читал в одном из проектов.... Разорвали одноразовый мешок от пылесоса и растянули по крышке...
__________________
Проект: Toyota Camry 25 (2001 года)
GigaByte GA-E350N, AMD Dual-Core E-350 1.6 GHz; DDR-3 DIMM 2Gb 1333MHz PC10600 Transcend; Transcend TS64GSSD370; Linksys WMP54G, M2-ATX; LILLIPUT 869GL-NP/C/T; ELM 327; USB HUB 4-port USB 2.0 Defender Quadro Iron; Locosys LS-23090 (GPS+ГЛОНАСС).
Andrey875 вне форума   Ответить с цитированием
Старый 23.12.2015, 17:07   #204
Vladget
Moderator
 
Регистрация: 04.04.2009
Возраст: 69
Город: Краснодар
Регион: 23, 93
Машина: HONDA CR-V-08
Сообщений: 3,124
Vladget is a splendid one to beholdVladget is a splendid one to beholdVladget is a splendid one to beholdVladget is a splendid one to beholdVladget is a splendid one to beholdVladget is a splendid one to beholdVladget is a splendid one to behold
По умолчанию

дык самодельных нате вам https://www.google.ru/search?q=%D0%B...rcznAHMJvEM%3A
__________________


Vladget вне форума   Ответить с цитированием
Старый 23.12.2015, 17:09   #205
Andrey875
Старший Пользователь
 
Аватар для Andrey875
 
Регистрация: 26.10.2011
Возраст: 38
Город: Приозёрск
Регион: Казахстан
Машина: Camry 2001
Сообщений: 355
Andrey875 is a jewel in the roughAndrey875 is a jewel in the roughAndrey875 is a jewel in the roughAndrey875 is a jewel in the rough
По умолчанию

Во! Тоже вариант! И даже более бюджетно, если кому по душе!
__________________
Проект: Toyota Camry 25 (2001 года)
GigaByte GA-E350N, AMD Dual-Core E-350 1.6 GHz; DDR-3 DIMM 2Gb 1333MHz PC10600 Transcend; Transcend TS64GSSD370; Linksys WMP54G, M2-ATX; LILLIPUT 869GL-NP/C/T; ELM 327; USB HUB 4-port USB 2.0 Defender Quadro Iron; Locosys LS-23090 (GPS+ГЛОНАСС).
Andrey875 вне форума   Ответить с цитированием
Старый 23.12.2015, 21:21   #206
mendisabal
Гуру
 
Аватар для mendisabal
 
Регистрация: 05.10.2012
Возраст: 44
Город: Краснодар
Регион: 23, 93
Машина: Subaru impreza 08
Сообщений: 1,786
mendisabal is a name known to allmendisabal is a name known to allmendisabal is a name known to allmendisabal is a name known to allmendisabal is a name known to allmendisabal is a name known to all
По умолчанию

Цитата:
Сообщение от Vladget Посмотреть сообщение
дык самодельных нате вам https://www.google.ru/search?q=%D0%B...rcznAHMJvEM%3A
колхоз , как говорится ,дело добровольное)
__________________
Win 10 , ZOTAC Z68-ITX WiFi Supreme + i7 3770S + crucial M4 256 , gt430 + VS-TY2662-V1 + n101bcg-l21 , Xonar DX + ВА 3121 + BM2032 + Pioneer TS-F650C .
избыток свободного времени + острое желание быть не таким как все открывают бесконечные горизонты творчества в скудном пространстве возможностей
mendisabal вне форума   Ответить с цитированием
Старый 23.12.2015, 21:38   #207
Vladget
Moderator
 
Регистрация: 04.04.2009
Возраст: 69
Город: Краснодар
Регион: 23, 93
Машина: HONDA CR-V-08
Сообщений: 3,124
Vladget is a splendid one to beholdVladget is a splendid one to beholdVladget is a splendid one to beholdVladget is a splendid one to beholdVladget is a splendid one to beholdVladget is a splendid one to beholdVladget is a splendid one to behold
По умолчанию

Цитата:
Сообщение от mendisabal Посмотреть сообщение
колхоз , как говорится ,дело добровольное)
ну кто бы возражал
вот есть на ебеи http://www.ebay.com/sch/i.html?_from...er+PC&_sacat=0
вот на ali http://ru.aliexpress.com/af/Case-Fan...ewCP=y&catId=0
__________________


Vladget вне форума   Ответить с цитированием
Старый 17.01.2016, 16:34   #208
Andrey875
Старший Пользователь
 
Аватар для Andrey875
 
Регистрация: 26.10.2011
Возраст: 38
Город: Приозёрск
Регион: Казахстан
Машина: Camry 2001
Сообщений: 355
Andrey875 is a jewel in the roughAndrey875 is a jewel in the roughAndrey875 is a jewel in the roughAndrey875 is a jewel in the rough
По умолчанию

Убрал я Windows 10 и поставил обычный 8.1. Так же! Что касается "Комбинация "Инкрементный Энкодер + дополнительные кнопки""... Сделать его намного проще, чем говорили! Купил мультимедиа клавиатуру, с крутилкой громкости на борту! И как не удивительно всё работает! А обошлось мне всё это добро в 1,75 зелёненького! Но пока не ставил, так как нужно делать корпус из пластика!
__________________
Проект: Toyota Camry 25 (2001 года)
GigaByte GA-E350N, AMD Dual-Core E-350 1.6 GHz; DDR-3 DIMM 2Gb 1333MHz PC10600 Transcend; Transcend TS64GSSD370; Linksys WMP54G, M2-ATX; LILLIPUT 869GL-NP/C/T; ELM 327; USB HUB 4-port USB 2.0 Defender Quadro Iron; Locosys LS-23090 (GPS+ГЛОНАСС).
Andrey875 вне форума   Ответить с цитированием
Старый 17.01.2016, 22:16   #209
Vlad-bodryi
Гуру
 
Регистрация: 23.12.2012
Возраст: 44
Город: Самара
Регион: 63, 163
Машина: Forester
Сообщений: 1,166
Vlad-bodryi is a jewel in the roughVlad-bodryi is a jewel in the roughVlad-bodryi is a jewel in the roughVlad-bodryi is a jewel in the rough
По умолчанию

тебе говорили ранее об этом!
Vlad-bodryi вне форума   Ответить с цитированием
Старый 03.08.2016, 20:38   #210
Andrey875
Старший Пользователь
 
Аватар для Andrey875
 
Регистрация: 26.10.2011
Возраст: 38
Город: Приозёрск
Регион: Казахстан
Машина: Camry 2001
Сообщений: 355
Andrey875 is a jewel in the roughAndrey875 is a jewel in the roughAndrey875 is a jewel in the roughAndrey875 is a jewel in the rough
По умолчанию

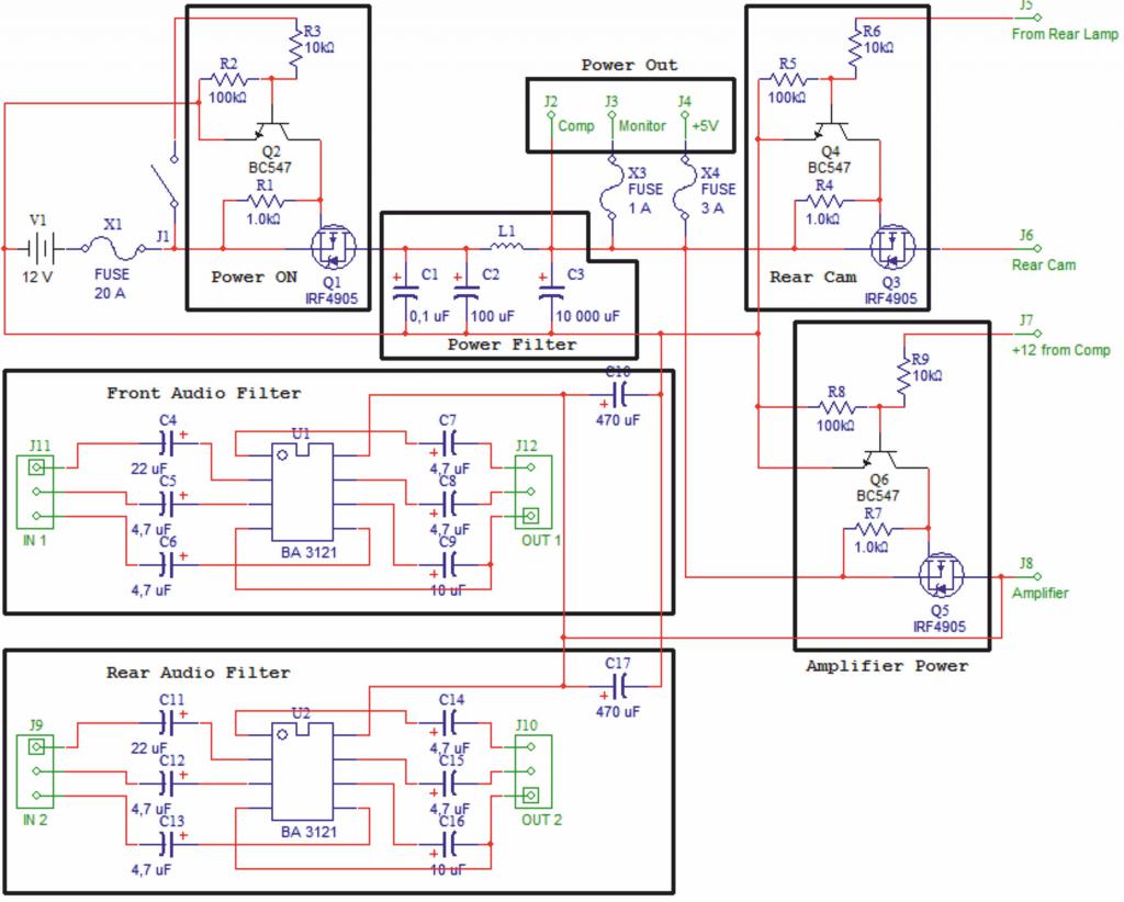
Подскажите! На сколько данная схема верна? Интересует управление полевиками.
С лампы заднего хода приходит 10 В

Даташиты
IRF4905
BA3121
BC547
Миниатюры
Нажмите на изображение для увеличения
Название: Схема (на полевиках).jpg
Просмотров: 1035
Размер:	102.6 Кб
ID:	44425  
__________________
Проект: Toyota Camry 25 (2001 года)
GigaByte GA-E350N, AMD Dual-Core E-350 1.6 GHz; DDR-3 DIMM 2Gb 1333MHz PC10600 Transcend; Transcend TS64GSSD370; Linksys WMP54G, M2-ATX; LILLIPUT 869GL-NP/C/T; ELM 327; USB HUB 4-port USB 2.0 Defender Quadro Iron; Locosys LS-23090 (GPS+ГЛОНАСС).
Andrey875 вне форума   Ответить с цитированием
Ответ


Здесь присутствуют: 1 (пользователей: 0 , гостей: 1)
 

Ваши права в разделе
Вы не можете создавать новые темы
Вы не можете отвечать в темах
Вы не можете прикреплять вложения
Вы не можете редактировать свои сообщения

BB коды Вкл.
Смайлы Вкл.
[IMG] код Вкл.
HTML код Выкл.



Часовой пояс GMT +4, время: 05:45.


Работает на vBulletin® версия 3.8.4.
Copyright ©2000 - 2025, Jelsoft Enterprises Ltd.
Перевод: zCarot