PCCar.ru - Ваш автомобильный компьютер

Вернуться   PCCar.ru - Ваш автомобильный компьютер > MP3Car ТехИнфа > AndroidCar > Питание

Ответ
 
Опции темы Поиск в этой теме
Старый 26.10.2015, 12:15   #971
mr_nixon
Старший Пользователь
 
Регистрация: 28.02.2013
Город: Севастополь
Регион: 82
Машина: Mitsubishi
Сообщений: 222
mr_nixon is on a distinguished road
По умолчанию

Цитата:
Сообщение от YAM1966 Посмотреть сообщение
А что там подключать-то, сам датчик выпаять, на его место SMD резистор 1К с выхода на массу и подавая 3.3В планшет просыпается. Ну или добавить еще последовательно 3.3K и подавая 12В через него планшет просыпается.
Хочу будить его через команду с ардуино
mr_nixon вне форума   Ответить с цитированием
Старый 26.10.2015, 12:17   #972
YAM1966
Гуру
 
Аватар для YAM1966
 
Регистрация: 01.06.2013
Возраст: 59
Регион: Украина
Машина: Toyota Fortuner 4.0 / Chevrolet Bolt EV
Сообщений: 2,006
YAM1966 has much to be proud ofYAM1966 has much to be proud ofYAM1966 has much to be proud ofYAM1966 has much to be proud ofYAM1966 has much to be proud ofYAM1966 has much to be proud ofYAM1966 has much to be proud ofYAM1966 has much to be proud ofYAM1966 has much to be proud ofYAM1966 has much to be proud ofYAM1966 has much to be proud of
По умолчанию

Цитата:
Сообщение от mr_nixon Посмотреть сообщение
Хочу будить его через команду с ардуино
Тогда через 510 Ом и к ноге ардуино. При 5В на ней на датчике будет как раз 3.3В
YAM1966 вне форума   Ответить с цитированием
Старый 26.10.2015, 13:25   #973
mr_nixon
Старший Пользователь
 
Регистрация: 28.02.2013
Город: Севастополь
Регион: 82
Машина: Mitsubishi
Сообщений: 222
mr_nixon is on a distinguished road
По умолчанию

Цитата:
Сообщение от YAM1966 Посмотреть сообщение
Тогда через 510 Ом и к ноге ардуино. При 5В на ней на датчике будет как раз 3.3В
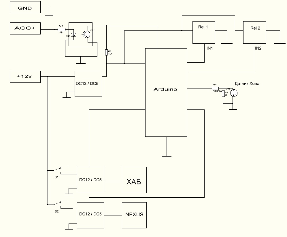
Вариант живучести схемы.
3 ДС/ДС
Первый питает непросредственно ардуино- она включена всегда
и пока есть питание на Ардуино есть питание и REL2, которое подаёт питание на НЕКСУС ( сделано для того чтобы например через сутки ардуино переставала оживлять REL2, ну и нексус уходил в глубокий сон.
Оживление АСС, ну и датчик хола, по которому пока вопрос.

Нажмите на изображение для увеличения
Название: test.jpg
Просмотров: 956
Размер:	63.3 Кб
ID:	41419
mr_nixon вне форума   Ответить с цитированием
Старый 26.10.2015, 13:37   #974
YAM1966
Гуру
 
Аватар для YAM1966
 
Регистрация: 01.06.2013
Возраст: 59
Регион: Украина
Машина: Toyota Fortuner 4.0 / Chevrolet Bolt EV
Сообщений: 2,006
YAM1966 has much to be proud ofYAM1966 has much to be proud ofYAM1966 has much to be proud ofYAM1966 has much to be proud ofYAM1966 has much to be proud ofYAM1966 has much to be proud ofYAM1966 has much to be proud ofYAM1966 has much to be proud ofYAM1966 has much to be proud ofYAM1966 has much to be proud ofYAM1966 has much to be proud of
По умолчанию

Цитата:
Сообщение от mr_nixon Посмотреть сообщение
Вариант живучести схемы.
3 ДС/ДС.......
Вопросы:
  • оптрон на АСС ИМХО лишнее
  • не вижу цепей для измерения напряжения батареи
  • питать все время ардуино - перебор, включение по АСС, самоблокировка, выключение программное.
  • не понял про Rel 1 и Rel 2 - питаются от 5В?
  • DC12/DC5 что за преобразователи? Имеют вход управления?
YAM1966 вне форума   Ответить с цитированием
Старый 26.10.2015, 13:45   #975
mr_nixon
Старший Пользователь
 
Регистрация: 28.02.2013
Город: Севастополь
Регион: 82
Машина: Mitsubishi
Сообщений: 222
mr_nixon is on a distinguished road
По умолчанию

Цитата:
Сообщение от YAM1966 Посмотреть сообщение
Вопросы:
  • оптрон на АСС ИМХО лишнее
  • не вижу цепей для измерения напряжения батареи
  • питать все время ардуино - перебор, включение по АСС, самоблокировка, выключение программное.
  • не понял про Rel 1 и Rel 2 - питаются от 5В?
  • DC12/DC5 что за преобразователи? Имеют вход управления?
1 мне показалось так оптимальнее
2 у меня в машине 2 акб, не думаю что принципиально, но обращу питание.
3 тоесть , полностью отрубать всё- так правильнее ?
4 Да 5 вольтНажмите на изображение для увеличения
Название: $_1.jpg
Просмотров: 1515
Размер:	25.6 Кб
ID:	41420
5 кисы
это предварительно, поэтому готов к критике, в машину 1 раз делаю
mr_nixon вне форума   Ответить с цитированием
Старый 26.10.2015, 14:00   #976
YAM1966
Гуру
 
Аватар для YAM1966
 
Регистрация: 01.06.2013
Возраст: 59
Регион: Украина
Машина: Toyota Fortuner 4.0 / Chevrolet Bolt EV
Сообщений: 2,006
YAM1966 has much to be proud ofYAM1966 has much to be proud ofYAM1966 has much to be proud ofYAM1966 has much to be proud ofYAM1966 has much to be proud ofYAM1966 has much to be proud ofYAM1966 has much to be proud ofYAM1966 has much to be proud ofYAM1966 has much to be proud ofYAM1966 has much to be proud ofYAM1966 has much to be proud of
По умолчанию

Цитата:
Сообщение от mr_nixon Посмотреть сообщение
1 мне показалось так оптимальнее
2 у меня в машине 2 акб, не думаю что принципиально, но обращу питание.
3 тоесть , полностью отрубать всё- так правильнее ?
4 Да 5 вольтВложение 41420
5 кисы
это предварительно, поэтому готов к критике, в машину 1 раз делаю
1. резистивный делитель дешевле, а результат тот-же.
3. ИМХО при отсутствии АСС правильнее нулевой ток потребления.
5. если это KIS-3R33S, у них есть вход управления, я выше писал и схему выкладывал как управлять и не надо будет реле ставить...
YAM1966 вне форума   Ответить с цитированием
Старый 26.10.2015, 14:08   #977
mr_nixon
Старший Пользователь
 
Регистрация: 28.02.2013
Город: Севастополь
Регион: 82
Машина: Mitsubishi
Сообщений: 222
mr_nixon is on a distinguished road
По умолчанию

Цитата:
Сообщение от YAM1966 Посмотреть сообщение
1.
3. ИМХО при отсутствии АСС правильнее нулевой ток потребления.
а посоветуйте , как вы решаете полное отключение.
mr_nixon вне форума   Ответить с цитированием
Старый 26.10.2015, 14:19   #978
YAM1966
Гуру
 
Аватар для YAM1966
 
Регистрация: 01.06.2013
Возраст: 59
Регион: Украина
Машина: Toyota Fortuner 4.0 / Chevrolet Bolt EV
Сообщений: 2,006
YAM1966 has much to be proud ofYAM1966 has much to be proud ofYAM1966 has much to be proud ofYAM1966 has much to be proud ofYAM1966 has much to be proud ofYAM1966 has much to be proud ofYAM1966 has much to be proud ofYAM1966 has much to be proud ofYAM1966 has much to be proud ofYAM1966 has much to be proud ofYAM1966 has much to be proud of
По умолчанию

Цитата:
Сообщение от mr_nixon Посмотреть сообщение
а посоветуйте , как вы решаете полное отключение.
Смотрим тут.
YAM1966 вне форума   Ответить с цитированием
Старый 26.10.2015, 14:47   #979
laytya
Старший Пользователь
 
Регистрация: 30.07.2011
Город: Новосибирск
Регион: 54
Машина: Honda Civic Ferio
Сообщений: 361
laytya is a glorious beacon of lightlaytya is a glorious beacon of lightlaytya is a glorious beacon of lightlaytya is a glorious beacon of lightlaytya is a glorious beacon of lightlaytya is a glorious beacon of light
По умолчанию

Полное отключение считаю не оптимальным. Особенно при остановках минут на 5. Планшет будет грузится каждый раз при выкл/вкл АСС.

Оптимально - на питание ардуинки или тиньки поставить регулятор с током утечки в простое в несколько мкА, и программно уводить ардуинку или тиньку в Power-down слип. В этом режиме потребление порядка 1мк у кристала. на ардуине регулятор напруги не использовать.

Итого БП в повер-дауне будет жрать не более 10мкА, ваш аккум этого не почувствует.
laytya вне форума   Ответить с цитированием
Старый 26.10.2015, 14:52   #980
YAM1966
Гуру
 
Аватар для YAM1966
 
Регистрация: 01.06.2013
Возраст: 59
Регион: Украина
Машина: Toyota Fortuner 4.0 / Chevrolet Bolt EV
Сообщений: 2,006
YAM1966 has much to be proud ofYAM1966 has much to be proud ofYAM1966 has much to be proud ofYAM1966 has much to be proud ofYAM1966 has much to be proud ofYAM1966 has much to be proud ofYAM1966 has much to be proud ofYAM1966 has much to be proud ofYAM1966 has much to be proud ofYAM1966 has much to be proud ofYAM1966 has much to be proud of
По умолчанию

Цитата:
Сообщение от laytya Посмотреть сообщение
Полное отключение считаю не оптимальным. Особенно при остановках минут на 5. Планшет будет грузится каждый раз при выкл/вкл АСС.

Оптимально - на питание ардуинки или тиньки поставить регулятор с током утечки в простое в несколько мкА, и программно уводить ардуинку или тиньку в Power-down слип. В этом режиме потребление порядка 1мк у кристала. на ардуине регулятор напруги не использовать.

Итого БП в повер-дауне будет жрать не более 10мкА, ваш аккум этого не почувствует.
Вы наверно не все прочитали:
Цитата:
питать все время ардуино - перебор, включение по АСС, самоблокировка, выключение программное.
Если выключение программное - то можно полностью выключится после отработки любых времянок по отсутствию АСС.
YAM1966 вне форума   Ответить с цитированием
Ответ


Здесь присутствуют: 1 (пользователей: 0 , гостей: 1)
 

Ваши права в разделе
Вы не можете создавать новые темы
Вы не можете отвечать в темах
Вы не можете прикреплять вложения
Вы не можете редактировать свои сообщения

BB коды Вкл.
Смайлы Вкл.
[IMG] код Вкл.
HTML код Выкл.



Часовой пояс GMT +4, время: 19:59.


Работает на vBulletin® версия 3.8.4.
Copyright ©2000 - 2026, Jelsoft Enterprises Ltd.
Перевод: zCarot