PCCar.ru - Ваш автомобильный компьютер

Вернуться   PCCar.ru - Ваш автомобильный компьютер > MP3Car ТехИнфа > Мониторы > Вопросы по прошивкам

Закрытая тема
 
Опции темы Поиск в этой теме
Старый 04.09.2015, 17:57   #1651
YAM1966
Гуру
 
Аватар для YAM1966
 
Регистрация: 01.06.2013
Возраст: 59
Регион: Украина
Машина: Toyota Fortuner 4.0 / Chevrolet Bolt EV
Сообщений: 2,006
YAM1966 has much to be proud ofYAM1966 has much to be proud ofYAM1966 has much to be proud ofYAM1966 has much to be proud ofYAM1966 has much to be proud ofYAM1966 has much to be proud ofYAM1966 has much to be proud ofYAM1966 has much to be proud ofYAM1966 has much to be proud ofYAM1966 has much to be proud ofYAM1966 has much to be proud of
По умолчанию

Цитата:
Сообщение от basurman Посмотреть сообщение
http://pccar.ru/showpost.php?p=321281&postcount=3

Ключ КЗХ прийдется повторить в любом случае.
Не факт, его можно упростить, поставив вместо всей схемы мелкую релюшку на 12В
YAM1966 вне форума  
Старый 04.09.2015, 18:00   #1652
basurman
Super Moderator
 
Аватар для basurman
 
Регистрация: 19.07.2011
Возраст: 54
Город: Нижегородские болота
Регион: 52
Машина: пешкарус
Сообщений: 2,033
basurman has a reputation beyond reputebasurman has a reputation beyond reputebasurman has a reputation beyond reputebasurman has a reputation beyond reputebasurman has a reputation beyond reputebasurman has a reputation beyond reputebasurman has a reputation beyond reputebasurman has a reputation beyond reputebasurman has a reputation beyond repute
По умолчанию

И релюшку и тумблер и много чего можно. Зачем????
__________________
ВСЕ ДЛЯ АРДУИНО

Моя почта - mogirov971sobakamail.ru
basurman вне форума  
Старый 04.09.2015, 18:13   #1653
sputneg2008
Новый Пользователь
 
Регистрация: 18.11.2013
Город: Краснодар
Регион: 23, 93
Машина: subaru
Сообщений: 4
sputneg2008 is on a distinguished road
По умолчанию

Цитата:
Сообщение от sputneg2008 Посмотреть сообщение
народ очень срочно нужна прошивка для монитора

http://ru.aliexpress.com/store/produ...ig=true#extend

controller SDK-V1.1
lcd panel AT080TN03-V1

монитор был в ремонте пропаивали проц и зачем то залили непонятную прошивку явно не от него , в ней разрешение начинается с 1024 до 1600 в связи с этим все оч мелкое, а когда на компе принудительно выставляеш 800х480 изображение уходит снизу за рамки, дали гарантию , сказали найди прошивку все переделаем, сами найти не могут выручайте.
выяснил что модель монитора B9S8.0" 800x480 народ дайте для него прошивку пожалуйста , в ремонте лежит , проект дособрать не могу
sputneg2008 вне форума  
Старый 04.09.2015, 20:33   #1654
basurman
Super Moderator
 
Аватар для basurman
 
Регистрация: 19.07.2011
Возраст: 54
Город: Нижегородские болота
Регион: 52
Машина: пешкарус
Сообщений: 2,033
basurman has a reputation beyond reputebasurman has a reputation beyond reputebasurman has a reputation beyond reputebasurman has a reputation beyond reputebasurman has a reputation beyond reputebasurman has a reputation beyond reputebasurman has a reputation beyond reputebasurman has a reputation beyond reputebasurman has a reputation beyond repute
По умолчанию

Цитата:
Сообщение от sputneg2008 Посмотреть сообщение
выяснил что модель монитора B9S8.0" 800x480 народ дайте для него прошивку пожалуйста , в ремонте лежит , проект дособрать не могу
Думаешь если в каждой ветке форума писать, что то изменится? Колдунов здесь не водится и если нет ответа по твоей проблеме, то значит его нет у нас.
Будь добр не засоряй форум.
__________________
ВСЕ ДЛЯ АРДУИНО

Моя почта - mogirov971sobakamail.ru
basurman вне форума  
Старый 04.09.2015, 23:56   #1655
sclif83
Старший Пользователь
 
Аватар для sclif83
 
Регистрация: 21.07.2013
Возраст: 42
Город: Хотьково
Регион: 77, 97, 99, 177
Машина: Honda Accord 8 (Kia rio 3 продал)
Сообщений: 648
sclif83 will become famous soon enough
По умолчанию

Цитата:
Сообщение от basurman Посмотреть сообщение
Так лучше?
короче я нарисовал свою схему
гляньте плиз именно такая конструкция у меня должна получиться или я опять что то не дапонял
Нажмите на изображение для увеличения
Название: RG2012P-103-B-T5.jpg
Просмотров: 1421
Размер:	49.2 Кб
ID:	40962
__________________
Мой первый проект Kia Rio New был заброшен на 70%
Второй Honda Accord 8 Уже 95% (остались как всегда мелочи)

Последний раз редактировалось sclif83; 05.09.2015 в 01:27.
sclif83 вне форума  
Старый 05.09.2015, 02:01   #1656
basurman
Super Moderator
 
Аватар для basurman
 
Регистрация: 19.07.2011
Возраст: 54
Город: Нижегородские болота
Регион: 52
Машина: пешкарус
Сообщений: 2,033
basurman has a reputation beyond reputebasurman has a reputation beyond reputebasurman has a reputation beyond reputebasurman has a reputation beyond reputebasurman has a reputation beyond reputebasurman has a reputation beyond reputebasurman has a reputation beyond reputebasurman has a reputation beyond reputebasurman has a reputation beyond repute
По умолчанию

Нормально)))))))))
__________________
ВСЕ ДЛЯ АРДУИНО

Моя почта - mogirov971sobakamail.ru
basurman вне форума  
Старый 05.09.2015, 05:29   #1657
ancc
Гуру
 
Регистрация: 17.03.2008
Возраст: 47
Город: Новокузнецк
Регион: 42
Машина: 2003\Lexus\RX330
Сообщений: 1,192
ancc is a splendid one to beholdancc is a splendid one to beholdancc is a splendid one to beholdancc is a splendid one to beholdancc is a splendid one to beholdancc is a splendid one to beholdancc is a splendid one to behold
По умолчанию

Цитата:
Сообщение от sclif83 Посмотреть сообщение
короче я нарисовал свою схему
гляньте плиз именно такая конструкция у меня должна получиться или я опять что то не дапонял
Вложение 40962
не понял. вход триггера будет AV2 на разъеме? А сам видеосигнал? Если будет заводится через тюльпан, то надо смотреть , чтобы этот вывод разъема был отключен от видеосигнала.
ancc вне форума  
Старый 05.09.2015, 10:01   #1658
basurman
Super Moderator
 
Аватар для basurman
 
Регистрация: 19.07.2011
Возраст: 54
Город: Нижегородские болота
Регион: 52
Машина: пешкарус
Сообщений: 2,033
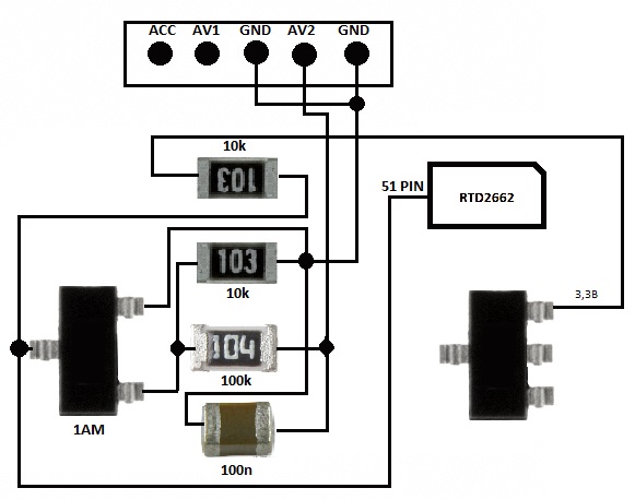
basurman has a reputation beyond reputebasurman has a reputation beyond reputebasurman has a reputation beyond reputebasurman has a reputation beyond reputebasurman has a reputation beyond reputebasurman has a reputation beyond reputebasurman has a reputation beyond reputebasurman has a reputation beyond reputebasurman has a reputation beyond repute
По умолчанию

Можно так сделать или еще как то, тут как фантазия рванёт))))
Миниатюры
Нажмите на изображение для увеличения
Название: Снимок.PNG
Просмотров: 843
Размер:	140.9 Кб
ID:	40966  
__________________
ВСЕ ДЛЯ АРДУИНО

Моя почта - mogirov971sobakamail.ru
basurman вне форума  
Старый 05.09.2015, 10:25   #1659
sclif83
Старший Пользователь
 
Аватар для sclif83
 
Регистрация: 21.07.2013
Возраст: 42
Город: Хотьково
Регион: 77, 97, 99, 177
Машина: Honda Accord 8 (Kia rio 3 продал)
Сообщений: 648
sclif83 will become famous soon enough
По умолчанию

Цитата:
Сообщение от basurman Посмотреть сообщение
Можно так сделать или еще как то, тут как фантазия рванёт))))
Но при таком раскладе первый AV не будет работать.
__________________
Мой первый проект Kia Rio New был заброшен на 70%
Второй Honda Accord 8 Уже 95% (остались как всегда мелочи)
sclif83 вне форума  
Старый 05.09.2015, 10:27   #1660
basurman
Super Moderator
 
Аватар для basurman
 
Регистрация: 19.07.2011
Возраст: 54
Город: Нижегородские болота
Регион: 52
Машина: пешкарус
Сообщений: 2,033
basurman has a reputation beyond reputebasurman has a reputation beyond reputebasurman has a reputation beyond reputebasurman has a reputation beyond reputebasurman has a reputation beyond reputebasurman has a reputation beyond reputebasurman has a reputation beyond reputebasurman has a reputation beyond reputebasurman has a reputation beyond repute
По умолчанию

Цитата:
Сообщение от sclif83 Посмотреть сообщение
Но при таком раскладе первый AV не будет работать.
Это почему же? Массы можно вместе сделать, если конечно вопрос в этом.
__________________
ВСЕ ДЛЯ АРДУИНО

Моя почта - mogirov971sobakamail.ru
basurman вне форума  
Закрытая тема


Здесь присутствуют: 1 (пользователей: 0 , гостей: 1)
 

Ваши права в разделе
Вы не можете создавать новые темы
Вы не можете отвечать в темах
Вы не можете прикреплять вложения
Вы не можете редактировать свои сообщения

BB коды Вкл.
Смайлы Вкл.
[IMG] код Вкл.
HTML код Выкл.



Часовой пояс GMT +4, время: 19:52.


Работает на vBulletin® версия 3.8.4.
Copyright ©2000 - 2026, Jelsoft Enterprises Ltd.
Перевод: zCarot