PCCar.ru - Ваш автомобильный компьютер

Вернуться   PCCar.ru - Ваш автомобильный компьютер > MP3Car ТехИнфа > Вопросы и ответы

Ответ
 
Опции темы Поиск в этой теме
Старый 14.07.2015, 17:08   #1
SiMuS
Пользователь
 
Регистрация: 12.02.2009
Регион: 77, 97, 99, 177
Сообщений: 64
SiMuS is on a distinguished road
По умолчанию Gvif, конвертация разрешения и нештатный дисплей

Всем привет.

Опытных прошу совета.

Исходные данные:

Автомобиль opel insignia
Штатная голова navi600 запаковывает 18-битный RGB в GVIF посредством Sony CXB1457R далее по 2-wire соединению идет в родной монитор где распаковывается CXB1458R и выдает картинку на матрицу.


Все это безобразие в убогом разрешении 480x240.


Попал мне в руки GVIF интерфейс с RGB-входом 480x234.
И все вроде бы хорошо, но я нигде не смог найти Android-девайса который мог бы работать на таком разрешении. Более того поиздеваашись над смартфоном с помощью SecondScreen и выставив 480x234 я понял что далеко не весь софт под андройд корректно работает на таком разрешении.
Желание топать в этом направлении отпало.


Появилась другая идея.
Вытащить штатное изображение на нормальный FULL HD дисплей

Тут вариантов парочка:

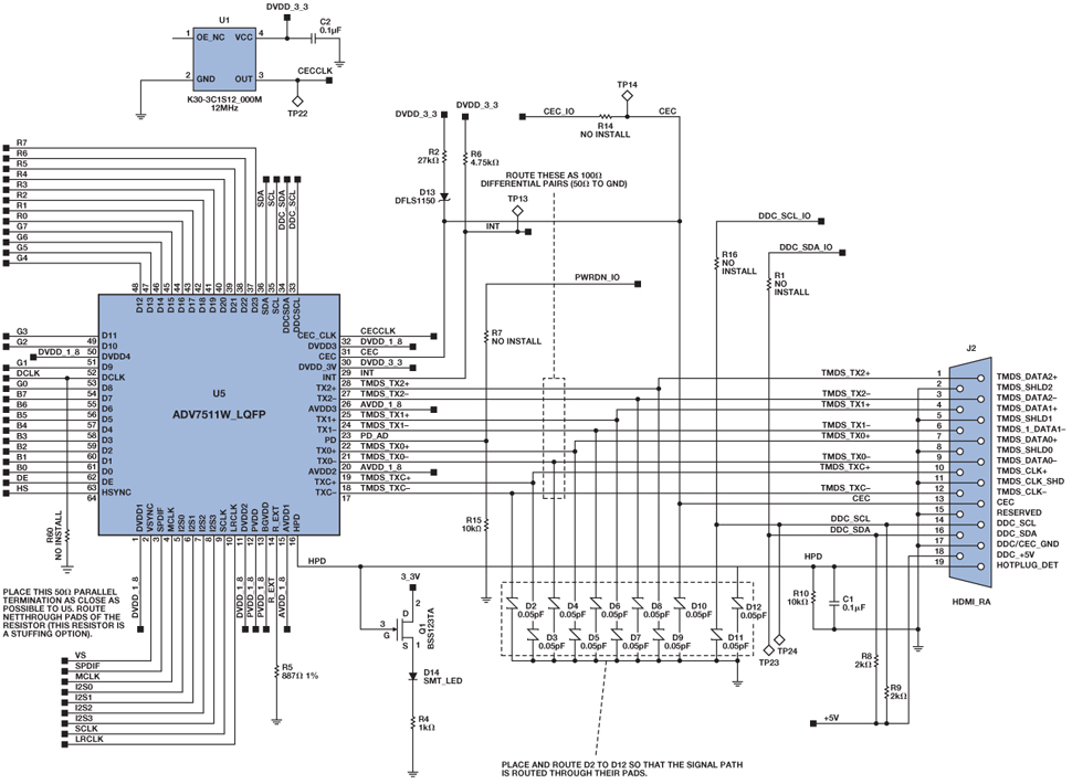
1) Забираем RGB из магнитолы, конвертим его в HDMI по схеме

Итого:
+Не надо разбираться с CXB1457R/CXB1458R (даташитов нет есть только на очень похожие аналоги CXB1455R/CXB1456R)
+Понятый RGB сигнал
+Можно поэкспериментировать на интерфейсе прежде чем лезть в голову.
-Лезем в голову, вандалим, в случае ошибки попадаем на бабло.


2) Покупаем CXB1458R пытамся ее завести по даташиту на CXB1456R и подгллядывая в родной экран. Получаем тот же самый RGB и дальше конвертим в HDMI по схеме из п.1
Итого:
+ Нигде не вандалим
+ Подклчаем в разъем вместо штатного дисплея.
-Нет правильного даташита.
Не известно как отреагирует на отсутсвие родного дисплея голова.


И самый главный вопрос - на выходе мы получим HDMI 480x240
Как это разрешение отконвертить для работы с FULL-HD экраном? Что будет если мы тупо воткнем HDMI? Покажет дисплей что нибудь? как растянет?

В идеале я бы хотел отресайзить изображение 4x до 1920x960 и поместить в центре FULL-HD монитора чтобы сверху и снизу были поля (ТК пропорции рамки останутся родные - 2:1 и эти части экрана будут невидимы)

Поделитесь своими мнениями ПЛЗ?!
Миниатюры
Нажмите на изображение для увеличения
Название: AD47-02_FIG_07-2.jpg
Просмотров: 14283
Размер:	293.0 Кб
ID:	40444   Нажмите на изображение для увеличения
Название: Снимок экрана 2015-07-14 в 15.54.03.png
Просмотров: 2023
Размер:	41.1 Кб
ID:	40445  
SiMuS вне форума   Ответить с цитированием
Старый 15.07.2015, 12:51   #2
(vS)
Гуру
 
Аватар для (vS)
 
Регистрация: 13.10.2006
Возраст: 48
Город: Санкт-Петербург
Регион: 54
Машина: '98 PRIUS NHW10
Сообщений: 1,991
(vS) will become famous soon enough(vS) will become famous soon enough
По умолчанию

придется FPGA немножко изучить )) или скалер какойнить и микроконтроллер
__________________
маст{ер} c[лов]а и стил<ус>а

мои детки: сивик и геша + а у него названья нет + примус +
грандесла
(vS) вне форума   Ответить с цитированием
Старый 15.07.2015, 13:15   #3
repa4ok
Пользователь
 
Аватар для repa4ok
 
Регистрация: 26.09.2014
Город: Stuttgart Area
Регион: другой - для добавления сообщить ab
Машина: Volvo S80
Сообщений: 62
repa4ok is on a distinguished road
По умолчанию

можно завести RGBS с помощью народного контроллера - http://openrtd2662.ru/?p=178
repa4ok вне форума   Ответить с цитированием
Ответ


Здесь присутствуют: 1 (пользователей: 0 , гостей: 1)
 

Ваши права в разделе
Вы не можете создавать новые темы
Вы не можете отвечать в темах
Вы не можете прикреплять вложения
Вы не можете редактировать свои сообщения

BB коды Вкл.
Смайлы Вкл.
[IMG] код Вкл.
HTML код Выкл.



Часовой пояс GMT +4, время: 16:59.


Работает на vBulletin® версия 3.8.4.
Copyright ©2000 - 2026, Jelsoft Enterprises Ltd.
Перевод: zCarot