PCCar.ru - Ваш автомобильный компьютер

PCCar.ru - Ваш автомобильный компьютер (https://pccar.ru/index.php)
-   Вопросы и ответы (https://pccar.ru/forumdisplay.php?f=26)
-   -   Gvif, конвертация разрешения и нештатный дисплей (https://pccar.ru/showthread.php?t=23276)

SiMuS 14.07.2015 17:08

Gvif, конвертация разрешения и нештатный дисплей
 
Вложений: 2
Всем привет.

Опытных прошу совета.

Исходные данные:

Автомобиль opel insignia
Штатная голова navi600 запаковывает 18-битный RGB в GVIF посредством Sony CXB1457R далее по 2-wire соединению идет в родной монитор где распаковывается CXB1458R и выдает картинку на матрицу.
http://pccar.ru/attachment.php?attac...1&d=1436878544

Все это безобразие в убогом разрешении 480x240.


Попал мне в руки GVIF интерфейс с RGB-входом 480x234.
И все вроде бы хорошо, но я нигде не смог найти Android-девайса который мог бы работать на таком разрешении. Более того поиздеваашись над смартфоном с помощью SecondScreen и выставив 480x234 я понял что далеко не весь софт под андройд корректно работает на таком разрешении.
Желание топать в этом направлении отпало.


Появилась другая идея.
Вытащить штатное изображение на нормальный FULL HD дисплей

Тут вариантов парочка:

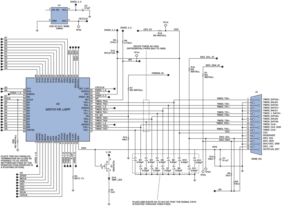
1) Забираем RGB из магнитолы, конвертим его в HDMI по схеме
http://pccar.ru/attachment.php?attac...1&d=1436878506
Итого:
+Не надо разбираться с CXB1457R/CXB1458R (даташитов нет есть только на очень похожие аналоги CXB1455R/CXB1456R)
+Понятый RGB сигнал
+Можно поэкспериментировать на интерфейсе прежде чем лезть в голову.
-Лезем в голову, вандалим, в случае ошибки попадаем на бабло.


2) Покупаем CXB1458R пытамся ее завести по даташиту на CXB1456R и подгллядывая в родной экран. Получаем тот же самый RGB и дальше конвертим в HDMI по схеме из п.1
Итого:
+ Нигде не вандалим
+ Подклчаем в разъем вместо штатного дисплея.
-Нет правильного даташита.
Не известно как отреагирует на отсутсвие родного дисплея голова.


И самый главный вопрос - на выходе мы получим HDMI 480x240
Как это разрешение отконвертить для работы с FULL-HD экраном? Что будет если мы тупо воткнем HDMI? Покажет дисплей что нибудь? как растянет?

В идеале я бы хотел отресайзить изображение 4x до 1920x960 и поместить в центре FULL-HD монитора чтобы сверху и снизу были поля (ТК пропорции рамки останутся родные - 2:1 и эти части экрана будут невидимы)

Поделитесь своими мнениями ПЛЗ?!

(vS) 15.07.2015 12:51

придется FPGA немножко изучить )) или скалер какойнить и микроконтроллер

repa4ok 15.07.2015 13:15

можно завести RGBS с помощью народного контроллера - http://openrtd2662.ru/?p=178


Часовой пояс GMT +4, время: 19:33.

Работает на vBulletin® версия 3.8.4.
Copyright ©2000 - 2026, Jelsoft Enterprises Ltd.
Перевод: zCarot