PCCar.ru - Ваш автомобильный компьютер

Вернуться   PCCar.ru - Ваш автомобильный компьютер > Всё Остальное > Проекты

Ответ
 
Опции темы Поиск в этой теме
Старый 20.10.2013, 00:05   #11
Alex-L
Moderator
 
Аватар для Alex-L
 
Регистрация: 23.03.2008
Возраст: 54
Город: Москва, Нагорная
Регион: 77, 97, 99, 177
Машина: Mitsubishi Lancer-X
Сообщений: 2,096
Alex-L is a splendid one to beholdAlex-L is a splendid one to beholdAlex-L is a splendid one to beholdAlex-L is a splendid one to beholdAlex-L is a splendid one to beholdAlex-L is a splendid one to beholdAlex-L is a splendid one to behold
По умолчанию

Цитата:
Сообщение от NeverGone Посмотреть сообщение
Кстати, к вопросу о кнопках на руле.
У лансера кнопки круиза и кнопки управления музыкой, случаем, не на одном «канале» висят?...
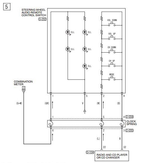
Каналы разные. Кнопки магнитолы идут напрямую в магнитолу. Кнопки круиза - в блок управления двигателем. Про кнопки хэндсфри не в теме.
Фрагменты схем прилагаются.
Миниатюры
Нажмите на изображение для увеличения
Название: Аудио.jpg
Просмотров: 1316
Размер:	35.7 Кб
ID:	33234   Нажмите на изображение для увеличения
Название: Круиз.jpg
Просмотров: 1269
Размер:	55.5 Кб
ID:	33235  
Alex-L вне форума   Ответить с цитированием
Старый 20.10.2013, 12:14   #12
danilkin71
Новый Пользователь
 
Регистрация: 20.10.2013
Город: Тосно
Регион: 47
Машина: Mitsubishi Lancer Х
Сообщений: 4
danilkin71 is on a distinguished road
По умолчанию

Интересное решение !
danilkin71 вне форума   Ответить с цитированием
Старый 23.11.2013, 16:57   #13
oops1
Старший Пользователь
 
Аватар для oops1
 
Регистрация: 25.07.2009
Возраст: 45
Город: Москва
Регион: 77, 97, 99, 177
Машина: Audi Q7
Сообщений: 493
oops1 is on a distinguished road
По умолчанию

Приобрел себе USB DAC Sabre.

долго промучался пока заставил её работать. в общем мне помог правильный пассивный хаб USB 2.0

конкретно вот такой
http://www.citilink.ru/catalog/compu...s/hubs/830130/
oops1 вне форума   Ответить с цитированием
Старый 24.11.2013, 20:40   #14
superpuper58
Старший Пользователь
 
Регистрация: 15.06.2012
Регион: другой - для добавления сообщить ab
Машина: Saturn VUE 2.2
Сообщений: 198
superpuper58 is on a distinguished road
По умолчанию

oops1
Привет,извеняюсь за флегорию активный- пассивный,вроде как у пед... ,шутка,по ссылке это активный хаб
__________________
superpuper58 вне форума   Ответить с цитированием
Старый 26.11.2013, 22:16   #15
oops1
Старший Пользователь
 
Аватар для oops1
 
Регистрация: 25.07.2009
Возраст: 45
Город: Москва
Регион: 77, 97, 99, 177
Машина: Audi Q7
Сообщений: 493
oops1 is on a distinguished road
По умолчанию

superpuper58 активно пассивный , питание подключаешь будет активный, а без доп питания пассивный

Вот у меня он работает без доп питания
oops1 вне форума   Ответить с цитированием
Старый 08.01.2014, 18:07   #16
oops1
Старший Пользователь
 
Аватар для oops1
 
Регистрация: 25.07.2009
Возраст: 45
Город: Москва
Регион: 77, 97, 99, 177
Машина: Audi Q7
Сообщений: 493
oops1 is on a distinguished road
По умолчанию

меня сейчас закидают тапками за колхоз , но я доволен

У меня накрылся усилитель Challenger TA 5.1, не знаю можно его отремонтировать или нет, я еще не пытался.
Думал о перспективах покупки нового, выбирал подбирал.
А потом подумал хочу я иметь обычную магнитолу для радио, а неплохо бы еще чтобы хендсфри было.
Выбирал с самых дешевых, но че то отзывы печалили, выбирал читал отзывы и дошел в итоге до следующего списка.

Цитата:
Pioneer DEH-X5600BT
Pioneer DEH-4600BT
Pioneer DEH-4500BT
Alpine CDE-133BT
Pioneer DEH-X5500BT
но в ближайших магазинах ни одной из этих магнитол не было, а мне загорелось сегодня, аж в жопе засвербило
в итоге взял Pioneer DEH-X8500BT, (насколько я понял даже Pioneer DEH-4500BT обладает большинством тех функций что есть в X8500BT можно в принципе сэкономит если поискать, но как я сказал засвербило ...)

врезал в единственно доступное место, жестко препарировав консоль, держа в уме цена ошибки 2000 рублей

Что я получил:
-- Отличный звук, лучше чем у меня играл Challenger от нексуса через оптику sabre
-- Отличное радио
-- Наконец нормальный хандсфри, БЕЗ ЭХО без заиканий (имена звонящих определяются и подписываются при звонке на дисплее)
-- Нексус замечательно использует pioneer по блютусу и поет по a2dp профилю, pioneer перелистывает треки без проблем



Вроде есть еще какая-то софтина от пионера андроид маркете которую можно поставить на планшет и нексус сможет полноценно управлять пионером.

ps
акустика
--перед: hertz esk 165
--зад: hertz dcx 165.3
oops1 вне форума   Ответить с цитированием
Старый 25.03.2014, 14:30   #17
Sangreal
Старший Пользователь
 
Аватар для Sangreal
 
Регистрация: 27.07.2007
Возраст: 38
Город: Ростов-на-Дону
Регион: 61
Машина: 2007\Ford\Focus II
Сообщений: 438
Sangreal is on a distinguished road
По умолчанию

Как у данного ГУ обстоят дела с одновременным блютус-коннектом с планшетом и телефоном?
__________________
Ford Focus II '07 AndroidCar: Pioneer SPH-DA100 + Tronsmart MK908 V5 - продан
ВАЗ 2114 '03 - продан
Sangreal вне форума   Ответить с цитированием
Старый 20.05.2014, 07:20   #18
oops1
Старший Пользователь
 
Аватар для oops1
 
Регистрация: 25.07.2009
Возраст: 45
Город: Москва
Регион: 77, 97, 99, 177
Машина: Audi Q7
Сообщений: 493
oops1 is on a distinguished road
По умолчанию

Sangreal, как у всех пионеров, думаю.

Планшет всегда стабильно связь поднимает. Чтобы телефон поднял связь нужно тапнуть по значку блютус. в телефоне у меня выключен режим a2dp.
oops1 вне форума   Ответить с цитированием
Старый 01.07.2014, 10:47   #19
Rurouni
Новый Пользователь
 
Регистрация: 01.07.2014
Город: Томск
Регион: 70
Машина: Corolla (e150)
Сообщений: 4
Rurouni is on a distinguished road
По умолчанию

А радио сейчас как у Вас реализованно? Через BT c новой магнитолой как я понимаю же?
Rurouni вне форума   Ответить с цитированием
Старый 04.07.2014, 13:49   #20
oops1
Старший Пользователь
 
Аватар для oops1
 
Регистрация: 25.07.2009
Возраст: 45
Город: Москва
Регион: 77, 97, 99, 177
Машина: Audi Q7
Сообщений: 493
oops1 is on a distinguished road
По умолчанию

Да, правильно понимаете, но не совсем.

Мне не нужно в текущей конфигурации реализовывать радио. оно и так работает замечательно в магнитоле.

----------------------

Занялся очередным рукоблудием, накупил компонентов, по скачивал разные среды разработки. Хочу сваять железку которая будет в себя включать и радио и блюпуп и контроллер резистивных кнопок и усилитель. иметь интерфейс USB интерфейс.
И возможно реинкарнирую x86 вариант на винде.

Но так как опыта подобного нету шансов на успех не много
oops1 вне форума   Ответить с цитированием
Ответ


Здесь присутствуют: 1 (пользователей: 0 , гостей: 1)
 

Ваши права в разделе
Вы не можете создавать новые темы
Вы не можете отвечать в темах
Вы не можете прикреплять вложения
Вы не можете редактировать свои сообщения

BB коды Вкл.
Смайлы Вкл.
[IMG] код Вкл.
HTML код Выкл.



Часовой пояс GMT +4, время: 21:14.


Работает на vBulletin® версия 3.8.4.
Copyright ©2000 - 2026, Jelsoft Enterprises Ltd.
Перевод: zCarot