PCCar.ru - Ваш автомобильный компьютер

Вернуться   PCCar.ru - Ваш автомобильный компьютер > Всё Остальное > Проекты > Рабочий журнал

Ответ
 
Опции темы Поиск в этой теме
Старый 08.12.2014, 14:24   #11
YAM1966
Гуру
 
Аватар для YAM1966
 
Регистрация: 01.06.2013
Возраст: 59
Регион: Украина
Машина: Toyota Fortuner 4.0 / Chevrolet Bolt EV
Сообщений: 2,006
YAM1966 has much to be proud ofYAM1966 has much to be proud ofYAM1966 has much to be proud ofYAM1966 has much to be proud ofYAM1966 has much to be proud ofYAM1966 has much to be proud ofYAM1966 has much to be proud ofYAM1966 has much to be proud ofYAM1966 has much to be proud ofYAM1966 has much to be proud ofYAM1966 has much to be proud of
По умолчанию

Цитата:
Сообщение от Митрич18 Посмотреть сообщение
Про кнопки на руле это понятно, я говорил о кнопках на самой магнитоле, там есть кнопки перелистывания треков, разве их можно задействовать?
Можно, если они есть на шине
Можно прикинуться внешним DVD, при этом откроется видео вход с аудио и эти кнопки точно будут посылаться ему. Но при таком варианте необходимо будет ставить мультиплексор тачпанели для управления с тача, если необходимо или довольствоваться управлением с виртуальных кнопок, которые рисует голова. (они тоже есть на шине)
YAM1966 вне форума   Ответить с цитированием
Старый 08.12.2014, 14:25   #12
Бодрый марк
Старший Пользователь
 
Аватар для Бодрый марк
 
Регистрация: 19.02.2007
Город: Новосибирск
Регион: 54
Машина: Jaguar XJ 3.0 SC AWD Premium Luxury
Сообщений: 111
Бодрый марк is on a distinguished road
По умолчанию

Цитата:
Сообщение от lsergei Посмотреть сообщение
Спасибо!!

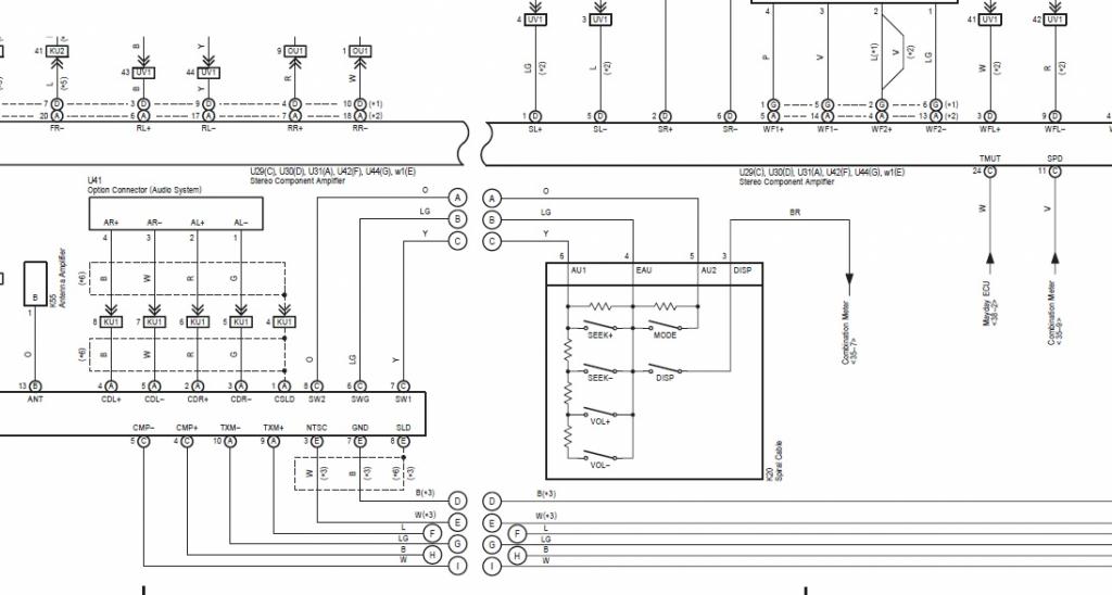
На сколько я помню из схем, камера подключается в некий блок (возможно блок ParkAssist). А из блока идет GVIF в ГУ.
Глянул схемы. Блок паркинг ассиста отвечает за отрисовку габаритных линий в соответствии с положением руля.

На более деревянных версиях камера сразу в голову.
Миниатюры
Нажмите на изображение для увеличения
Название: 2014-12-08 16_18_58-32.pdf - Foxit Phantom - [32.pdf].jpg
Просмотров: 612
Размер:	63.5 Кб
ID:	37783   Нажмите на изображение для увеличения
Название: 2014-12-08 16_20_51-AS.pdf - Foxit Phantom - [AS.pdf].jpg
Просмотров: 937
Размер:	62.7 Кб
ID:	37784  
__________________
Wanderer at markx-club.ru
Бодрый марк вне форума   Ответить с цитированием
Старый 08.12.2014, 14:33   #13
lsergei
Пользователь
 
Регистрация: 26.10.2012
Город: Пермь
Регион: 59
Машина: Lexus RX450h 2012
Сообщений: 30
lsergei is on a distinguished road
По умолчанию

Цитата:
Сообщение от YAM1966 Посмотреть сообщение
Да, к шине, но кнопок руля на шине нет, они по идее идут просто в голову...
Тогда разъясните пожалуйста схему включения вашего адаптера. С шиной понятно. А с кнопками руля? Где их искать?
lsergei вне форума   Ответить с цитированием
Старый 08.12.2014, 14:45   #14
YAM1966
Гуру
 
Аватар для YAM1966
 
Регистрация: 01.06.2013
Возраст: 59
Регион: Украина
Машина: Toyota Fortuner 4.0 / Chevrolet Bolt EV
Сообщений: 2,006
YAM1966 has much to be proud ofYAM1966 has much to be proud ofYAM1966 has much to be proud ofYAM1966 has much to be proud ofYAM1966 has much to be proud ofYAM1966 has much to be proud ofYAM1966 has much to be proud ofYAM1966 has much to be proud ofYAM1966 has much to be proud ofYAM1966 has much to be proud ofYAM1966 has much to be proud of
По умолчанию

Цитата:
Сообщение от lsergei Посмотреть сообщение
Тогда разъясните пожалуйста схему включения вашего адаптера. С шиной понятно. А с кнопками руля? Где их искать?
У Вас есть схема Вашего авто?
В GS430 так:
Нажмите на изображение для увеличения
Название: keys.jpg
Просмотров: 1511
Размер:	67.7 Кб
ID:	37785

A и C - сигнальные, B - масса.
YAM1966 вне форума   Ответить с цитированием
Старый 08.12.2014, 14:50   #15
Бодрый марк
Старший Пользователь
 
Аватар для Бодрый марк
 
Регистрация: 19.02.2007
Город: Новосибирск
Регион: 54
Машина: Jaguar XJ 3.0 SC AWD Premium Luxury
Сообщений: 111
Бодрый марк is on a distinguished road
По умолчанию

Цитата:
Сообщение от YAM1966 Посмотреть сообщение
У Вас есть схема Вашего авто?
В GS430 так:
Вложение 37785

A и C - сигнальные, B - масса.
по гибриду
Миниатюры
Нажмите на изображение для увеличения
Название: 2014-12-08 16_49_48-Lexus TechDoc.jpg
Просмотров: 646
Размер:	29.2 Кб
ID:	37786  
__________________
Wanderer at markx-club.ru
Бодрый марк вне форума   Ответить с цитированием
Старый 08.12.2014, 15:17   #16
YAM1966
Гуру
 
Аватар для YAM1966
 
Регистрация: 01.06.2013
Возраст: 59
Регион: Украина
Машина: Toyota Fortuner 4.0 / Chevrolet Bolt EV
Сообщений: 2,006
YAM1966 has much to be proud ofYAM1966 has much to be proud ofYAM1966 has much to be proud ofYAM1966 has much to be proud ofYAM1966 has much to be proud ofYAM1966 has much to be proud ofYAM1966 has much to be proud ofYAM1966 has much to be proud ofYAM1966 has much to be proud ofYAM1966 has much to be proud ofYAM1966 has much to be proud of
По умолчанию

Епсель! Забыл добавить, что получаете еще и навигацию на своем свистке
YAM1966 вне форума   Ответить с цитированием
Старый 09.12.2014, 15:10   #17
lsergei
Пользователь
 
Регистрация: 26.10.2012
Город: Пермь
Регион: 59
Машина: Lexus RX450h 2012
Сообщений: 30
lsergei is on a distinguished road
По умолчанию

Заказал такую вот штатную кнопку. Повешу на нее ручное включение передней камеры.
lsergei вне форума   Ответить с цитированием
Старый 09.12.2014, 16:31   #18
Бодрый марк
Старший Пользователь
 
Аватар для Бодрый марк
 
Регистрация: 19.02.2007
Город: Новосибирск
Регион: 54
Машина: Jaguar XJ 3.0 SC AWD Premium Luxury
Сообщений: 111
Бодрый марк is on a distinguished road
По умолчанию

Цитата:
Сообщение от lsergei Посмотреть сообщение
Заказал такую вот штатную кнопку. Повешу на нее ручное включение передней камеры.
Номер кнопки?
__________________
Wanderer at markx-club.ru
Бодрый марк вне форума   Ответить с цитированием
Старый 09.12.2014, 16:51   #19
lsergei
Пользователь
 
Регистрация: 26.10.2012
Город: Пермь
Регион: 59
Машина: Lexus RX450h 2012
Сообщений: 30
lsergei is on a distinguished road
По умолчанию

Цитата:
Сообщение от Бодрый марк Посмотреть сообщение
Номер кнопки?
Sport/Norm - 89249-30070 или 89249-30060
Power/Hybrid/Snow - 84720-30380 или 84720-30350
VSC Off - 84988-30150

вот например

Новые кнопки все около 2700-3000руб
lsergei вне форума   Ответить с цитированием
Старый 09.12.2014, 17:54   #20
ak1976
Пользователь
 
Регистрация: 03.06.2008
Возраст: 50
Город: Хабаровск
Регион: 27
Машина: 2003\Toyota\Ipsum
Сообщений: 55
ak1976 is a name known to allak1976 is a name known to allak1976 is a name known to allak1976 is a name known to allak1976 is a name known to allak1976 is a name known to all
По умолчанию

А расскажите, пожалуйста, про GVIF-HDMI-коммутатор. Где покупали?
Это он http://www.ertasvc.ru/parts/6201.htm ?
Летом звонил по нему, сказали еще не выпускают, какие-то проблемы с отладкой были.
По звуку я бы еще вариант предложил. Если на голове есть такой разъем

Можно эмулировать cd-чейнджер, для него голова откроет балансный вход для звука и будет отправлять в шину AVCLan нажатие кнопок переключения треков на голове и руле.
Самый реальный вариант уговорить YAM1966 добавить эмуляцию cd-чейджера в свой контроллер (если контроллер еще этого не умеет). Насколько я понял, читать коды с AVCLan и эмулировать нажатие кнопок для андроида его контроллер может. Останется купить адаптер AZ-FM и фишку для подключения к голове.
Ну или можно собрать такой эмулятор самому, схемы и прошивки есть на соседнем форуме.
ak1976 вне форума   Ответить с цитированием
Ответ


Здесь присутствуют: 1 (пользователей: 0 , гостей: 1)
 
Опции темы Поиск в этой теме
Поиск в этой теме:

Расширенный поиск

Ваши права в разделе
Вы не можете создавать новые темы
Вы не можете отвечать в темах
Вы не можете прикреплять вложения
Вы не можете редактировать свои сообщения

BB коды Вкл.
Смайлы Вкл.
[IMG] код Вкл.
HTML код Выкл.



Часовой пояс GMT +4, время: 14:11.


Работает на vBulletin® версия 3.8.4.
Copyright ©2000 - 2026, Jelsoft Enterprises Ltd.
Перевод: zCarot