PCCar.ru - Ваш автомобильный компьютер

Вернуться   PCCar.ru - Ваш автомобильный компьютер > Всё Остальное > Проекты > Рабочий журнал

Ответ
 
Опции темы Поиск в этой теме
Старый 13.12.2015, 20:47   #1
Alex EX
Старший Пользователь
 
Аватар для Alex EX
 
Регистрация: 13.10.2015
Город: Бишкек
Регион: Казахстан
Машина: Honda Odyssey RB2
Сообщений: 133
Alex EX is just really niceAlex EX is just really niceAlex EX is just really niceAlex EX is just really nice
По умолчанию Honda Odyssey RB + android

Всем владельцам Honda Odyssey RB а также Edix и Elysion посвящается...
Такую машинку хотел давно и вот мечта сбылась... Откатав полтора года понял что мультимедиа актуальная для 2003 года безнадежно устарела в 2015м. Прошерстив интернет на предмет модернизации стало понятно что вариантов немного. Машина японская, евро и американского аналога нет, есть китайский но там все по другому, есть предложения по замене но цены не скромные (460 долларов) за непонятную операционку типа http://szzest.com/showpro.asp?id=160. Расположение гу дисплея и управления своеобразное и решил заводское не менять (тем более что все рабочее) а пока просто добавить функционал в виде планшета на андроиде. В дальнейшем интегрировать его в панель вместо родного дисплея. Пока мне видится примерно четыре этапа по внедрению. Первый просто поставить планшет как внешнее устройство, подключить через штатный вход aux по звуку и управлять кнопками на руле. Далее подключить в эту систему хаб на флешки, винт, может мышку. Третий этап - подключить панель управления родной системой к планшету не потеряв управления. Ну и окончательно заменить штатный дисплей планшетным (пока непонятки с камерой зх.)
На сегодня первый этап завершен. Выглядит пока так ...


На такую машину проектов не нашел, все что видел мне не понравилось... Сейчас планшет ездит в машине но можно отключить и унести домой, т.е. используются только штатные разьемы и конструкция не нарушена. Пока еще в поиске нормального планшета, этот уже третий вариант (CubeTalk8X U27GT-C8) и не последний... При выключеном зажигании заряжается, при зарядке 100% встроенный контроллер отключает заряд. Во время езды переключается в хост и работает управление с кнопок. Пока идут испытания и все работает как задуманно и мне нравится. У меня 9 кнопок на руле управляют play\stop track+\- vol+\- enter esc влево вправо вверх вниз позволяют выбрать любое приложение запустить свернуть выбрать музыку или клип запустить видеорегистратор или навигацию и не тянуться при этом к планшету. За основу взял конструкцию Alex_ST вот ссылка: http://pccar.ru/showthread.php?t=19742 . За что ему огромное спасибо, открытый проект с прошивкой сейчас встречается не часто. Как оказалось многофункциональная USB клавиатура прекрасно работает c андроид... а сам я АТМегу8 только в лупу разглядеть могу, программатор спаял на 4х резисторах прошивал такой контроллер тоже первый раз в жизни но все получилось
Схема переработана для моей задачи и лишнее просто убрано:


Долго думал как решить питание и заряд, вся проблема в том что разьем под управление и под зарядку один микроUSB и для зарядки хост надо отключать. Даже если подзаряжать на ходу времени заряда не хватает для работы и за несколько дней все разряжается в ноль. Решение пришло само и оно простое, заряжать пока машина стоит и переключать на управление когда завел. Обычно езжу я не много, на работу и обратно, ну еще может по делам но не более 2-3 часов в день, остальное время машина стоит или в гараже или под окнами на работе, все это время идет заряд, пока меньше 60% разрядить батарею не удалось даже стоя в пробках.
Зарядную цепь выбрал на LM2596 в виде готового модуля, только доработал отключение.

Питание подано постоянно, в машине идет заряд, при подаче АСС заряд отключается и планшет переходит в otg host. По такой схеме для полного заряда нужен примерно час-полтора, потом встроенный контроллер отключает заряд на 100% отметке.

Общий бюджет пока 85$ планшет, 2$ модуль LM2596, 2$ ATMega8 AU + кварц 12мГц и бесценное время портаченное в удовольствие.
Миниатюры
Нажмите на изображение для увеличения
Название: Общий вид1.jpg
Просмотров: 14792
Размер:	159.9 Кб
ID:	41987   Нажмите на изображение для увеличения
Название: СхемаКонтроллера.jpg
Просмотров: 13272
Размер:	63.0 Кб
ID:	41988   Нажмите на изображение для увеличения
Название: shema2596.gif
Просмотров: 14370
Размер:	8.3 Кб
ID:	41991  

Последний раз редактировалось Alex EX; 14.05.2017 в 13:13.
Alex EX вне форума   Ответить с цитированием
Старый 14.12.2015, 00:12   #2
(vS)
Гуру
 
Аватар для (vS)
 
Регистрация: 13.10.2006
Возраст: 48
Город: Санкт-Петербург
Регион: 54
Машина: '98 PRIUS NHW10
Сообщений: 1,991
(vS) will become famous soon enough(vS) will become famous soon enough
По умолчанию

Бишкек, Казахстан... занятно ))

работа - ништяк
__________________
маст{ер} c[лов]а и стил<ус>а

мои детки: сивик и геша + а у него названья нет + примус +
грандесла
(vS) вне форума   Ответить с цитированием
Старый 14.12.2015, 20:41   #3
Shino Kuyo
Banned
 
Регистрация: 25.04.2009
Возраст: 42
Город: ХМАО-Югра
Регион: 86
Машина: 2011\Kia\Ceed
Сообщений: 108
Shino Kuyo has a spectacular aura aboutShino Kuyo has a spectacular aura about
По умолчанию

ну, номера на аватарке киргизия

машина ничо, только вот правый руль...
Shino Kuyo вне форума   Ответить с цитированием
Старый 15.12.2015, 12:27   #4
Alex EX
Старший Пользователь
 
Аватар для Alex EX
 
Регистрация: 13.10.2015
Город: Бишкек
Регион: Казахстан
Машина: Honda Odyssey RB2
Сообщений: 133
Alex EX is just really niceAlex EX is just really niceAlex EX is just really niceAlex EX is just really nice
По умолчанию

Подскажите как сменить регион ? Казахтан ближайший а киргизии нет в списке...

Несколько слов о подключении кнопок, провозился несколько часов без особого результата. Раскидал панель, достал гу и начал отключать разьемы по очереди в надежде найти разьем с кнопками управления, перебрал все разьемы но штатные кнопки упорно продолжали работать... Хотел уже руль разобрать, хорошо что не смог... Последнее место куда я заглянул это был дисплей, оказалось в нем еще и мозги в которые сходятся кнопки руля и панели управления. Вот срисованный разьем дисплея с маркировкой, буквы срисованны с печатной платы дисплея

Разьем на дисплее с обратной стороны обведен красным...

Провод из разьема с маркировкой KD4 это кнопки на руле, провод с маркировкой KD3 это кнопки под рулем. Оба провода сняты с разьема и соеденены вместе. Схема рулевых кнопок срисованна с реальной платы. Перепаивать номиналы я не стал, все схемы заводские и есть мысли совместить управление штатной системой и дополнителным планшетом.

Цветовая маркировка проводов в разьеме.

Потихонечку разбираюсь с основной панелью управления мультимедией и навигацией... По ходу разборок буду добавлять сюда.
Миниатюры
Нажмите на изображение для увеличения
Название: Разьем дисплея.gif
Просмотров: 12041
Размер:	21.1 Кб
ID:	42029   Нажмите на изображение для увеличения
Название: Одиссей Руль.gif
Просмотров: 11717
Размер:	6.4 Кб
ID:	42030   Нажмите на изображение для увеличения
Название: Одиссей подруль.gif
Просмотров: 11227
Размер:	5.3 Кб
ID:	42031   Нажмите на изображение для увеличения
Название: PIONEER 39810-SFE-N212-M1_11.jpg
Просмотров: 11893
Размер:	142.2 Кб
ID:	42158  

Последний раз редактировалось Alex EX; 08.01.2016 в 17:08.
Alex EX вне форума   Ответить с цитированием
Старый 16.12.2015, 00:12   #5
mizunov
Пользователь
 
Регистрация: 08.03.2014
Возраст: 47
Город: туапсе
Регион: 23, 93
Машина: honda odyssey 2004
Сообщений: 61
mizunov is on a distinguished road
По умолчанию

Цитата:
Сообщение от Shino Kuyo Посмотреть сообщение
ну, номера на аватарке киргизия

машина ничо, только вот правый руль...
Машина супер!!! Самолет.
mizunov вне форума   Ответить с цитированием
Старый 27.12.2015, 12:12   #6
Alex EX
Старший Пользователь
 
Аватар для Alex EX
 
Регистрация: 13.10.2015
Город: Бишкек
Регион: Казахстан
Машина: Honda Odyssey RB2
Сообщений: 133
Alex EX is just really niceAlex EX is just really niceAlex EX is just really niceAlex EX is just really nice
По умолчанию

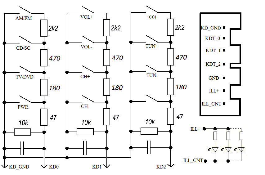
Продолжаю понемногу разбираться с панелью управления, в моей машине она встроена в центре и отдельно от всего.
Имеет маркировку 39050-SFE-N214-M1 CD-R6537ZH информации по ней нет никакой кроме как купить продать, схемы естественно тоже.

Я купил такую доску на разборке еще осенью (обошлась в 2т.р.), раскидал на молекулы и начал изучать.
При всей сложности конструкции оказалось что внутри все устроено довольно просто (тупо и надежно).
Кнопки обведенные зеленым это обычный набор резистивных кнопок собранный в группы по 4 штуки на линию.
Всего в доске управления таких линеек три. (Еще две на руле, схема есть постом выше...)

Схема их включения разрисовалась очень легко, самураи не стали заморачиваться и сделали все три линейки одинаковыми...
На этом же разьеме сидят светодиоды подсветки панели с обвязкой и резисторами, емкости фильтры питания и проч. рисовать не стал.
Если подать на контакт ILL+ питание 12 Вольт и замкнуть контакт ILL_CNT на массу - доска засветится. Установив туда переменный резистор 200 Ом можно менять яркость подсветки от нуля до полной...

Как видно в разьеме есть все сигналы чтобы подключить кнопки к какому-нибудь контроллеру для обработки безо всяких доработок,
не изменяя штатную конструкцию панели (!)
Миниатюры
Нажмите на изображение для увеличения
Название: кнопкиRB3.jpg
Просмотров: 11920
Размер:	22.2 Кб
ID:	42100   Нажмите на изображение для увеличения
Название: кнопкиRB2.jpg
Просмотров: 12761
Размер:	50.4 Кб
ID:	42101   Нажмите на изображение для увеличения
Название: Кнопки панели.gif
Просмотров: 12119
Размер:	19.4 Кб
ID:	42102  

Последний раз редактировалось Alex EX; 27.12.2015 в 14:08.
Alex EX вне форума   Ответить с цитированием
Старый 03.01.2016, 13:23   #7
Alex EX
Старший Пользователь
 
Аватар для Alex EX
 
Регистрация: 13.10.2015
Город: Бишкек
Регион: Казахстан
Машина: Honda Odyssey RB2
Сообщений: 133
Alex EX is just really niceAlex EX is just really niceAlex EX is just really niceAlex EX is just really nice
По умолчанию

Вторая часть изысканий по теме реверс инженеринг панели управления Honda Odyssey RB . На обратной стороне доски есть два разьема, один идет на резистивные кнопки, второй подключен к джойстику и кнопкам вокруг него. Назначение контактов на картинке...

Разьем кнопок и подсветки слева, разьем джойстика и кнопок вокруг него справа.
При разборке оказалось что на джойстик задействованы всего три провода из которых два питание 12 Вольт. Внутри установлен свой контроллер кнопок и на него заведены в общей сложности 11 нажималок и один поворотный энкодер (две оптопары).

Все это счастье начинает работать просто при подаче питания.

Дальше гуру подсказали что к чему по плате управления :
Сообщение от YAM1966
Понял.
Так, проц 8 битник от TOSHIBA, с ноги 35 идет через резюк на базу выходного транзистора и с коллектора в шину. 35 нога - просто нога, не UART, т.е. протоколом может быть все что угодно. Надо смотреть сигнал на шине...

Примерно так сигнал на шине выглядит при верчении джойстика…


Цитата:
Сообщение от Alex EX
Цитата:
Сообщение от YAM1966
Так, ну в общем я выделил из всего этого передачу 4-х байт по типу UART.
Сделаю поддержку приема в контроллере, и будет у Вас праздник

Ура! Я насчитал три разных длительности... Насколько я понял Ваш контроллер штука обучаемая и достаточно ему скормить нажатие кнопки и назначить нужную мне функцию и все заработает...
Ну не совсем так, тут инверсный UART со скоростью 4800 бит/c.

В результате оказалось перевернутый асинхронный протокол 4800 E8N1 по одному проводу. Дабы получить что то вменяемое с устройства быстро скидал и подключил такую схему :

Теперь при подключении к компьютеру в любой терминальной программе при нажатии кнопок или вращении крутилки на экране весело прыгают данные типа 80 00 0C 73 или там 80 40 00 3F, 80 04 00 7B… Для просмотра данных использовал Realterm. Каждая кнопка при нажатии дает свою строчку данных. Первые два байта адрес кнопки потом команда и контрольная сумма. Строчки повторяются каждые 50 мсек...
Все коды всех кнопок на картинке:


Теперь для чего это все? Конечная цель управлять андроид устройством через USB разьем штатной доской в машине. Для этого нужен контроллер который сможет на входные данные назначить нужное мне действие ну и заодно прицепит мои линейки с резистивными кнопками. Сам я в контроллерах никак... но мне подошел контроллер YAM Droid , в нем уже есть 4 канала для резистивных кнопок и два рабочих входа UART TTL для опроса внешних устройств типа GPS (обычно их скорость 4800 бит/сек. что совпадает с данными с панели).


На сегодня мне удалось прицепить все кнопки руля и панели управления через их штатные разьемы без доработок и изменения схем кнопок. Видео всего как это работает будет чуть позже...
Миниатюры
Нажмите на изображение для увеличения
Название: Разьем панели.JPG
Просмотров: 11972
Размер:	140.2 Кб
ID:	42138   Нажмите на изображение для увеличения
Название: Плата джойстика.jpg
Просмотров: 11728
Размер:	163.7 Кб
ID:	42140   Нажмите на изображение для увеличения
Название: Вверх.JPG
Просмотров: 11217
Размер:	229.4 Кб
ID:	42141   Нажмите на изображение для увеличения
Название: 555ТЛ2.GIF
Просмотров: 11662
Размер:	36.3 Кб
ID:	42156   Нажмите на изображение для увеличения
Название: Кнопки Нави.jpg
Просмотров: 11234
Размер:	80.1 Кб
ID:	42157  

Нажмите на изображение для увеличения
Название: YAMDroid.jpg
Просмотров: 10942
Размер:	87.3 Кб
ID:	42159  

Последний раз редактировалось Alex EX; 08.01.2016 в 17:53. Причина: Половина картинок отсутствовала...
Alex EX вне форума   Ответить с цитированием
Старый 04.01.2016, 11:02   #8
Alex EX
Старший Пользователь
 
Аватар для Alex EX
 
Регистрация: 13.10.2015
Город: Бишкек
Регион: Казахстан
Машина: Honda Odyssey RB2
Сообщений: 133
Alex EX is just really niceAlex EX is just really niceAlex EX is just really niceAlex EX is just really nice
По умолчанию

Вот попробовал снять видео, что получилось... Очень яркий экран на засветке навитела не видно вообще ничего...


Последний раз редактировалось Alex EX; 23.11.2019 в 22:20.
Alex EX вне форума   Ответить с цитированием
Старый 14.01.2016, 16:18   #9
Alex EX
Старший Пользователь
 
Аватар для Alex EX
 
Регистрация: 13.10.2015
Город: Бишкек
Регион: Казахстан
Машина: Honda Odyssey RB2
Сообщений: 133
Alex EX is just really niceAlex EX is just really niceAlex EX is just really niceAlex EX is just really nice
По умолчанию

Вот еще видео посленовогоднее...


Последний раз редактировалось Alex EX; 23.11.2019 в 22:21.
Alex EX вне форума   Ответить с цитированием
Старый 14.01.2016, 17:52   #10
cherkasoff
Старший Пользователь
 
Регистрация: 12.01.2014
Возраст: 42
Город: Москва
Регион: 77, 97, 99, 177
Машина: Skoda Superb II
Сообщений: 473
cherkasoff is a glorious beacon of lightcherkasoff is a glorious beacon of lightcherkasoff is a glorious beacon of lightcherkasoff is a glorious beacon of lightcherkasoff is a glorious beacon of lightcherkasoff is a glorious beacon of light
По умолчанию

Мысль с зарядкой при выключенном зажигании и переходом в режим ОТГ при включении зажигания гениальна.
Это решило бы мои проблемы с планшетом, он плохо умеет OTG+заряд.

Только вот схему как это работает я, честно говоря, не понял
cherkasoff вне форума   Ответить с цитированием
Ответ


Здесь присутствуют: 1 (пользователей: 0 , гостей: 1)
 
Опции темы Поиск в этой теме
Поиск в этой теме:

Расширенный поиск

Ваши права в разделе
Вы не можете создавать новые темы
Вы не можете отвечать в темах
Вы не можете прикреплять вложения
Вы не можете редактировать свои сообщения

BB коды Вкл.
Смайлы Вкл.
[IMG] код Вкл.
HTML код Выкл.



Часовой пояс GMT +4, время: 11:37.


Работает на vBulletin® версия 3.8.4.
Copyright ©2000 - 2026, Jelsoft Enterprises Ltd.
Перевод: zCarot