PCCar.ru - Ваш автомобильный компьютер

PCCar.ru - Ваш автомобильный компьютер (https://pccar.ru/index.php)
-   Рабочий журнал (https://pccar.ru/forumdisplay.php?f=25)
-   -   Honda Odyssey RB + android (https://pccar.ru/showthread.php?t=23711)

Alex EX 13.12.2015 20:47

Honda Odyssey RB + android
 
Вложений: 3
Всем владельцам Honda Odyssey RB а также Edix и Elysion посвящается...
Такую машинку хотел давно и вот мечта сбылась... Откатав полтора года понял что мультимедиа актуальная для 2003 года безнадежно устарела в 2015м. Прошерстив интернет на предмет модернизации стало понятно что вариантов немного. Машина японская, евро и американского аналога нет, есть китайский но там все по другому, есть предложения по замене но цены не скромные (460 долларов) за непонятную операционку типа http://szzest.com/showpro.asp?id=160. Расположение гу дисплея и управления своеобразное и решил заводское не менять (тем более что все рабочее) а пока просто добавить функционал в виде планшета на андроиде. В дальнейшем интегрировать его в панель вместо родного дисплея. Пока мне видится примерно четыре этапа по внедрению. Первый просто поставить планшет как внешнее устройство, подключить через штатный вход aux по звуку и управлять кнопками на руле. Далее подключить в эту систему хаб на флешки, винт, может мышку. Третий этап - подключить панель управления родной системой к планшету не потеряв управления. Ну и окончательно заменить штатный дисплей планшетным (пока непонятки с камерой зх.)
На сегодня первый этап завершен. Выглядит пока так ...
http://pccar.ru/attachment.php?attac...1&d=1450024237

На такую машину проектов не нашел, все что видел мне не понравилось... Сейчас планшет ездит в машине но можно отключить и унести домой, т.е. используются только штатные разьемы и конструкция не нарушена. Пока еще в поиске нормального планшета, этот уже третий вариант (CubeTalk8X U27GT-C8) и не последний... При выключеном зажигании заряжается, при зарядке 100% встроенный контроллер отключает заряд. Во время езды переключается в хост и работает управление с кнопок. Пока идут испытания и все работает как задуманно и мне нравится. У меня 9 кнопок на руле управляют play\stop track+\- vol+\- enter esc влево вправо вверх вниз позволяют выбрать любое приложение запустить свернуть выбрать музыку или клип запустить видеорегистратор или навигацию и не тянуться при этом к планшету. За основу взял конструкцию Alex_ST вот ссылка: http://pccar.ru/showthread.php?t=19742 . За что ему огромное спасибо, открытый проект с прошивкой сейчас встречается не часто. Как оказалось многофункциональная USB клавиатура прекрасно работает c андроид... а сам я АТМегу8 только в лупу разглядеть могу, программатор спаял на 4х резисторах прошивал такой контроллер тоже первый раз в жизни но все получилось :yes2:
Схема переработана для моей задачи и лишнее просто убрано:
http://pccar.ru/attachment.php?attac...1&d=1450025096

Долго думал как решить питание и заряд, вся проблема в том что разьем под управление и под зарядку один микроUSB и для зарядки хост надо отключать. Даже если подзаряжать на ходу времени заряда не хватает для работы и за несколько дней все разряжается в ноль. Решение пришло само и оно простое, заряжать пока машина стоит и переключать на управление когда завел. Обычно езжу я не много, на работу и обратно, ну еще может по делам но не более 2-3 часов в день, остальное время машина стоит или в гараже или под окнами на работе, все это время идет заряд, пока меньше 60% разрядить батарею не удалось даже стоя в пробках.
Зарядную цепь выбрал на LM2596 в виде готового модуля, только доработал отключение.
http://pccar.ru/attachment.php?attac...1&d=1450027423
Питание подано постоянно, в машине идет заряд, при подаче АСС заряд отключается и планшет переходит в otg host. По такой схеме для полного заряда нужен примерно час-полтора, потом встроенный контроллер отключает заряд на 100% отметке.

Общий бюджет пока 85$ планшет, 2$ модуль LM2596, 2$ ATMega8 AU + кварц 12мГц и бесценное время портаченное в удовольствие.

(vS) 14.12.2015 00:12

Бишкек, Казахстан... занятно ))

работа - ништяк

Shino Kuyo 14.12.2015 20:41

ну, номера на аватарке киргизия :)

машина ничо, только вот правый руль...

Alex EX 15.12.2015 12:27

Вложений: 4
Подскажите как сменить регион ? Казахтан ближайший а киргизии нет в списке...

Несколько слов о подключении кнопок, провозился несколько часов без особого результата. Раскидал панель, достал гу и начал отключать разьемы по очереди в надежде найти разьем с кнопками управления, перебрал все разьемы но штатные кнопки упорно продолжали работать... Хотел уже руль разобрать, хорошо что не смог... Последнее место куда я заглянул это был дисплей, оказалось в нем еще и мозги в которые сходятся кнопки руля и панели управления. Вот срисованный разьем дисплея с маркировкой, буквы срисованны с печатной платы дисплея:smile2:
http://pccar.ru/attachment.php?attac...1&d=1450279491
Разьем на дисплее с обратной стороны обведен красным...
http://pccar.ru/attachment.php?attac...1&d=1452258414
Провод из разьема с маркировкой KD4 это кнопки на руле, провод с маркировкой KD3 это кнопки под рулем. Оба провода сняты с разьема и соеденены вместе. Схема рулевых кнопок срисованна с реальной платы. Перепаивать номиналы я не стал, все схемы заводские и есть мысли совместить управление штатной системой и дополнителным планшетом.
http://pccar.ru/attachment.php?attac...1&d=1450280163
Цветовая маркировка проводов в разьеме.
http://pccar.ru/attachment.php?attac...1&d=1450280257
Потихонечку разбираюсь с основной панелью управления мультимедией и навигацией... По ходу разборок буду добавлять сюда.

mizunov 16.12.2015 00:12

Цитата:

Сообщение от Shino Kuyo (Сообщение 346318)
ну, номера на аватарке киргизия :)

машина ничо, только вот правый руль...

Машина супер!!! Самолет.

Alex EX 27.12.2015 12:12

Вложений: 3
Продолжаю понемногу разбираться с панелью управления, в моей машине она встроена в центре и отдельно от всего.
Имеет маркировку 39050-SFE-N214-M1 CD-R6537ZH информации по ней нет никакой кроме как купить продать, схемы естественно тоже.
http://pccar.ru/attachment.php?attac...1&d=1451203583
Я купил такую доску на разборке еще осенью (обошлась в 2т.р.), раскидал на молекулы и начал изучать.
При всей сложности конструкции оказалось что внутри все устроено довольно просто (тупо и надежно).
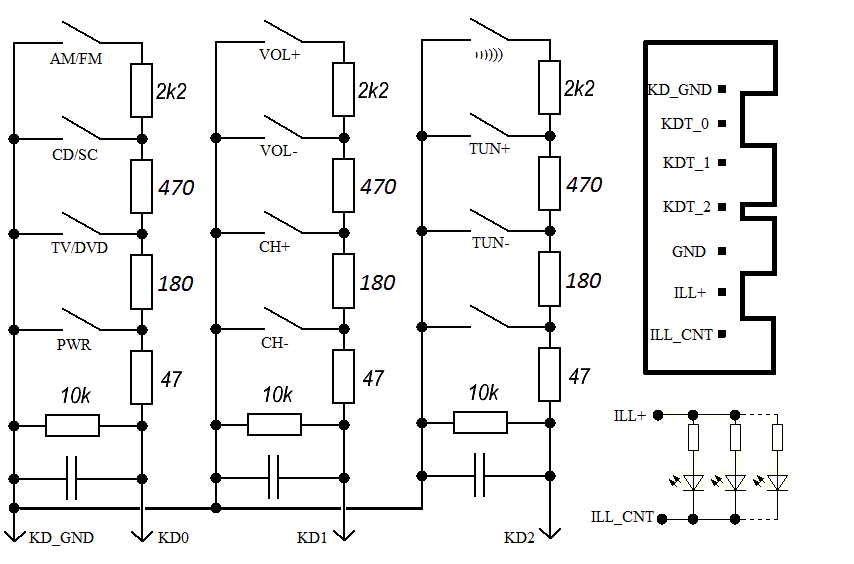
Кнопки обведенные зеленым это обычный набор резистивных кнопок собранный в группы по 4 штуки на линию.
Всего в доске управления таких линеек три. (Еще две на руле, схема есть постом выше...)
http://pccar.ru/attachment.php?attac...1&d=1451203789
Схема их включения разрисовалась очень легко, самураи не стали заморачиваться и сделали все три линейки одинаковыми...
На этом же разьеме сидят светодиоды подсветки панели с обвязкой и резисторами, емкости фильтры питания и проч. рисовать не стал.
Если подать на контакт ILL+ питание 12 Вольт и замкнуть контакт ILL_CNT на массу - доска засветится. Установив туда переменный резистор 200 Ом можно менять яркость подсветки от нуля до полной...
http://pccar.ru/attachment.php?attac...1&d=1451204192
Как видно в разьеме есть все сигналы чтобы подключить кнопки к какому-нибудь контроллеру для обработки безо всяких доработок,
не изменяя штатную конструкцию панели (!)

Alex EX 03.01.2016 13:23

Вложений: 6
Вторая часть изысканий по теме реверс инженеринг панели управления Honda Odyssey RB . На обратной стороне доски есть два разьема, один идет на резистивные кнопки, второй подключен к джойстику и кнопкам вокруг него. Назначение контактов на картинке...
http://pccar.ru/attachment.php?attac...1&d=1451812307
Разьем кнопок и подсветки слева, разьем джойстика и кнопок вокруг него справа.
При разборке оказалось что на джойстик задействованы всего три провода из которых два питание 12 Вольт. Внутри установлен свой контроллер кнопок и на него заведены в общей сложности 11 нажималок и один поворотный энкодер (две оптопары).
http://pccar.ru/attachment.php?attac...1&d=1451812870
Все это счастье начинает работать просто при подаче питания.

Дальше гуру подсказали что к чему по плате управления :
Сообщение от YAM1966
Понял.
Так, проц 8 битник от TOSHIBA, с ноги 35 идет через резюк на базу выходного транзистора и с коллектора в шину. 35 нога - просто нога, не UART, т.е. протоколом может быть все что угодно. Надо смотреть сигнал на шине...

Примерно так сигнал на шине выглядит при верчении джойстика…
http://pccar.ru/attachment.php?attac...1&d=1451813461

Цитата:
Сообщение от Alex EX
Цитата:
Сообщение от YAM1966
Так, ну в общем я выделил из всего этого передачу 4-х байт по типу UART.
Сделаю поддержку приема в контроллере, и будет у Вас праздник

Ура! Я насчитал три разных длительности... Насколько я понял Ваш контроллер штука обучаемая и достаточно ему скормить нажатие кнопки и назначить нужную мне функцию и все заработает...
Ну не совсем так, тут инверсный UART со скоростью 4800 бит/c.

В результате оказалось перевернутый асинхронный протокол 4800 E8N1 по одному проводу. Дабы получить что то вменяемое с устройства быстро скидал и подключил такую схему :
http://pccar.ru/attachment.php?attac...1&d=1452257032
Теперь при подключении к компьютеру в любой терминальной программе при нажатии кнопок или вращении крутилки на экране весело прыгают данные типа 80 00 0C 73 или там 80 40 00 3F, 80 04 00 7B… Для просмотра данных использовал Realterm. Каждая кнопка при нажатии дает свою строчку данных. Первые два байта адрес кнопки потом команда и контрольная сумма. Строчки повторяются каждые 50 мсек...
Все коды всех кнопок на картинке:
http://pccar.ru/attachment.php?attac...1&d=1452256985

Теперь для чего это все? Конечная цель управлять андроид устройством через USB разьем штатной доской в машине. Для этого нужен контроллер который сможет на входные данные назначить нужное мне действие ну и заодно прицепит мои линейки с резистивными кнопками. Сам я в контроллерах никак... но мне подошел контроллер YAM Droid , в нем уже есть 4 канала для резистивных кнопок и два рабочих входа UART TTL для опроса внешних устройств типа GPS (обычно их скорость 4800 бит/сек. что совпадает с данными с панели).
http://pccar.ru/attachment.php?attac...1&d=1452261009

На сегодня мне удалось прицепить все кнопки руля и панели управления через их штатные разьемы без доработок и изменения схем кнопок. Видео всего как это работает будет чуть позже...

Alex EX 04.01.2016 11:02

Вот попробовал снять видео, что получилось... Очень яркий экран на засветке навитела не видно вообще ничего...


Alex EX 14.01.2016 16:18

Вот еще видео посленовогоднее...


cherkasoff 14.01.2016 17:52

Мысль с зарядкой при выключенном зажигании и переходом в режим ОТГ при включении зажигания гениальна.
Это решило бы мои проблемы с планшетом, он плохо умеет OTG+заряд.

Только вот схему как это работает я, честно говоря, не понял :(


Часовой пояс GMT +4, время: 20:44.

Работает на vBulletin® версия 3.8.4.
Copyright ©2000 - 2026, Jelsoft Enterprises Ltd.
Перевод: zCarot