PCCar.ru - Ваш автомобильный компьютер

Вернуться   PCCar.ru - Ваш автомобильный компьютер > MP3Car ТехИнфа > Разработка устройств

Ответ
 
Опции темы Поиск в этой теме
Старый 10.02.2008, 13:37   #1
(vS)
Гуру
 
Аватар для (vS)
 
Регистрация: 13.10.2006
Возраст: 48
Город: Санкт-Петербург
Регион: 54
Машина: '98 PRIUS NHW10
Сообщений: 1,991
(vS) will become famous soon enough(vS) will become famous soon enough
Lightbulb audio разветвитель/селектор

Селектор сделать не проблема, 4066 позволяет коммутировать 2-1 без проблем, а вот задача от одного источника запитать два потребителя поставила в тупик...
т.е. есть желание с одного линейного audio выхода получить два, в частности для 2х наушников. Варианты с емкостями и "тупо запораллелить" не канают, амплитуда падает
__________________
маст{ер} c[лов]а и стил<ус>а

мои детки: сивик и геша + а у него названья нет + примус +
грандесла
(vS) вне форума   Ответить с цитированием
Старый 10.02.2008, 16:47   #2
Юрий684
Новый Пользователь
 
Регистрация: 25.02.2007
Город: Москва
Машина: 2006\Kia\Sportage
Сообщений: 27
Юрий684 will become famous soon enoughЮрий684 will become famous soon enough
По умолчанию разветвитель/селектор

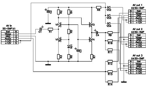
Если не проблема, то почему в ветке аудио (микшер) чел до сих пор не получил толкового ответа. А про разветвитель посмотри набор в мастер кит NM2901 - Разветвитель видеосигналов у него по схеме и звук разводится
Миниатюры
Нажмите на изображение для увеличения
Название: Видео разветвитель.jpg
Просмотров: 2224
Размер:	21.0 Кб
ID:	5616  
Юрий684 вне форума   Ответить с цитированием
Старый 10.02.2008, 20:31   #3
(vS)
Гуру
 
Аватар для (vS)
 
Регистрация: 13.10.2006
Возраст: 48
Город: Санкт-Петербург
Регион: 54
Машина: '98 PRIUS NHW10
Сообщений: 1,991
(vS) will become famous soon enough(vS) will become famous soon enough
Thumbs down

микшер, подразумеваем СМЕШИВАНИЕ а селектор, просто ПЕРЕКЛЮЧЕНИЕ, возможно в этом причина.
в приведеной вами схеме аудио сигнал во первых моно, а во вторых "делится" резисторами, что по итогу неприемлимо
__________________
маст{ер} c[лов]а и стил<ус>а

мои детки: сивик и геша + а у него названья нет + примус +
грандесла
(vS) вне форума   Ответить с цитированием
Старый 11.02.2008, 01:46   #4
mcf1
Guest
 
Сообщений: n/a
По умолчанию

Цитата:
Сообщение от (vS) Посмотреть сообщение
Селектор сделать не проблема, 4066 позволяет коммутировать 2-1 без проблем, а вот задача от одного источника запитать два потребителя поставила в тупик...
т.е. есть желание с одного линейного audio выхода получить два, в частности для 2х наушников. Варианты с емкостями и "тупо запораллелить" не канают, амплитуда падает
ИМХО здесь только усилитель поможет, а заодно пользователи смогут индивидульно регулировать громкость
ищем здесь маломощные усилители


например TDA1308

Последний раз редактировалось mcf1; 11.02.2008 в 02:17.
  Ответить с цитированием
Старый 11.02.2008, 13:48   #5
(vS)
Гуру
 
Аватар для (vS)
 
Регистрация: 13.10.2006
Возраст: 48
Город: Санкт-Петербург
Регион: 54
Машина: '98 PRIUS NHW10
Сообщений: 1,991
(vS) will become famous soon enough(vS) will become famous soon enough
Cool

дак ясно, что усилитель, я бы даже сказал - два круточки отменяются, нефига крутить, максимум - на стадии настройки покрутить и впаять константу.
Вот интересно было, мож кто уже озадачивался, вдруг сделали, интернет как то не ищется
__________________
маст{ер} c[лов]а и стил<ус>а

мои детки: сивик и геша + а у него названья нет + примус +
грандесла
(vS) вне форума   Ответить с цитированием
Ответ


Здесь присутствуют: 1 (пользователей: 0 , гостей: 1)
 

Ваши права в разделе
Вы не можете создавать новые темы
Вы не можете отвечать в темах
Вы не можете прикреплять вложения
Вы не можете редактировать свои сообщения

BB коды Вкл.
Смайлы Вкл.
[IMG] код Вкл.
HTML код Выкл.



Часовой пояс GMT +4, время: 12:38.


Работает на vBulletin® версия 3.8.4.
Copyright ©2000 - 2026, Jelsoft Enterprises Ltd.
Перевод: zCarot