PCCar.ru - Ваш автомобильный компьютер

Вернуться   PCCar.ru - Ваш автомобильный компьютер > Всё Остальное > Проекты > Рабочий журнал

Ответ
 
Опции темы Поиск в этой теме
Старый 20.06.2015, 20:53   #31
Kisel39
Старший Пользователь
 
Регистрация: 28.02.2013
Возраст: 47
Город: Железнодорожный
Регион: 50, 90, 150
Машина: Polo Sedan
Сообщений: 174
Kisel39 is a splendid one to beholdKisel39 is a splendid one to beholdKisel39 is a splendid one to beholdKisel39 is a splendid one to beholdKisel39 is a splendid one to beholdKisel39 is a splendid one to beholdKisel39 is a splendid one to behold
По умолчанию

В данный момент пользуюсь отправкой данных через блютуз, так как через ком порт программа steering wheel control иногда меняет номер порта , хотя сброс usb происходит каждый раз при просыпании. Может задержку побольше надо сделать перед сбросом, но не стал пробывать, как сейчас работает меня устраивает. Подключаеться почти мгновенно.
Kisel39 вне форума   Ответить с цитированием
Старый 20.06.2015, 22:13   #32
Kisel39
Старший Пользователь
 
Регистрация: 28.02.2013
Возраст: 47
Город: Железнодорожный
Регион: 50, 90, 150
Машина: Polo Sedan
Сообщений: 174
Kisel39 is a splendid one to beholdKisel39 is a splendid one to beholdKisel39 is a splendid one to beholdKisel39 is a splendid one to beholdKisel39 is a splendid one to beholdKisel39 is a splendid one to beholdKisel39 is a splendid one to behold
По умолчанию

Обкатав свой первый инстал больше года, понял что мощи 2012 маловато, сейчас занимаюсь 2013.
Я не меломан и звуком jvc магнитолы доволен более чем, поэтому приобрёл магнитолу jvc kd-x310bte. Дружит хорошо с iphone (как громкая связь) да и ценик мизерный.
И начались эксперименты, схемы на нее конкретно нет, зато аналогичных моделей куча и не только jvc. Скачал мануал на контроллер дисплея
http://rohmfs.rohm.com/en/products/d...520akv-m-e.pdf
Так же был приобретен анализатор( очень полезная штука) http://chipster.ru/catalog/tools/mea...opes/3003.html
Интерфейс похож на spi, нужна будет только инверсия по выводу ss.
Отсканировал все сегменты и преобразовал в свой код.
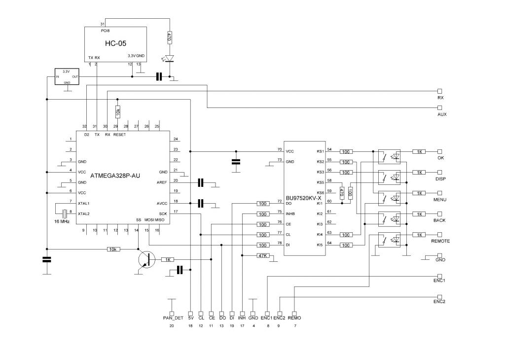
Вот часть схемы отвечающая за чтение и вывод инфы на планшет:
Буду использовать два контроллера atmega:
1. Atmega 32u4 ( чтение CAN шины, эмуляция клавы для nexus, управление питанием системы и камеры з.х. , управление магнитолой через провод remote и 6 кнопок которых нет на пульте( menu, back, ok, display и 2 вывода энкодера), так же чтение нужных мне данных с CAN шины и вывод через serial1 на 2 контроллер).
2. Atmega328p-au будет читать морду и принимать данные с 1 контроллера , миксировать инфу и через блютуз выводить на планшет, да и когда включен режим aux подовать в 1 контроллер 1.
Все будет на одной плате: проц из морды, 2 atmega, CAN адаптер, usb hub gl850 и звуковая pcm2702. Там же и febon100 для камеры з.х.
Миниатюры
Нажмите на изображение для увеличения
Название: image.jpg
Просмотров: 1295
Размер:	56.3 Кб
ID:	40244  

Последний раз редактировалось Kisel39; 21.06.2015 в 01:15.
Kisel39 вне форума   Ответить с цитированием
Старый 21.06.2015, 17:29   #33
anton2204
Старший Пользователь
 
Аватар для anton2204
 
Регистрация: 29.12.2009
Город: Ульяновск
Регион: 73
Машина: VW Polo Sedan. Fiat Albea погибла смертью храбрых(((
Сообщений: 753
anton2204 is a splendid one to beholdanton2204 is a splendid one to beholdanton2204 is a splendid one to beholdanton2204 is a splendid one to beholdanton2204 is a splendid one to beholdanton2204 is a splendid one to beholdanton2204 is a splendid one to behold
По умолчанию

Вы писали в профильной теме про радио:
Цитата:
Радиоантенна у меня поселилась в задней стойке, усилок через фильтр подключил к обогреву. Все работает.
Не могли бы Вы поподробней расписать, что, куда и что за усилитель, фильтр?
Ну а если б были фотки –это вообще супер!
__________________
Если хочешь поработать - ляг, поспи и всё пройдёт!
Мой проект - Rover A700GQ в Fiat Albea неожиданно завершен
Второй проект - VW Polo Sedan(была Nexus7 2012 Wi-Fi(Timur) теперь сток 4.4.4+ядро от Daniel, БП на NSD15-12S5 переделан под датчик Холла, HUB D-Link DUB-H7(серый), DAC PCM2706+ES9023(ранее был на PCM2704), контроллер Юры(YAM1966)+кнопки на "морде"+ИК пульт на руль MYSTERY RC-90UN, камера ЗХ на Easier CAP(v.008,АМТ630) и RearViewCamera-1.4-test.apk
anton2204 вне форума   Ответить с цитированием
Старый 21.06.2015, 19:45   #34
Kisel39
Старший Пользователь
 
Регистрация: 28.02.2013
Возраст: 47
Город: Железнодорожный
Регион: 50, 90, 150
Машина: Polo Sedan
Сообщений: 174
Kisel39 is a splendid one to beholdKisel39 is a splendid one to beholdKisel39 is a splendid one to beholdKisel39 is a splendid one to beholdKisel39 is a splendid one to beholdKisel39 is a splendid one to beholdKisel39 is a splendid one to behold
По умолчанию

Фоток у меня нет. Смысл можно понять http://www.vw-golfclub.ru/forum/showthread.php?p=565396 .
усилок использовал 7h5 035 577 h точно уже номер не помню, подключил к обогреву.
Тебе проще будет купить активную антенну например бош и подключить к плюсовой клемме. Смотри последнюю страницу http://polosedan.ru/forum/download/file.php?id=22040
Хотя как то после установки усилка, наткнулся на фотку http://www.vag-express.ru/82415 на ней еще один контакт есть, может его использовать, но не стал заднюю полку снимать.

Последний раз редактировалось Kisel39; 22.06.2015 в 08:59.
Kisel39 вне форума   Ответить с цитированием
Старый 16.08.2015, 23:01   #35
Kisel39
Старший Пользователь
 
Регистрация: 28.02.2013
Возраст: 47
Город: Железнодорожный
Регион: 50, 90, 150
Машина: Polo Sedan
Сообщений: 174
Kisel39 is a splendid one to beholdKisel39 is a splendid one to beholdKisel39 is a splendid one to beholdKisel39 is a splendid one to beholdKisel39 is a splendid one to beholdKisel39 is a splendid one to beholdKisel39 is a splendid one to behold
По умолчанию

Наконец то появилось время для себя. Вот как выглядит вся система на одной плате. Это бета версия для отладки. Прошивка для микроконтролеров писалась в среде ардуино, забирал полученый файл hex и заливал сторним программатором по spi интерфейсу , фьюзы выставлены как в ардуино но без старта загрузчика. Управление полностью с can шины. В процесе сборки несколько незначительных косяков с разводкой платы, на новой уже без них, и будет нанесена маска, все приобрёл уже.
Миниатюры
Нажмите на изображение для увеличения
Название: image.jpg
Просмотров: 867
Размер:	140.7 Кб
ID:	40781  

Последний раз редактировалось Kisel39; 16.08.2015 в 23:43.
Kisel39 вне форума   Ответить с цитированием
Старый 18.08.2015, 00:31   #36
Kisel39
Старший Пользователь
 
Регистрация: 28.02.2013
Возраст: 47
Город: Железнодорожный
Регион: 50, 90, 150
Машина: Polo Sedan
Сообщений: 174
Kisel39 is a splendid one to beholdKisel39 is a splendid one to beholdKisel39 is a splendid one to beholdKisel39 is a splendid one to beholdKisel39 is a splendid one to beholdKisel39 is a splendid one to beholdKisel39 is a splendid one to behold
По умолчанию

Сегодня наткнулся на первые грабли, плхо смотрел доки на mcp2551 она работает только от 4 и выше вольт, хотя по мануалу только от 4,5 до 5,5. Atmega32u4 и mcp2515 стабильно на 3,3 вольта. Но в самой магнитоле в спячке только 3,3 вольта, придётся отдельный стабилизатор ставить, чтоб из сна нормально по can пробуждалась система. Благо плата тестовая. Atmega328 нормально себя и от 3 вольт чувствует при 16 МГц. Переделал вход АСС самой магнитолы, теперь она включается при наличии 5 вольт на на хабе.
Kisel39 вне форума   Ответить с цитированием
Старый 22.08.2015, 21:29   #37
demtro
Старший Пользователь
 
Регистрация: 17.12.2014
Возраст: 34
Город: Самара
Регион: 63, 163
Машина: Lifan Solano
Сообщений: 184
demtro is on a distinguished road
По умолчанию

Со звуковой карты в магнитолу звук идет по AUX?
demtro вне форума   Ответить с цитированием
Старый 22.08.2015, 22:39   #38
Kisel39
Старший Пользователь
 
Регистрация: 28.02.2013
Возраст: 47
Город: Железнодорожный
Регион: 50, 90, 150
Машина: Polo Sedan
Сообщений: 174
Kisel39 is a splendid one to beholdKisel39 is a splendid one to beholdKisel39 is a splendid one to beholdKisel39 is a splendid one to beholdKisel39 is a splendid one to beholdKisel39 is a splendid one to beholdKisel39 is a splendid one to behold
По умолчанию

да, все чисто по звуку
Kisel39 вне форума   Ответить с цитированием
Старый 22.08.2015, 23:09   #39
Rage2
Banned
 
Регистрация: 06.11.2009
Возраст: 40
Город: Nizhniy Novgorod
Регион: 52
Машина: Ford Focus III
Сообщений: 1,776
Rage2 has a brilliant futureRage2 has a brilliant futureRage2 has a brilliant futureRage2 has a brilliant futureRage2 has a brilliant futureRage2 has a brilliant futureRage2 has a brilliant futureRage2 has a brilliant futureRage2 has a brilliant futureRage2 has a brilliant futureRage2 has a brilliant future
По умолчанию

Красота) Сильно!)
Rage2 вне форума   Ответить с цитированием
Старый 22.08.2015, 23:49   #40
demtro
Старший Пользователь
 
Регистрация: 17.12.2014
Возраст: 34
Город: Самара
Регион: 63, 163
Машина: Lifan Solano
Сообщений: 184
demtro is on a distinguished road
По умолчанию

А можешь ли потом отдельно только вывод инфы с магнитолы в планшет сделать с управлением с планшета? Например как HID устройство чтоб определялось или цеплялось к ардуине, которая настроена как кнопки руля(резистивные)
Твоя сборка прям вдохновила дополнить свою данной магнитолой:-) но места под панельку нет

Последний раз редактировалось demtro; 23.08.2015 в 00:27.
demtro вне форума   Ответить с цитированием
Ответ


Здесь присутствуют: 1 (пользователей: 0 , гостей: 1)
 

Ваши права в разделе
Вы не можете создавать новые темы
Вы не можете отвечать в темах
Вы не можете прикреплять вложения
Вы не можете редактировать свои сообщения

BB коды Вкл.
Смайлы Вкл.
[IMG] код Вкл.
HTML код Выкл.



Часовой пояс GMT +4, время: 16:52.


Работает на vBulletin® версия 3.8.4.
Copyright ©2000 - 2026, Jelsoft Enterprises Ltd.
Перевод: zCarot