PCCar.ru - Ваш автомобильный компьютер

Вернуться   PCCar.ru - Ваш автомобильный компьютер > MP3Car ТехИнфа > Для новичков

Ответ
 
Опции темы Поиск в этой теме
Старый 11.03.2015, 21:09   #11
Wolfik_s_b
Старший Пользователь
 
Регистрация: 06.03.2014
Возраст: 37
Город: Москва, Подольск, Коломна, Рязань
Регион: 50, 90, 150
Машина: Mitsubishi Grandis
Сообщений: 199
Wolfik_s_b is on a distinguished road
По умолчанию

Цитата:
Сообщение от DemonD Посмотреть сообщение
печатную плату никто не делал? а то потравил бы, да макетик рисовать лень
Я вот уже второй вариант платы пытаюсь изобразить, но что-то мне подсказывает, что проще (надежнее) проводами все это дело обвязать. Провод при небольших размерах может иметь хорошее сечение, а плата - толщина меди оооочень маленькая => ширина дорожек на силовых контактах для БП компа, для сильной периферии и др. должна быть довольно большая. Можно, конечно, припоем все дорожки усилить, но особо сильно не усилишь, да и на переходных отверстиях металлизацию особо толстой не сделаешь - под нагрузкой выгорит... Есть правда мысль, как обойти данный момент.... Нужен эксперимент
__________________
Мой проект
Wolfik_s_b вне форума   Ответить с цитированием
Старый 12.03.2015, 10:30   #12
Andrey875
Старший Пользователь
 
Аватар для Andrey875
 
Регистрация: 26.10.2011
Возраст: 38
Город: Приозёрск
Регион: Казахстан
Машина: Camry 2001
Сообщений: 355
Andrey875 is a jewel in the roughAndrey875 is a jewel in the roughAndrey875 is a jewel in the roughAndrey875 is a jewel in the rough
По умолчанию

Да! Было просто безценно, если бы было включение для неумных БП (например БП СЛ) и печатку бы на всё это!

А вообще есть альтернатива этому PowerControl v.2.0, но считаю идеей тоже очень интересной!
__________________
Проект: Toyota Camry 25 (2001 года)
GigaByte GA-E350N, AMD Dual-Core E-350 1.6 GHz; DDR-3 DIMM 2Gb 1333MHz PC10600 Transcend; Transcend TS64GSSD370; Linksys WMP54G, M2-ATX; LILLIPUT 869GL-NP/C/T; ELM 327; USB HUB 4-port USB 2.0 Defender Quadro Iron; Locosys LS-23090 (GPS+ГЛОНАСС).
Andrey875 вне форума   Ответить с цитированием
Старый 13.03.2015, 16:29   #13
Wolfik_s_b
Старший Пользователь
 
Регистрация: 06.03.2014
Возраст: 37
Город: Москва, Подольск, Коломна, Рязань
Регион: 50, 90, 150
Машина: Mitsubishi Grandis
Сообщений: 199
Wolfik_s_b is on a distinguished road
По умолчанию

Цитата:
Сообщение от Andrey875 Посмотреть сообщение
Да! Было просто безценно, если бы было включение для неумных БП (например БП СЛ) и печатку бы на всё это!

А вообще есть альтернатива этому PowerControl v.2.0, но считаю идеей тоже очень интересной!
В принципе у меня есть готовая печатка, функционально работающая для всего, кроме реле К3, которое должно включаться с задержкой. Задержку на этой версии платы делал как и в схеме R-C цепочкой...Почему не работает - так и не вычислил (особо и не ковырялся). Также не проверял при реальном подключении монитора и компьютера - опасаюсь, что не выдержат тока дорожки. Функционирование проверял мультиметром. Сейчас на стадии разработки вторая версия платы, где задержка обуславливается не простой R-C цепью, а таймером 555 (подсказка автора схемы). Но все тормозится размышлениями: "А есть ли смысл при имеющихся обстоятельствах?". Самая большая трудность в выборе как раз ширины дорожек под конкретные нагрузки. А еще плата получается двухсторонняя, толщину металлизации перехода особо не проконтролируешь, и под нагрузкой может выгореть как раз слой металлизации. Не сильно дороже выйдет покупка готового девайса из ссылки выше.
__________________
Мой проект
Wolfik_s_b вне форума   Ответить с цитированием
Старый 14.03.2015, 12:17   #14
Andrey875
Старший Пользователь
 
Аватар для Andrey875
 
Регистрация: 26.10.2011
Возраст: 38
Город: Приозёрск
Регион: Казахстан
Машина: Camry 2001
Сообщений: 355
Andrey875 is a jewel in the roughAndrey875 is a jewel in the roughAndrey875 is a jewel in the roughAndrey875 is a jewel in the rough
По умолчанию

Цитата:
Сообщение от Wolfik_s_b Посмотреть сообщение
В принципе у меня есть готовая печатка, функционально работающая для всего, кроме реле К3, которое должно включаться с задержкой. Задержку на этой версии платы делал как и в схеме R-C цепочкой...Почему не работает - так и не вычислил (особо и не ковырялся). Также не проверял при реальном подключении монитора и компьютера - опасаюсь, что не выдержат тока дорожки. Функционирование проверял мультиметром. Сейчас на стадии разработки вторая версия платы, где задержка обуславливается не простой R-C цепью, а таймером 555 (подсказка автора схемы). Но все тормозится размышлениями: "А есть ли смысл при имеющихся обстоятельствах?". Самая большая трудность в выборе как раз ширины дорожек под конкретные нагрузки. А еще плата получается двухсторонняя, толщину металлизации перехода особо не проконтролируешь, и под нагрузкой может выгореть как раз слой металлизации. Не сильно дороже выйдет покупка готового девайса из ссылки выше.
А если сделать печатку односторонней, и сделать более широкие дорожки, но при этом на саму дорожку положить медный провод, чтобы держал нагрузки?

И есть ли в Вашей схеме возможность подключения к не умным БП (конкретно интересует БП СЛ).

А покупать девайс из ссылки в принципе лучше, но например мне будет дешевле собрать схему, т.к. доставка его обойдётся в 1500 р. сверху!
__________________
Проект: Toyota Camry 25 (2001 года)
GigaByte GA-E350N, AMD Dual-Core E-350 1.6 GHz; DDR-3 DIMM 2Gb 1333MHz PC10600 Transcend; Transcend TS64GSSD370; Linksys WMP54G, M2-ATX; LILLIPUT 869GL-NP/C/T; ELM 327; USB HUB 4-port USB 2.0 Defender Quadro Iron; Locosys LS-23090 (GPS+ГЛОНАСС).
Andrey875 вне форума   Ответить с цитированием
Старый 16.03.2015, 17:02   #15
Andrey875
Старший Пользователь
 
Аватар для Andrey875
 
Регистрация: 26.10.2011
Возраст: 38
Город: Приозёрск
Регион: Казахстан
Машина: Camry 2001
Сообщений: 355
Andrey875 is a jewel in the roughAndrey875 is a jewel in the roughAndrey875 is a jewel in the roughAndrey875 is a jewel in the rough
По умолчанию

Цитата:
Сообщение от Wolfik_s_b Посмотреть сообщение
В принципе у меня есть готовая печатка, функционально работающая
Ну может тогда дадите печатку?
__________________
Проект: Toyota Camry 25 (2001 года)
GigaByte GA-E350N, AMD Dual-Core E-350 1.6 GHz; DDR-3 DIMM 2Gb 1333MHz PC10600 Transcend; Transcend TS64GSSD370; Linksys WMP54G, M2-ATX; LILLIPUT 869GL-NP/C/T; ELM 327; USB HUB 4-port USB 2.0 Defender Quadro Iron; Locosys LS-23090 (GPS+ГЛОНАСС).
Andrey875 вне форума   Ответить с цитированием
Старый 16.04.2015, 01:05   #16
Wolfik_s_b
Старший Пользователь
 
Регистрация: 06.03.2014
Возраст: 37
Город: Москва, Подольск, Коломна, Рязань
Регион: 50, 90, 150
Машина: Mitsubishi Grandis
Сообщений: 199
Wolfik_s_b is on a distinguished road
По умолчанию

Цитата:
Сообщение от Andrey875 Посмотреть сообщение
Ну может тогда дадите печатку?
Да как-то стыдно такую сырость выкладывать. Первая версия платы (которая была изготовлена) не выдержит никакой нагрузки, плюс на ней землю я вел дорожками, а не заливал на корпус платы. На ней обкатывал функционал. Есть вторая версия, с таймером, но по причине приобретения девайса - забросил, так и не доведя до конца (обвязка таймера не закончена, ошибка с землей такая же, как и в первом варианте, толщина дорожек вряд ли выдержит нагрузку). Если так сильно надо, могу оба варианта сбросить в личку, хотя проще с нуля наверное делать по правильному, чем исправлять мои каракули. Платы рисовал в Sprint Layout 6.0. Пишите в личку, т.к. оповещения об ответах в теме почему-то не приходят на почту.
__________________
Мой проект
Wolfik_s_b вне форума   Ответить с цитированием
Старый 06.03.2016, 16:13   #17
120705
Старший Пользователь
 
Аватар для 120705
 
Регистрация: 09.07.2011
Город: Ростов на Дону
Регион: 61
Машина: KIA Sorento XM
Сообщений: 746
120705 is a splendid one to behold120705 is a splendid one to behold120705 is a splendid one to behold120705 is a splendid one to behold120705 is a splendid one to behold120705 is a splendid one to behold
По умолчанию

Цитата:
Сообщение от ytltkmrj Посмотреть сообщение
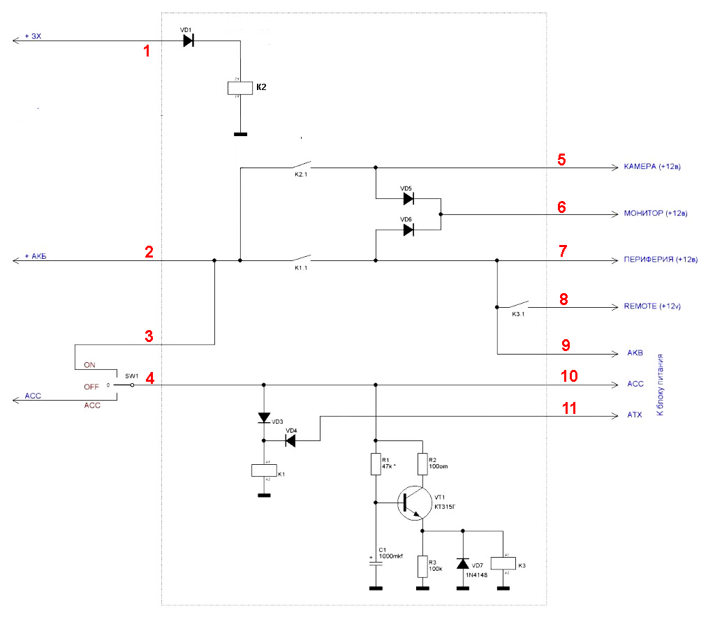
В идеале монтажную схему к электрической - цены бы не было.
Разводка печатки сделана в программе Sprint-Layout60. Размер платы 54х62. Изменена основная схема (Убраны перемычки, т.к. используется в большинстве авто. +12в. для включения камеры ЗХ.
Миниатюры
Нажмите на изображение для увеличения
Название: Сх_об.jpg
Просмотров: 1174
Размер:	76.4 Кб
ID:	42863   Нажмите на изображение для увеличения
Название: 1.jpg
Просмотров: 1158
Размер:	108.4 Кб
ID:	42864  
Вложения
Тип файла: rar комутация.rar (4.4 Кб, 855 просмотров)
120705 вне форума   Ответить с цитированием
Ответ


Здесь присутствуют: 1 (пользователей: 0 , гостей: 1)
 

Ваши права в разделе
Вы не можете создавать новые темы
Вы не можете отвечать в темах
Вы не можете прикреплять вложения
Вы не можете редактировать свои сообщения

BB коды Вкл.
Смайлы Вкл.
[IMG] код Вкл.
HTML код Выкл.



Часовой пояс GMT +4, время: 16:53.


Работает на vBulletin® версия 3.8.4.
Copyright ©2000 - 2026, Jelsoft Enterprises Ltd.
Перевод: zCarot