PCCar.ru - Ваш автомобильный компьютер

Вернуться   PCCar.ru - Ваш автомобильный компьютер > MP3Car ТехИнфа > Блоки питания > Разное

Ответ
 
Опции темы Поиск в этой теме
Старый 23.03.2006, 10:11   #11
Sergey_L
Старший Пользователь
 
Регистрация: 08.09.2005
Город: Москва
Регион: 77, 97, 99, 177
Машина: х2 ВАЗ-21053 (1993 вишня, 2002 океан)
Сообщений: 542
Sergey_L is on a distinguished road
По умолчанию

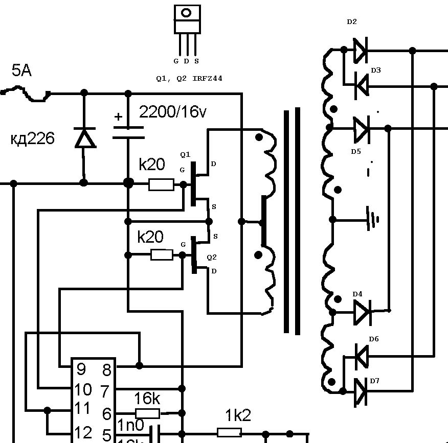
jonia прав, нижний полевик повернуть надо (на схеме).
Два плеча совершенно одинаковые и оба ключа нижние.
А резюки 15Е по теории, но можно и без них.
Миниатюры
Нажмите на изображение для увеличения
Название: 12V.jpg
Просмотров: 7397
Размер:	97.6 Кб
ID:	364  

Последний раз редактировалось Sergey_L; 23.03.2006 в 10:23.
Sergey_L вне форума   Ответить с цитированием
Старый 23.03.2006, 10:35   #12
_SDY_
Пользователь
 
Регистрация: 17.03.2006
Возраст: 48
Город: Владивосток
Регион: 25
Машина: Карина
Сообщений: 60
_SDY_ will become famous soon enough
По умолчанию

Извиняюсь, точно, втупил, повернуть надо. 8-) Просто я нарисовал один полевой транзистор - верхний как надо, а нижний скопировал и не нашел как повернуть в Paint'е, а потом забыл... :-) Ну, а паял, конечно как надо. :-) истоки (S) вместе и на землю, стоки (D) на обмотки, затворы (G) на TL494.
_SDY_ вне форума   Ответить с цитированием
Старый 23.03.2006, 10:47   #13
Sergey_L
Старший Пользователь
 
Регистрация: 08.09.2005
Город: Москва
Регион: 77, 97, 99, 177
Машина: х2 ВАЗ-21053 (1993 вишня, 2002 океан)
Сообщений: 542
Sergey_L is on a distinguished road
По умолчанию

Значит теперь у тебя все должно работать!
Sergey_L вне форума   Ответить с цитированием
Старый 23.03.2006, 10:58   #14
_SDY_
Пользователь
 
Регистрация: 17.03.2006
Возраст: 48
Город: Владивосток
Регион: 25
Машина: Карина
Сообщений: 60
_SDY_ will become famous soon enough
По умолчанию

Дык у меня теперь и работает, я ж сначала через те два маленьких "управляющих" транзистора, которые уже были на плате пытался включить выходные полевики - так греется, а в прямую, после "переворачивания" значений ног мелкосхемы - все пучком. :-)
В режиме StandBy - жрет 200мА, на холостом ходу (после замыкания PS_ON на землю) - 800мА и ничего нигде не греется, даже с небольшой нагрузкой - два/три винта. Мать тянуть не желает, т.к. у второго БП, с которого я беру 12в даже при нагрузке 3А сильно проседает напряжение.
Сегодня аккумулятор с автомобиля сниму, притащу в дом и попробую от него запитаться. :-)
_SDY_ вне форума   Ответить с цитированием
Старый 23.03.2006, 11:11   #15
Sergey_L
Старший Пользователь
 
Регистрация: 08.09.2005
Город: Москва
Регион: 77, 97, 99, 177
Машина: х2 ВАЗ-21053 (1993 вишня, 2002 океан)
Сообщений: 542
Sergey_L is on a distinguished road
По умолчанию

Вот и хорошо!
Теперь транс перемотай, как я писал ранее.
У меня и от 6-8V работает.
Sergey_L вне форума   Ответить с цитированием
Старый 23.03.2006, 11:24   #16
_SDY_
Пользователь
 
Регистрация: 17.03.2006
Возраст: 48
Город: Владивосток
Регион: 25
Машина: Карина
Сообщений: 60
_SDY_ will become famous soon enough
По умолчанию

Транс у меня с самого начала был перемотан, точно так же как и у тебя (это еще написано во втором посте), только на нем есть еще две дополнительных обмотки, т.к. у меня БП немного "нестандартный". :-)
Переделанный БП нормально работает, тока не хватает в другом БП, с которого я 12в беру для работы переделанного, т.к. другого относительно мощного источника 12в нету 8-)))))). Поэтому и хочу на аккумуляторе проверить.
_SDY_ вне форума   Ответить с цитированием
Старый 11.10.2006, 16:22   #17
Shtepsel
Новый Пользователь
 
Регистрация: 11.10.2006
Возраст: 45
Сообщений: 1
Shtepsel is on a distinguished road
Question

SDY, я так понимаю, что ты основные биполярники заменил на полевики?


Возможно ли использовать "родные" биполярники типа 2SC4242?
Shtepsel вне форума   Ответить с цитированием
Старый 21.10.2006, 03:39   #18
Pahan
Старший Пользователь
 
Аватар для Pahan
 
Регистрация: 17.10.2006
Возраст: 47
Город: Москва , СЗАО , Строгино
Регион: 77, 97, 99, 177
Машина: BMW740 E66Li LE 2008
Сообщений: 466
Pahan is an unknown quantity at this point
По умолчанию

Таааак , я смотрю фсё получилось.
Если я тебе принесу АТХ блок питания ... передлаешь мне его так?
чё денег захочешь (под ключ) ?
Pahan вне форума   Ответить с цитированием
Старый 22.12.2006, 10:22   #19
Evgenii351
Пользователь
 
Аватар для Evgenii351
 
Регистрация: 08.12.2006
Возраст: 40
Город: Челябинск
Регион: 74
Машина: Ауди A4 SLine
Сообщений: 45
Evgenii351 is on a distinguished road
По умолчанию

Цитата:
Сообщение от _SDY_ Посмотреть сообщение
Дык у меня теперь и работает, я ж сначала через те два маленьких "управляющих" транзистора, которые уже были на плате пытался включить выходные полевики - так греется, а в прямую, после "переворачивания" значений ног мелкосхемы - все пучком. :-)
В режиме StandBy - жрет 200мА, на холостом ходу (после замыкания PS_ON на землю) - 800мА и ничего нигде не греется, даже с небольшой нагрузкой - два/три винта. Мать тянуть не желает, т.к. у второго БП, с которого я беру 12в даже при нагрузке 3А сильно проседает напряжение.
Сегодня аккумулятор с автомобиля сниму, притащу в дом и попробую от него запитаться. :-)
Приветствую.....

Про переделку БП, посмотрел схемку, вроде все нормально, только один маленький вопросик: Трансформатор остается прежний, или заменяется, то на какой, и что с ним делать...........
Жду ответа
__________________
Цитата:
Если не можешь иметь то что хочешь, научись хотеть то что имеешь...
Evgenii351 вне форума   Ответить с цитированием
Старый 05.01.2007, 18:02   #20
_SDY_
Пользователь
 
Регистрация: 17.03.2006
Возраст: 48
Город: Владивосток
Регион: 25
Машина: Карина
Сообщений: 60
_SDY_ will become famous soon enough
По умолчанию

Прошел практически год, но смог возобновить работу только сейчас. :-)
С переделкой предыдущего блока питания практически ничего не получилось, у него была своеобразная схема и куча вторичных обмоток. Он хреново запускался, "не тянул" нагрузку и сильно грелись (и дохли :-) полевые транзисторы.
Вчера раскопал дохлый блок питания (сдохшая высоковольтная часть), у него схема попроще и трансформатор там "стандартный", как в большинстве других БП - 4 вторичные обмотки (в старом была еще пара "лишних"). Выкинул всю высоковольтную часть; переделал standby часть, сделал как в схеме приведенной выше: на микросхемном 5в стабилизаторе КРЕН5 (родная часть была слишком "мудрой" :-). Воткнул тороидальный трансформатор со старого БП... И сегодня все заработало.
Мать ABIT VL6, проц Celeron 366, винт 20Gb, 256Mb ОЗУ, Riva TNT2, звуковуха Avance Logic, модем Acorp, ось WinXP. В данный момент пишу этот текст с этого компа, работающего с переделанного на 12в БП. БП при работе от 12в жрет около 7А, в дежурном режиме менее 100мА . Все защиты, дежурный режим, схема запуска/выключения работают, как на стандартном БП.
Итог - переделать можно без проблем.
По поводу трансформатора - я уже приводил данные, но повторюсь. Тороид, но, по идее можно использовать и родной, только как туда обмотки намотать? (первичная меньше, зато вторичная больше). Обмотки - первичная: 2 обмотки по 6 витков |-6-|-6|, вторичная состоит из 4-х обмоток: |-8-|-6-|-6-|-8-|.
Кстати, у меня обмотки намотаны проводом 0,85мм, да и сечение тороида маловато (уж какой нашел). Из-за этого добавление к текущей конфигурации CD-ROM'а или разгон проца до 550МГц приводит к незагружабельности системы 8-). Провод надо 1мм и тороид, чем больше, тем лучше :-), хотя, лучше по этому поводу спросить у Sergey_L или сразу купить у него БП. :-)))
_SDY_ вне форума   Ответить с цитированием
Ответ


Здесь присутствуют: 1 (пользователей: 0 , гостей: 1)
 

Ваши права в разделе
Вы не можете создавать новые темы
Вы не можете отвечать в темах
Вы не можете прикреплять вложения
Вы не можете редактировать свои сообщения

BB коды Вкл.
Смайлы Вкл.
[IMG] код Вкл.
HTML код Выкл.



Часовой пояс GMT +4, время: 04:19.


Работает на vBulletin® версия 3.8.4.
Copyright ©2000 - 2026, Jelsoft Enterprises Ltd.
Перевод: zCarot