PCCar.ru - Ваш автомобильный компьютер

Вернуться   PCCar.ru - Ваш автомобильный компьютер > MP3Car ТехИнфа > АвтоЗвук > Усилители

Ответ
 
Опции темы Поиск в этой теме
Старый 07.09.2016, 14:23   #61
quinine
Старший Пользователь
 
Регистрация: 06.06.2015
Возраст: 40
Регион: 78, 98
Сообщений: 130
quinine is on a distinguished road
По умолчанию

Цитата:
Сообщение от Alex-L Посмотреть сообщение
Наслышан про эту контору (на веге все по моему только там и отовариваются), но сам дела с ней не имел, ничего сказать не могу. Фасовкой мог бы заняться. Как это сделать технически? Народ сливает баблос тебе, ты делаешь заказ на мой адрес, я рассылаю - так что ли?
Ну тип того. Можно о цене договориться так чтобы тебе что-то перепало, за работу по фасовке и отправке, если никто на форуме против не будет. Мне за разовую отправку ничего не нужно, я детали на контору закажу, мне их привезут и я скопом отправлю тебе по той же цене что в счёте.




На счёт усилителя, ну вообще если на уши не давит, если не надоедает спустя 15 минут прослушивания и звук хороший, то скорее всего всё отлично там с подавлением пульсаций и это очень и очень хорошо. Так как по сути проект простой для повторения, и мы на выходе получем качественные 60 Вт в авто.
quinine вне форума   Ответить с цитированием
Старый 07.09.2016, 14:23   #62
basurman
Super Moderator
 
Аватар для basurman
 
Регистрация: 19.07.2011
Возраст: 54
Город: Нижегородские болота
Регион: 52
Машина: пешкарус
Сообщений: 2,033
basurman has a reputation beyond reputebasurman has a reputation beyond reputebasurman has a reputation beyond reputebasurman has a reputation beyond reputebasurman has a reputation beyond reputebasurman has a reputation beyond reputebasurman has a reputation beyond reputebasurman has a reputation beyond reputebasurman has a reputation beyond repute
По умолчанию

Цитата:
Сообщение от quinine Посмотреть сообщение
он несколько сложнее и проверенный
Несколько сложнее!!!!! Да ты шутишь
__________________
ВСЕ ДЛЯ АРДУИНО

Моя почта - mogirov971sobakamail.ru
basurman вне форума   Ответить с цитированием
Старый 07.09.2016, 14:46   #63
quinine
Старший Пользователь
 
Регистрация: 06.06.2015
Возраст: 40
Регион: 78, 98
Сообщений: 130
quinine is on a distinguished road
По умолчанию

Цитата:
Сообщение от basurman Посмотреть сообщение
Несколько сложнее!!!!! Да ты шутишь
Да по сути схема-то не то чтобы очень сложная. Там половина схемы - это контроль температуры и контроль оборотов вентилятора.

обвязка SG3525 примерно та же.

Силовая часть отличается тем, что полевиков больше в 2 раза и сигнал управляющий усилен по току биполярниками.


Вот упрощённая схема силовой части без управления.

http://forum.vegalab.ru/attachment.p...2&d=1322664344

отличие фактически имеет цепочка питания +-45 В - там после диодного моста ДГС, затем ёмкости, и потом ещё раз дроссели маленькие и опять ёмкости уже в усилителе. Это помогает фильтровать всю каку.


Плюс ещё хорошо бы добавить керамику 1210 впараллель к C3, 10 мкФ на 50В штуки 4...
quinine вне форума   Ответить с цитированием
Старый 07.09.2016, 15:38   #64
quinine
Старший Пользователь
 
Регистрация: 06.06.2015
Возраст: 40
Регион: 78, 98
Сообщений: 130
quinine is on a distinguished road
По умолчанию

Цитата:
Сообщение от Alex-L Посмотреть сообщение
Видел. Что-то как-то очень избыточно сложно. На веге вообще одни маньяки в хорошем смысле
А чего в М4 мерял?
а это начиная отсюда примерно читать

http://pccar.ru/showthread.php?t=6317&page=94

а измерения в самом конце, сегодняшним числом.
quinine вне форума   Ответить с цитированием
Старый 07.09.2016, 16:08   #65
basurman
Super Moderator
 
Аватар для basurman
 
Регистрация: 19.07.2011
Возраст: 54
Город: Нижегородские болота
Регион: 52
Машина: пешкарус
Сообщений: 2,033
basurman has a reputation beyond reputebasurman has a reputation beyond reputebasurman has a reputation beyond reputebasurman has a reputation beyond reputebasurman has a reputation beyond reputebasurman has a reputation beyond reputebasurman has a reputation beyond reputebasurman has a reputation beyond reputebasurman has a reputation beyond repute
По умолчанию

Все это здорово, а детальки на усь уже поехали))))))))

Москвичи!, ну вы че, не можете собраться усилок потестить? Не вредничайте
__________________
ВСЕ ДЛЯ АРДУИНО

Моя почта - mogirov971sobakamail.ru
basurman вне форума   Ответить с цитированием
Старый 07.09.2016, 20:09   #66
Alex-L
Moderator
 
Аватар для Alex-L
 
Регистрация: 23.03.2008
Возраст: 55
Город: Москва, Нагорная
Регион: 77, 97, 99, 177
Машина: Mitsubishi Lancer-X
Сообщений: 2,096
Alex-L is a splendid one to beholdAlex-L is a splendid one to beholdAlex-L is a splendid one to beholdAlex-L is a splendid one to beholdAlex-L is a splendid one to beholdAlex-L is a splendid one to beholdAlex-L is a splendid one to behold
По умолчанию

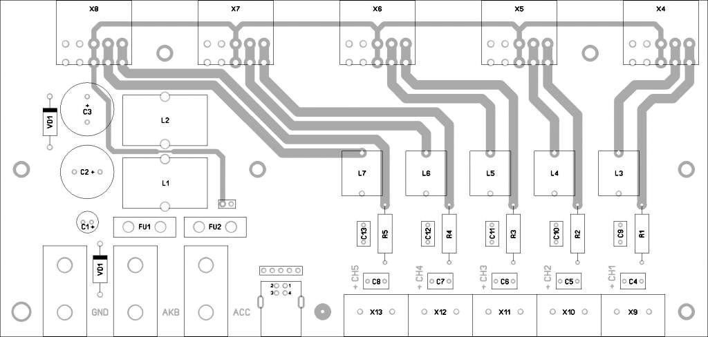
В этом посту содержится вся необходимая для сборки информация: финальные версии основной и кросс плат (именно те, которые заказывали в Резоните); схемы основной и кросс плат (позиционные обозначения элементов приведены в соответствие); расчет трансформатора; примечания к монтажу; парт-лист...
Миниатюры
Нажмите на изображение для увеличения
Название: Основная плата - схема 1.jpg
Просмотров: 910
Размер:	64.0 Кб
ID:	46577   Нажмите на изображение для увеличения
Название: Основная плата - схема 2.jpg
Просмотров: 836
Размер:	75.4 Кб
ID:	46578   Нажмите на изображение для увеличения
Название: Основная плата - монтаж.jpg
Просмотров: 1087
Размер:	67.4 Кб
ID:	46579   Нажмите на изображение для увеличения
Название: Основная плата.jpg
Просмотров: 673
Размер:	163.9 Кб
ID:	46580   Нажмите на изображение для увеличения
Название: Основная плата - собрана.jpg
Просмотров: 742
Размер:	127.0 Кб
ID:	46581  

Нажмите на изображение для увеличения
Название: Кросс плата - схема.jpg
Просмотров: 857
Размер:	65.9 Кб
ID:	46582   Нажмите на изображение для увеличения
Название: Кросс плата - верх.jpg
Просмотров: 678
Размер:	66.0 Кб
ID:	46583   Нажмите на изображение для увеличения
Название: Кросс плата - низ.jpg
Просмотров: 1008
Размер:	44.7 Кб
ID:	46584   Нажмите на изображение для увеличения
Название: Кросс плата.jpg
Просмотров: 680
Размер:	210.6 Кб
ID:	46585   Нажмите на изображение для увеличения
Название: Кросс плата - собрана.jpg
Просмотров: 829
Размер:	170.0 Кб
ID:	46586  

Нажмите на изображение для увеличения
Название: Трансформатор.jpg
Просмотров: 1115
Размер:	114.1 Кб
ID:	46587  
Вложения
Тип файла: zip Парт-лист (1 канал).zip (6.0 Кб, 614 просмотров)
Тип файла: zip Примечания к монтажу.zip (8.6 Кб, 662 просмотров)

Последний раз редактировалось Alex-L; 31.01.2017 в 12:10.
Alex-L вне форума   Ответить с цитированием
Старый 08.09.2016, 00:43   #67
basurman
Super Moderator
 
Аватар для basurman
 
Регистрация: 19.07.2011
Возраст: 54
Город: Нижегородские болота
Регион: 52
Машина: пешкарус
Сообщений: 2,033
basurman has a reputation beyond reputebasurman has a reputation beyond reputebasurman has a reputation beyond reputebasurman has a reputation beyond reputebasurman has a reputation beyond reputebasurman has a reputation beyond reputebasurman has a reputation beyond reputebasurman has a reputation beyond reputebasurman has a reputation beyond repute
По умолчанию

По деталям как гоношим? или еще не решено?
__________________
ВСЕ ДЛЯ АРДУИНО

Моя почта - mogirov971sobakamail.ru
basurman вне форума   Ответить с цитированием
Старый 08.09.2016, 11:25   #68
nektomaks
Старший Пользователь
 
Регистрация: 23.11.2013
Возраст: 45
Регион: 77, 97, 99, 177
Машина: черный улан :) был, теперь серебристый чужеземец)
Сообщений: 278
nektomaks will become famous soon enough
По умолчанию

потестить могу, но участвовать не буду, себе д-класс буду делать
з.ы. алекс скинь в личку адрес и тел., вчера вечером работал в марьино, сегодня буду мимо проезжать
nektomaks вне форума   Ответить с цитированием
Старый 08.09.2016, 11:31   #69
nektomaks
Старший Пользователь
 
Регистрация: 23.11.2013
Возраст: 45
Регион: 77, 97, 99, 177
Машина: черный улан :) был, теперь серебристый чужеземец)
Сообщений: 278
nektomaks will become famous soon enough
По умолчанию

а почему на выходе пн средняя точка через 1ом подключена?
nektomaks вне форума   Ответить с цитированием
Старый 08.09.2016, 12:13   #70
Alex-L
Moderator
 
Аватар для Alex-L
 
Регистрация: 23.03.2008
Возраст: 55
Город: Москва, Нагорная
Регион: 77, 97, 99, 177
Машина: Mitsubishi Lancer-X
Сообщений: 2,096
Alex-L is a splendid one to beholdAlex-L is a splendid one to beholdAlex-L is a splendid one to beholdAlex-L is a splendid one to beholdAlex-L is a splendid one to beholdAlex-L is a splendid one to beholdAlex-L is a splendid one to behold
По умолчанию

Цитата:
Сообщение от basurman Посмотреть сообщение
По деталям как гоношим? или еще не решено?
Пока не думал об этом - некогда

Цитата:
Сообщение от nektomaks Посмотреть сообщение
потестить могу, но участвовать не буду, себе д-класс буду делать з.ы. алекс скинь в личку адрес и тел., вчера вечером работал в марьино, сегодня буду мимо проезжать...
а почему на выходе пн средняя точка через 1ом подключена?
Скинул в личку координаты.
Резистор 1ом в средней точке - простой и эффективный способ выровнять напряжение в плечах питания.
Alex-L вне форума   Ответить с цитированием
Ответ


Здесь присутствуют: 1 (пользователей: 0 , гостей: 1)
 

Ваши права в разделе
Вы не можете создавать новые темы
Вы не можете отвечать в темах
Вы не можете прикреплять вложения
Вы не можете редактировать свои сообщения

BB коды Вкл.
Смайлы Вкл.
[IMG] код Вкл.
HTML код Выкл.



Часовой пояс GMT +4, время: 16:59.


Работает на vBulletin® версия 3.8.4.
Copyright ©2000 - 2026, Jelsoft Enterprises Ltd.
Перевод: zCarot