PCCar.ru - Ваш автомобильный компьютер

Вернуться   PCCar.ru - Ваш автомобильный компьютер > MP3Car ТехИнфа > Мониторы > Матрицы для CarPC > Матрицы 9 - 10 дюймов

Ответ
 
Опции темы Поиск в этой теме
Старый 12.01.2016, 17:52   #21
-=zds=-
Старший Пользователь
 
Регистрация: 06.04.2009
Возраст: 42
Город: Владивосток
Регион: 25
Машина: Toyota CAMRY
Сообщений: 636
-=zds=- is a jewel in the rough-=zds=- is a jewel in the rough-=zds=- is a jewel in the rough
По умолчанию

Цитата:
Сообщение от basurman Посмотреть сообщение
напряжение там какое?)))
имеется ввиду именно как ты написал BL_ON Back-light ON/OFF
Так это я строчку скопировал с даташита на народный, это разъем 11

Нажмите на изображение для увеличения
Название: nar.JPG
Просмотров: 1063
Размер:	36.4 Кб
ID:	42196
__________________
Chaser продал
forester продал
Legacy продал
Impreza GH8 идет постройка... Продал, комп забрал...
Toyota Camry 2015 07.09.18 Продал комп отдал с машиной, следующий будет полностью с ноля!
-=zds=- вне форума   Ответить с цитированием
Старый 12.01.2016, 18:14   #22
basurman
Super Moderator
 
Аватар для basurman
 
Регистрация: 19.07.2011
Возраст: 54
Город: Нижегородские болота
Регион: 52
Машина: пешкарус
Сообщений: 2,033
basurman has a reputation beyond reputebasurman has a reputation beyond reputebasurman has a reputation beyond reputebasurman has a reputation beyond reputebasurman has a reputation beyond reputebasurman has a reputation beyond reputebasurman has a reputation beyond reputebasurman has a reputation beyond reputebasurman has a reputation beyond repute
По умолчанию

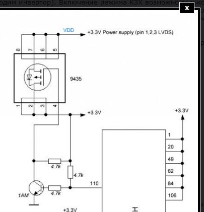
Хорошо, а на матрице то есть такой вывод или нет? Куда приходит сигнал вкл/выкл подсветки.

Эх ешкин кот, не доглядел. Тебе друг какое то внешнее управление делать надо, типа на ключе п канальном.

приблизительно так-
Миниатюры
Нажмите на изображение для увеличения
Название: 1.JPG
Просмотров: 845
Размер:	24.6 Кб
ID:	42197  
__________________
ВСЕ ДЛЯ АРДУИНО

Моя почта - mogirov971sobakamail.ru
basurman вне форума   Ответить с цитированием
Старый 12.01.2016, 18:23   #23
-=zds=-
Старший Пользователь
 
Регистрация: 06.04.2009
Возраст: 42
Город: Владивосток
Регион: 25
Машина: Toyota CAMRY
Сообщений: 636
-=zds=- is a jewel in the rough-=zds=- is a jewel in the rough-=zds=- is a jewel in the rough
По умолчанию

Цитата:
Сообщение от basurman Посмотреть сообщение
Хорошо, а на матрице то есть такой вывод или нет? Куда приходит сигнал вкл/выкл подсветки.

Эх ешкин кот, не доглядел. Тебе друг какое то внешнее управление делать надо, типа на ключе п канальном.
Это зачем? Можно подробней, в подсветке вооьще не шарю :-(

Да и пока прошивки рабочей нет, толку делать подсветку особо нет
__________________
Chaser продал
forester продал
Legacy продал
Impreza GH8 идет постройка... Продал, комп забрал...
Toyota Camry 2015 07.09.18 Продал комп отдал с машиной, следующий будет полностью с ноля!
-=zds=- вне форума   Ответить с цитированием
Старый 12.01.2016, 18:28   #24
basurman
Super Moderator
 
Аватар для basurman
 
Регистрация: 19.07.2011
Возраст: 54
Город: Нижегородские болота
Регион: 52
Машина: пешкарус
Сообщений: 2,033
basurman has a reputation beyond reputebasurman has a reputation beyond reputebasurman has a reputation beyond reputebasurman has a reputation beyond reputebasurman has a reputation beyond reputebasurman has a reputation beyond reputebasurman has a reputation beyond reputebasurman has a reputation beyond reputebasurman has a reputation beyond repute
По умолчанию

у тебя 12 вольт фигачит на матрицу напрямки, выключить то их тебе нечем. поэтому нужна внешняя схема управления, вкл/выкл, регулировка яркости...

чтобы не искать микросхему драйвер(ну допустим), то на полевике проще всего

ты синий контроль))), для этой матрицы хотел? или уже не надо? alexfox я один отправил, пацаны еще один пожертвовали, так что пока лежит, ждет микру для TTL.
__________________
ВСЕ ДЛЯ АРДУИНО

Моя почта - mogirov971sobakamail.ru
basurman вне форума   Ответить с цитированием
Старый 12.01.2016, 18:36   #25
-=zds=-
Старший Пользователь
 
Регистрация: 06.04.2009
Возраст: 42
Город: Владивосток
Регион: 25
Машина: Toyota CAMRY
Сообщений: 636
-=zds=- is a jewel in the rough-=zds=- is a jewel in the rough-=zds=- is a jewel in the rough
По умолчанию

Цитата:
Сообщение от basurman Посмотреть сообщение
у тебя 12 вольт фигачит на матрицу напрямки, выключить то их тебе нечем. поэтому нужна внешняя схема управления, вкл/выкл, регулировка яркости...

чтобы не искать микросхему драйвер(ну допустим), то на полевике проще всего
Ну не 12В а 9В, я же написал что питаю от 9В контролер, а как поуму надо сделать подсветку? Время есть, можно заказать микросхему, это не проблема. Как там дела с вашим контролёром? В будущем то я всетаки мечтаю его заполучить и на нем эту матрицу юзать, как там дела с подсветкой?
__________________
Chaser продал
forester продал
Legacy продал
Impreza GH8 идет постройка... Продал, комп забрал...
Toyota Camry 2015 07.09.18 Продал комп отдал с машиной, следующий будет полностью с ноля!
-=zds=- вне форума   Ответить с цитированием
Старый 12.01.2016, 18:53   #26
basurman
Super Moderator
 
Аватар для basurman
 
Регистрация: 19.07.2011
Возраст: 54
Город: Нижегородские болота
Регион: 52
Машина: пешкарус
Сообщений: 2,033
basurman has a reputation beyond reputebasurman has a reputation beyond reputebasurman has a reputation beyond reputebasurman has a reputation beyond reputebasurman has a reputation beyond reputebasurman has a reputation beyond reputebasurman has a reputation beyond reputebasurman has a reputation beyond reputebasurman has a reputation beyond repute
По умолчанию

Дим, я ж писал, хотюхи))) строить отдельно, на такой небольшой платке все не влезет.

тоесть тебе контроль пока не нужен? или как
__________________
ВСЕ ДЛЯ АРДУИНО

Моя почта - mogirov971sobakamail.ru
basurman вне форума   Ответить с цитированием
Старый 13.01.2016, 02:52   #27
-=zds=-
Старший Пользователь
 
Регистрация: 06.04.2009
Возраст: 42
Город: Владивосток
Регион: 25
Машина: Toyota CAMRY
Сообщений: 636
-=zds=- is a jewel in the rough-=zds=- is a jewel in the rough-=zds=- is a jewel in the rough
По умолчанию

Цитата:
Сообщение от basurman Посмотреть сообщение
Дим, я ж писал, хотюхи))) строить отдельно, на такой небольшой платке все не влезет.

тоесть тебе контроль пока не нужен? или как
Нужен конечно.
Так что с подсветкой какой драйвер лучше купить для этой матрицы?
__________________
Chaser продал
forester продал
Legacy продал
Impreza GH8 идет постройка... Продал, комп забрал...
Toyota Camry 2015 07.09.18 Продал комп отдал с машиной, следующий будет полностью с ноля!
-=zds=- вне форума   Ответить с цитированием
Старый 13.01.2016, 09:58   #28
basurman
Super Moderator
 
Аватар для basurman
 
Регистрация: 19.07.2011
Возраст: 54
Город: Нижегородские болота
Регион: 52
Машина: пешкарус
Сообщений: 2,033
basurman has a reputation beyond reputebasurman has a reputation beyond reputebasurman has a reputation beyond reputebasurman has a reputation beyond reputebasurman has a reputation beyond reputebasurman has a reputation beyond reputebasurman has a reputation beyond reputebasurman has a reputation beyond reputebasurman has a reputation beyond repute
По умолчанию

Цитата:
Сообщение от -=zds=- Посмотреть сообщение
Нужен конечно.
Так что с подсветкой какой драйвер лучше купить для этой матрицы?
Питание которое сейчас подаешь на подсветку, достаточное? яркости подсветки хватает? Моник то не показывает. Андрей сделает прошивку, тогда и покубатурить можно будет. Какой купить я затрудняюсь тебе ответить))) Может и самодельный сделаем.
__________________
ВСЕ ДЛЯ АРДУИНО

Моя почта - mogirov971sobakamail.ru
basurman вне форума   Ответить с цитированием
Старый 13.01.2016, 13:42   #29
-=zds=-
Старший Пользователь
 
Регистрация: 06.04.2009
Возраст: 42
Город: Владивосток
Регион: 25
Машина: Toyota CAMRY
Сообщений: 636
-=zds=- is a jewel in the rough-=zds=- is a jewel in the rough-=zds=- is a jewel in the rough
По умолчанию

Цитата:
Сообщение от basurman Посмотреть сообщение
Питание которое сейчас подаешь на подсветку, достаточное? яркости подсветки хватает? Моник то не показывает. Андрей сделает прошивку, тогда и покубатурить можно будет. Какой купить я затрудняюсь тебе ответить))) Может и самодельный сделаем.
подсветки хватает, я на блок цеплял контролер, если уменьшать и прибавлять напряжение то подсветка притухает и разгорается соответсвенно, короче тогда ждем прошивку
__________________
Chaser продал
forester продал
Legacy продал
Impreza GH8 идет постройка... Продал, комп забрал...
Toyota Camry 2015 07.09.18 Продал комп отдал с машиной, следующий будет полностью с ноля!
-=zds=- вне форума   Ответить с цитированием
Старый 15.02.2016, 07:17   #30
-=zds=-
Старший Пользователь
 
Регистрация: 06.04.2009
Возраст: 42
Город: Владивосток
Регион: 25
Машина: Toyota CAMRY
Сообщений: 636
-=zds=- is a jewel in the rough-=zds=- is a jewel in the rough-=zds=- is a jewel in the rough
По умолчанию

Короче еще раз перепаял шлейф, были небольшие косяки, но изображение так и не появилось, пробовал на этой прошивке, что то мне подсказывает что проблема в сигналах VCOM/VDD/Reset/STBYB/DIMO/SELB/AVDD/VGL/CABCEN1/CABCEN0/VGH и скорей всего это именно тот случай про который говорил "Leobor", матрица LVDS но подключается к разъему TTL и нужна соответствующая прошивка.
__________________
Chaser продал
forester продал
Legacy продал
Impreza GH8 идет постройка... Продал, комп забрал...
Toyota Camry 2015 07.09.18 Продал комп отдал с машиной, следующий будет полностью с ноля!
-=zds=- вне форума   Ответить с цитированием
Ответ


Здесь присутствуют: 1 (пользователей: 0 , гостей: 1)
 

Ваши права в разделе
Вы не можете создавать новые темы
Вы не можете отвечать в темах
Вы не можете прикреплять вложения
Вы не можете редактировать свои сообщения

BB коды Вкл.
Смайлы Вкл.
[IMG] код Вкл.
HTML код Выкл.



Часовой пояс GMT +4, время: 17:48.


Работает на vBulletin® версия 3.8.4.
Copyright ©2000 - 2026, Jelsoft Enterprises Ltd.
Перевод: zCarot