PCCar.ru - Ваш автомобильный компьютер

Вернуться   PCCar.ru - Ваш автомобильный компьютер > MP3Car ТехИнфа > AndroidCar > Питание

Ответ
 
Опции темы Поиск в этой теме
Старый 27.02.2015, 19:16   #641
Chubaka885
Старший Пользователь
 
Регистрация: 08.10.2013
Возраст: 43
Регион: 56
Машина: Toyota Corolla e150
Сообщений: 325
Chubaka885 is a jewel in the roughChubaka885 is a jewel in the roughChubaka885 is a jewel in the roughChubaka885 is a jewel in the rough
По умолчанию

Цитата:
Сообщение от alexnf Посмотреть сообщение
Chubaka885, Продолжаю разбираться с Вашим скетчем. Вот еще возникло пара вопросов:

1. по работе с джойстиком:
-по схеме сигналы от него приходят от другого ардуино - а есть описание этого процесса? схема, скетч?

2. по работе с резистивными кнопками:
в скетче вот так:

#define pinIsoAmp 6 - тут пин 6 используется для управления USBIsoAmp - далее по скетчу все понятно
int analogPin=6; - а вот тут присвоили переменной 6
.....
data=analogRead(analogPin); - и здесь используем эту переменную (значение ее 6), как номер пина для чтения сигналов резистивных кнопок, а по схеме сигналы с резистивных кнопок поступают на пин 4.

Это ошибка? Или я че то не понимаю?
1. Вот скетч для arduino pro mini, если интересно.
Ардуино джойстика подключена к основной ардуино по UART. На схеме указано подключение Tx и Rx, на самом деле достаточно только передачи с ардуино джойстика, так как связь односторонняя. На ардуино джойстика подключены физ. кнопки. При нажатии ардуино джойстика отправляет соответствующую цифру (101, 201 и.т.д. зависит от кнопки). Основная ардуино принимает эту цифру и в соответствии со скетчем отправляет HID команду в нексус.

2. pinIsoAmp 6 - это цифровой пин ардуино, а analogPin=6 - это аналоговый, тобиш А6 (4). См. схему.
__________________
Nexus 7 2012 (grouper), Cyanogenmod 11 - M10
фото установки Nexus 7 2012 & Toyota Corolla
Chubaka885 вне форума   Ответить с цитированием
Старый 28.02.2015, 13:14   #642
demtro
Старший Пользователь
 
Регистрация: 17.12.2014
Возраст: 34
Город: Самара
Регион: 63, 163
Машина: Lifan Solano
Сообщений: 184
demtro is on a distinguished road
По умолчанию

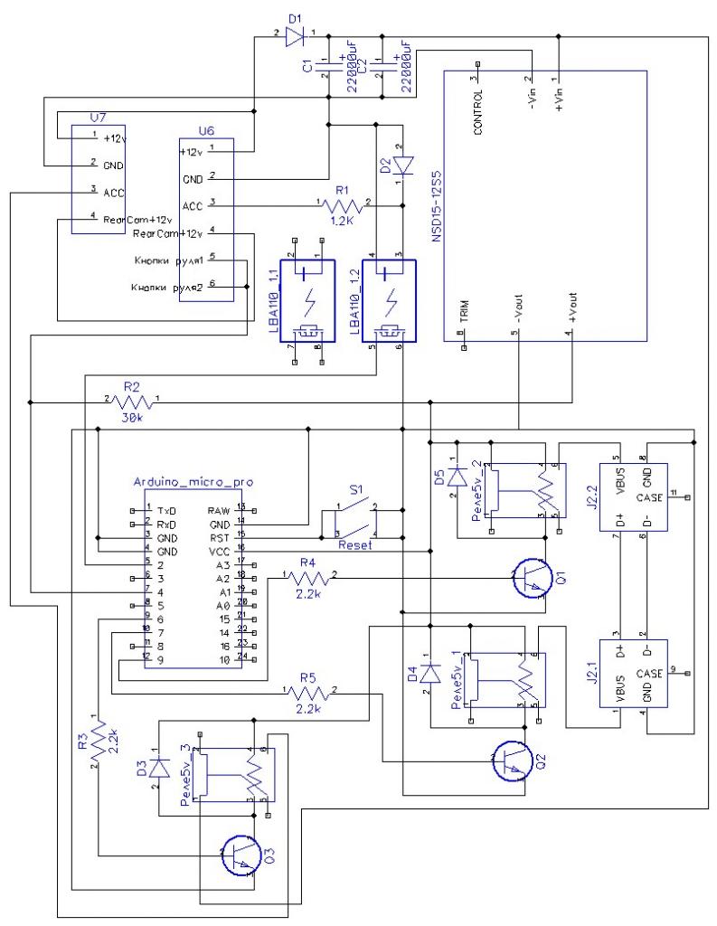
Взял за основу схему бп ув.Chubaka885, немного откорректировал под свои нужды. Немного не уверен в верности получившихся схем, поэтому прошу знающих людей проверить их, а так же помочь в редактировании скетча. Для обработки кнопок руля хотелось бы использовать скетч созданный ув. lti1
Заранее спасибо.
Схемы делал в DipTrace
Миниатюры
Нажмите на изображение для увеличения
Название: БП_ПЕЧАТКА.jpg
Просмотров: 723
Размер:	99.5 Кб
ID:	38988   Нажмите на изображение для увеличения
Название: бп_схема.jpg
Просмотров: 1125
Размер:	65.9 Кб
ID:	38989   Нажмите на изображение для увеличения
Название: Схема ЭП.jpg
Просмотров: 919
Размер:	62.8 Кб
ID:	38990  
Вложения
Тип файла: zip pro micro_30102014.zip (3.1 Кб, 453 просмотров)
Тип файла: zip БП.zip (44.3 Кб, 493 просмотров)
Тип файла: zip кнопки руля.zip (1.5 Кб, 442 просмотров)
demtro вне форума   Ответить с цитированием
Старый 28.02.2015, 17:09   #643
demtro
Старший Пользователь
 
Регистрация: 17.12.2014
Возраст: 34
Город: Самара
Регион: 63, 163
Машина: Lifan Solano
Сообщений: 184
demtro is on a distinguished road
По умолчанию

Цитата:
Сообщение от Chubaka885 Посмотреть сообщение
Зачем Вы подаёте 12В на 5 ногу ардуино, и через резистор 10к на VCC?
По вашей схеме так шло и там не 12 же вольт, там с LBA110 контакт идёт, у LBA немного другая схема, отличная от LCC
demtro вне форума   Ответить с цитированием
Старый 28.02.2015, 17:17   #644
demtro
Старший Пользователь
 
Регистрация: 17.12.2014
Возраст: 34
Город: Самара
Регион: 63, 163
Машина: Lifan Solano
Сообщений: 184
demtro is on a distinguished road
По умолчанию

там схема немного съехала, исправил
Миниатюры
Нажмите на изображение для увеличения
Название: бп_схема_мой вариант.jpg
Просмотров: 785
Размер:	68.1 Кб
ID:	38996  
demtro вне форума   Ответить с цитированием
Старый 01.03.2015, 22:34   #645
Kent5601
Пользователь
 
Регистрация: 28.02.2015
Возраст: 33
Регион: 16, 116
Сообщений: 53
Kent5601 is on a distinguished road
По умолчанию

Всем привет у меня вопрос сколько ампер нужно для питания в место батарейки? Просто я не нашел kis 3r а у него 3 ампера!
Kent5601 вне форума   Ответить с цитированием
Старый 02.03.2015, 01:39   #646
nexus
Старший Пользователь
 
Регистрация: 26.01.2015
Город: Пятигорск
Регион: 26
Машина: VW Caravelle T5 GP 2013
Сообщений: 154
nexus is on a distinguished road
По умолчанию

Цитата:
Сообщение от Kent5601 Посмотреть сообщение
Всем привет у меня вопрос сколько ампер нужно для питания в место батарейки?
А чего питать собрались ? Сделайте подпись в профиле, чтоб видно было
__________________
Google Nexus 7 2013 LTE 6.0.1 MOB30X+Root
nexus вне форума   Ответить с цитированием
Старый 02.03.2015, 10:16   #647
nrgizer79
Пользователь
 
Аватар для nrgizer79
 
Регистрация: 18.04.2014
Город: Питер
Регион: 78, 98
Машина: OPEL ASTRA H
Сообщений: 80
nrgizer79 is just really nicenrgizer79 is just really nicenrgizer79 is just really nicenrgizer79 is just really nice
По умолчанию

Цитата:
Сообщение от demtro Посмотреть сообщение
там схема немного съехала, исправил
Смысл городить на DC с гальванической развязкой, а потом объединять вход и выход резистором R4 ?
__________________
______________________________
OPEL ASTRA H Android CarPC на OdroidU3 - ЗАВЕРШЕН
nrgizer79 вне форума   Ответить с цитированием
Старый 02.03.2015, 10:32   #648
demtro
Старший Пользователь
 
Регистрация: 17.12.2014
Возраст: 34
Город: Самара
Регион: 63, 163
Машина: Lifan Solano
Сообщений: 184
demtro is on a distinguished road
По умолчанию

Цитата:
Сообщение от nrgizer79 Посмотреть сообщение
Смысл городить на DC с гальванической развязкой, а потом объединять вход и выход резистором R4 ?
На данный момент схема выглядит так:
Миниатюры
Нажмите на изображение для увеличения
Название: БП2.jpg
Просмотров: 760
Размер:	94.4 Кб
ID:	39014  
demtro вне форума   Ответить с цитированием
Старый 03.03.2015, 15:23   #649
nikopol70
Старший Пользователь
 
Регистрация: 01.08.2014
Возраст: 47
Регион: Украина
Сообщений: 274
nikopol70 is on a distinguished road
По умолчанию перелываю питание - прошу совета

Коллеги, достался бп с гальваникой.
Серия PSD-15
На нем нет трим ноги и он выдает 4,95 вольта.

Хочу от него запитать и планшет и переферию (хаб, адаптер кнопок на руле, изикап. Флешка на 32).

Вопросы
1. Как понизить питание до 4,3 - планшету думаю больше не надо - пробовал два параллельных диода fr207, но сильно греются.
2. Хватит ли мощьности, не будет ли высаживать в режиме простоя акб ?
nikopol70 вне форума   Ответить с цитированием
Старый 03.03.2015, 16:05   #650
anton2204
Старший Пользователь
 
Аватар для anton2204
 
Регистрация: 29.12.2009
Город: Ульяновск
Регион: 73
Машина: VW Polo Sedan. Fiat Albea погибла смертью храбрых(((
Сообщений: 753
anton2204 is a splendid one to beholdanton2204 is a splendid one to beholdanton2204 is a splendid one to beholdanton2204 is a splendid one to beholdanton2204 is a splendid one to beholdanton2204 is a splendid one to beholdanton2204 is a splendid one to behold
По умолчанию

Цитата:
Сообщение от nikopol70 Посмотреть сообщение
1. Как понизить питание до 4,3 - планшету думаю больше не надо - пробовал два параллельных диода fr207, но сильно греются.
А нафига 2 то(диод fr207 на 2А до1000В)? Они друг другу только мешают! Поставьте один мощный,ампер на 6,- и греться не будет и падение напряжения на нем будет существенное(что нам и надо)!
P.S.Сейчас помидорами закидают - типо диод не по феншую)))
Но у меня так сделано - работает уже 2 года (планшет постоянно запитан).Это косвенно ответ на 2 вопрос.
__________________
Если хочешь поработать - ляг, поспи и всё пройдёт!
Мой проект - Rover A700GQ в Fiat Albea неожиданно завершен
Второй проект - VW Polo Sedan(была Nexus7 2012 Wi-Fi(Timur) теперь сток 4.4.4+ядро от Daniel, БП на NSD15-12S5 переделан под датчик Холла, HUB D-Link DUB-H7(серый), DAC PCM2706+ES9023(ранее был на PCM2704), контроллер Юры(YAM1966)+кнопки на "морде"+ИК пульт на руль MYSTERY RC-90UN, камера ЗХ на Easier CAP(v.008,АМТ630) и RearViewCamera-1.4-test.apk
anton2204 вне форума   Ответить с цитированием
Ответ


Здесь присутствуют: 1 (пользователей: 0 , гостей: 1)
 

Ваши права в разделе
Вы не можете создавать новые темы
Вы не можете отвечать в темах
Вы не можете прикреплять вложения
Вы не можете редактировать свои сообщения

BB коды Вкл.
Смайлы Вкл.
[IMG] код Вкл.
HTML код Выкл.



Часовой пояс GMT +4, время: 19:59.


Работает на vBulletin® версия 3.8.4.
Copyright ©2000 - 2026, Jelsoft Enterprises Ltd.
Перевод: zCarot