PCCar.ru - Ваш автомобильный компьютер

Вернуться   PCCar.ru - Ваш автомобильный компьютер > MP3Car ТехИнфа > AndroidCar > Питание

Ответ
 
Опции темы Поиск в этой теме
Старый 25.07.2014, 17:22   #421
zesar2000
Пользователь
 
Регистрация: 08.06.2009
Город: MSK
Регион: 77, 97, 99, 177
Сообщений: 45
zesar2000 has a spectacular aura aboutzesar2000 has a spectacular aura aboutzesar2000 has a spectacular aura about
По умолчанию

Цитата:
Сообщение от mcf1 Посмотреть сообщение
бросив перемычку между минусовой клеммой контроллера батареи и черными проводами выхода контроллера.
Я так и делал
zesar2000 вне форума   Ответить с цитированием
Старый 25.07.2014, 23:27   #422
myen
Старший Пользователь
 
Регистрация: 08.07.2014
Регион: 24
Сообщений: 110
myen is on a distinguished road
По умолчанию

сделал простой БП на одном kis-3r33s...
ACC на управляющую ногу через конденсатор - для задержки выключения хаба и как защита от просадок...
ответа на свой вопрос не дождался, но все же сделал 10 сек. задержку включения на 555ом таймере - решил что надо включать планшет после того как заведу машину...
а выключается планшет сразу как только пропадает ACC...
но хаб еще секунд 10 под питанием...

на столе полет нормальный, в машину еще не инсталировал )
планирую подключиться к питанию магнитолы, чтоб не городить лишних предохранителей...

кстать, из киса ничего не убирал, припаял только подстроечный резистор с кондёрами и выставил 5.4В...

ЗЫЖ все же оторвал лишние элементы с киса, грелся... теперь еле теплый...

Последний раз редактировалось myen; 26.07.2014 в 23:41.
myen вне форума   Ответить с цитированием
Старый 04.08.2014, 12:34   #423
Oleg7874
Старший Пользователь
 
Аватар для Oleg7874
 
Регистрация: 04.08.2014
Возраст: 80
Город: уездный город N
Регион: 01
Машина: Qashqai
Сообщений: 271
Oleg7874 is just really niceOleg7874 is just really niceOleg7874 is just really niceOleg7874 is just really nice
По умолчанию

Добрый день.
Подскажите (помогите) человеку который далек от электроники но очень хочет сделать PCCAR на Android.

Планирую использовать планшет Asus fonepad 7 в качестве головного устройства без хаба и ОTG кабеля просто запитать мат.плату планшета от преобразователя 12в-5в (NSD15-12S5), собственно возникли вопросы:

1) могу ли я на прямую без контролера запитать мат плату планшета или нужен контролер ??
2) планирую внедрить кнопку в сеть между сетью автомобиля и NSD15-12S5 (завел машину, потом включил кнопку и пошло питание на планшет(он включается при подаче питания) вопрос- можно ли внедрить такую кнопку без последствий для планшета ?( выключение планшета планирую программно череш прогу Shotdown).
3) нужно ли еще что-то устанавливать если я не планирую спящий режим для планшета ?
Заранее всем спасибо за ответы.
P.S. в электронике не селен, по сему и задаю вопросы (может кому то покажутся глупыми)
Oleg7874 вне форума   Ответить с цитированием
Старый 13.08.2014, 20:11   #424
xDevilx
Новый Пользователь
 
Регистрация: 06.08.2014
Возраст: 43
Регион: Украина
Сообщений: 25
xDevilx is on a distinguished road
По умолчанию

Извиняюсь заранее если повтор
Блок будет на NSD. В машине питание питание отрубается полностью через 2 минуты простоя.
Пока планшет Nexus буду использовать с батареей. питание хочу взять от прикуривателя но есть нюанс, при заводе двигателя на 2 сек пропадает. питание...

Чем можно компенсировать этот пропуск ? или просто кондер параллельно впихнуть ???
xDevilx вне форума   Ответить с цитированием
Старый 14.08.2014, 01:36   #425
Rage2
Banned
 
Регистрация: 06.11.2009
Возраст: 40
Город: Nizhniy Novgorod
Регион: 52
Машина: Ford Focus III
Сообщений: 1,776
Rage2 has a brilliant futureRage2 has a brilliant futureRage2 has a brilliant futureRage2 has a brilliant futureRage2 has a brilliant futureRage2 has a brilliant futureRage2 has a brilliant futureRage2 has a brilliant futureRage2 has a brilliant futureRage2 has a brilliant futureRage2 has a brilliant future
По умолчанию

xDevilx читай мой журнал, в его начале описывается как так сделать.
Rage2 вне форума   Ответить с цитированием
Старый 14.08.2014, 10:42   #426
xDevilx
Новый Пользователь
 
Регистрация: 06.08.2014
Возраст: 43
Регион: Украина
Сообщений: 25
xDevilx is on a distinguished road
По умолчанию

Цитата:
Сообщение от Rage2 Посмотреть сообщение
xDevilx читай мой журнал, в его начале описывается как так сделать.
Твой вариант читал. Понравился - но эт если тянуть от АКБ -так буду позднее делать..
А пока для отладки да и для радар детектора(он 12в) че нит нужно придумать?
xDevilx вне форума   Ответить с цитированием
Старый 14.08.2014, 10:52   #427
Denkos
Гуру
 
Регистрация: 21.01.2010
Город: Новосибирск
Регион: 54
Сообщений: 2,580
Denkos is a glorious beacon of lightDenkos is a glorious beacon of lightDenkos is a glorious beacon of lightDenkos is a glorious beacon of lightDenkos is a glorious beacon of lightDenkos is a glorious beacon of light
По умолчанию

Цитата:
Сообщение от xDevilx Посмотреть сообщение
Твой вариант читал. Понравился - но эт если тянуть от АКБ -так буду позднее делать..
А пока для отладки да и для радар детектора(он 12в) че нит нужно придумать?
Какая отладка, делайте все сразу по уму не изобретайте велосипед. Провод протянуть пять минут. Все что временно, постоянно.
Denkos вне форума   Ответить с цитированием
Старый 14.08.2014, 11:58   #428
xDevilx
Новый Пользователь
 
Регистрация: 06.08.2014
Возраст: 43
Регион: Украина
Сообщений: 25
xDevilx is on a distinguished road
По умолчанию

Цитата:
Сообщение от Denkos Посмотреть сообщение
Какая отладка, делайте все сразу по уму не изобретайте велосипед. Провод протянуть пять минут. Все что временно, постоянно.
У меня просто стоит такая вот байда пока не продам на постоянно устанавливать нет места ...
xDevilx вне форума   Ответить с цитированием
Старый 14.08.2014, 13:51   #429
anton2204
Старший Пользователь
 
Аватар для anton2204
 
Регистрация: 29.12.2009
Город: Ульяновск
Регион: 73
Машина: VW Polo Sedan. Fiat Albea погибла смертью храбрых(((
Сообщений: 753
anton2204 is a splendid one to beholdanton2204 is a splendid one to beholdanton2204 is a splendid one to beholdanton2204 is a splendid one to beholdanton2204 is a splendid one to beholdanton2204 is a splendid one to beholdanton2204 is a splendid one to behold
По умолчанию

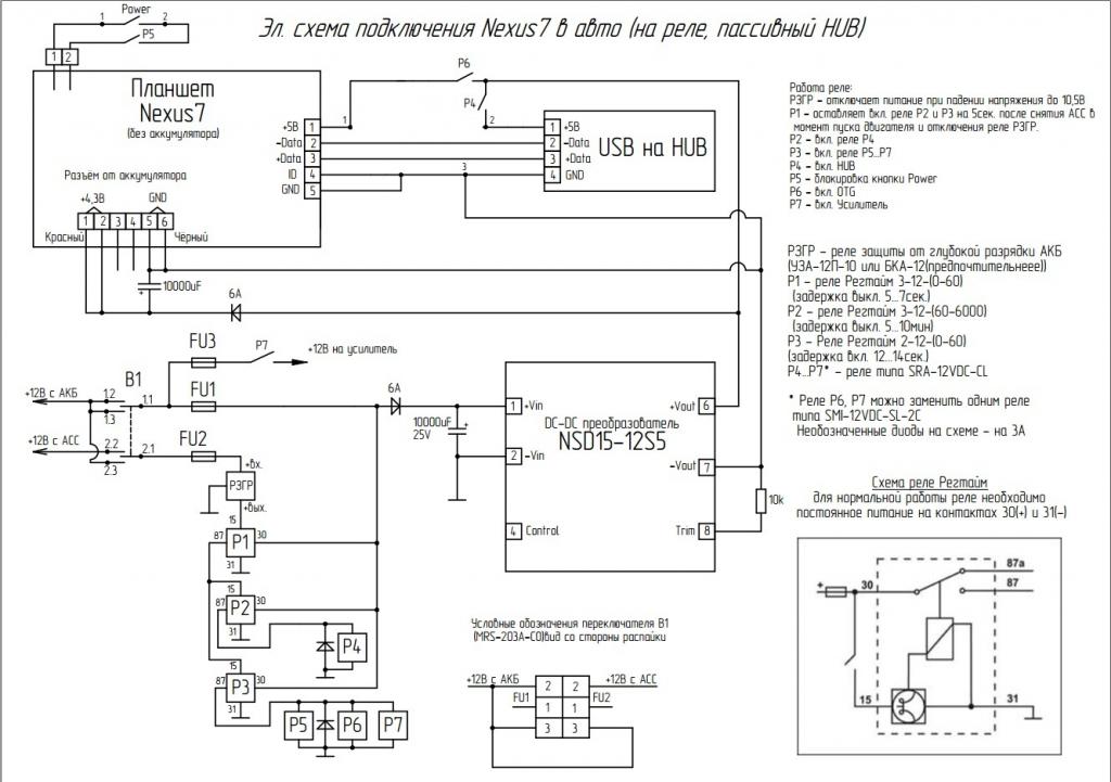
Собрал свой БП на реле(многие здесь его уже сравнили с дреевней телефонной станцией) по схеме ниже. Что могу сказать - пока стоит в авто на прогоне, с ним проблем нет. При быстром переключении переключателя В1 из положения1(управление по АСС) в положение3(постоянное питание) планшет не перегружается, хаб не отваливается( хватает ёмкости конденсаторов). Основные проблемы с программной частью планшета. Не очень нравится звук на Nexus7 - заказал внешнюю звуковуху. Хаб самый обычный, 4-х портовый, без доп.питания(GINZZU GR-424UB). Воткнуты в него:
1. Usb управление усилком (огромное спасибо Daniel!)
2. Контроллер кнопок управления (огромное спасибо YAM1966!)
3. USB DAC MUSE X5 mini
4. Смартфон(при подключении зарядки автоматом вкл. раздача по Wi-Fi)
Всё это "тянет" один DC/DC преобразователь.
P.S. Схема крайняя!
Миниатюры
Нажмите на изображение для увеличения
Название: Вариант3ж(крайний!).jpg
Просмотров: 1683
Размер:	96.8 Кб
ID:	36794  
__________________
Если хочешь поработать - ляг, поспи и всё пройдёт!
Мой проект - Rover A700GQ в Fiat Albea неожиданно завершен
Второй проект - VW Polo Sedan(была Nexus7 2012 Wi-Fi(Timur) теперь сток 4.4.4+ядро от Daniel, БП на NSD15-12S5 переделан под датчик Холла, HUB D-Link DUB-H7(серый), DAC PCM2706+ES9023(ранее был на PCM2704), контроллер Юры(YAM1966)+кнопки на "морде"+ИК пульт на руль MYSTERY RC-90UN, камера ЗХ на Easier CAP(v.008,АМТ630) и RearViewCamera-1.4-test.apk

Последний раз редактировалось anton2204; 05.12.2014 в 17:23.
anton2204 вне форума   Ответить с цитированием
Старый 14.08.2014, 19:57   #430
Denkos
Гуру
 
Регистрация: 21.01.2010
Город: Новосибирск
Регион: 54
Сообщений: 2,580
Denkos is a glorious beacon of lightDenkos is a glorious beacon of lightDenkos is a glorious beacon of lightDenkos is a glorious beacon of lightDenkos is a glorious beacon of lightDenkos is a glorious beacon of light
По умолчанию

Цитата:
Сообщение от anton2204 Посмотреть сообщение
Собрал свой БП на реле(многие здесь его уже сравнили с дреевней телефонной станцией)
МОНСТР 8реле
Denkos вне форума   Ответить с цитированием
Ответ


Здесь присутствуют: 1 (пользователей: 0 , гостей: 1)
 

Ваши права в разделе
Вы не можете создавать новые темы
Вы не можете отвечать в темах
Вы не можете прикреплять вложения
Вы не можете редактировать свои сообщения

BB коды Вкл.
Смайлы Вкл.
[IMG] код Вкл.
HTML код Выкл.



Часовой пояс GMT +4, время: 14:08.


Работает на vBulletin® версия 3.8.4.
Copyright ©2000 - 2026, Jelsoft Enterprises Ltd.
Перевод: zCarot