PCCar.ru - Ваш автомобильный компьютер

Вернуться   PCCar.ru - Ваш автомобильный компьютер > Всё Остальное > Проекты > Рабочий журнал

Ответ
 
Опции темы Поиск в этой теме
Старый 30.10.2013, 08:08   #71
plohish
Старший Пользователь
 
Аватар для plohish
 
Регистрация: 09.09.2012
Возраст: 43
Город: Миасс
Регион: 74
Машина: Приора хэтч
Сообщений: 98
plohish is on a distinguished road
По умолчанию

подскажите для чего нога Trim на NSD
__________________
DNS AIRTAB E73,Usb-Audio SABRE, USB-Wifi Edup EP-N8508, Bluetooth NoName,Bluetooth ELM327, 3G Huawei, GPS Locosys LS-23090
Приора
plohish вне форума   Ответить с цитированием
Старый 30.10.2013, 10:14   #72
lexxweber
Пользователь
 
Регистрация: 21.02.2012
Возраст: 38
Город: Тверь
Регион: 69
Машина: Dodge Caliber
Сообщений: 69
lexxweber is on a distinguished road
По умолчанию

Спасибо ОГРОМНОЕ!!!!
lexxweber вне форума   Ответить с цитированием
Старый 30.10.2013, 18:15   #73
Rage2
Banned
 
Регистрация: 06.11.2009
Возраст: 40
Город: Nizhniy Novgorod
Регион: 52
Машина: Ford Focus III
Сообщений: 1,776
Rage2 has a brilliant futureRage2 has a brilliant futureRage2 has a brilliant futureRage2 has a brilliant futureRage2 has a brilliant futureRage2 has a brilliant futureRage2 has a brilliant futureRage2 has a brilliant futureRage2 has a brilliant futureRage2 has a brilliant futureRage2 has a brilliant future
По умолчанию

plohish, обновил пост, перезалил схему и ответил на твой вопрос.
Rage2 вне форума   Ответить с цитированием
Старый 30.10.2013, 18:53   #74
kristal0211
Старший Пользователь
 
Регистрация: 14.02.2013
Возраст: 39
Город: Сургут
Регион: 86
Машина: Chevrolet Sonic
Сообщений: 338
kristal0211 is on a distinguished road
По умолчанию

Спасибо огромное за схему. Насколько она сильно меняется если её применить к Нексусу? Там ведь нет порта зарядки.
kristal0211 вне форума   Ответить с цитированием
Старый 30.10.2013, 20:24   #75
DmitrySmol
Старший Пользователь
 
Аватар для DmitrySmol
 
Регистрация: 20.04.2011
Возраст: 48
Город: Минск
Регион: Беларусь
Машина: Subaru Forester '09
Сообщений: 646
DmitrySmol is a glorious beacon of lightDmitrySmol is a glorious beacon of lightDmitrySmol is a glorious beacon of lightDmitrySmol is a glorious beacon of lightDmitrySmol is a glorious beacon of light
По умолчанию

А вот это я думаю скоро и узнаем.. в полку уксусоводов прибыло.

P.S. аж целых два (я тоже).
__________________
Мой проект:
SUBARU Forester '09
DmitrySmol вне форума   Ответить с цитированием
Старый 30.10.2013, 20:27   #76
Rage2
Banned
 
Регистрация: 06.11.2009
Возраст: 40
Город: Nizhniy Novgorod
Регион: 52
Машина: Ford Focus III
Сообщений: 1,776
Rage2 has a brilliant futureRage2 has a brilliant futureRage2 has a brilliant futureRage2 has a brilliant futureRage2 has a brilliant futureRage2 has a brilliant futureRage2 has a brilliant futureRage2 has a brilliant futureRage2 has a brilliant futureRage2 has a brilliant futureRage2 has a brilliant future
По умолчанию

Цитата:
Сообщение от kristal0211 Посмотреть сообщение
Там ведь нет порта зарядки.
А на гнездо юсб вы напряжение не подаете? По сути это тоже гнездо.
Это напряжение появляется когда есть АСС. Тем самым на это(на появление\отсутствие "типа зарядки" ) реагирует планшет.
Вот а дальше уже рулится таскером.
Цитата:
Сообщение от kristal0211 Посмотреть сообщение
Насколько она сильно меняется если её применить к Нексусу?
Особо не меняется, только на сколько мне известно, на плату нужно подавать чуть меньше напряжение чем на юсб. Т.е должна быть разница.
Например на плату подаем 4.5в а на юсб 5в.

Для этого в схему нужно добавить диод,(между платой планшета и выходом БП +5в) чтобы он понизил напряжение.
Падение напряжения мерить нужно под нагрузкой.
Rage2 вне форума   Ответить с цитированием
Старый 31.10.2013, 13:54   #77
whitefoot
Новый Пользователь
 
Регистрация: 30.11.2010
Регион: 66, 96
Сообщений: 4
whitefoot is on a distinguished road
По умолчанию

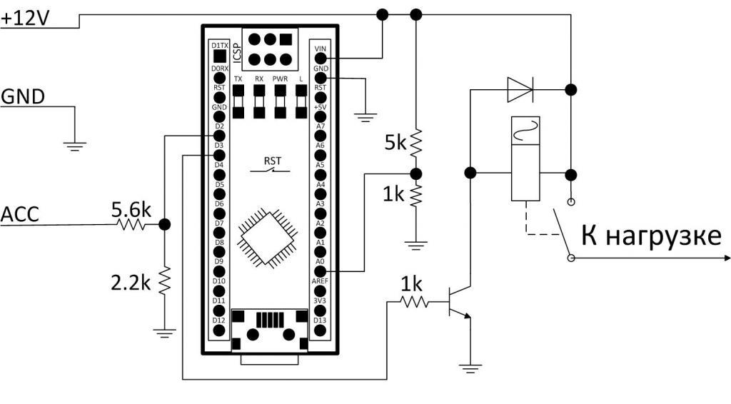
Перечитал всю тему, Rage2 респект - все качественно и красиво сделано, сам в раздумьях с переходом с полноценного компа на андройд в машине, главным образом из-за повышенного энергопотребления первым


Цитата:
Сообщение от Rage2 Посмотреть сообщение
Угощайтесь
Вложение 33365
Как мне кажется в данном случае разумней и "на вырост" будет использовать связку МК(например ардуино) + реле и программно зашивать в МК любые алгоритмы, будь то задержка включения по времени, проверка на падение напряжения и т.д. (в качестве примера тот же Remote от усилителей питать или обогрев планшета включать в студеную зимнюю пору )
Нарисовал схему, прикладываю:

Нажмите на изображение для увеличения
Название: Управление БП.jpg
Просмотров: 2181
Размер:	52.2 Кб
ID:	33386
whitefoot вне форума   Ответить с цитированием
Старый 31.10.2013, 14:35   #78
whitefoot
Новый Пользователь
 
Регистрация: 30.11.2010
Регион: 66, 96
Сообщений: 4
whitefoot is on a distinguished road
По умолчанию

Ну или второй вариант использовать полевик

Нажмите на изображение для увеличения
Название: Управление БП2.jpg
Просмотров: 2237
Размер:	51.8 Кб
ID:	33387
whitefoot вне форума   Ответить с цитированием
Старый 31.10.2013, 17:02   #79
Rage2
Banned
 
Регистрация: 06.11.2009
Возраст: 40
Город: Nizhniy Novgorod
Регион: 52
Машина: Ford Focus III
Сообщений: 1,776
Rage2 has a brilliant futureRage2 has a brilliant futureRage2 has a brilliant futureRage2 has a brilliant futureRage2 has a brilliant futureRage2 has a brilliant futureRage2 has a brilliant futureRage2 has a brilliant futureRage2 has a brilliant futureRage2 has a brilliant futureRage2 has a brilliant future
По умолчанию

whitefoot, спасиб! =)
Использовать МК конечно круто, и я уже приступил к реализации нового БП.
Только вот с Ардуино будет слишком жирно для такой задачи.
Rage2 вне форума   Ответить с цитированием
Старый 10.11.2013, 11:25   #80
qwerty27
Новый Пользователь
 
Регистрация: 31.05.2013
Возраст: 36
Регион: 01
Машина: Приора
Сообщений: 3
qwerty27 is on a distinguished road
По умолчанию

Rage2, Огромное спасибо за поддержку и развитие тем android pc, сам планирую себе в авто затолкнуть A70hd, и подчеркиваю из ваших тем сообщений много полезного

Цитата:
Сообщение от Rage2 Посмотреть сообщение
whitefoot, спасиб! =)
Использовать МК конечно круто, и я уже приступил к реализации нового БП.
Только вот с Ардуино будет слишком жирно для такой задачи.
Насчет Дуин, не все так плохо, и даже сказал бы намного лучше брать имеено дуины, особенно учитывая цены на них

Arduino mini
сам лично заказывал 2 лота (в каждом лоте - 2 штуки)
в итоге 4 бакса за 1 штуку
если брать лот из 5 штук то цена упадет до 3.31 за штуку

проверил все 4 - работаю как часы ( вот ток почемуто пришли не 5 вольтовые а 3.3 вольтовые), но в остальном все гууд =)))

P\S
так как на борту нет usb то нужен переходник usb-ttl
Брал с бика, работает гууд, вот ток у платы нет выхода на авторезет (т.е для прошивки над будет ручками нажать резет на плате дуины)
qwerty27 вне форума   Ответить с цитированием
Ответ

Метки
android, corolla, toyota, андройд планшет


Здесь присутствуют: 10 (пользователей: 0 , гостей: 10)
 

Ваши права в разделе
Вы не можете создавать новые темы
Вы не можете отвечать в темах
Вы не можете прикреплять вложения
Вы не можете редактировать свои сообщения

BB коды Вкл.
Смайлы Вкл.
[IMG] код Вкл.
HTML код Выкл.



Часовой пояс GMT +4, время: 02:52.


Работает на vBulletin® версия 3.8.4.
Copyright ©2000 - 2026, Jelsoft Enterprises Ltd.
Перевод: zCarot