PCCar.ru - Ваш автомобильный компьютер

Вернуться   PCCar.ru - Ваш автомобильный компьютер > MP3Car ТехИнфа > AndroidCar > Питание

Ответ
 
Опции темы Поиск в этой теме
Старый 19.10.2013, 20:23   #161
anton2204
Старший Пользователь
 
Аватар для anton2204
 
Регистрация: 29.12.2009
Город: Ульяновск
Регион: 73
Машина: VW Polo Sedan. Fiat Albea погибла смертью храбрых(((
Сообщений: 753
anton2204 is a splendid one to beholdanton2204 is a splendid one to beholdanton2204 is a splendid one to beholdanton2204 is a splendid one to beholdanton2204 is a splendid one to beholdanton2204 is a splendid one to beholdanton2204 is a splendid one to behold
По умолчанию

Цитата:
Сообщение от YAM1966 Посмотреть сообщение
А кто мешает build.prop редактором исправить имячко на Nexus и пользоваться всеми благами гугла?
А причем тут имя то? Суть то не поменяется!))))
Есть у Huawei MediaPad неприятная невылеченная разработчиками болячка - при пропадании сети он впадает в истерику и ребутится. Но есть и плюсы по сравнению с Nexusом: Al качественный корпус, отдельный разъём под зарядку, слот под карту памяти, про стекло я уже говорил - там оно не клеится на матрицу и меняется отдельно за символическую цену. Да и покрепче чисто механически - сколько раз уж летал, Nexus бы давным давно треснул весь.
Основной перевес Nexusа - официальная поддержка Google!(ИМХО)
Короче, оставить я его хочу дома, нравится он мне - но об этом давайте или в личке или в отдельной теме.
__________________
Если хочешь поработать - ляг, поспи и всё пройдёт!
Мой проект - Rover A700GQ в Fiat Albea неожиданно завершен
Второй проект - VW Polo Sedan(была Nexus7 2012 Wi-Fi(Timur) теперь сток 4.4.4+ядро от Daniel, БП на NSD15-12S5 переделан под датчик Холла, HUB D-Link DUB-H7(серый), DAC PCM2706+ES9023(ранее был на PCM2704), контроллер Юры(YAM1966)+кнопки на "морде"+ИК пульт на руль MYSTERY RC-90UN, камера ЗХ на Easier CAP(v.008,АМТ630) и RearViewCamera-1.4-test.apk
anton2204 вне форума   Ответить с цитированием
Старый 19.10.2013, 20:23   #162
murzilka
Пользователь
 
Регистрация: 07.04.2013
Город: Тверь
Регион: 69
Сообщений: 35
murzilka is on a distinguished road
По умолчанию

я все таки воткнул пока временно диод на 3A, маркировку не знаю В итоге на батарее под нагрузкой с 5,6 вольт показывает 4,6. С одного DC-DC сделал развязку на батарею (постоянно) и на зарядку планшета (активируется по ACC через реле). На планшете патч автовключения и просыпания при подключении зарядки. Все работает отлично.
murzilka вне форума   Ответить с цитированием
Старый 19.10.2013, 20:43   #163
anton2204
Старший Пользователь
 
Аватар для anton2204
 
Регистрация: 29.12.2009
Город: Ульяновск
Регион: 73
Машина: VW Polo Sedan. Fiat Albea погибла смертью храбрых(((
Сообщений: 753
anton2204 is a splendid one to beholdanton2204 is a splendid one to beholdanton2204 is a splendid one to beholdanton2204 is a splendid one to beholdanton2204 is a splendid one to beholdanton2204 is a splendid one to beholdanton2204 is a splendid one to behold
По умолчанию

Схемку то нарисуй, что на пальцах обьяснять!
__________________
Если хочешь поработать - ляг, поспи и всё пройдёт!
Мой проект - Rover A700GQ в Fiat Albea неожиданно завершен
Второй проект - VW Polo Sedan(была Nexus7 2012 Wi-Fi(Timur) теперь сток 4.4.4+ядро от Daniel, БП на NSD15-12S5 переделан под датчик Холла, HUB D-Link DUB-H7(серый), DAC PCM2706+ES9023(ранее был на PCM2704), контроллер Юры(YAM1966)+кнопки на "морде"+ИК пульт на руль MYSTERY RC-90UN, камера ЗХ на Easier CAP(v.008,АМТ630) и RearViewCamera-1.4-test.apk
anton2204 вне форума   Ответить с цитированием
Старый 19.10.2013, 22:33   #164
laytya
Старший Пользователь
 
Регистрация: 30.07.2011
Город: Новосибирск
Регион: 54
Машина: Honda Civic Ferio
Сообщений: 361
laytya is a glorious beacon of lightlaytya is a glorious beacon of lightlaytya is a glorious beacon of lightlaytya is a glorious beacon of lightlaytya is a glorious beacon of lightlaytya is a glorious beacon of light
По умолчанию

понижение делают те у кого отг не стартует, там я так понял какая-то засада в тимуровской прошивке, он подключение отг ловит типа подзарядка если подключилась. А если нет перепада в напруге между разъемом батареи и отг, то не все контроллеры видать чухают это. У меня не заработало. токо после поднятия напруги на отг на полвольта стало работать. но на разъеме батареи 5в щас. Кстати не знаю отчего иногда после прихода в машину н7 вырублен полностью.... не могу понять причину. и не врубишь его пока он там батарейку не покрутит какое-то время... мож замерзает?

Последний раз редактировалось laytya; 20.10.2013 в 12:13.
laytya вне форума   Ответить с цитированием
Старый 20.10.2013, 03:18   #165
murzilka
Пользователь
 
Регистрация: 07.04.2013
Город: Тверь
Регион: 69
Сообщений: 35
murzilka is on a distinguished road
По умолчанию

У меня тож вырубался, видно действительно батарея мерзнет и все.... Вырезал ее нахрен и напрямую подключил до контроллера. теперь как часики)))
murzilka вне форума   Ответить с цитированием
Старый 20.10.2013, 12:11   #166
laytya
Старший Пользователь
 
Регистрация: 30.07.2011
Город: Новосибирск
Регион: 54
Машина: Honda Civic Ferio
Сообщений: 361
laytya is a glorious beacon of lightlaytya is a glorious beacon of lightlaytya is a glorious beacon of lightlaytya is a glorious beacon of lightlaytya is a glorious beacon of lightlaytya is a glorious beacon of light
По умолчанию

У меня нет батареи и контролера батареи тоже. 5в напрямую на плату заведены.
laytya вне форума   Ответить с цитированием
Старый 21.10.2013, 12:17   #167
anjey
Пользователь
 
Регистрация: 23.07.2013
Город: Казань
Регион: 16, 116
Машина: Lancer IX
Сообщений: 85
anjey is on a distinguished road
По умолчанию

Цитата:
Сообщение от anton2204 Посмотреть сообщение
Ну а почему диоды то параллельно на питание планшета? Не, ну я бы понял если бы последовательно, но так...
А что такое "разветвитель USB"? Хаб и есть разветвитель!
И Хаб всегда подпитан...Защиты от глубокого разряда нет...
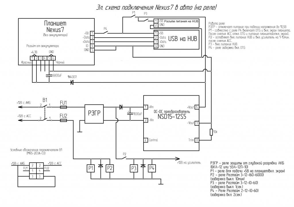
Автор схемы Maxim Droy, я только повторил. Диоды 1N4007.
Был такой БП(..овно) от него использовался выходной провод с двумя USB Female, этот провод обозначен, как "разветвитель USB". Планшет просыпается и HUB включается только при подаче ACC, кондёр перед реле не даёт выключится хабу при заводке авто. Всё работает.
anjey вне форума   Ответить с цитированием
Старый 23.10.2013, 15:55   #168
anton2204
Старший Пользователь
 
Аватар для anton2204
 
Регистрация: 29.12.2009
Город: Ульяновск
Регион: 73
Машина: VW Polo Sedan. Fiat Albea погибла смертью храбрых(((
Сообщений: 753
anton2204 is a splendid one to beholdanton2204 is a splendid one to beholdanton2204 is a splendid one to beholdanton2204 is a splendid one to beholdanton2204 is a splendid one to beholdanton2204 is a splendid one to beholdanton2204 is a splendid one to behold
По умолчанию

Ну что, по хабу так никто и не прояснит? Надо рвать питание между планшетом и активным хабом, подавая питание напрямую в разъём питания хаба или не рвать? Темы прошерстил - схем полно, конкретики 0.
__________________
Если хочешь поработать - ляг, поспи и всё пройдёт!
Мой проект - Rover A700GQ в Fiat Albea неожиданно завершен
Второй проект - VW Polo Sedan(была Nexus7 2012 Wi-Fi(Timur) теперь сток 4.4.4+ядро от Daniel, БП на NSD15-12S5 переделан под датчик Холла, HUB D-Link DUB-H7(серый), DAC PCM2706+ES9023(ранее был на PCM2704), контроллер Юры(YAM1966)+кнопки на "морде"+ИК пульт на руль MYSTERY RC-90UN, камера ЗХ на Easier CAP(v.008,АМТ630) и RearViewCamera-1.4-test.apk
anton2204 вне форума   Ответить с цитированием
Старый 23.10.2013, 16:00   #169
Denkos
Гуру
 
Регистрация: 21.01.2010
Город: Новосибирск
Регион: 54
Сообщений: 2,580
Denkos is a glorious beacon of lightDenkos is a glorious beacon of lightDenkos is a glorious beacon of lightDenkos is a glorious beacon of lightDenkos is a glorious beacon of lightDenkos is a glorious beacon of light
По умолчанию

Цитата:
Сообщение от anton2204 Посмотреть сообщение
Ну что, по хабу так никто и не прояснит? Надо рвать питание между планшетом и активным хабом, подавая питание напрямую в разъём питания хаба или не рвать? Темы прошерстил - схем полно, конкретики 0.
Ну а как еще, конечно рвать. При включении ACC включается сначало Хаб, затем замыкается +5 хаб-планшет и просыпается планшет. Выключение в обратном порядке. При такой схеме ни когда ни чего подключенное а Хаб не отвалиться.
Если Хаб D-Link(других не имею), то провод "рвать" не надо, просто замыкаете-размыкаете диод в Хабе.

Последний раз редактировалось Denkos; 19.02.2014 в 21:09.
Denkos вне форума   Ответить с цитированием
Старый 23.10.2013, 17:35   #170
anton2204
Старший Пользователь
 
Аватар для anton2204
 
Регистрация: 29.12.2009
Город: Ульяновск
Регион: 73
Машина: VW Polo Sedan. Fiat Albea погибла смертью храбрых(((
Сообщений: 753
anton2204 is a splendid one to beholdanton2204 is a splendid one to beholdanton2204 is a splendid one to beholdanton2204 is a splendid one to beholdanton2204 is a splendid one to beholdanton2204 is a splendid one to beholdanton2204 is a splendid one to behold
По умолчанию

Цитата:
Сообщение от Denkos Посмотреть сообщение
Ну а как еще, конечно рвать.
По схеме от amurchick - как я понял питание не рвет!
Ну вот так ещё можно. Нарисовались в данном случае 2 схемы.Но это как раз при условии, о котором Вы говорили выше - наличие развязки по питанию на входе USB и разъёме питания у активного хаба!
Какая из них получается правильнее?
P.S. Схема не верна - уточняется в последующих постах
Миниатюры
Нажмите на изображение для увеличения
Название: Вариант1.jpg
Просмотров: 830
Размер:	80.1 Кб
ID:	33280   Нажмите на изображение для увеличения
Название: Вариант2.jpg
Просмотров: 1116
Размер:	80.6 Кб
ID:	33281  
__________________
Если хочешь поработать - ляг, поспи и всё пройдёт!
Мой проект - Rover A700GQ в Fiat Albea неожиданно завершен
Второй проект - VW Polo Sedan(была Nexus7 2012 Wi-Fi(Timur) теперь сток 4.4.4+ядро от Daniel, БП на NSD15-12S5 переделан под датчик Холла, HUB D-Link DUB-H7(серый), DAC PCM2706+ES9023(ранее был на PCM2704), контроллер Юры(YAM1966)+кнопки на "морде"+ИК пульт на руль MYSTERY RC-90UN, камера ЗХ на Easier CAP(v.008,АМТ630) и RearViewCamera-1.4-test.apk

Последний раз редактировалось anton2204; 06.12.2013 в 15:29.
anton2204 вне форума   Ответить с цитированием
Ответ


Здесь присутствуют: 1 (пользователей: 0 , гостей: 1)
 

Ваши права в разделе
Вы не можете создавать новые темы
Вы не можете отвечать в темах
Вы не можете прикреплять вложения
Вы не можете редактировать свои сообщения

BB коды Вкл.
Смайлы Вкл.
[IMG] код Вкл.
HTML код Выкл.



Часовой пояс GMT +4, время: 10:01.


Работает на vBulletin® версия 3.8.4.
Copyright ©2000 - 2026, Jelsoft Enterprises Ltd.
Перевод: zCarot