PCCar.ru - Ваш автомобильный компьютер

Вернуться   PCCar.ru - Ваш автомобильный компьютер > MP3Car ТехИнфа > Навигация

Ответ
 
Опции темы Поиск в этой теме
Старый 07.08.2011, 18:39   #51
gt-280
Пользователь
 
Регистрация: 11.02.2008
Город: челябинск
Регион: 74
Машина: x-trail GT
Сообщений: 29
gt-280 is on a distinguished road
По умолчанию

потом увидел его на сайте производителя микросхемы в разделе специализированные драйвера. далее для сигналов GPS
gt-280 вне форума   Ответить с цитированием
Старый 08.08.2011, 20:34   #52
Bams5
Новый Пользователь
 
Регистрация: 28.09.2009
Возраст: 50
Регион: 38
Машина: Toyota Corona ST190
Сообщений: 26
Bams5 is on a distinguished road
По умолчанию

http://www.cuterf.com/node/17
http://www.laptopgpsworld.com/2721-p...rs-windows-7-a
Bams5 вне форума   Ответить с цитированием
Старый 10.08.2011, 22:05   #53
Halin
Старший Пользователь
 
Аватар для Halin
 
Регистрация: 26.07.2007
Город: Львов
Регион: Украина
Машина: 2006 Мазда3 FL
Сообщений: 113
Halin is on a distinguished road
По умолчанию

Цитата:
Сообщение от Halin Посмотреть сообщение
Все-таки /no....mouse не помогло. Вчера опять заглючило.
Теперь сделал как написано вверху по ссылке.
Будем посмотреть дальше.

Как я уже писал выше - удалось поймать трекбол мыш и тут-же отключить её.
Правда, сделать это удалось не с первого раза, но все таки получилось.
Пошло уже больше месяца - глюк больше не повторялся.
Время от времени заглядываю в Диспетчер устройств - иногда вижу, что в мышах появляется перечеркнутый трекбол мышь....

Virtual, можно гыкать.
__________________
Мой проект: Мазда3 PCCar
Halin вне форума   Ответить с цитированием
Старый 21.09.2011, 10:55   #54
raf73
Старший Пользователь
 
Аватар для raf73
 
Регистрация: 27.01.2010
Возраст: 41
Регион: 50, 90, 150
Сообщений: 106
raf73 is on a distinguished road
По умолчанию

А я вот чет отключал и трек болл и мышь , но комп переодически из гибернейта не выходит и так потом долго грузится что мышь с ума сходить начинает... Хпорт стоит но похоже слишком поздно подгружается...
__________________
Mazda 6 МОПС
raf73 вне форума   Ответить с цитированием
Старый 28.09.2011, 13:45   #55
Alex-L
Moderator
 
Аватар для Alex-L
 
Регистрация: 23.03.2008
Возраст: 55
Город: Москва, Нагорная
Регион: 77, 97, 99, 177
Машина: Mitsubishi Lancer-X
Сообщений: 2,096
Alex-L is a splendid one to beholdAlex-L is a splendid one to beholdAlex-L is a splendid one to beholdAlex-L is a splendid one to beholdAlex-L is a splendid one to beholdAlex-L is a splendid one to beholdAlex-L is a splendid one to behold
По умолчанию

Подключил к RTS порта ключик с релюшкой. Релюшка должна коммутировать RX/TX. На первый взгляд все красиво: запускаем iGO - релюшка срабатывает. Но дальше начинается интересное:
Через некоторое время (примерно секунд через 30) периодически (примерно раз в 5-7 секунд) напряжение на RTS падает до -10.26в, соответственно релюшка выключается; через секунд 1-3 снова включается. Чем дольше длится весь этот процесс - тем более увеличивается время, в течение которого релюшка находится в выключенном состоянии.
То же самое происходит с выходом DTR.
То же самое происходит с перемычками RTS<>CTS ; DTR<>DSR
Гыыы...
Alex-L вне форума   Ответить с цитированием
Старый 28.09.2011, 17:59   #56
Virtual
Гуру
 
Регистрация: 07.11.2009
Возраст: 51
Регион: 02
Машина: Hyundai Accent :)
Сообщений: 1,361
Virtual has a spectacular aura aboutVirtual has a spectacular aura about
По умолчанию


гыыы., как и для чего DTR RTS озвучил выше.... по правилам это должнобыть прога: "уй не успеваю я кушать данные"

Цитата:
Релюшка должна коммутировать RX/TX
учти что сигналы уровневые, на высокоомную нагрузку!., оставляя RX устройства в воздухе = глюки от магнитных бурь на марсе .
ЗЫ RX в отключеном состоянии на GND садить нуно.
__________________
Accent + Mystery MMT-8120S+ежик700_2Gssd_798МГц проц
Virtual вне форума   Ответить с цитированием
Старый 01.12.2011, 18:16   #57
Alex-L
Moderator
 
Аватар для Alex-L
 
Регистрация: 23.03.2008
Возраст: 55
Город: Москва, Нагорная
Регион: 77, 97, 99, 177
Машина: Mitsubishi Lancer-X
Сообщений: 2,096
Alex-L is a splendid one to beholdAlex-L is a splendid one to beholdAlex-L is a splendid one to beholdAlex-L is a splendid one to beholdAlex-L is a splendid one to beholdAlex-L is a splendid one to beholdAlex-L is a splendid one to behold
По умолчанию

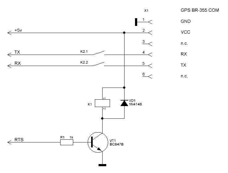
Собрался таки я с силами и доделал эту включалку жипиэса.
Питание на приемник подается постоянно, а линии RX, TX подключаются при запуске программы использующей GPS (проверено с iGO, CityGuide и GPSViewer). При подключенном приемнике работает стабильно - ничего не отваливается.
Релюшка TRQ2-5VDC пятивольтовая, розетка для GPS - MDN-6FR
В архиве чепятка в спринт-лайоте 5 и схема в с-план 6
Миниатюры
Нажмите на изображение для увеличения
Название: DSCN2439.jpg
Просмотров: 1458
Размер:	46.1 Кб
ID:	24575   Нажмите на изображение для увеличения
Название: DSCN2443.jpg
Просмотров: 1418
Размер:	61.9 Кб
ID:	24576   Нажмите на изображение для увеличения
Название: Схема.jpg
Просмотров: 1156
Размер:	27.8 Кб
ID:	24577  
Вложения
Тип файла: zip GPS-COM.ZIP (6.6 Кб, 947 просмотров)
Alex-L вне форума   Ответить с цитированием
Старый 25.02.2012, 21:13   #58
sk00w
Новый Пользователь
 
Регистрация: 25.02.2012
Возраст: 36
Регион: 43
Сообщений: 1
sk00w is on a distinguished road
По умолчанию

Наверно у многих такая проблема еще осталась.
Я нашел простое решение (народ уже предлагал её )
Я просто добавлю скрин.
1) открываем Device Manager
2) Находим устройства мыши
3) Подключаем свою гпс антенну в USB
4) и быстро выключаем (Disable) появившийся "Microsoft Serial Ballpoint" пока курсор опять не навел шухера на рабочем столе.
и все... мне помогло,и после следующей загрузки не каких проблем не возникало.

sk00w вне форума   Ответить с цитированием
Старый 28.02.2012, 18:54   #59
DemonD
Старший Пользователь
 
Аватар для DemonD
 
Регистрация: 22.04.2010
Возраст: 46
Город: СПб
Регион: 78, 98
Машина: Галант USA, 2,4л
Сообщений: 669
DemonD will become famous soon enough
По умолчанию

у меня проблема крылась в драйверах - на более старой версии драйверов мышь не ведет себя как сумасшедшая. Именно после апдейта драйверов появилась проблема (и на рабочем компе, кстат, тоже - тут нет навигации и ветвилки портов) , переустановка гпс-гейтов и х-портов никак не влияло. Убил дрова, поставил старые - все ОК.
DemonD вне форума   Ответить с цитированием
Старый 11.04.2012, 13:04   #60
Spektator
Новый Пользователь
 
Регистрация: 11.04.2012
Регион: Латвия
Сообщений: 1
Spektator is on a distinguished road
По умолчанию

Цитата:
Сообщение от sk00w Посмотреть сообщение
Наверно у многих такая проблема еще осталась.
Я нашел простое решение (народ уже предлагал её )
Я просто добавлю скрин.
1) открываем Device Manager
2) Находим устройства мыши
3) Подключаем свою гпс антенну в USB
4) и быстро выключаем (Disable) появившийся "Microsoft Serial Ballpoint" пока курсор опять не навел шухера на рабочем столе.
и все... мне помогло,и после следующей загрузки не каких проблем не возникало.

Добавлю, что столкнулся с такой проблемой примерно полтора года назад и именно так её и решил. Но для пущей уверенности проделал эту операцию на всех портах куда подключал GPS (что бы в попыхах можно было втыкаться в любой порт). Теперь всё работает как часы.
Spektator вне форума   Ответить с цитированием
Ответ


Здесь присутствуют: 1 (пользователей: 0 , гостей: 1)
 

Ваши права в разделе
Вы не можете создавать новые темы
Вы не можете отвечать в темах
Вы не можете прикреплять вложения
Вы не можете редактировать свои сообщения

BB коды Вкл.
Смайлы Вкл.
[IMG] код Вкл.
HTML код Выкл.



Часовой пояс GMT +4, время: 05:43.


Работает на vBulletin® версия 3.8.4.
Copyright ©2000 - 2026, Jelsoft Enterprises Ltd.
Перевод: zCarot