PCCar.ru - Ваш автомобильный компьютер

Вернуться   PCCar.ru - Ваш автомобильный компьютер > MP3Car ТехИнфа > Блоки питания > Питание периферии

Ответ
 
Опции темы Поиск в этой теме
Старый 26.08.2016, 14:56   #1
alucard91
Новый Пользователь
 
Регистрация: 07.01.2015
Возраст: 34
Город: Одесса
Регион: Украина
Машина: Chevy CRUZE
Сообщений: 23
alucard91 is on a distinguished road
По умолчанию Проблема с KIS3R33S USB и не только

Попробовал найти ответ в сторонней теме, но пришел к выводу, что вопрос обширней чем я думал и достоин отдельного топика.

Имеется в наличии БП
KIS3R33S
На выходе получаю с него не больше 500мА - ни планшет, ни телефон не успевают заряжаться - уровень батареи все равно падает.
Попробовал более мощный
XL4015-5A
Выход настроил даже на 5.5В - все равно ток заряда менее 500мА. Девайсы даже не распознают в нем зарядное устройство, а лишь USB.

Первый БП - 2А, да и вообще известен всем, второй - целых 5А... Но картина везде одинакова.

Что интересно - автомобильное ЗУ от ASUS, вставленое в прикуриватель (цепь та же, что и в описаных БП), прекрасно выдает 2А.
Разобрал его для интереса и увидел, что помимо 5В+ и GND там есть третий провод на выход - VSET.

В тех БП что я использую проводов на выход всего два. Что в таком случае делать? Чего не хватает в цепи чтобы получить нормальный выходной ток?

Ответы на многие вопросы нашел в этой статье, где собственно и понял что вопрос куда сложнее, чем я думал:
http://rones.su/techno/charging_ports_types.html

  • Стало понятно, что по двум линиям USB, которые дает на выход обыкновенный 12-5V преобразователь (Vbus и GND) устройство определяет тип подключения как USB и вводит ограничение по току в 500мА.
  • Так же понятно, что для активации режима ЗУ в зарядных устройствах линии D+\D- закорочены и иногда по хитрым схемам через резисторы.

Поправьте меня, если я не прав, но разве KIS3R33USB не несет в себе распайку на USB порту для эмуляции режима ЗУ?
Насколько я знаю, многие пользователи интернета и форума в частности успешно используют его напрямую без каких-либо доработок.
У меня же ни один телефон или планшет не определил его как ЗУ, и уперто потребляет не более 500мА.

В чем проблема?
alucard91 вне форума   Ответить с цитированием
Старый 26.08.2016, 15:26   #2
YAM1966
Гуру
 
Аватар для YAM1966
 
Регистрация: 01.06.2013
Возраст: 59
Регион: Украина
Машина: Toyota Fortuner 4.0 / Chevrolet Bolt EV
Сообщений: 2,006
YAM1966 has much to be proud ofYAM1966 has much to be proud ofYAM1966 has much to be proud ofYAM1966 has much to be proud ofYAM1966 has much to be proud ofYAM1966 has much to be proud ofYAM1966 has much to be proud ofYAM1966 has much to be proud ofYAM1966 has much to be proud ofYAM1966 has much to be proud ofYAM1966 has much to be proud of
По умолчанию

Меня вот например дома уже задолбала куча 5В блоков питания в качестве зарядок телефонов и планшетов.
Купил себе и малым 2 блока питания 5В 8А и к каждому припаял 7 портовой хаб и 4-х портовой с выключателями.
Пока все рады, все заряжает и работает.
Ток зарядки 8" планшета 1А, проверено с помощью USB тестера...
Ни одно устройство не определило такое подключение как присоединение кабеля для передачи данных.

По Вашему вопросу:

У Вас так-же с обратной стороны? Ничего не запаяно?
YAM1966 вне форума   Ответить с цитированием
Старый 26.08.2016, 15:51   #3
kirnet
Старший Пользователь
 
Аватар для kirnet
 
Регистрация: 30.03.2012
Город: Саратов
Регион: 64
Машина: Duster
Сообщений: 223
kirnet is a jewel in the roughkirnet is a jewel in the roughkirnet is a jewel in the roughkirnet is a jewel in the rough
По умолчанию

Они ещё отдельно продавались без платы.
kirnet вне форума   Ответить с цитированием
Старый 26.08.2016, 15:54   #4
kirnet
Старший Пользователь
 
Аватар для kirnet
 
Регистрация: 30.03.2012
Город: Саратов
Регион: 64
Машина: Duster
Сообщений: 223
kirnet is a jewel in the roughkirnet is a jewel in the roughkirnet is a jewel in the roughkirnet is a jewel in the rough
По умолчанию

Поправьте меня, если я не прав, но разве KIS3R33USB не несет в себе распайку на USB порту для эмуляции режима ЗУ

Конечно нет.
kirnet вне форума   Ответить с цитированием
Старый 26.08.2016, 16:01   #5
basurman
Super Moderator
 
Аватар для basurman
 
Регистрация: 19.07.2011
Возраст: 54
Город: Нижегородские болота
Регион: 52
Машина: пешкарус
Сообщений: 2,033
basurman has a reputation beyond reputebasurman has a reputation beyond reputebasurman has a reputation beyond reputebasurman has a reputation beyond reputebasurman has a reputation beyond reputebasurman has a reputation beyond reputebasurman has a reputation beyond reputebasurman has a reputation beyond reputebasurman has a reputation beyond repute
По умолчанию

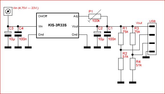
Цитата:
В чем проблема?
Ну так сделай так -
огрызку точно помогает, гнусмасу не знаю(говорят тоже помогает)
Миниатюры
Нажмите на изображение для увеличения
Название: Снимок.JPG
Просмотров: 1204
Размер:	33.0 Кб
ID:	44588  
__________________
ВСЕ ДЛЯ АРДУИНО

Моя почта - mogirov971sobakamail.ru
basurman вне форума   Ответить с цитированием
Старый 26.08.2016, 16:46   #6
Serega309
Новый Пользователь
 
Аватар для Serega309
 
Регистрация: 31.10.2013
Возраст: 36
Город: Мелеуз
Регион: 02
Машина: Kia Spectra
Сообщений: 18
Serega309 is a jewel in the roughSerega309 is a jewel in the roughSerega309 is a jewel in the rough
По умолчанию

Сейчас у тебя зарядка идет в режиме USB. Ток ограничен 500ма. Замкни контакты шины данных между собой, а желательно через резистор ом на 10, включится режим зарядки AC. Будет кушать чуть меньше 2 Ампер.

Последний раз редактировалось Serega309; 26.08.2016 в 17:34.
Serega309 вне форума   Ответить с цитированием
Старый 28.08.2016, 00:19   #7
alucard91
Новый Пользователь
 
Регистрация: 07.01.2015
Возраст: 34
Город: Одесса
Регион: Украина
Машина: Chevy CRUZE
Сообщений: 23
alucard91 is on a distinguished road
По умолчанию

В общем проблема решается то проще некуда:
На KIS3R33USB, питающем планшет, замкнул средние контакты через 120Ом резистор (первый что нашел у себя), а на хабе, запитаном от XL4015-5A, просто запаял их вместе. Результат одинаков - около ампера тока на обоих портах.
Проверял на 3 телефонах и планшете.

Изначально просто сбило с толку то, что о таких костылях тут вроде и не упоминали, но непродолжительный гуглинг показал, что процедура в общем то стандартная...
Короче перепугался сильнее, чем стоило
Спасибо откликнувшимся, можно закрывать тему.
alucard91 вне форума   Ответить с цитированием
Ответ


Здесь присутствуют: 1 (пользователей: 0 , гостей: 1)
 
Опции темы Поиск в этой теме
Поиск в этой теме:

Расширенный поиск

Ваши права в разделе
Вы не можете создавать новые темы
Вы не можете отвечать в темах
Вы не можете прикреплять вложения
Вы не можете редактировать свои сообщения

BB коды Вкл.
Смайлы Вкл.
[IMG] код Вкл.
HTML код Выкл.



Часовой пояс GMT +4, время: 03:26.


Работает на vBulletin® версия 3.8.4.
Copyright ©2000 - 2026, Jelsoft Enterprises Ltd.
Перевод: zCarot