PCCar.ru - Ваш автомобильный компьютер

Вернуться   PCCar.ru - Ваш автомобильный компьютер > MP3Car ТехИнфа > Разработка устройств

Ответ
 
Опции темы Поиск в этой теме
Старый 31.07.2018, 16:53   #1
IAmOrion
Новый Пользователь
 
Регистрация: 22.07.2018
Возраст: 45
Регион: 88
Сообщений: 5
IAmOrion is on a distinguished road
По умолчанию Arduino BMW iDrive BLE HID - With Video

Edit: Video added at bottom of post.

I have bought the USB HID that YAM1966 made, but I am also making my own

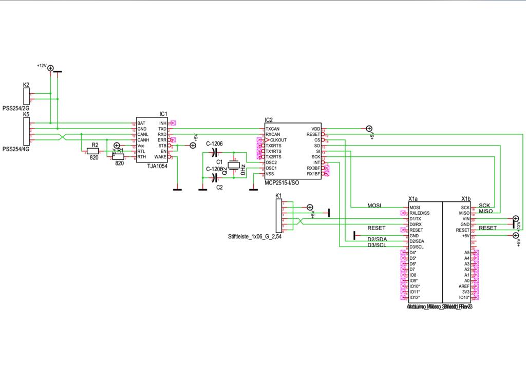
I am using this circuit schematic found here: http://www.volcano.at/iDrive/?p=516

Нажмите на изображение для увеличения
Название: Screenshot 2018-07-31 at 13.39.04.jpg
Просмотров: 2560
Размер:	48.4 Кб
ID:	50058

It uses a TJA1055 + MCP2515

I did NOT use an Arduino Micro though - instead I used Adafruit Feather Bluefruit 32u4 as it has built in BLE and is HID capable. (https://learn.adafruit.com/adafruit-...it-le/overview)

So far, my code works PERFECTLY for the 5 button controller in the middle (100KBPS) AND the 7 button controller on the left (500KBPS)

Нажмите на изображение для увеличения
Название: iDrives.jpg
Просмотров: 1978
Размер:	87.8 Кб
ID:	50061

It almost works perfectly on the 7 button touch controller on the right, but I am having a minor problem and hoping someone may be able to help. The touch controller isn't always responsive - it's as if there's a timeout happening (and not to do with the wake command)

All buttons work, but sometimes there is a delay. Touch and rotation is also working but sometimes a delay.

I get these can-bus responses when there's a problem:

Код:
667, F0, 10, A, 62, 17, 4, E2, C4
667, F0, 10, 18, 62, 17, 4, E2, C4
667, F0, 10, 18, 62, 17, 4, E2, C4
667, F0, 10, A, 62, 17, 4, E2, C4
667, F0, 10, 11, 62, 17, 4, E2, C4
667, F0, 10, 11, 62, 17, 4, E2, C4
CanID = 0x667
The rest is the data

Does anyone know what it might mean?

PS - I'm very sorry, I don't know the Russian language, so translated with Google Translate

---------------------------------------------------------------------------------------

Я купил USB HID, который сделал YAM1966, но я также делаю свой собственный

Я использую эту схему, найденную здесь: [URL = "http://www.volcano.at/iDrive/?p=516"] http://www.volcano.at/iDrive/?p=516 [/ URL ]

Нажмите на изображение для увеличения
Название: Screenshot 2018-07-31 at 13.39.04.jpg
Просмотров: 2560
Размер:	48.4 Кб
ID:	50058

Он использует TJA1055 + MCP2515

Я НЕ использовал Arduino Micro, хотя вместо этого я использовал Adafruit Feather Bluefruit 32u4, поскольку он встроен в BLE и способен HID. ([URL = "https://learn.adafruit.com/adafruit-feather-32u4-bluefruit-le/overview"] https://learn.adafruit.com/adafruit-feather-32u4-bluefruit-le/overview [ / URL])

Пока мой код работает PERFECTLY для 5-кнопочного контроллера в [B] середине [/ B] (100KBPS) И 7-кнопочном контроллере на [B] влево [/ B] (500KBPS)

Нажмите на изображение для увеличения
Название: iDrives.jpg
Просмотров: 1978
Размер:	87.8 Кб
ID:	50061

Он [B] [I] почти [/ I] [/ B] отлично работает на 7-кнопочном сенсорном контроллере справа [B] [/ B], но у меня есть небольшая проблема и надеюсь, что кто-то сможет помочь , Сенсорный контроллер не всегда отзывчив - это похоже на то, что происходит тайм-аут (и не связанный с командой бодрствования)

Все кнопки работают, но иногда есть задержка. Прикосновение и вращение также работают, но иногда задержка.

Я получаю эти ответы на шину, когда есть проблема:

Код:
667, F0, 10, A, 62, 17, 4, E2, C4
667, F0, 10, 18, 62, 17, 4, E2, C4
667, F0, 10, 18, 62, 17, 4, E2, C4
667, F0, 10, A, 62, 17, 4, E2, C4
667, F0, 10, 11, 62, 17, 4, E2, C4
667, F0, 10, 11, 62, 17, 4, E2, C4
CanID = 0x667
Остальные данные

Кто-нибудь знает, что это может означать?

PS - Мне очень жаль, я не знаю русского языка, поэтому перевел с помощью Google Translate

---------------- VIDEO ------------------


Последний раз редактировалось admin; 15.08.2018 в 02:18. Причина: Added YouTube Video
IAmOrion вне форума   Ответить с цитированием
Старый 07.10.2018, 02:48   #2
1986mrak
Новый Пользователь
 
Регистрация: 16.07.2014
Возраст: 39
Регион: 40
Машина: lancer IX
Сообщений: 3
1986mrak is on a distinguished road
По умолчанию

Привет! Я так понял средний у тебя работает? Есть средний джойстик от бмв, но вот подключить к пк не знаю как. Поможешь?
1986mrak вне форума   Ответить с цитированием
Старый 07.10.2018, 02:50   #3
IAmOrion
Новый Пользователь
 
Регистрация: 22.07.2018
Возраст: 45
Регион: 88
Сообщений: 5
IAmOrion is on a distinguished road
По умолчанию

Hello.

What help do you need? You can use my BLE Device to connect an iDrive to your PC

----

Здравствуйте.

Какая помощь вам нужна? Вы можете использовать мое устройство BLE для подключения iDrive к ПК
IAmOrion вне форума   Ответить с цитированием
Старый 07.10.2018, 11:04   #4
1986mrak
Новый Пользователь
 
Регистрация: 16.07.2014
Возраст: 39
Регион: 40
Машина: lancer IX
Сообщений: 3
1986mrak is on a distinguished road
По умолчанию

Цитата:
Сообщение от IAmOrion Посмотреть сообщение
Hello.

What help do you need? You can use my BLE Device to connect an iDrive to your PC

----

Здравствуйте.

Какая помощь вам нужна? Вы можете использовать мое устройство BLE для подключения iDrive к ПК
Да! Именно такая помошь и нужна))
Я не очень дружу с паяльником. А с программированием еще хуже. Сам точно не смогу сделать))
1986mrak вне форума   Ответить с цитированием
Старый 10.10.2018, 03:11   #5
IAmOrion
Новый Пользователь
 
Регистрация: 22.07.2018
Возраст: 45
Регион: 88
Сообщений: 5
IAmOrion is on a distinguished road
По умолчанию

Where are you located? I'm in the UK.

I've actually come on along way since I first posted this... I now have a completed feather can-bus shield.

I designed it as a "feather" shield so that it would fit Adafruit's Feather boards.

I also made it to use THT (Through Hole components) so that the it was pretty easy to solder even for novices

My code works on either of these boards.

The Feather M0 BLE: https://www.adafruit.com/product/2995
Or the Feather 32u4 BLE: https://www.adafruit.com/product/2829

I chose to use The Feather M0 BLE: https://www.adafruit.com/product/2995 because it has much more free memory and program space.

My can-bus shield sits on top of it like the pictures below. My code is written in the Arduino IDE

---------------------

Где ты находишься? Я в Великобритании.

Я действительно прихожу вперед, так как я впервые разместил это ... У меня теперь есть завершенный защитный экран перины.

Я разработал его как «перьевой» щит, чтобы он соответствовал доскам Пера Адафрута.

Я также использовал его для использования компонентов THT (Through Hole), чтобы было легко припаять даже для новичков

Мой код работает на любой из этих плат.

Перо M0 BLE: https://www.adafruit.com/product/2995
Или перо 32u4 BLE: https://www.adafruit.com/product/2829

Я решил использовать The Feather M0 BLE: https://www.adafruit.com/product/2995, потому что у него гораздо больше свободного пространства и памяти.

Мой щит-шина сидит поверх него, как на рисунках ниже. Мой код написан в среде Arduino IDE
Миниатюры
Нажмите на изображение для увеличения
Название: IMG_0161.jpg
Просмотров: 1929
Размер:	302.9 Кб
ID:	50285   Нажмите на изображение для увеличения
Название: IMG_0175.jpg
Просмотров: 1923
Размер:	243.6 Кб
ID:	50286   Нажмите на изображение для увеличения
Название: IMG_0215.jpg
Просмотров: 1908
Размер:	219.1 Кб
ID:	50287  
IAmOrion вне форума   Ответить с цитированием
Старый 10.10.2018, 08:27   #6
1986mrak
Новый Пользователь
 
Регистрация: 16.07.2014
Возраст: 39
Регион: 40
Машина: lancer IX
Сообщений: 3
1986mrak is on a distinguished road
По умолчанию

Я искал такой контролер, но нашел только совместимый с 7 кнопками.

Я из России.

Вот моя самая сложная работа


Вот такой результат: https://youtu.be/xAJS-k6c_ds

Боюсь, лучше у меня не получится. Более того у меня нет программатора. В идеале бы получить готовое устройство))
1986mrak вне форума   Ответить с цитированием
Старый 10.10.2018, 11:12   #7
Vladget
Moderator
 
Регистрация: 04.04.2009
Возраст: 69
Город: Краснодар
Регион: 23, 93
Машина: HONDA CR-V-08
Сообщений: 3,129
Vladget is a splendid one to beholdVladget is a splendid one to beholdVladget is a splendid one to beholdVladget is a splendid one to beholdVladget is a splendid one to beholdVladget is a splendid one to beholdVladget is a splendid one to behold
По умолчанию

как говорится почувствуйте разницу (изготовление печатных плат)

1986mrak в связи с тем что IAmOrion по русски ни гугу ты пиши простыми словами что ты хочешь, или что тебе надо от него. Вот этот пост что выше я так думаю (99%) он вообще не поймет что ты хочешь, так же как его перевод (с помощью гуглы) на русский то же не много что объясняет
__________________


Vladget вне форума   Ответить с цитированием
Старый 10.10.2018, 13:38   #8
IAmOrion
Новый Пользователь
 
Регистрация: 22.07.2018
Возраст: 45
Регион: 88
Сообщений: 5
IAmOrion is on a distinguished road
По умолчанию

Thats cool, I like that!

The problem with providing a complete product is that the cost is higher than if you did it yourself because in the UK our taxes are pretty high!

So it would cost about £90 or 7,835.44 ₽, RUB to buy the parts and post to you. Have you looked at posts by YAM1966 he too sells a device which will do what you need, it would work out cheaper to buy his device.

And yes, I don't speak Russian, so am using Google Translate - my apologies, I know it translates badly

--------------

Это круто, мне это нравится!

Проблема с предоставлением полного продукта заключается в том, что стоимость выше, чем если бы вы сделали это сами, потому что в Великобритании наши налоги довольно высокие!

Так что это будет стоить около £ 90 или 7 835,44 ₽, RUB, чтобы купить запчасти и разместить для вас. Вы смотрите на сообщения от YAM1966, он тоже продает устройство, которое будет делать то, что вам нужно, было бы дешевле купить его устройство.

И да, я не говорю по-русски, поэтому использую Google Translate - мои извинения, я знаю, что это плохо переводит
IAmOrion вне форума   Ответить с цитированием
Ответ


Здесь присутствуют: 1 (пользователей: 0 , гостей: 1)
 

Ваши права в разделе
Вы не можете создавать новые темы
Вы не можете отвечать в темах
Вы не можете прикреплять вложения
Вы не можете редактировать свои сообщения

BB коды Вкл.
Смайлы Вкл.
[IMG] код Вкл.
HTML код Выкл.



Часовой пояс GMT +4, время: 10:24.


Работает на vBulletin® версия 3.8.4.
Copyright ©2000 - 2026, Jelsoft Enterprises Ltd.
Перевод: zCarot