PCCar.ru - Ваш автомобильный компьютер

Вернуться   PCCar.ru - Ваш автомобильный компьютер > MP3Car ТехИнфа > Устройства ввода > Манипуляторы

Ответ
 
Опции темы Поиск в этой теме
Старый 11.08.2014, 22:39   #1
vazgen26
Новый Пользователь
 
Регистрация: 07.08.2014
Возраст: 34
Город: Санкт-Петербург
Регион: 78, 98
Машина: BMW e39
Сообщений: 15
vazgen26 is on a distinguished road
По умолчанию Важно!!!! Джойстик iDrive BMW как устройство управления Android

Всем привет!
Имеется iDrive controller от BMW e60 работающий по CAN шине так как он очень удобен хотелось бы сделать управление Андроидом.
подскате пожалуйста что для этого нужно.
Миниатюры
Нажмите на изображение для увеличения
Название: DSC_0015.jpg
Просмотров: 1305
Размер:	82.5 Кб
ID:	36738   Нажмите на изображение для увеличения
Название: DSC_0016.jpg
Просмотров: 1261
Размер:	74.3 Кб
ID:	36739  
vazgen26 вне форума   Ответить с цитированием
Старый 11.08.2014, 22:48   #2
lti1
Старший Пользователь
 
Аватар для lti1
 
Регистрация: 17.01.2010
Возраст: 50
Город: Самара
Регион: 63, 163
Машина: Skoda Octavia A5 FL && Skoda Octavia Tour && ̶F̶F̶3̶
Сообщений: 457
lti1 has a reputation beyond reputelti1 has a reputation beyond reputelti1 has a reputation beyond reputelti1 has a reputation beyond reputelti1 has a reputation beyond reputelti1 has a reputation beyond reputelti1 has a reputation beyond reputelti1 has a reputation beyond reputelti1 has a reputation beyond repute
По умолчанию

Если хотите по кану подключать, попробуйте здесь почитать.
lti1 вне форума   Ответить с цитированием
Старый 11.08.2014, 22:59   #3
vazgen26
Новый Пользователь
 
Регистрация: 07.08.2014
Возраст: 34
Город: Санкт-Петербург
Регион: 78, 98
Машина: BMW e39
Сообщений: 15
vazgen26 is on a distinguished road
По умолчанию

Цитата:
Сообщение от lti1 Посмотреть сообщение
Если хотите по кану подключать, попробуйте здесь почитать.
дело в том что машина будет без CAN шины
vazgen26 вне форума   Ответить с цитированием
Старый 11.08.2014, 23:23   #4
vazgen26
Новый Пользователь
 
Регистрация: 07.08.2014
Возраст: 34
Город: Санкт-Петербург
Регион: 78, 98
Машина: BMW e39
Сообщений: 15
vazgen26 is on a distinguished road
По умолчанию Более подробно.

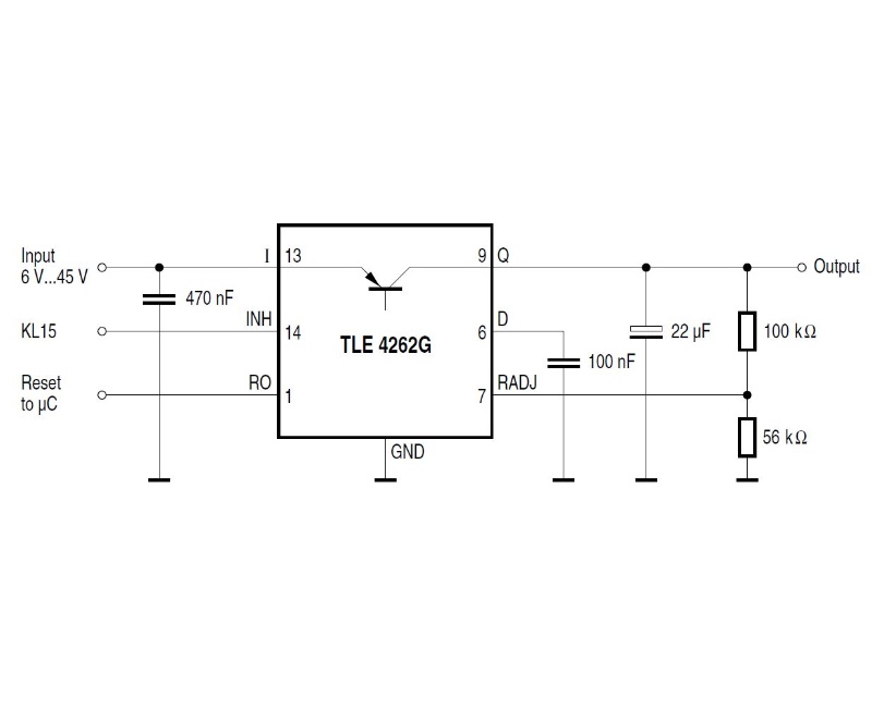
Подрбно о микросхемах
Миниатюры
Нажмите на изображение для увеличения
Название: DSC_0015.jpg
Просмотров: 1513
Размер:	89.2 Кб
ID:	36740   Нажмите на изображение для увеличения
Название: DSC_0016.jpg
Просмотров: 1313
Размер:	76.2 Кб
ID:	36741   Нажмите на изображение для увеличения
Название: TLE4262-Application-Diagram.JPG_472149771.jpg
Просмотров: 1752
Размер:	39.3 Кб
ID:	36743  
Изображения
 
vazgen26 вне форума   Ответить с цитированием
Старый 11.08.2014, 23:35   #5
lti1
Старший Пользователь
 
Аватар для lti1
 
Регистрация: 17.01.2010
Возраст: 50
Город: Самара
Регион: 63, 163
Машина: Skoda Octavia A5 FL && Skoda Octavia Tour && ̶F̶F̶3̶
Сообщений: 457
lti1 has a reputation beyond reputelti1 has a reputation beyond reputelti1 has a reputation beyond reputelti1 has a reputation beyond reputelti1 has a reputation beyond reputelti1 has a reputation beyond reputelti1 has a reputation beyond reputelti1 has a reputation beyond reputelti1 has a reputation beyond repute
По умолчанию

Цитата:
Сообщение от vazgen26 Посмотреть сообщение
дело в том что машина будет без CAN шины
А причем тут авто? Джойстик по кану сигналы отправляет, вот их и попробуйте почитать.
lti1 вне форума   Ответить с цитированием
Старый 12.08.2014, 00:30   #6
vazgen26
Новый Пользователь
 
Регистрация: 07.08.2014
Возраст: 34
Город: Санкт-Петербург
Регион: 78, 98
Машина: BMW e39
Сообщений: 15
vazgen26 is on a distinguished road
По умолчанию

возможно ли считать данный CAN если у контроллера нету на линии блока ZKE
(ZKE) как мне объяснили является главным блоком обмена данными по всей машине
vazgen26 вне форума   Ответить с цитированием
Старый 12.08.2014, 13:08   #7
YAM1966
Гуру
 
Аватар для YAM1966
 
Регистрация: 01.06.2013
Возраст: 59
Регион: Украина
Машина: Toyota Fortuner 4.0 / Chevrolet Bolt EV
Сообщений: 2,006
YAM1966 has much to be proud ofYAM1966 has much to be proud ofYAM1966 has much to be proud ofYAM1966 has much to be proud ofYAM1966 has much to be proud ofYAM1966 has much to be proud ofYAM1966 has much to be proud ofYAM1966 has much to be proud ofYAM1966 has much to be proud ofYAM1966 has much to be proud ofYAM1966 has much to be proud of
По умолчанию

На сколько я понял он крутится и нажимается - верно?
Если так - любой из моих контроллеров подойдет для его обработки.
YAM1966 вне форума   Ответить с цитированием
Старый 12.08.2014, 13:48   #8
vazgen26
Новый Пользователь
 
Регистрация: 07.08.2014
Возраст: 34
Город: Санкт-Петербург
Регион: 78, 98
Машина: BMW e39
Сообщений: 15
vazgen26 is on a distinguished road
По умолчанию

Цитата:
Сообщение от YAM1966 Посмотреть сообщение
На сколько я понял он крутится и нажимается - верно?
Если так - любой из моих контроллеров подойдет для его обработки.
как?
как я понимаю за всеми нажатиями и перемещениями следят оптические датчики.
vazgen26 вне форума   Ответить с цитированием
Старый 12.08.2014, 13:59   #9
YAM1966
Гуру
 
Аватар для YAM1966
 
Регистрация: 01.06.2013
Возраст: 59
Регион: Украина
Машина: Toyota Fortuner 4.0 / Chevrolet Bolt EV
Сообщений: 2,006
YAM1966 has much to be proud ofYAM1966 has much to be proud ofYAM1966 has much to be proud ofYAM1966 has much to be proud ofYAM1966 has much to be proud ofYAM1966 has much to be proud ofYAM1966 has much to be proud ofYAM1966 has much to be proud ofYAM1966 has much to be proud ofYAM1966 has much to be proud ofYAM1966 has much to be proud of
По умолчанию

Контроллер может обрабатывать даже два таких джойстика
У него в конфигурации есть возможность указать куда будут подключены квадратурные выходы - для отслеживания направления вращения.
YAM1966 вне форума   Ответить с цитированием
Старый 12.08.2014, 14:00   #10
vazgen26
Новый Пользователь
 
Регистрация: 07.08.2014
Возраст: 34
Город: Санкт-Петербург
Регион: 78, 98
Машина: BMW e39
Сообщений: 15
vazgen26 is on a distinguished road
По умолчанию

Цитата:
Сообщение от YAM1966 Посмотреть сообщение
Контроллер может обрабатывать даже два таких джойстика
У него в конфигурации есть возможность указать куда будут подключены квадратурные выходы - для отслеживания направления вращения.
как и куда подключаться?
vazgen26 вне форума   Ответить с цитированием
Ответ


Здесь присутствуют: 1 (пользователей: 0 , гостей: 1)
 

Ваши права в разделе
Вы не можете создавать новые темы
Вы не можете отвечать в темах
Вы не можете прикреплять вложения
Вы не можете редактировать свои сообщения

BB коды Вкл.
Смайлы Вкл.
[IMG] код Вкл.
HTML код Выкл.



Часовой пояс GMT +4, время: 10:59.


Работает на vBulletin® версия 3.8.4.
Copyright ©2000 - 2026, Jelsoft Enterprises Ltd.
Перевод: zCarot