PCCar.ru - Ваш автомобильный компьютер

PCCar.ru - Ваш автомобильный компьютер (https://pccar.ru/index.php)
-   Рабочий журнал (https://pccar.ru/forumdisplay.php?f=25)
-   -   Volvo XC60 на штатном 7" экране (https://pccar.ru/showthread.php?t=20187)

savva 22.12.2013 22:47

Volvo XC60 на штатном 7" экране
 
Вложений: 17
Предисловие
Идея быть с компом в машине засела в мой мозг еще при предыдущей машине. Она и была реализована. Так как HYUNDAI TUCSON не имеет своего монитора - то там все просто: Лиллипут с VGA входом, старая mATX материнка и удалённые центральные воздуховоды.
С новой машиной эта идея пережила новую реинкарнацию.

Благодарности
В самом начале, чтоб я не забыл написать - а вы, соответственно прочитать - хочу сказать слова благодарности этому и соседнему форумам в целом и некоторым пользователям в частности.
Спасибо yurich38 за Интеллектуалный БП для Asus EeePC
Спасибо -qwerty- за адаптированную прошивку для контроллера ATtiny25
Очень помог slden: сперва темой про нестандартное разрешение на графике Intel , где я обнаружил драйвера на нужное мне разрешение 800х480, а потом заглушкой, позволяющей активировать VGA выход нетбука.
Если кого-то забыл - прошу прощения.

Цели
1) Получить навигацию с адекватным прогнозом по времени прибытия с учетом пробок. Это дело вкуса, и для меня здесь лидер PocketGis. Яндекс прогнозы выдает с увеличением около 15%
2) Просмотр видео. Много ездим на большие расстояния (350-550 км за раз), и супругу надо чем-то развлекать:) Здесь требования просты: всеядность по форматам видео.
3) Самое интересное, чего не может к примеру Андроид: навигация, работающая в фоне и выдающая голосовые подсказки, при просмотре видео или работе любого другого приложения.

Пациент
Volvo XC60 2013 модельного года со штатным 7” экраном физического разрешения 800х480.
{здесь будет фото авто}

План действий
В виду того, что в отличие от моего первого CarPC задачи по видеорегистрации на комп я не планировал возлагать (есть отдельный видеорегистратор), то в качестве платформы я выбрал нетбук Asus Eee PC 901. Как мне показалось это наиболее оптимальный нетбук по совокупности параметров [энергопотребление, производительность, размер платы, цена]

Поехали.

Долго и много читал разные форумы. Пообщался с одним из установщиком подобных систем, который сказал мне, что CarPC на Volvo XC60 c экраном 7” и сохранением штатной инфы нельзя реализовать.
Одобрение супруги на дыру в семейном бюджете в случае неудачи получено - так что в бой и с песнями:)
Некоторые фотографии сделаны на телефон - так что качество соответствующее:)

Закупка

На авито отслеживался и был куплен за небольшие деньги нетбук EeePc 901 в хорошем состоянии.
Одновременно было сделано несколько заказов на E-Bay
1) видеоинтерфейс “Car Video Interace for Volvo XC60 / S60 with 7" Monitor. Куплен в car-solutions
2) GPS антена GlobalSat BU-353 Automotive GPS Receiver
3) D-Link DUB-H7 USB 2.0 7-port Hub. К сожалению до сих пор не приехал, пока использую старый 5-ти портовый хаб из старых запасов.
4) Резистивное стекло 7” + контроллер к нему. Куплено в московском интернет магазине

Пока все ехало из разных мест, первым под раздачу попал нетбук. Была заново установлена Windows XP. Забегая наперёд скажу: не ставьте урезанные версии, ставьте полную. Сперва поставил MicroXP - но разный софт за собой тянул столько зависимостей - что в итоге места на диске стало занимать столько же - а со стабильностью были вопросы. В дальнейшем ОС была переустановлена на полноценную Windows XP SP3.

Далее нетбук был препарирован с целью изучения потрохов. Предстояло подпаяться к разъему питания и к кнопке включения, что и было реализовано.
Затем была изучена тема контроллеров включения. Я свой выбор остановил на варианте от yurich38 по причине простоты реализации в моих условиях (из принадлежностей только паяльник, тестер и кусачки:))

Закупил в Чип-Дип детали, платы, химикаты для травления и т.д..
Развел плату в DipTrace - не самым оптимальным образом - но это моя первая плата разведенная на компе. Вытравить при помощи ЛУТ не получилось, поэтому побежал за фоторезистом.
С ним у меня срослось тоже не всё с первого раза, так как с дурной головы купил фоторезистивный лак. Но после нескольких попыток стало получаться. В итоге плату контроллера и простейшего программатора по этой схеме я все-таки одолел:)))
Программатор я немного видоизменил. Так как кроме ATtiny25 я ничего не планировал прошивать, то вместо розетки РС-7ТВ я просто впаял панельку DIP-8, в которую на время прошивки вставляется микроконтроллер. И питание я взял с USB. Всё это дело упаковал в термоусадку.
{здесь будет фото программатора}

Собрал контроллер питания, не спеша проверил его как рекомендует автор, скомпилировал прошивку, залил в микроконтроллер. Подал питание на контроллер и радости моей не было предела, когда он начал моргать светодиодами в соответствии с прошивкой. Было немного страшно во время этого процесса, так как подобные вещи делал впервые, но при аккуратном подходе - все получается с первого раза.

Питание протянул с аккумулятора толстым кабелем.
Схему контроллер немного видоизменил под себя: во время одних из испытаний в машине от прикуривателя по какой-то причине погорел стабилитрон на вход ACC. Сейчас я его (а также резистивный делитель) заменил на L7805AB-V - пусть подороже, чем копеечный стабилитрон, но и надежнее:)
В качестве сигнала ACC взял “+” с лампочки подсветки в перчаточном ящике. Он на Volvo засыпает после постановки на охрану через 3 минуты. Таким образом, с момента постановки на охрану до отключения компа проходит около 8 минут (с учетом запрограммировнаного таймаута в 5 минут на отключение компьютера). Для меня - этого более чем достаточно, чтоб комп не выключался при короткой остановке. Хотя на зиму наверное надо сделать поменьше, подумаю.

Первоначально стабилизированные +12В я собрал на LM2577T-ADJ (повышаем до 14) + LM2576T-ADJ (понижаем до 12). Но второй стабилизатор грелся прилично, как я понял, видимо, какие-то наводки от первого импульсника. Опыта в отладке подобных схем у меня нет, так же как и осциллографа, и тут на свое счастье я обнаружил модульный источник FDD25-12S1. Также был куплен FDD05-05S4 для получения +5В
Плюсы FDD25: готовое решение и гальваническая развязка со входным питание.
Минусы: из-за гальванической развязки пришлось использовать реле для нажатия кнопки включения и на контроле USB от PC (что тоже отразилось на схеме контроллера питания)

Испытания в машине на предмет включения-выключения нетбука показали, что дешевое редко бывает хорошим: в колонках присутствовал характерный шум по питанию.
Подумывал купить внешнюю USB звуковую карту, но в итоге проблему я решил простейшей схемой на BA3121 (источник сразу не записал, сохранилась только схема)
http://pccar.ru/attachment.php?attac...1&d=1387780207
http://www.pccar.ru/attachment.php?a...0&d=1387737382
Сейчас в колонках тишина.

Установка видеоинтерфейса не вызвала вопросов. Снятие монитора в случае с XC60 по мимо парящей панели влечет снятие еще большого количества деталей в салоне. Процесс достаточно хорошо документирован в инете - здесь его повторять не буду.
Установку сенсорного стекла совместил с установкой видеоинтерфейса, так как в любом случае монитор разбирать. Для осуществления этого действа достаточно инструкции от видеоинтерфейса, которую можно найти на русском сайте Car-solutions.
http://www.pccar.ru/attachment.php?a...1&d=1387736142
http://www.pccar.ru/attachment.php?a...2&d=1387736142
А теперь мне предстояло самое интересное - вывод картинки на штатный монитор.
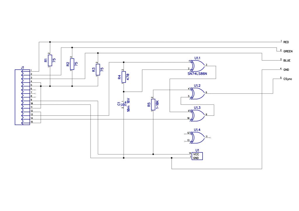
Видеоинтерфейс имеет RGBs вход. На нетбуке - VGA выход, внутри которого есть RGB и раздельная синхронизация. То есть поначалу задача выглядит несложно - получить композитную синхронизацию из раздельной.
На просторах интернета была обнаружена простенькая схема по смешиванию синхронизации на транзисторе. Спаял, попробовал - не получилось: нетбук даже не понял что к нему что-то подключили и продолжал показывать картинку только на свой экран.

Расстроившись, заказал на Ebay конвертер VGA-RGBs. Через пару недель он приехал. Работало с помошью PowerStrip, картинка на экране было, однако тоже несовсем то, что нужно:
1) Картинку мылит при конвертации - навигация, видео более-менее, а вот в виндовом интерфейсе вообще не айс.
http://www.pccar.ru/attachment.php?a...3&d=1387736142
http://www.pccar.ru/attachment.php?a...1&d=1387736622
2) Настройки не запоминает.
Крутил-вертел я этот конвертер, приготовился к легкому извращению: подумывал писать прошивку для микроконтроллера, чтоб он в момент запуска нажимал кнопки настройки на конвертере, эмулируя сохранение настроек.

Параллельно читая тему от slden про нестандартное разрешение на графике Intel , я обнаружил 2 очень интересные для себя вещи:
1) драйвера для чипсета Intel на нужное мне разрешение 800х480
2) заглушку на разъем D-SUB, позволяющей активировать VGA выход нетбука.
Решил попробовать модифицированные дрова на усовершенствованном переходнике VGA->RGBs. Для этого я совместил заглушку от slden’a + смешивание на к555лп5 синхронизации по этой схеме
Получилось вот что.
http://pccar.ru/attachment.php?attac...1&d=1387780207

Руки чесались так, что решил спаять на макетке, не вытравливая печатную плату.
Спаял. Подключил. И у меня появилась надежда на благополучный исход всей затеи так как:
1) при подключении переходника нетбук “понимал”, что к нему что-то подключили:)
2) картинка по цветопередаче была лучше, чем через покупной конвертер.

Попытки подменить дрова на уже установленной системе не привели к успеху. Принял решение переустановить ОС, особенно с учетом того, что после многочисленных экспериментов с PowerStrip и прочими вещами операционка была изрядно захламлена.
При переустановке на запрос драйвером на видеоадаптер указал на модифицированные драйвера. Все успешно установилось и теперь для второго монитора при подключении спаянного адаптера появилось так необходимое разрешение 800х480. Первые испытания в машине показали, что картинка просто отличная, с небольшими помехами. Напомню - никакого PowerStrip на данном этапе
http://www.pccar.ru/attachment.php?a...1&d=1387738140
Заставить работать монитор нетбука и монитор машины в режиме “Clone” не получилось, но я и не делал больше одной попытки:)
Я поступил несколько иначе:
1) Настроил нетбук на точку доступа WiFi на телефоне - таким образом телефон выступал в роли роутера
2) Поставил на нетбук TeamViever, чтоб на случай пропадания картинки можно было все вернуть назад. Если кто не знает - эта программа позволяет подключаться к компу по IP адресу - то есть фактически интернет не нужен, чтоб подключиться к рабочему столу.
3) В машину с собой взял iPad - ноут тащить не охота было.
4) В настройках графики в ОС штатными средствами графического адаптера Intel указываем, что у нас 2 монитора (нетбук и внешний) и при этом внешний у нас основной.
Всё, теперь у нас рабочий стол на мониторе, разрешение которого равно 800х480.
Далее были небольшие настройки видеоинтерфейса в части позиции выводимого изображения. Видеоинтерфейс эти настройки сохраняет - так что делать надо один раз.

Первоначально видеоинтерфейс был запитан от бортовой сети. И на экране присутствовали помехи в виде более светлых горизонтальных полос, перемещающихся по вертикали. После того, как видеоинтерфейс запитал от блока питания CarPC - проблема практически ушла. Остались мелкие едва заметные полосы, которые ушли после применения PowerStrip с изменением частоты.
Проверил как работает видеоинтерфейс при обесточивании: он просто переключается на штатную картинку. Что меня полностью устраивает: в случае поломки блока питания CarPC я не остаюсь с выключенным штатным экраном.

После того, как этот конструктор заработал на макетках - перенес всё на плату, которую перед этим развел и вытравил.
http://www.pccar.ru/attachment.php?a...5&d=1387736622
Плату от нетбука и плату с контроллером питания поместил в корпус из черного оргстекла, сделанного на заказ у всем известного здесь человека.
http://www.pccar.ru/attachment.php?a...7&d=1387736958
http://pccar.ru/attachment.php?attac...1&d=1387736622
Всё это богатство было размещено под сидение пассажира.

В перчаточном ящике разместился USB хаб.
GPS антена разместилась в основании правой стойки лобового стекла - там под обшивкой как раз была ровная площадка. Подключена она в USB хаб.

Далее немного доработал скин Centrafuse до состояния “похожести” главного экрана со штатным меню.
http://pccar.ru/attachment.php?attac...1&d=1387789377
http://pccar.ru/attachment.php?attac...1&d=1387789377

Однако в процессе тестовой эксплуатации обнаружил, что Centrafuse использует Windows Media Player, который отвратительно играет дублированные фильмы: “русский голос” воспроизводится очень тихо. Проблема не в железе, так как на том же самом железе тот же самый фильм через Media Player Classic играет отлично. Вариантов вижу два:
- заставить Centrafuse использовать другой плеер (как я понял практически нереально),
- перейти на iCarDS с переделкой скина до вида, который мне нравится. Один час изучения структуры скинов этого фронтэнда и методов их создания взорвали мне мозг. Будет еще одна попытка. Или придется “смириться” со стандартным скином - мириться с отвратительным звуком нет желания.

Результат
Результат более чем устраивает.
http://www.pccar.ru/attachment.php?a...1&d=1387741319

В ближайшее время будет крупный тестдрайв системы поездкой в Мурманск, а потом в Финляндию:)

Маленькое видео


По ощущениям у нас экран всё ж 848х480, а не 800х480, так как слева-справа есть небольшие поля. По соотношению ширины поля ко всем экрану - похоже на 48 пикселей:
http://www.pccar.ru/attachment.php?a...2&d=1387737382
Для себя этот вопрос закрыл размещением картинки по центру экрана.

Потраченный бюджет
Цены в рублях на дату покупки:
1) нетбук - 3500
2) видеоинтерфейс - 11660,03 вместе с доставкой EMS
3) GPS антена - 1,174р.
4) D-Link USB Hub - 1,034р.
5) Резистивное стекло + контроллер - 2500р.
6) Всякие радиодетали, микроконтроллеры, платы, химикаты для травления и т.д., чего у меня абсолютно не было (и многое сейчас простаивает:)) - в общей сложности около 11 т.р. Разовое вложение - но необходимое:)
7) Был куплен (но как оказалось зря) конвертер VGA-RGBs. Картинку мылит при изменении размера. 1000р. Не использую - но в бюджете учитываем:) Если кому надо - обращайтесь, отдам по себестоимости.
Совокупный бюджет около 33 т.р.

Что бы сделал иначе.
1) Купил бы другой видеоинтерфейс. Название у него толи Rhоnson толи Rohnson. Основное его преимущество для меня - он умеет показывать картинку штатного монитора на 2-3 секунды при манипуляциях с климатом или громкостью. Мне этого не хватает.

В планах
1) Заменить системный SSD - 4Гига мало для системы и использования гибернации. Да и судя по интернету - с современной SSD загрузка происходит быстрее.
2) Добавить памяти - 1Гиг пока хватает - но как известно памяти много не бывает:)
3) Есть идея как заставить видеоинтерфейс переключаться при пользовании климатом, радио, телефоном и т.п. Пока на стадии раздумий и проработки возможного пути решения.
4) Задуматься о антибликовом сенсорном стекле или проверить как текущее будет работать, если на него наклеить матовую защитную пленку. Поверхность штатного экрана без сенсорного стекла матовая и, соответственно, не бликовала на солнце. Но так как до сих пор солнца было мало - пока не беспокоит
5) Может быть сделаю контроль уровня заряда аккумулятора - чтоб ненароком не высадить его в ноль. Пока этот вариант событий мне кажется возможным при залипании контактов реле в контроллере питания.
6) Изучить вопрос разрешения монитора и попробовать геометрию 848х480.

P.S. Ближайшее время дополню пост фотографиями

savva 12.05.2014 15:37

Выкладываю скин в том виде в каком он есть.
Работа над ним остановилась в виду того, что Centrafuse плохо играет дублированные видео-файлы с двумя дорожками и в качестве оболочки пока использую iCarDS.

leha-mentos 16.05.2014 12:51

Интересный проект, интересен тем, что, возможно, стану обладателем ХС70 и с удовольствием установил бы в машину свой карписи с Аваланша, даже скорее всего сделаю мобильную версию, которая будет кочевать из машины в машину.

Не совсем понял про устройство “Car Video Interace for Volvo, оно идет в сборе с монитором уже? Оно ли это: http://www.ebay.com/itm/Car-Video-In...item3a85a026d2 ?

savva 16.05.2014 13:35

Да, это тот самый интерфейс и продавец тот, у которого я брал.
Монитор у меня был штатный.
И чтоб можно было вывести стороннюю картинку на него - это устройство используется.

Но как я уже отмечал - я бы попытался поискать другой видеоинтерфейс, этот не умеет автоматически временно переключаться на штатную картинку при манипуляциях с климатом, громкостью и т.д.
Опять же надо помнить, что у меня XC60 2013 модельного года - скорее всего в 2014 модельном году что-то поменялось..

Nikolay2112 17.05.2014 11:20

Добрый день.

Я ставил вот это -
http://carformer-lab.ru/catalogue/ad...-xc60-lcd.html
+замена штатного монитора на 8-ми дюймовый с автоматическим переключением на камеру з.х. Стоит год - полет нормальный.

Цитата:

Сообщение от leha-mentos (Сообщение 297233)
Интересный проект, интересен тем, что, возможно, стану обладателем ХС70 и с удовольствием установил бы в машину свой карписи с Аваланша, даже скорее всего сделаю мобильную версию, которая будет кочевать из машины в машину.

Не совсем понял про устройство “Car Video Interace for Volvo, оно идет в сборе с монитором уже? Оно ли это: http://www.ebay.com/itm/Car-Video-In...item3a85a026d2 ?


leha-mentos 20.05.2014 22:13

вот на этом видео http://youtu.be/cuiG3aZM0NQ показано, что меню климата идет поверх картинки компьютера. Интересно, как это реализовано?

savva 20.05.2014 22:23

Насколько я понимаю - мониторится CAN шина и рисуется очень похоже на штатный вид.

spacelord 21.05.2014 01:54

с удовольствием прочитал ветку :) классно получилось!

spacelord 21.05.2014 01:57

Цитата:

Сообщение от Nikolay2112 (Сообщение 297307)
Добрый день.

Я ставил вот это -
http://carformer-lab.ru/catalogue/ad...-xc60-lcd.html
+замена штатного монитора на 8-ми дюймовый с автоматическим переключением на камеру з.х. Стоит год - полет нормальный.

использую тот же адаптер. работает замечательно за одним исключением. Он не запитывает 5В на ХДМИ, поэтому пришлось колxозить с преобразователем
А можно фото, как Вы сделали экран?

savva 21.05.2014 22:33

Цитата:

Сообщение от spacelord (Сообщение 297632)
с удовольствием прочитал ветку :) классно получилось!

спасибо:)

Safari 06.01.2015 00:09

Цитата:

Сообщение от savva
1) Купил бы другой видеоинтерфейс. Название у него толи Rhоnson толи Rohnson. Основное его преимущество для меня - он умеет показывать картинку штатного монитора на 2-3 секунды при манипуляциях с климатом или громкостью. Мне этого не хватает.

А не дадите ли ссылку на такой интерфейс? Что-то я не нагуглил(

Недавно стал обладателем ксюхи 2015my, с 7" экраном, заказывал без нави и камеры.
Вот думаю, чего присобачить в качестве восполнения.

Без дела валяется cubieboard 1.0, вроде как малой кровью можно заставить его выдать RGBs 800*480, в соседней ветке писалось...

savva 07.01.2015 17:09

Цитата:

Сообщение от Safari (Сообщение 316296)
А не дадите ли ссылку на такой интерфейс? Что-то я не нагуглил(

Недавно стал обладателем ксюхи 2015my, с 7" экраном, заказывал без нави и камеры.
Вот думаю, чего присобачить в качестве восполнения.

Без дела валяется cubieboard 1.0, вроде как малой кровью можно заставить его выдать RGBs 800*480, в соседней ветке писалось...

Приветствую.

Насчет пятнадцатого года - я б уточнил к примеру тут: http://www.xc60-club.ru/xcforum/showthread.php?t=310

А интерфейс посмотреть можно тут (ссылка портится форумом, звездочки надо поменять на "car точка ru")
Я б попросил у них видео работы интерфейса.

Safari 07.01.2015 17:46

Уже уточнил, походу там у нас тоже gvif теперь вместо LVDS. По крайней мере уникаровец говорит, что интерфейс у 2015MY синий двухпроводной и похож на GVIF, но какой-то нестандартный.

Посмотрел по ссылке на интерфейс биона. Ни внятной инструкции по установке, ни четких ТТХ, даже фотки устройства нет, тоска смертная, а не сайт((

Safari 07.01.2015 18:01

В общем, созвонился я с чуваками, они говорят по поводу 2015MY надо подождать и поззвонить после 15 января. Интерфейс у вольвы поменялся и они сейчас мутят с тайванцами новую модель. Будет ли там фича с климатом/громкостью он пока не знает. И еще один нюанс: отображать повороты парковочных линий при вращении руля их текущая модель не умеет. Требуется доп блок за отдельные деньги.
Хотя парктроники вроде как поддерживает и рисует.

TooX13 02.02.2015 16:37

Аппачки нашел скин который так хочу. Спасибо тебе добрый ты человек.

savva 02.02.2015 16:52

На здоровье:)


Часовой пояс GMT +4, время: 21:21.

Работает на vBulletin® версия 3.8.4.
Copyright ©2000 - 2026, Jelsoft Enterprises Ltd.
Перевод: zCarot