PCCar.ru - Ваш автомобильный компьютер

Вернуться   PCCar.ru - Ваш автомобильный компьютер > MP3Car ТехИнфа > Разработка устройств

Ответ
 
Опции темы Поиск в этой теме
Старый 07.08.2008, 23:36   #1
Skyfire2
Новый Пользователь
 
Регистрация: 01.04.2008
Возраст: 41
Город: Мурманск
Регион: 51
Машина: Opel Zafira
Сообщений: 7
Skyfire2 will become famous soon enoughSkyfire2 will become famous soon enough
По умолчанию Кнопки на руле, способ решения

Всем привет!!!
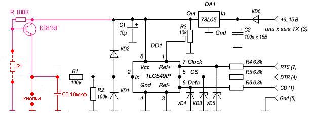
Возвращаюсь к наболевшей проблеме - клавиши на руле работающие по "резисторному протоколу". На форуме присутствуют несколько способов решения данной проблемы, один заключается в подключение пульта через игровой порт, а второй в разборке игрового джостика и подключение его к пульту управления. Лично мне второй способ больше нравится, так как на моем PC Car нет игрового порта, а покупать звуковую карту не хочется. Однако при реализации способа 2 у меня, как, наверное, и у многих, возникла проблема. Чтобы АЦП джостик понимал команды нужно перепаять сопротивление в пульте с шагом 1Ком. Мне руль разбирать не хотелось из-за подушки безопасности. Поэтому пришлось пойти другим путем/
Так вот, на сайте схем.нет нарвался на интересную статью (автор =ShooRooP= и ему за это ОГРОМНОЕ спасибо), работа АЦП с com портом http://cxem.net/****/comp86.php. Это и являлось практически полным решением проблемы. Со свое стороны я только допаял управляющий транзистор и подредактировал код программы автора.

Программу прошу не ругать, так как Visual Basic я не знал, не знаю и знать больше не хочу. Просто пришлось выучить пару команд и написать этот код. Так, что смог, то и написал
Смысл программы. При нажатии клавиши пульта в верхнем окне выводится напряжение поступающие на вход АЦП , показатель умножается на 100. Этот показатель можно записать под нужным пунктом. Теперь при следующие нажатии на определенную кнопку пульта , программа будет знать, что нужно делать под этим значением и с имитирует нажатие клавиши клавиатуры (см. код программы). Мне повезло, я пользуюсь RR, там можно настроить любое действие оболочки на любую клавишу клавиатуры. И при имитации программой нужной мне клавиши клавиатуры RR работает нужным образом.
Так же, можно настроить ФрдоПлеер, AutoHotKey ит.д. А лучше всего, чтобы кто-нибудь знающий перепишет код в лучшую сторону и выложит на сайт )
В принципе и все!
Саму программу нужно скопировать в корневой диск C:\MultiCar
Миниатюры
Нажмите на изображение для увеличения
Название: схема.jpg
Просмотров: 2474
Размер:	23.5 Кб
ID:	7295  
Вложения
Тип файла: rar MultiCar.rar (10.3 Кб, 884 просмотров)
Skyfire2 вне форума   Ответить с цитированием
Старый 08.08.2008, 00:39   #2
mcf1
Guest
 
Сообщений: n/a
По умолчанию

судя по схеме для работы нужен физический ком порт, эмулятор в USB не подойдет
  Ответить с цитированием
Старый 08.08.2008, 00:42   #3
archer
Гуру
 
Аватар для archer
 
Регистрация: 17.10.2006
Возраст: 51
Город: Москва
Регион: 77, 97, 99, 177
Машина: 2007\chery\Amulet
Сообщений: 1,691
archer will become famous soon enougharcher will become famous soon enough
По умолчанию

Карашо! Очень карашо! А паял навесу, на макетке или платку разводил? если платку, то надо бы и разводочку сюды бросить...

Насчет эмулятора УСБ - наверно можно его подрубить, но схему питать придется по-другому... вместо кренки просто 5в подать.... Щас гуру-электронщики поправят...
__________________
Монитор - XDX 8" | Мать - Asus M2NPV-VM| Камень - AMD Athlon 64 X2 3800+ EE | Память - DDR2-533 2х512 | SB live 24-bit (Don_ik_kot edition) | Винт - 3,5" 250 Gb Seagate Barracuda | Корпус - ноунейм миниатх | БП - SL PSU | GPS GlobalSat BU-355 | Silabs USB Radio | Bluetooth noname (Broadcom) |USB-Hub D-Link 7 ports | Card-reader 52-in-1 | Radio mouse |WiFi LinkSys WUSB54G| усилитель Fusion EN-AM6004 |Keyboard | Centrafuse| а еще парктроник с камерой
archer вне форума   Ответить с цитированием
Старый 08.08.2008, 00:48   #4
mcf1
Guest
 
Сообщений: n/a
По умолчанию

в эмуляторах обычно от полноценноо ком порта остается только TX RX и GND

PS автору большой респект, ТАКИМ ВОТ ДОЛЖЕН БЫТЬ ПЕРВЫЙ ПОСТ!!!
  Ответить с цитированием
Старый 08.08.2008, 09:39   #5
Skyfire2
Новый Пользователь
 
Регистрация: 01.04.2008
Возраст: 41
Город: Мурманск
Регион: 51
Машина: Opel Zafira
Сообщений: 7
Skyfire2 will become famous soon enoughSkyfire2 will become famous soon enough
По умолчанию

Схему паял на макете. Схема сама по себе не большая, вот и решил не заморачиваться.
Как это не странно, но эмулятор ком порта заработал !!! (не вручаюсь за все, собираюсь сделать вскрытие и посмотреть его внутри). Только пришлось в диспетчере устройств принудительно 1 номер порта присвоить. А так система пока рулит без пробллем
Skyfire2 вне форума   Ответить с цитированием
Старый 08.08.2008, 17:50   #6
Мастер
Старший Пользователь
 
Аватар для Мастер
 
Регистрация: 24.10.2007
Возраст: 41
Город: Tallinn
Регион: ***эстония***
Машина: 03\Nissan\X-trail
Сообщений: 298
Мастер is on a distinguished road
По умолчанию

Мне кажется, если уж заморачиваться на АЦП и COMпорт, то лучше на микроконтроллере делать.
Мастер вне форума   Ответить с цитированием
Старый 13.08.2008, 21:30   #7
Skyfire2
Новый Пользователь
 
Регистрация: 01.04.2008
Возраст: 41
Город: Мурманск
Регион: 51
Машина: Opel Zafira
Сообщений: 7
Skyfire2 will become famous soon enoughSkyfire2 will become famous soon enough
По умолчанию

Обновление программы. Теперь громкость регулируется не посредством имитации нажатия клавиши, а на прямую через Windows-кий эквалайзер. Со временем планируется реализовать свертование программы в трей
Вложения
Тип файла: rar MultiCar_v1_1.rar (20.5 Кб, 793 просмотров)
Skyfire2 вне форума   Ответить с цитированием
Старый 16.08.2008, 19:10   #8
Skyfire2
Новый Пользователь
 
Регистрация: 01.04.2008
Возраст: 41
Город: Мурманск
Регион: 51
Машина: Opel Zafira
Сообщений: 7
Skyfire2 will become famous soon enoughSkyfire2 will become famous soon enough
По умолчанию

Прога доделана
Вложения
Тип файла: rar MultiCar_v1_2.rar (22.2 Кб, 739 просмотров)
Skyfire2 вне форума   Ответить с цитированием
Старый 16.08.2008, 22:36   #9
Skyfire2
Новый Пользователь
 
Регистрация: 01.04.2008
Возраст: 41
Город: Мурманск
Регион: 51
Машина: Opel Zafira
Сообщений: 7
Skyfire2 will become famous soon enoughSkyfire2 will become famous soon enough
По умолчанию

В проге V1.2 обнаружились небольшие баги, при отключенном АЦП, срабатывал эмулятор клавиш. Исправляюсь:
Вложения
Тип файла: rar MultiCar_v1_2.rar (21.9 Кб, 755 просмотров)
Skyfire2 вне форума   Ответить с цитированием
Старый 05.10.2008, 22:57   #10
Skyfire2
Новый Пользователь
 
Регистрация: 01.04.2008
Возраст: 41
Город: Мурманск
Регион: 51
Машина: Opel Zafira
Сообщений: 7
Skyfire2 will become famous soon enoughSkyfire2 will become famous soon enough
По умолчанию

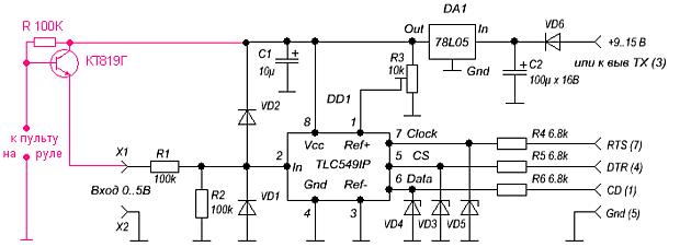
В ходе испытание данного девайся и софта к нему обнаружились небольшие глюки, при длительной работе совершенно непонятным образом иногда менялись вольтовые значения каждой кнопки, также не всегда оболочка Road Runner реагировала на иммитурующие MultiCar-ом клавиши.
Однако, несколько бессоных ночей и проблемы вроде решились. Тьфу-тьфу-тьфу...
Вообшем, изменения в схеме следующие:
1) на входе АЦП нужно добавить "фильтрующий" конденсатор С3;
2) R* нужно подбирать эксперементально если у вашего пульта рулевого колеса достаточно высокие сопротивления (ну больше 1Ком, хотя я еще такого не видел). Если у вас в пределах 1 Ком, то можно вообще ничего не ставить, и так работает (немного коряво, но ничего ... работает);
3) Если наводки так и не пропадают, то это проблема у меня решилась простым LC-фильтром на входе;
4) И смотрите точно произведите настройку схемы, на входе 1 микросхемы DD1 должно быть напряжение примерно 2,5 Вольт;
5) если вы подключаете АЦП напрямую к com порту, то питание лучше взять с выводу ТХ (3), это вас избавит от лишних проводов и поиска источника питания.
6) если вы используете переходник адаптер USB-СOM, то естественно придется искать питание, а адаптер покупайте не самый дешовый.

что касается программы,то она тоже претерпела изменения. Теперь иммитируются клавиши F5, F6, F7, F8, F9, F10
Миниатюры
Нажмите на изображение для увеличения
Название: схема.jpg
Просмотров: 1800
Размер:	25.5 Кб
ID:	7888  
Вложения
Тип файла: rar MultiCar_reliz.rar (22.5 Кб, 701 просмотров)
Skyfire2 вне форума   Ответить с цитированием
Ответ


Здесь присутствуют: 1 (пользователей: 0 , гостей: 1)
 

Ваши права в разделе
Вы не можете создавать новые темы
Вы не можете отвечать в темах
Вы не можете прикреплять вложения
Вы не можете редактировать свои сообщения

BB коды Вкл.
Смайлы Вкл.
[IMG] код Вкл.
HTML код Выкл.



Часовой пояс GMT +4, время: 21:29.


Работает на vBulletin® версия 3.8.4.
Copyright ©2000 - 2026, Jelsoft Enterprises Ltd.
Перевод: zCarot