PCCar.ru - Ваш автомобильный компьютер

Вернуться   PCCar.ru - Ваш автомобильный компьютер > MP3Car ТехИнфа > Блоки питания > Питание периферии

Ответ
 
Опции темы Поиск в этой теме
Старый 09.07.2011, 23:11   #1
tsynik
Старший Пользователь
 
Регистрация: 17.03.2011
Город: Moscow
Регион: 77, 97, 99, 177
Машина: Alfa Romeo
Сообщений: 322
tsynik has a spectacular aura abouttsynik has a spectacular aura abouttsynik has a spectacular aura about
По умолчанию Remote для усилителя на оптроне в D-Link DUB-H7

Для реализации remote на усилитель решил использовать +5В c выходов USB из DUB-H7 (питание на них появляется только после включения планшета и инициализации хаба). Для питания системы используется DCDC преобразователь NSD10-12S5.
Сейчас он запитан от прикуривателя, и система перезагружается после каждого отключения зажигания. Опторон выпаял из нерабочего блока питания ATX.

Схема подключения:



Вопрос, правильно ли составлена схема и насколько надежна такая конструкция?

Также, задача максимум перевести DCDC на постоянное питание и сделать задержку выключения (перехода в режим ожидания) DCDC преобразователя скажем минут через 30 после пропадания +12В на прикуривателе. Для этого нужно, чтобы по истечении заданного времени цепь между контактами 2 и 6 замкнулась. Подскажите, как это максимально просто реализовать?
tsynik вне форума   Ответить с цитированием
Старый 10.07.2011, 00:07   #2
flymouse
Старший Пользователь
 
Регистрация: 27.03.2011
Регион: 78, 98
Сообщений: 98
flymouse will become famous soon enoughflymouse will become famous soon enough
По умолчанию

схема составлена правильно. Да и вполне надёжна.
Задержку можно сделать ну к примеру на ATtiny13 - думаю самый дешёвый и надёжный способ будет. Пол часа задержки сложно точно сделать без глюков на основе заряда RC цепочки к примеру. NSD10 можно управлять прямо с порта микроконтроллера (вход Ctrl)
flymouse вне форума   Ответить с цитированием
Старый 10.07.2011, 00:22   #3
Alex-L
Moderator
 
Аватар для Alex-L
 
Регистрация: 23.03.2008
Возраст: 55
Город: Москва, Нагорная
Регион: 77, 97, 99, 177
Машина: Mitsubishi Lancer-X
Сообщений: 2,096
Alex-L is a splendid one to beholdAlex-L is a splendid one to beholdAlex-L is a splendid one to beholdAlex-L is a splendid one to beholdAlex-L is a splendid one to beholdAlex-L is a splendid one to beholdAlex-L is a splendid one to behold
По умолчанию

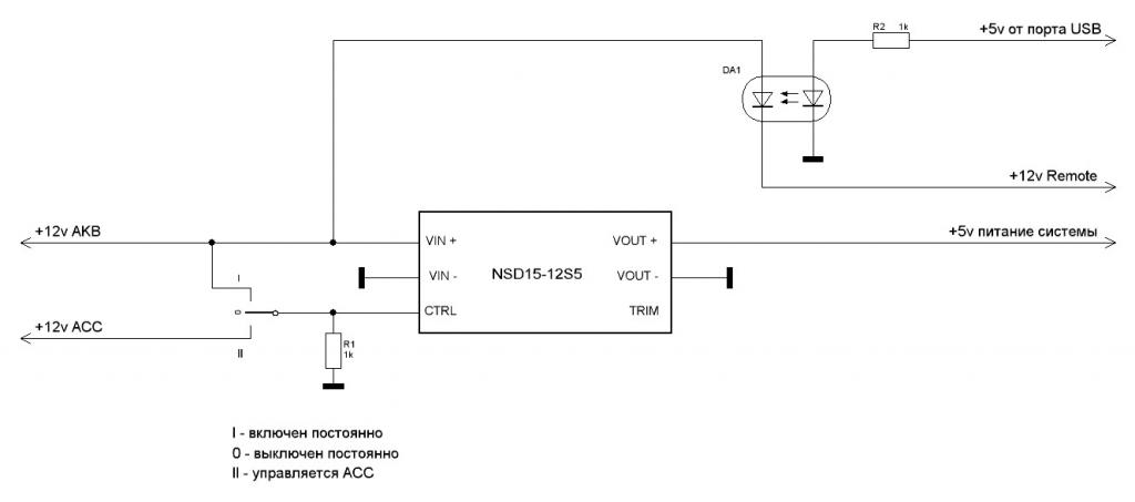
Насчет задержки - уж если уж делать на микроконтроллере, то реализовывать задержку программно. Ф пень-колоду эти RC-цепочки - время сильно зависит от температуры и от расположения звезд на небе...
Чтобы система не перегружалась при каждом выключении зажигания - запитать "+VIN" напрямую от АКБ. Включением/выключением системы управлять через "Ctrl": замкнут на массу - питание выключено, не замкнут на массу (висит в воздухе) - питание включено.
Как то так:
Миниатюры
Нажмите на изображение для увеличения
Название: 1.jpg
Просмотров: 9428
Размер:	25.3 Кб
ID:	22916  

Последний раз редактировалось Alex-L; 10.07.2011 в 01:04.
Alex-L вне форума   Ответить с цитированием
Старый 10.07.2011, 23:14   #4
tsynik
Старший Пользователь
 
Регистрация: 17.03.2011
Город: Moscow
Регион: 77, 97, 99, 177
Машина: Alfa Romeo
Сообщений: 322
tsynik has a spectacular aura abouttsynik has a spectacular aura abouttsynik has a spectacular aura about
По умолчанию

Цитата:
Сообщение от Alex-L Посмотреть сообщение
Насчет задержки - уж если уж делать на микроконтроллере, то реализовывать задержку программно. Ф пень-колоду эти RC-цепочки - время сильно зависит от температуры и от расположения звезд на небе...
Чтобы система не перегружалась при каждом выключении зажигания - запитать "+VIN" напрямую от АКБ. Включением/выключением системы управлять через "Ctrl": замкнут на массу - питание выключено, не замкнут на массу (висит в воздухе) - питание включено.
Как то так:
Alex-L, спасибо за схему, на микроконтроллер наверно не соберусь, задача кажется сложной, буду пользоваться тумблером ) С добавлением килоомного резистора ток покоя вырос с 14,7 мА до 20 мА, вроде не критично, и сильно разряжаться аккумулятор не должен. Изначально я отказался от питания с аккумулятора, так как подключил NSD и remote к проводу питания магнитолы напрямую, и акк сел за пару дней (во включенном состоянии ток на NSD порядка 150 мА, а питание на магнитолу не отключаемое, о чём я не знал ))).

Не понятно, что делать с фильтром ВЧ помех на входе NSD. Сейчас он стоит на неотключаемом +12В к магнитоле, если переделать питание по приведенной тобой схеме, при подаче +12 switched (c прикуривателя) на CTRL NSD смысл в нём пропадет, или он будет продолжать работать? Фильтр питания Phonocar, подключается к плюсу и земле, на выходе только +12В, не разбирал, но, думаю, они все одинаковые, что-то типа такого:

Ещё хочется реализовать на будущее универсальное авто-включение планшета при появлении питания (сейчас это делает модифицированный биос), но если буду менять, скорее всего нужна будет эмуляция нажатия кнопки. При появлении +5В замыкание цепи на 2-3 секунды, с последующим размыканием, по деталям/номиналам не подскажешь? ;-)
tsynik вне форума   Ответить с цитированием
Старый 11.07.2011, 21:56   #5
Alex-L
Moderator
 
Аватар для Alex-L
 
Регистрация: 23.03.2008
Возраст: 55
Город: Москва, Нагорная
Регион: 77, 97, 99, 177
Машина: Mitsubishi Lancer-X
Сообщений: 2,096
Alex-L is a splendid one to beholdAlex-L is a splendid one to beholdAlex-L is a splendid one to beholdAlex-L is a splendid one to beholdAlex-L is a splendid one to beholdAlex-L is a splendid one to beholdAlex-L is a splendid one to behold
По умолчанию

Цитата:
С добавлением килоомного резистора ток покоя вырос с 14,7 мА до 20 мА
Выкинь его совсем или увеличь до 10кОм. Не критично.
Цитата:
Не понятно, что делать с фильтром ВЧ помех на входе NSD
Я бы попробовал поставить его после НСД: VOUT+ и VOUT- подключить к Vin фильтра, а вместо PSU (на схеме фильтра) будет твоя система.
Цитата:
При появлении +5В замыкание цепи на 2-3 секунды, с последующим размыканием
Вот тема по теме
Alex-L вне форума   Ответить с цитированием
Старый 22.07.2011, 05:08   #6
tsynik
Старший Пользователь
 
Регистрация: 17.03.2011
Город: Moscow
Регион: 77, 97, 99, 177
Машина: Alfa Romeo
Сообщений: 322
tsynik has a spectacular aura abouttsynik has a spectacular aura abouttsynik has a spectacular aura about
По умолчанию

Цитата:
Сообщение от Alex-L Посмотреть сообщение
Выкинь его совсем или увеличь до 10кОм. Не критично.
Выкинуть совсем резистор нельзя, тогда схема вернётся в исходное положение, когда выход ctrl не замкнут на землю, и плата будет во включенном состоянии как при наличии управляющего +12В, так и при его отсутствии, нет? 10 кОм вроде ставил вместо 1кОм, его было не достаточно для отключения блока (логика управляющего контакта: ON... +5.5VDC min. OR OPEN CIRCUIT, OFF... +2.5VDC max. OR SHORT TO PIN2). Оставлю 1кОм, с ним всё работает как должно и ток покоя возрастает всего на 5мА.

Цитата:
Сообщение от Alex-L Посмотреть сообщение
Вот тема по теме
Очень понравилась схема на оптроне своей простотой. В теме говорят, что вместо PC814 можно также использовать PC817.

Не понятно только с номиналами. Для PC817 прямое напряжение на входе по даташиту 1,2В с током в 20мА, получается что R1 (5 kOм) меняется на ~680 Ом или 1кОм для входящего +12В ACC (считал по формуле расчёта резистора для светодиодов), но это без учёта R2 (10кОм) и ёмкости, как правильно их рассчитать для 817-го для замыкания цепи на 2 секунды?
tsynik вне форума   Ответить с цитированием
Старый 22.07.2011, 09:41   #7
change
Старший Пользователь
 
Аватар для change
 
Регистрация: 09.06.2009
Возраст: 59
Город: Моск.обл
Регион: 50, 90, 150
Машина: HONDA CR-V 1998г
Сообщений: 436
change is on a distinguished road
По умолчанию

все оптопары плюс минус одинаковые,берёшь 10ма для устойчивой работы(правда и этого много,но экономия тут не уместна).
на 12ольт,и по закону ома 12\10 получаешь 1.2ком
и всё будет работать в лучшем виде
__________________

интересное
change вне форума   Ответить с цитированием
Старый 22.07.2011, 19:50   #8
tsynik
Старший Пользователь
 
Регистрация: 17.03.2011
Город: Moscow
Регион: 77, 97, 99, 177
Машина: Alfa Romeo
Сообщений: 322
tsynik has a spectacular aura abouttsynik has a spectacular aura abouttsynik has a spectacular aura about
По умолчанию

Цитата:
Сообщение от change Посмотреть сообщение
все оптопары плюс минус одинаковые,берёшь 10ма для устойчивой работы(правда и этого много,но экономия тут не уместна).
на 12ольт,и по закону ома 12\10 получаешь 1.2ком
и всё будет работать в лучшем виде
C одним резистором всё ясно, примерно так и считал для remote на усилитель (только ток брал 20мА, всё работает в лучшем виде), но мне нужно, чтобы второй оптрон выполнял роль кнопки, т.е. замыкал цепь на 2-3 секунды, с последующим размыканием. Вот по номиналам второго резистора и ёмкости к схеме постом выше - не понятно.
tsynik вне форума   Ответить с цитированием
Старый 22.07.2011, 21:16   #9
change
Старший Пользователь
 
Аватар для change
 
Регистрация: 09.06.2009
Возраст: 59
Город: Моск.обл
Регион: 50, 90, 150
Машина: HONDA CR-V 1998г
Сообщений: 436
change is on a distinguished road
По умолчанию

обычный расчёт rc цепочки
t=1/RC
секунды
килоомы
нанофарады
__________________

интересное

Последний раз редактировалось change; 22.07.2011 в 21:48.
change вне форума   Ответить с цитированием
Ответ


Здесь присутствуют: 1 (пользователей: 0 , гостей: 1)
 

Ваши права в разделе
Вы не можете создавать новые темы
Вы не можете отвечать в темах
Вы не можете прикреплять вложения
Вы не можете редактировать свои сообщения

BB коды Вкл.
Смайлы Вкл.
[IMG] код Вкл.
HTML код Выкл.



Часовой пояс GMT +4, время: 03:06.


Работает на vBulletin® версия 3.8.4.
Copyright ©2000 - 2026, Jelsoft Enterprises Ltd.
Перевод: zCarot