PCCar.ru - Ваш автомобильный компьютер

Вернуться   PCCar.ru - Ваш автомобильный компьютер > MP3Car ТехИнфа > Для новичков

Ответ
 
Опции темы Поиск в этой теме
Старый 12.05.2011, 10:13   #1
MaxVMR
Новый Пользователь
 
Регистрация: 12.05.2011
Город: Оха на Сахалине
Регион: 65
Машина: N-Patrol
Сообщений: 1
MaxVMR is on a distinguished road
Exclamation Помогите разобраться со схемой переделки на 12В АТХ!!!

Доброго времени суток!
Прошу помощи у специалистов в ентом вопросе...
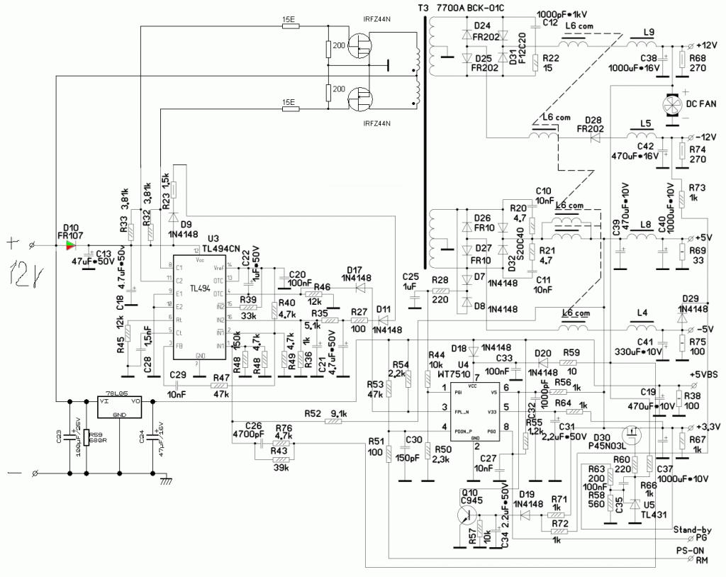
Есть желание собрать АТХ БП для автомобильного компа на 12В, форум почитал в обчем разобрался что к чему, БП комповых много, но вот болеменее подходящий один нарыл, а главное схему к нему нашол!, и дабы не спалить его единственный прошу помочь. Прикладываю оригинальную схему БП и мой вариант его переделки под 12В. Прошу гляньте пожалста правильно ль я его переделал по схеме, если что не так поправьте. У нас еще сложновато с деталями, нехочется сполить ниче лишний раз...
Благодарю всех за ранее...
Миниатюры
Нажмите на изображение для увеличения
Название: Green_Tech_MAV-300W-P4 (TL494,WT7510)(NAVI 340 ATXC).jpg
Просмотров: 1680
Размер:	111.0 Кб
ID:	22047   Нажмите на изображение для увеличения
Название: MyReMake.jpg
Просмотров: 1003
Размер:	115.3 Кб
ID:	22048  
MaxVMR вне форума   Ответить с цитированием
Ответ


Здесь присутствуют: 1 (пользователей: 0 , гостей: 1)
 

Ваши права в разделе
Вы не можете создавать новые темы
Вы не можете отвечать в темах
Вы не можете прикреплять вложения
Вы не можете редактировать свои сообщения

BB коды Вкл.
Смайлы Вкл.
[IMG] код Вкл.
HTML код Выкл.



Часовой пояс GMT +4, время: 17:39.


Работает на vBulletin® версия 3.8.4.
Copyright ©2000 - 2026, Jelsoft Enterprises Ltd.
Перевод: zCarot