PCCar.ru - Ваш автомобильный компьютер

Вернуться   PCCar.ru - Ваш автомобильный компьютер > MP3Car ТехИнфа > АвтоЗвук

Ответ
 
Опции темы Поиск в этой теме
Старый 11.05.2011, 11:15   #1
meps1983
Пользователь
 
Регистрация: 07.02.2010
Возраст: 42
Город: москва
Регион: 77, 97, 99, 177
Машина: Mitsubishi Lancer Mitsubishi RVR
Сообщений: 81
meps1983 is on a distinguished road
По умолчанию Вкыл Усилителя

Посоветуйте таймер включения для усилителя АСС? Схема в архиве.
Вложения
Тип файла: rar Схема.rar (53.0 Кб, 661 просмотров)
meps1983 вне форума   Ответить с цитированием
Старый 11.05.2011, 16:00   #2
Alex-L
Moderator
 
Аватар для Alex-L
 
Регистрация: 23.03.2008
Возраст: 55
Город: Москва, Нагорная
Регион: 77, 97, 99, 177
Машина: Mitsubishi Lancer-X
Сообщений: 2,096
Alex-L is a splendid one to beholdAlex-L is a splendid one to beholdAlex-L is a splendid one to beholdAlex-L is a splendid one to beholdAlex-L is a splendid one to beholdAlex-L is a splendid one to beholdAlex-L is a splendid one to behold
По умолчанию

В архиве файл Схема.php - оперой не открывается, а эксплорера у меня нет. Лучше картинку прицепил бы.
А вообще тут этих таймеров было... поищи по ключевым словам "задержка включения"
Alex-L вне форума   Ответить с цитированием
Старый 11.05.2011, 16:28   #3
Jacks0n
Пользователь
 
Регистрация: 04.06.2010
Возраст: 39
Регион: 77, 97, 99, 177
Сообщений: 92
Jacks0n is on a distinguished road
По умолчанию

Вот, там просто расширение неправильное было.
Миниатюры
Нажмите на изображение для увеличения
Название: Схема.jpg
Просмотров: 1071
Размер:	60.4 Кб
ID:	22034  
Jacks0n вне форума   Ответить с цитированием
Старый 11.05.2011, 19:52   #4
Alex-L
Moderator
 
Аватар для Alex-L
 
Регистрация: 23.03.2008
Возраст: 55
Город: Москва, Нагорная
Регион: 77, 97, 99, 177
Машина: Mitsubishi Lancer-X
Сообщений: 2,096
Alex-L is a splendid one to beholdAlex-L is a splendid one to beholdAlex-L is a splendid one to beholdAlex-L is a splendid one to beholdAlex-L is a splendid one to beholdAlex-L is a splendid one to beholdAlex-L is a splendid one to behold
По умолчанию

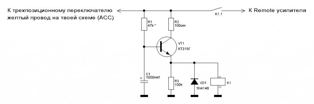
Вот как то так.
Время задержки включения зависит от номиналов R1,C1
Детали:
Реле К1 - слаботочное. Номинальное напряжение срабатывания 12в, коммутируемый ток - более 1А не имеет смысла.
Например: D3202,1462034-1 или TRB-12VDC-SA-CL-R
Диод любой, например 1N4001.
Миниатюры
Нажмите на изображение для увеличения
Название: Задержко.jpg
Просмотров: 804
Размер:	21.0 Кб
ID:	22040  
Alex-L вне форума   Ответить с цитированием
Старый 11.05.2011, 21:52   #5
meps1983
Пользователь
 
Регистрация: 07.02.2010
Возраст: 42
Город: москва
Регион: 77, 97, 99, 177
Машина: Mitsubishi Lancer Mitsubishi RVR
Сообщений: 81
meps1983 is on a distinguished road
По умолчанию

спасибо.мне дали NK102 таймер.из него можно чего небуть сделать?
meps1983 вне форума   Ответить с цитированием
Старый 11.05.2011, 22:31   #6
Alex-L
Moderator
 
Аватар для Alex-L
 
Регистрация: 23.03.2008
Возраст: 55
Город: Москва, Нагорная
Регион: 77, 97, 99, 177
Машина: Mitsubishi Lancer-X
Сообщений: 2,096
Alex-L is a splendid one to beholdAlex-L is a splendid one to beholdAlex-L is a splendid one to beholdAlex-L is a splendid one to beholdAlex-L is a splendid one to beholdAlex-L is a splendid one to beholdAlex-L is a splendid one to behold
По умолчанию

Сам таймер тебе не подойдет, т.к. во первых: он включает на заданное время, а тебе нужно включить через время; во вторых он запускается (начинается отсчет времени) кратковременным нажатием на кнопку... в общем - не то пальто.
А вот детали из него использовать для сборки по моей схеме наверное можно. На мастеркитовской схеме номиналы не указаны, но наверное что-то наковырять можно.
Только зачем? На любом радиорынке этот набор деталей потянет рублей на 100 максимум, из которых 70 будет стоить релюшка.
Alex-L вне форума   Ответить с цитированием
Старый 12.05.2011, 00:29   #7
meps1983
Пользователь
 
Регистрация: 07.02.2010
Возраст: 42
Город: москва
Регион: 77, 97, 99, 177
Машина: Mitsubishi Lancer Mitsubishi RVR
Сообщений: 81
meps1983 is on a distinguished road
По умолчанию

спасибо.
meps1983 вне форума   Ответить с цитированием
Старый 14.05.2011, 01:10   #8
Rover
Старший Пользователь
 
Аватар для Rover
 
Регистрация: 14.11.2009
Город: г. Жуковский
Регион: 50, 90, 150
Сообщений: 271
Rover is a jewel in the roughRover is a jewel in the roughRover is a jewel in the rough
По умолчанию

Цитата:
Сообщение от Alex-L Посмотреть сообщение
Вот как то так.
Время задержки включения зависит от номиналов R1,C1
Детали:
Реле К1 - слаботочное. Номинальное напряжение срабатывания 12в, коммутируемый ток - более 1А не имеет смысла.
Например: D3202,1462034-1 или TRB-12VDC-SA-CL-R
Диод любой, например 1N4001.
Эмитерный повторитель не красиво - гистерезис будет большим. Релюху лучше включать в цепь коллектора.
Rover вне форума   Ответить с цитированием
Старый 14.05.2011, 10:55   #9
Alex-L
Moderator
 
Аватар для Alex-L
 
Регистрация: 23.03.2008
Возраст: 55
Город: Москва, Нагорная
Регион: 77, 97, 99, 177
Машина: Mitsubishi Lancer-X
Сообщений: 2,096
Alex-L is a splendid one to beholdAlex-L is a splendid one to beholdAlex-L is a splendid one to beholdAlex-L is a splendid one to beholdAlex-L is a splendid one to beholdAlex-L is a splendid one to beholdAlex-L is a splendid one to behold
По умолчанию

Я щас подробностей не помю - давно дело было, но с релюшкой в коллекторе чего-то не получалось... Да нормально эта схема работает - я с ней целый год отъездил. В зависимости от температуры окружающей среды немного время может плавать и если питание выключить, потом сразу включить - время не выдерживает. Но в целом со своей задачей справляется.
Alex-L вне форума   Ответить с цитированием
Старый 24.05.2011, 17:11   #10
meps1983
Пользователь
 
Регистрация: 07.02.2010
Возраст: 42
Город: москва
Регион: 77, 97, 99, 177
Машина: Mitsubishi Lancer Mitsubishi RVR
Сообщений: 81
meps1983 is on a distinguished road
По умолчанию Вкыл Усилителя

Такая схема получилась.
Миниатюры
Нажмите на изображение для увеличения
Название: 10.jpg
Просмотров: 1000
Размер:	41.3 Кб
ID:	22199  
meps1983 вне форума   Ответить с цитированием
Ответ


Здесь присутствуют: 1 (пользователей: 0 , гостей: 1)
 

Ваши права в разделе
Вы не можете создавать новые темы
Вы не можете отвечать в темах
Вы не можете прикреплять вложения
Вы не можете редактировать свои сообщения

BB коды Вкл.
Смайлы Вкл.
[IMG] код Вкл.
HTML код Выкл.



Часовой пояс GMT +4, время: 14:34.


Работает на vBulletin® версия 3.8.4.
Copyright ©2000 - 2026, Jelsoft Enterprises Ltd.
Перевод: zCarot