PCCar.ru - Ваш автомобильный компьютер

Вернуться   PCCar.ru - Ваш автомобильный компьютер > MP3Car ТехИнфа > Сделай сам

Ответ
 
Опции темы Поиск в этой теме
Старый 23.04.2011, 03:04   #1
vovicus62
Старший Пользователь
 
Аватар для vovicus62
 
Регистрация: 11.07.2010
Возраст: 54
Регион: 62
Машина: tazeratti-2110
Сообщений: 101
vovicus62 will become famous soon enough
По умолчанию переходник Adapter Mini PCI-E to PCI-E Ver2.11

Может у кого лежат невостребованные карты WI-FI, WI-MAX от ноутбуков, можно внедрить их в кар-пц.
Идею взял отсюда http://www.hwtools.net/Adapter/MP2W.html там есть схемки внизу, и кое какое описание.
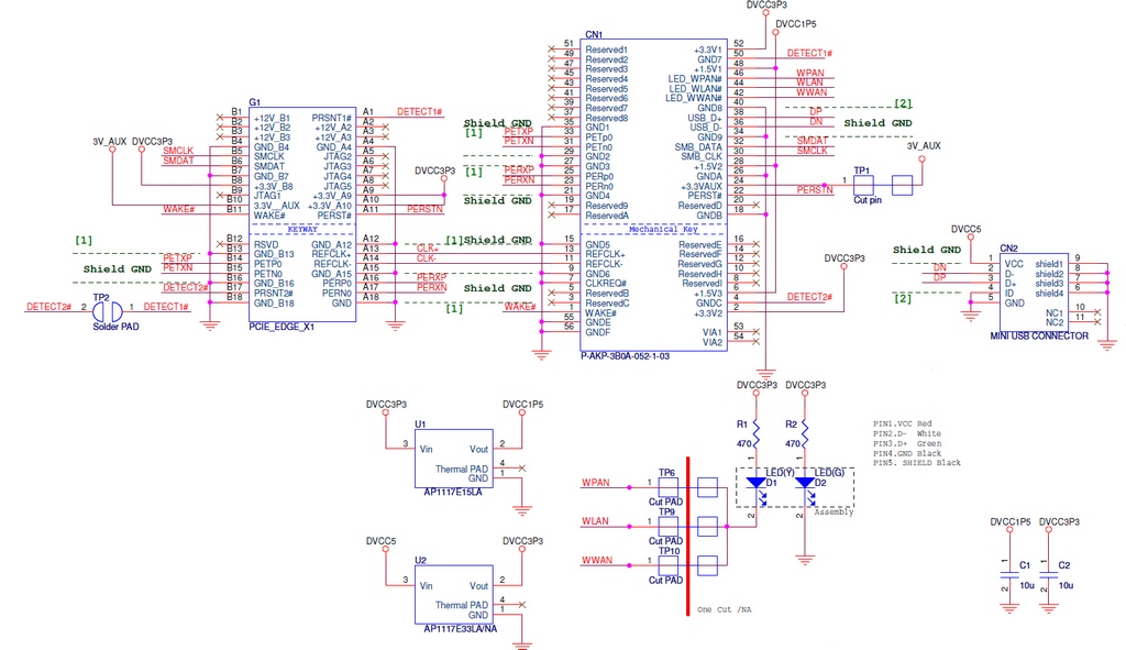
Печатная плата двусторонняя, разработана в Sprint-lavout 5, полный схемный аналог Adapter Mini PCI-E to PCI-E Ver2.11, адаптирован под нужды кар-пц (делал под свой самопальный корпусок) имеет размер 36 х 63 мм.
На борту присутствует USB коннектор, для работы с соответствующими картами, вне корпуса Писи, адаптер универсален.
usb version.rar
Нажмите на изображение для увеличения
Название: MP2W.jpg
Просмотров: 14916
Размер:	154.0 Кб
ID:	21749
Нажмите на изображение для увеличения
Название: P1080279.JPG
Просмотров: 14971
Размер:	45.2 Кб
ID:	21750
Нажмите на изображение для увеличения
Название: P1080241.JPG
Просмотров: 14353
Размер:	66.3 Кб
ID:	21751
печатная плата изготовлена ЛУТ, слой М1 основной монтажный, печатаем зеркально.
Нажмите на изображение для увеличения
Название: схема1.jpg
Просмотров: 16540
Размер:	203.8 Кб
ID:	21752
Нажмите на изображение для увеличения
Название: п.п.JPG
Просмотров: 14696
Размер:	121.3 Кб
ID:	21753
Нажмите на изображение для увеличения
Название: P1080280.JPG
Просмотров: 14300
Размер:	64.2 Кб
ID:	21754
распечатывать ловчее несколько штук сразу, удобнее совмещать слои
Нажмите на изображение для увеличения
Название: немытая.JPG
Просмотров: 14311
Размер:	61.4 Кб
ID:	21756
Нажмите на изображение для увеличения
Название: мытая.JPG
Просмотров: 14000
Размер:	54.4 Кб
ID:	21757
пилим, сверлим, лудим, собираем
светодиоды любые для SMD монтажа, стабилизаторы 1117 на 3,3v и 1,8v
если предполагается эксплуатация только в PCI-E слоте, стабилизаторы можно незапаивать.
Разъём Mini PCI-E добываем в старом ноуте, отпаивать его нужно феном, и очень быстро, чтобы непоплыл.
Нажмите на изображение для увеличения
Название: запчасти.JPG
Просмотров: 19172
Размер:	47.8 Кб
ID:	21758
Нажмите на изображение для увеличения
Название: сборка.JPG
Просмотров: 15589
Размер:	40.9 Кб
ID:	21759
Нажмите на изображение для увеличения
Название: сборка2.JPG
Просмотров: 15699
Размер:	67.9 Кб
ID:	21760
Нажмите на изображение для увеличения
Название: пин.JPG
Просмотров: 14723
Размер:	54.3 Кб
ID:	21761
Нажмите на изображение для увеличения
Название: примерка.JPG
Просмотров: 13959
Размер:	45.2 Кб
ID:	21762
Нажмите на изображение для увеличения
Название: примерка2.JPG
Просмотров: 14572
Размер:	64.8 Кб
ID:	21763
втыкаем в комп, ставим дрова, всё работает
Нажмите на изображение для увеличения
Название: wi-fi view.JPG
Просмотров: 14022
Размер:	67.6 Кб
ID:	21764
Нажмите на изображение для увеличения
Название: wi-fi view2.jpg
Просмотров: 14482
Размер:	68.9 Кб
ID:	21765
__________________
Lilliput 629/619/Zotac 8300 mATX/AMD X2 250/Samsung 320G/M2-Itx/dvd sony AD 7593s/OBD-ORION/Tv-Fm-GPS PILOT

Последний раз редактировалось vovicus62; 23.04.2011 в 03:55.
vovicus62 вне форума   Ответить с цитированием
Старый 23.04.2011, 21:20   #2
tarick
Пользователь
 
Регистрация: 19.11.2010
Город: Киев
Регион: Украина
Машина: Chevrolet Lacetti 3.0 V6
Сообщений: 48
tarick is on a distinguished road
По умолчанию

usb разъем имхо стоило на обратную сторону платы развести
tarick вне форума   Ответить с цитированием
Старый 23.04.2011, 21:39   #3
vovicus62
Старший Пользователь
 
Аватар для vovicus62
 
Регистрация: 11.07.2010
Возраст: 54
Регион: 62
Машина: tazeratti-2110
Сообщений: 101
vovicus62 will become famous soon enough
По умолчанию

Цитата:
Сообщение от tarick Посмотреть сообщение
usb разъем имхо стоило на обратную сторону платы развести
зачем на обратную сторону ?, если адаптер вне компа, какая разница куда втыкать , он ещё выполняет роль подпорки для карточки, высота разъёма 8мм.
__________________
Lilliput 629/619/Zotac 8300 mATX/AMD X2 250/Samsung 320G/M2-Itx/dvd sony AD 7593s/OBD-ORION/Tv-Fm-GPS PILOT
vovicus62 вне форума   Ответить с цитированием
Старый 23.04.2011, 22:14   #4
vovicus62
Старший Пользователь
 
Аватар для vovicus62
 
Регистрация: 11.07.2010
Возраст: 54
Регион: 62
Машина: tazeratti-2110
Сообщений: 101
vovicus62 will become famous soon enough
По умолчанию антена

ноутбуковская антена WI-FI, в sprint-lavout 5, и в векторе.
вообще интересно кто какие антены в авто использует!?, и куда её крепить ?.
Нажмите на изображение для увеличения
Название: Wi-Fi.JPG
Просмотров: 13828
Размер:	191.6 Кб
ID:	21773
Нажмите на изображение для увеличения
Название: P1080269.JPG
Просмотров: 13832
Размер:	36.9 Кб
ID:	21774
Wi-Fi.rar
Wi_Fi_vector.rar
__________________
Lilliput 629/619/Zotac 8300 mATX/AMD X2 250/Samsung 320G/M2-Itx/dvd sony AD 7593s/OBD-ORION/Tv-Fm-GPS PILOT
vovicus62 вне форума   Ответить с цитированием
Старый 25.04.2011, 21:42   #5
Fasterpast
Старший Пользователь
 
Регистрация: 09.11.2007
Возраст: 38
Город: Москва
Регион: 77, 97, 99, 177
Машина: Suzuki Skywave 400
Сообщений: 504
Fasterpast is on a distinguished road
По умолчанию

Прикольно ) На ибее такие за копейки продаются, правда без USB, но зато с пигтейлами для антенн.
Fasterpast вне форума   Ответить с цитированием
Старый 26.04.2011, 00:27   #6
vovicus62
Старший Пользователь
 
Аватар для vovicus62
 
Регистрация: 11.07.2010
Возраст: 54
Регион: 62
Машина: tazeratti-2110
Сообщений: 101
vovicus62 will become famous soon enough
По умолчанию

Цитата:
Сообщение от Fasterpast Посмотреть сообщение
Прикольно ) На ибее такие за копейки продаются, правда без USB, но зато с пигтейлами для антенн.
я делал низкопрофильный вариант для кар-пс, пигтейлы налудить 15 мин, да и попаяться люблю иногда.
300р + пересылка, это уже некопейки, да и не все умеют отовариваться на ибее.
__________________
Lilliput 629/619/Zotac 8300 mATX/AMD X2 250/Samsung 320G/M2-Itx/dvd sony AD 7593s/OBD-ORION/Tv-Fm-GPS PILOT
vovicus62 вне форума   Ответить с цитированием
Старый 26.04.2011, 08:18   #7
aptm
Гуру
 
Аватар для aptm
 
Регистрация: 04.11.2005
Город: Москва
Регион: 77, 97, 99, 177
Машина: VW Passat Variant
Сообщений: 1,425
aptm is a splendid one to beholdaptm is a splendid one to beholdaptm is a splendid one to beholdaptm is a splendid one to beholdaptm is a splendid one to beholdaptm is a splendid one to beholdaptm is a splendid one to behold
По умолчанию

Мне понравился переходник, особенно размерами. Оригинальный требует корпус высотой 80мм. Жалко только за образец не была взята MP2A, с гнездом под sim.

Аннтену для WiFi использую "обычную" как на картах/роутерах на 2.4 GHz. Разьем rp-sma крепиться на спойлере 5-й двери.
Разъем такой:

Антенна:
aptm вне форума   Ответить с цитированием
Старый 27.04.2011, 14:31   #8
vovicus62
Старший Пользователь
 
Аватар для vovicus62
 
Регистрация: 11.07.2010
Возраст: 54
Регион: 62
Машина: tazeratti-2110
Сообщений: 101
vovicus62 will become famous soon enough
По умолчанию

Цитата:
Сообщение от aptm Посмотреть сообщение
Мне понравился переходник, особенно размерами. Оригинальный требует корпус высотой 80мм. Жалко только за образец не была взята MP2A, с гнездом под sim.

Аннтену для WiFi использую "обычную" как на картах/роутерах на 2.4 GHz. Разьем rp-sma крепиться на спойлере 5-й двери.
Разъем такой:

Антенна:
гнездо под симку !?, а зачем оно нужно, модем типа.
__________________
Lilliput 629/619/Zotac 8300 mATX/AMD X2 250/Samsung 320G/M2-Itx/dvd sony AD 7593s/OBD-ORION/Tv-Fm-GPS PILOT
vovicus62 вне форума   Ответить с цитированием
Старый 27.04.2011, 14:44   #9
Fasterpast
Старший Пользователь
 
Регистрация: 09.11.2007
Возраст: 38
Город: Москва
Регион: 77, 97, 99, 177
Машина: Suzuki Skywave 400
Сообщений: 504
Fasterpast is on a distinguished road
По умолчанию

Цитата:
Сообщение от vovicus62 Посмотреть сообщение
я делал низкопрофильный вариант для кар-пс, пигтейлы налудить 15 мин, да и попаяться люблю иногда.
300р + пересылка, это уже некопейки, да и не все умеют отовариваться на ибее.
Да не, сделано всё классно ) Всегда приятно, что там внутри что-то сделанное своими руками работает...
Про ибей, это я так, для справки тем, кто зайдёт в тему и будет спрашивать " а нельзя ли такой купить" и т.д.
Fasterpast вне форума   Ответить с цитированием
Старый 27.04.2011, 21:15   #10
aptm
Гуру
 
Аватар для aptm
 
Регистрация: 04.11.2005
Город: Москва
Регион: 77, 97, 99, 177
Машина: VW Passat Variant
Сообщений: 1,425
aptm is a splendid one to beholdaptm is a splendid one to beholdaptm is a splendid one to beholdaptm is a splendid one to beholdaptm is a splendid one to beholdaptm is a splendid one to beholdaptm is a splendid one to behold
По умолчанию

Цитата:
Сообщение от vovicus62 Посмотреть сообщение
гнездо под симку !?, а зачем оно нужно, модем типа.
Типа да, под такой
aptm вне форума   Ответить с цитированием
Ответ


Здесь присутствуют: 1 (пользователей: 0 , гостей: 1)
 

Ваши права в разделе
Вы не можете создавать новые темы
Вы не можете отвечать в темах
Вы не можете прикреплять вложения
Вы не можете редактировать свои сообщения

BB коды Вкл.
Смайлы Вкл.
[IMG] код Вкл.
HTML код Выкл.



Часовой пояс GMT +4, время: 00:53.


Работает на vBulletin® версия 3.8.4.
Copyright ©2000 - 2026, Jelsoft Enterprises Ltd.
Перевод: zCarot