PCCar.ru - Ваш автомобильный компьютер

Вернуться   PCCar.ru - Ваш автомобильный компьютер > MP3Car ТехИнфа > AndroidCar > Питание

Ответ
 
Опции темы Поиск в этой теме
Старый 12.07.2015, 17:49   #871
sindbad999
Новый Пользователь
 
Регистрация: 25.05.2013
Город: Новосибирск
Регион: 54
Машина: Тианма
Сообщений: 20
sindbad999 is on a distinguished road
По умолчанию

Не попадался кому-нибудь в руки LG 8.3 ?
Хотел бы заранее знать, как организовано питание планшета. Насколько похоже (или совсем непохоже) с Nexus ?
Вопрос вызван желанием удалить батарею для инсталляции "на постоянную".
sindbad999 вне форума   Ответить с цитированием
Старый 12.07.2015, 19:35   #872
sandr2010
Гуру
 
Регистрация: 13.11.2011
Возраст: 62
Город: Волгоград
Регион: 34
Машина: Mitsubishi RVR, Chery Tiggo
Сообщений: 1,780
sandr2010 is a jewel in the roughsandr2010 is a jewel in the roughsandr2010 is a jewel in the roughsandr2010 is a jewel in the rough
По умолчанию

Цитата:
Сообщение от sindbad999 Посмотреть сообщение
Насколько похоже (или совсем непохоже) с Nexus ?
http://www.mobilebattery.ru/akkumulj...mv3q2msjp1g854 ,но удалить можно и будет работать
sandr2010 вне форума   Ответить с цитированием
Старый 12.07.2015, 21:36   #873
sindbad999
Новый Пользователь
 
Регистрация: 25.05.2013
Город: Новосибирск
Регион: 54
Машина: Тианма
Сообщений: 20
sindbad999 is on a distinguished road
По умолчанию

Спасибо SANDR !!!!!
Это вселяет надежду.
sindbad999 вне форума   Ответить с цитированием
Старый 20.07.2015, 19:40   #874
demtro
Старший Пользователь
 
Регистрация: 17.12.2014
Возраст: 34
Город: Самара
Регион: 63, 163
Машина: Lifan Solano
Сообщений: 184
demtro is on a distinguished road
По умолчанию

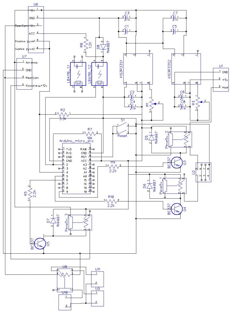
Очередная версия блока питания для планшета. Основана на 2-х модулях KIS, просыпание планшета по датчику холла, так же на плате идет коммутация 2-х камер (простенькая - 1 реле и контактные разъемы) скетч используется тот же что использовал раньше.
Размеры платы 3*4 дюйма.
Все файлы как всегда тут или ниже
Миниатюры
Нажмите на изображение для увеличения
Название: БП_KIS_v3.jpg
Просмотров: 1091
Размер:	169.0 Кб
ID:	40497   Нажмите на изображение для увеличения
Название: БП_KIS_v3_плата.jpg
Просмотров: 1094
Размер:	137.4 Кб
ID:	40498   Нажмите на изображение для увеличения
Название: БП_KIS_v3_схема.jpg
Просмотров: 1482
Размер:	87.4 Кб
ID:	40499  
Вложения
Тип файла: zip БП_KIS_v3.ZIP (389.1 Кб, 619 просмотров)
demtro вне форума   Ответить с цитированием
Старый 24.07.2015, 10:28   #875
Furai2014
Новый Пользователь
 
Регистрация: 25.10.2014
Возраст: 42
Регион: Украина
Сообщений: 25
Furai2014 is on a distinguished road
По умолчанию

Цитата:
Сообщение от demtro Посмотреть сообщение
Очередная версия блока питания для планшета. Основана на 2-х модулях KIS, просыпание планшета по датчику холла, так же на плате идет коммутация 2-х камер (простенькая - 1 реле и контактные разъемы) скетч используется тот же что использовал раньше.
Размеры платы 3*4 дюйма.
Все файлы как всегда тут или ниже
Здравствуйте, а можно заменить LBA110 например на PC817?
Furai2014 вне форума   Ответить с цитированием
Старый 25.07.2015, 17:46   #876
Chubaka885
Старший Пользователь
 
Регистрация: 08.10.2013
Возраст: 43
Регион: 56
Машина: Toyota Corolla e150
Сообщений: 325
Chubaka885 is a jewel in the roughChubaka885 is a jewel in the roughChubaka885 is a jewel in the roughChubaka885 is a jewel in the rough
По умолчанию

Цитата:
Сообщение от Furai2014 Посмотреть сообщение
Здравствуйте, а можно заменить LBA110 например на PC817?
Можно.
__________________
Nexus 7 2012 (grouper), Cyanogenmod 11 - M10
фото установки Nexus 7 2012 & Toyota Corolla
Chubaka885 вне форума   Ответить с цитированием
Старый 05.08.2015, 14:53   #877
mikhailkrasin
Новый Пользователь
 
Регистрация: 17.01.2011
Город: Москва
Регион: 77, 97, 99, 177
Машина: SUBARU
Сообщений: 11
mikhailkrasin is on a distinguished road
По умолчанию

Господа, добрый день. не пинайте т.к. всю голову уже сломал.. тему 3 раза перечитывал, запутался напрочь. посоветуйте схему БП для N7 2013. состав системы будет такой - планшет, хаб, изикап, тв тюнер(?) + зу для телефонов.

с паяльником и феном обращаться умею..

думаю мне подойдет такой (by Kisel39) БП?

вопрос - т.к. он будет стоять в авто жены, а она бывает что очень редко ездит, за какое время БП посадит мне АКБ?
mikhailkrasin вне форума   Ответить с цитированием
Старый 05.08.2015, 14:59   #878
sandr2010
Гуру
 
Регистрация: 13.11.2011
Возраст: 62
Город: Волгоград
Регион: 34
Машина: Mitsubishi RVR, Chery Tiggo
Сообщений: 1,780
sandr2010 is a jewel in the roughsandr2010 is a jewel in the roughsandr2010 is a jewel in the roughsandr2010 is a jewel in the rough
По умолчанию

Можно сделать и с полным отключением всего,даже пданшета при установке патча на автовключение.
sandr2010 вне форума   Ответить с цитированием
Старый 05.08.2015, 15:08   #879
mikhailkrasin
Новый Пользователь
 
Регистрация: 17.01.2011
Город: Москва
Регион: 77, 97, 99, 177
Машина: SUBARU
Сообщений: 11
mikhailkrasin is on a distinguished road
По умолчанию

Цитата:
Сообщение от sandr2010 Посмотреть сообщение
Можно сделать и с полным отключением всего,даже пданшета при установке патча на автовключение.
можно по подробнее?
mikhailkrasin вне форума   Ответить с цитированием
Старый 05.08.2015, 16:26   #880
sandr2010
Гуру
 
Регистрация: 13.11.2011
Возраст: 62
Город: Волгоград
Регион: 34
Машина: Mitsubishi RVR, Chery Tiggo
Сообщений: 1,780
sandr2010 is a jewel in the roughsandr2010 is a jewel in the roughsandr2010 is a jewel in the roughsandr2010 is a jewel in the rough
По умолчанию

http://pccar.ru/showthread.php?t=18305 , mikhailkrasin
sandr2010 вне форума   Ответить с цитированием
Ответ


Здесь присутствуют: 1 (пользователей: 0 , гостей: 1)
 

Ваши права в разделе
Вы не можете создавать новые темы
Вы не можете отвечать в темах
Вы не можете прикреплять вложения
Вы не можете редактировать свои сообщения

BB коды Вкл.
Смайлы Вкл.
[IMG] код Вкл.
HTML код Выкл.



Часовой пояс GMT +4, время: 22:35.


Работает на vBulletin® версия 3.8.4.
Copyright ©2000 - 2026, Jelsoft Enterprises Ltd.
Перевод: zCarot