PCCar.ru - Ваш автомобильный компьютер

Вернуться   PCCar.ru - Ваш автомобильный компьютер > MP3Car ТехИнфа > AndroidCar > Питание

Ответ
 
Опции темы Поиск в этой теме
Старый 14.08.2014, 22:05   #431
anton2204
Старший Пользователь
 
Аватар для anton2204
 
Регистрация: 29.12.2009
Город: Ульяновск
Регион: 73
Машина: VW Polo Sedan. Fiat Albea погибла смертью храбрых(((
Сообщений: 753
anton2204 is a splendid one to beholdanton2204 is a splendid one to beholdanton2204 is a splendid one to beholdanton2204 is a splendid one to beholdanton2204 is a splendid one to beholdanton2204 is a splendid one to beholdanton2204 is a splendid one to behold
По умолчанию

Цитата:
Сообщение от Denkos Посмотреть сообщение
МОНСТР 8реле
Тяжелое наследие лифтремонта)))
Транзистор, реле...по большому счету какая разница?
Предложи красивое готовое решение - куплю!
__________________
Если хочешь поработать - ляг, поспи и всё пройдёт!
Мой проект - Rover A700GQ в Fiat Albea неожиданно завершен
Второй проект - VW Polo Sedan(была Nexus7 2012 Wi-Fi(Timur) теперь сток 4.4.4+ядро от Daniel, БП на NSD15-12S5 переделан под датчик Холла, HUB D-Link DUB-H7(серый), DAC PCM2706+ES9023(ранее был на PCM2704), контроллер Юры(YAM1966)+кнопки на "морде"+ИК пульт на руль MYSTERY RC-90UN, камера ЗХ на Easier CAP(v.008,АМТ630) и RearViewCamera-1.4-test.apk
anton2204 вне форума   Ответить с цитированием
Старый 15.08.2014, 00:54   #432
xDevilx
Новый Пользователь
 
Регистрация: 06.08.2014
Возраст: 43
Регион: Украина
Сообщений: 25
xDevilx is on a distinguished road
По умолчанию

Вопросик - есть ли большая разница реле рвет плюс или минус....


Просто по скольку блок на NSD все равно строить и бросать провода от акб -
то хочу заодно и для радар детектора сделать 12 вольт непрырывные во время старта.

В реле по ходу масса на NDS нужна для разрыва, а для радар детектора как раз на замыкание(нога эт свободна по ходу) да и эти +12 будут приходить сначала на блок контроля разряда аккумулятора а потом уже на радар детектор

Или же всетаки для радар детектора сделать отдельную развязку на + ?
xDevilx вне форума   Ответить с цитированием
Старый 28.08.2014, 10:56   #433
anton2204
Старший Пользователь
 
Аватар для anton2204
 
Регистрация: 29.12.2009
Город: Ульяновск
Регион: 73
Машина: VW Polo Sedan. Fiat Albea погибла смертью храбрых(((
Сообщений: 753
anton2204 is a splendid one to beholdanton2204 is a splendid one to beholdanton2204 is a splendid one to beholdanton2204 is a splendid one to beholdanton2204 is a splendid one to beholdanton2204 is a splendid one to beholdanton2204 is a splendid one to behold
По умолчанию

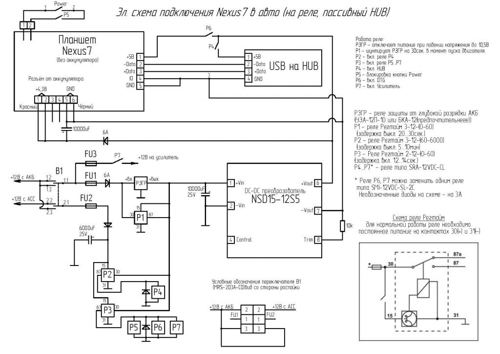
Немного модифицировал свою же схему/монстр( ) из этого поста.
Изменения коснулись реле защиты от глубокого разряда аккумулятора(РЗГР) - ранее защита касалась только HUBа и устройств в нем, теперь еще и самого планшета. Конденсатор перед реле Р2 нужен только чтобы не отлипало реле Р3 при переключении переключателя В1. Номинал требует корректировки опытным путем.Если поставить слишком большой - планшет долго не будет "засыпать".
P.S. Эту схему не собирал, но схема из предыдущего поста уже внедрена в авто. Окончательное резюме можно сказать только после тестирования в морозы со всеми вытекающими из этого последствиями(холод, просадки питания и.т.д.)
Миниатюры
Нажмите на изображение для увеличения
Название: Вариант3и.jpg
Просмотров: 905
Размер:	98.4 Кб
ID:	36919  
__________________
Если хочешь поработать - ляг, поспи и всё пройдёт!
Мой проект - Rover A700GQ в Fiat Albea неожиданно завершен
Второй проект - VW Polo Sedan(была Nexus7 2012 Wi-Fi(Timur) теперь сток 4.4.4+ядро от Daniel, БП на NSD15-12S5 переделан под датчик Холла, HUB D-Link DUB-H7(серый), DAC PCM2706+ES9023(ранее был на PCM2704), контроллер Юры(YAM1966)+кнопки на "морде"+ИК пульт на руль MYSTERY RC-90UN, камера ЗХ на Easier CAP(v.008,АМТ630) и RearViewCamera-1.4-test.apk
anton2204 вне форума   Ответить с цитированием
Старый 01.09.2014, 04:23   #434
ak1976
Пользователь
 
Регистрация: 03.06.2008
Возраст: 50
Город: Хабаровск
Регион: 27
Машина: 2003\Toyota\Ipsum
Сообщений: 55
ak1976 is a name known to allak1976 is a name known to allak1976 is a name known to allak1976 is a name known to allak1976 is a name known to allak1976 is a name known to all
По умолчанию

В качестве БП с гальванической развязкой на форуме большинство предлагает модель NSD15-12S5, сегодня наткнулся на альтернативу RB1205MD-15W от компании Nengda.
Цена меньше, КПД выше. В линейке есть БП мощностью 25Вт например, RB1205MD-25W. Мне скоро, возможно понадобится БП на 12В 2А с гальванической развязкой. От mean well такой (SDM30-12S12) стоит 1300 без доставки, RB1212MD-25W выйдет в 670 руб. Вот и думаю если нет разницы, стоит ли платить больше?
ak1976 вне форума   Ответить с цитированием
Старый 01.09.2014, 07:40   #435
anton2204
Старший Пользователь
 
Аватар для anton2204
 
Регистрация: 29.12.2009
Город: Ульяновск
Регион: 73
Машина: VW Polo Sedan. Fiat Albea погибла смертью храбрых(((
Сообщений: 753
anton2204 is a splendid one to beholdanton2204 is a splendid one to beholdanton2204 is a splendid one to beholdanton2204 is a splendid one to beholdanton2204 is a splendid one to beholdanton2204 is a splendid one to beholdanton2204 is a splendid one to behold
По умолчанию

У NSD можно напругой на выходе "поиграться"/компенсировать потери. На предложенных Вами вариантах я такого не увидел(может не туда смотрел...).
__________________
Если хочешь поработать - ляг, поспи и всё пройдёт!
Мой проект - Rover A700GQ в Fiat Albea неожиданно завершен
Второй проект - VW Polo Sedan(была Nexus7 2012 Wi-Fi(Timur) теперь сток 4.4.4+ядро от Daniel, БП на NSD15-12S5 переделан под датчик Холла, HUB D-Link DUB-H7(серый), DAC PCM2706+ES9023(ранее был на PCM2704), контроллер Юры(YAM1966)+кнопки на "морде"+ИК пульт на руль MYSTERY RC-90UN, камера ЗХ на Easier CAP(v.008,АМТ630) и RearViewCamera-1.4-test.apk
anton2204 вне форума   Ответить с цитированием
Старый 01.09.2014, 07:52   #436
myen
Старший Пользователь
 
Регистрация: 08.07.2014
Регион: 24
Сообщений: 110
myen is on a distinguished road
По умолчанию

о, там еще есть такая штука http://www.aliexpress.com/store/prod...768644720.html
ее можно прикрутить в качестве развязки на usb к которой звуковая подключена?
__________________
Nexus 7 3G (tilapia) - съемный вариант, D-Link DUB-H7, USB DAC Muse, ELM327 BT, EasyCap STK1160, БП на одном KIS-3R33S
myen вне форума   Ответить с цитированием
Старый 01.09.2014, 09:28   #437
ak1976
Пользователь
 
Регистрация: 03.06.2008
Возраст: 50
Город: Хабаровск
Регион: 27
Машина: 2003\Toyota\Ipsum
Сообщений: 55
ak1976 is a name known to allak1976 is a name known to allak1976 is a name known to allak1976 is a name known to allak1976 is a name known to allak1976 is a name known to all
По умолчанию

Цитата:
Сообщение от anton2204 Посмотреть сообщение
У NSD можно напругой на выходе "поиграться"/компенсировать потери. На предложенных Вами вариантах я такого не увидел(может не туда смотрел...).
Если верить китайскому даташиту выход trim у них тоже есть, правда как его использовать не описано.
ak1976 вне форума   Ответить с цитированием
Старый 01.09.2014, 09:40   #438
Denkos
Гуру
 
Регистрация: 21.01.2010
Город: Новосибирск
Регион: 54
Сообщений: 2,580
Denkos is a glorious beacon of lightDenkos is a glorious beacon of lightDenkos is a glorious beacon of lightDenkos is a glorious beacon of lightDenkos is a glorious beacon of lightDenkos is a glorious beacon of light
По умолчанию

Цитата:
Сообщение от ak1976 Посмотреть сообщение
Если верить китайскому даташиту выход trim у них тоже есть, правда как его использовать не описано.
да как обычно.
Denkos вне форума   Ответить с цитированием
Старый 02.09.2014, 05:10   #439
Serg-Zmuh
Старший Пользователь
 
Аватар для Serg-Zmuh
 
Регистрация: 19.02.2014
Возраст: 55
Город: Ванино
Регион: 27
Машина: MMC-Pajero-II,V46,4М40
Сообщений: 327
Serg-Zmuh will become famous soon enough
Question

Народ подскажите
вот на пробу заказал БП на kis'е вот с такой обвязкой

хочу попробовать запитать свой планш Freelander PD20 ,(там зарядка отдельным джеком),батарею соответственно убрать .

А как его настроить ? чет я туплю наверно .... помогите
вроде там описано ,но принцип уловить не могу....
два регулятора зачем
Serg-Zmuh вне форума   Ответить с цитированием
Старый 02.09.2014, 06:09   #440
Tommy_Gun
Пользователь
 
Регистрация: 20.03.2014
Возраст: 41
Регион: 65
Сообщений: 64
Tommy_Gun is on a distinguished road
По умолчанию

Цитата:
Сообщение от Serg-Zmuh Посмотреть сообщение
А как его настроить ? чет я туплю наверно .... помогите
вроде там описано ,но принцип уловить не могу....
два регулятора зачем
Первым резистором выставляется ток от 0.1-3 ампер. Вторым - напряжение от 0.95-20 вольт. Вращение по часовой уменьшает настроечные параметры...
Выставить нужно только напряжение необходимое для планшета. Ток на максимум, иначе планшет будет вырубаться. Такой регулятор обычно как LED драйвер используют (светодиодам ток постоянный нужен)... Но для планшета тоже норм(если на максимум ток установить).
Tommy_Gun вне форума   Ответить с цитированием
Ответ


Здесь присутствуют: 1 (пользователей: 0 , гостей: 1)
 

Ваши права в разделе
Вы не можете создавать новые темы
Вы не можете отвечать в темах
Вы не можете прикреплять вложения
Вы не можете редактировать свои сообщения

BB коды Вкл.
Смайлы Вкл.
[IMG] код Вкл.
HTML код Выкл.



Часовой пояс GMT +4, время: 15:48.


Работает на vBulletin® версия 3.8.4.
Copyright ©2000 - 2026, Jelsoft Enterprises Ltd.
Перевод: zCarot