PCCar.ru - Ваш автомобильный компьютер

Вернуться   PCCar.ru - Ваш автомобильный компьютер > MP3Car ТехИнфа > Блоки питания > Самодельные блоки питания

Ответ
 
Опции темы Поиск в этой теме
Старый 02.10.2009, 14:29   #381
rabbin
Новый Пользователь
 
Регистрация: 23.01.2009
Возраст: 47
Город: Екатеринбург
Регион: 66, 96
Машина: 2008\Хундай\Акцент
Сообщений: 26
rabbin is on a distinguished road
По умолчанию

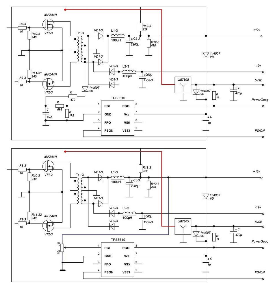
Еще пару вопросов change!, вот как я это вижу, правильно состыковал ПГ? и где я подрисовал красным это минус, я правильно понимаю?

Заранее прошу прощения за может быть глупые вопросы, просто образование у меня не техническое.

rabbin вне форума   Ответить с цитированием
Старый 02.10.2009, 17:25   #382
change
Старший Пользователь
 
Аватар для change
 
Регистрация: 09.06.2009
Возраст: 59
Город: Моск.обл
Регион: 50, 90, 150
Машина: HONDA CR-V 1998г
Сообщений: 436
change is on a distinguished road
По умолчанию

Цитата:
Сообщение от rabbin Посмотреть сообщение
Еще пару вопросов change!, вот как я это вижу, правильно состыковал ПГ? и где я подрисовал красным это минус, я правильно понимаю?

Заранее прошу прощения за может быть глупые вопросы, просто образование у меня не техническое.

совершенно правильно
да это минус
__________________

интересное
change вне форума   Ответить с цитированием
Старый 02.10.2009, 17:44   #383
rabbin
Новый Пользователь
 
Регистрация: 23.01.2009
Возраст: 47
Город: Екатеринбург
Регион: 66, 96
Машина: 2008\Хундай\Акцент
Сообщений: 26
rabbin is on a distinguished road
По умолчанию

Спасибо!!! Бум ваять !
rabbin вне форума   Ответить с цитированием
Старый 23.10.2009, 18:26   #384
mefisto
Новый Пользователь
 
Регистрация: 15.09.2008
Город: Москва
Регион: 50, 90, 150
Машина: 1995\jeep\grand cherokee
Сообщений: 15
mefisto is on a distinguished road
По умолчанию

Всем привет! Я тут новый посетитель. Читал всю ветку полностью и не раз, собираю тоже этот блок для своего проекта.
Я вот что думаю не будет ли верно сделать pgi так как на втором варианте:
Миниатюры
Нажмите на изображение для увеличения
Название: 11111111.jpg
Просмотров: 854
Размер:	91.9 Кб
ID:	13543  

Последний раз редактировалось mefisto; 25.10.2009 в 19:31.
mefisto вне форума   Ответить с цитированием
Старый 24.10.2009, 00:50   #385
Gosha39
Старший Пользователь
 
Регистрация: 22.08.2007
Возраст: 45
Город: Верхняя Салда
Регион: 66, 96
Машина: 2001\Toyota\Corolla
Сообщений: 354
Gosha39 will become famous soon enough
По умолчанию

А TPS (2контакт) на землю не надо чтоли ?
__________________
Мой проект - http://pccar.ru/showthread.php?t=5969
Комп - БП-G39, AsusP5PE-VM, CPU-Intel 2.2Ггц, ОЗУ-1Гб, HDD - Hitachi 2.5" 160Gb, Audygi 2, LILLIPUT GL629, Камера-RV-C270E.
Фронт - Steg K2/01 на Focal 165 VR.
Саб - ЗЯ .......... пока курит
Gosha39 вне форума   Ответить с цитированием
Старый 25.10.2009, 19:29   #386
mefisto
Новый Пользователь
 
Регистрация: 15.09.2008
Город: Москва
Регион: 50, 90, 150
Машина: 1995\jeep\grand cherokee
Сообщений: 15
mefisto is on a distinguished road
По умолчанию

Цитата:
Сообщение от Gosha39 Посмотреть сообщение
А TPS (2контакт) на землю не надо чтоли ?
Это мой косяк забыл про него, просто хотелось донести суть самого решения...
mefisto вне форума   Ответить с цитированием
Старый 10.11.2009, 21:25   #387
3o3o
Новый Пользователь
 
Аватар для 3o3o
 
Регистрация: 08.08.2009
Город: Псков
Регион: 60
Машина: Renault Logan
Сообщений: 9
3o3o is on a distinguished road
Thumbs up Подбор дросселя

После длительного перерыва появилось опять время для экспериментов с БП. Т.к. сам по себе он работает, а мне, собственно, не нравится то, что сильно греется 12В канал, я решил по совету местных ГУРУ попробовать различные дроссели. Скажу сразу, пробовал всякие и на стержнях и на кольцах. Даже некоторые экземпляры сам наматывал, а потом еще и индуктивность прибором измерял. Те, что из дохлых БП ATX извлек - полное ГOBHO! Что на стержнях, что на кольцах индуктивность максимум была 50мкГ. Решил сам намотать на колечке. Намотал, померил индуктивность и был обрадован показаниям прибора - 236мкГ. Запаял в БП, включил и практически сразу 12В канал жутко нагрелся. Старшие товарищи мне рассказали, что возможно феррит уходит в насыщение и индуктивность пропадает. Короче, взял я кусок ферритового стержня от антенны какого-то старого приемника и на него намотал проволоку диаметром 1.6мм под завязку в два ряда (см. фото). Получился отличный дроссель Сейчас даже не нужен куллер на радиатор, да и сам дроссель не сильно греется, можно его держать рукой.

P.S. На фото дроссель светлый поменьше был изъят из какого-то дохлого БП. Тот что побольше я намотал сам. В принципе с маленьким тоже работает, но греется сильнее чем с самодельным.
Миниатюры
Нажмите на изображение для увеличения
Название: 1.jpg
Просмотров: 1010
Размер:	84.5 Кб
ID:	13813   Нажмите на изображение для увеличения
Название: 2.jpg
Просмотров: 779
Размер:	160.4 Кб
ID:	13814   Нажмите на изображение для увеличения
Название: 3.jpg
Просмотров: 1011
Размер:	176.1 Кб
ID:	13815  
3o3o вне форума   Ответить с цитированием
Старый 08.01.2010, 23:44   #388
ZVER
Новый Пользователь
 
Регистрация: 05.07.2009
Регион: 58
Машина: ВАЗ 21099
Сообщений: 9
ZVER is on a distinguished road
Lightbulb

Вот и я собрал данный БП. Всё замечательно, все напряжения выставил быстро, система стартует, работает. Но вот один вопрос - если заводить машину при работающем компьютере, то если крутить стартером более пары секунд, комп вырубается. Это нормально? (я понимаю, что идет просадка напряжения на аккумуляторе но всё же). Как этого избежать? (может ещё емкостей напихать)
ZVER вне форума   Ответить с цитированием
Старый 09.01.2010, 18:04   #389
Gosha39
Старший Пользователь
 
Регистрация: 22.08.2007
Возраст: 45
Город: Верхняя Салда
Регион: 66, 96
Машина: 2001\Toyota\Corolla
Сообщений: 354
Gosha39 will become famous soon enough
По умолчанию

Если АКБ старый или разряжен, то может сбросится!

По чьей печатке делал ? В моей ёмкостей достаточно, для стабильной работы
__________________
Мой проект - http://pccar.ru/showthread.php?t=5969
Комп - БП-G39, AsusP5PE-VM, CPU-Intel 2.2Ггц, ОЗУ-1Гб, HDD - Hitachi 2.5" 160Gb, Audygi 2, LILLIPUT GL629, Камера-RV-C270E.
Фронт - Steg K2/01 на Focal 165 VR.
Саб - ЗЯ .......... пока курит
Gosha39 вне форума   Ответить с цитированием
Старый 10.01.2010, 03:11   #390
xDriver
Старший Пользователь
 
Аватар для xDriver
 
Регистрация: 12.04.2007
Город: Москва
Регион: 77, 97, 99, 177
Машина: 2013 Hyundai IX35
Сообщений: 400
xDriver is on a distinguished road
По умолчанию

Цитата:
Сообщение от ZVER Посмотреть сообщение
Вот и я собрал данный БП. Всё замечательно, все напряжения выставил быстро, система стартует, работает. Но вот один вопрос - если заводить машину при работающем компьютере, то если крутить стартером более пары секунд, комп вырубается. Это нормально? (я понимаю, что идет просадка напряжения на аккумуляторе но всё же). Как этого избежать? (может ещё емкостей напихать)
Провода от АКБ до компа как можно толще и короче.
xDriver вне форума   Ответить с цитированием
Ответ


Здесь присутствуют: 1 (пользователей: 0 , гостей: 1)
 

Ваши права в разделе
Вы не можете создавать новые темы
Вы не можете отвечать в темах
Вы не можете прикреплять вложения
Вы не можете редактировать свои сообщения

BB коды Вкл.
Смайлы Вкл.
[IMG] код Вкл.
HTML код Выкл.



Часовой пояс GMT +4, время: 16:08.


Работает на vBulletin® версия 3.8.4.
Copyright ©2000 - 2026, Jelsoft Enterprises Ltd.
Перевод: zCarot