PCCar.ru - Ваш автомобильный компьютер

Вернуться   PCCar.ru - Ваш автомобильный компьютер > MP3Car ТехИнфа > Блоки питания > Самодельные блоки питания

Ответ
 
Опции темы Поиск в этой теме
Старый 26.07.2009, 01:04   #351
Gosha39
Старший Пользователь
 
Регистрация: 22.08.2007
Возраст: 45
Город: Верхняя Салда
Регион: 66, 96
Машина: 2001\Toyota\Corolla
Сообщений: 354
Gosha39 will become famous soon enough
По умолчанию

поговори с ребятами с форума, может кто вышлет почтой
__________________
Мой проект - http://pccar.ru/showthread.php?t=5969
Комп - БП-G39, AsusP5PE-VM, CPU-Intel 2.2Ггц, ОЗУ-1Гб, HDD - Hitachi 2.5" 160Gb, Audygi 2, LILLIPUT GL629, Камера-RV-C270E.
Фронт - Steg K2/01 на Focal 165 VR.
Саб - ЗЯ .......... пока курит
Gosha39 вне форума   Ответить с цитированием
Старый 10.08.2009, 17:32   #352
AlexNemo
Пользователь
 
Регистрация: 06.05.2009
Возраст: 56
Город: Харьков
Регион: Украина
Машина: Subaru Forester MY09
Сообщений: 23
AlexNemo is on a distinguished road
По умолчанию

Цитата:
Сообщение от kogut Посмотреть сообщение
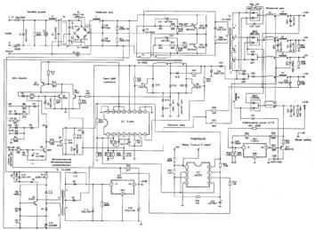
Может на LM393 или аналоговый (на конденсаторе) собрать формирователь PG, где-то на форуме встречал, сейчас найти не могу схемы? кто-нибудь такой ставил? киньте схему pls...
Должно помочь.... Эта-же схема формирования PG на 393 исп. в БП Лебедева, там ты ее и видел скорей всего.
Миниатюры
Нажмите на изображение для увеличения
Название: atx200.jpg
Просмотров: 1326
Размер:	19.7 Кб
ID:	12177  
AlexNemo вне форума   Ответить с цитированием
Старый 11.08.2009, 11:10   #353
Sergey_L
Старший Пользователь
 
Регистрация: 08.09.2005
Город: Москва
Регион: 77, 97, 99, 177
Машина: х2 ВАЗ-21053 (1993 вишня, 2002 океан)
Сообщений: 542
Sergey_L is on a distinguished road
По умолчанию

Цитата:
Сообщение от AlexNemo Посмотреть сообщение
Должно помочь.... Эта-же схема формирования PG на 393 исп. в БП Лебедева, там ты ее и видел скорей всего.
В оригинале никогда там такого не было ...! Ссылка на доработку от Chip была.
__________________
Когда есть желание, ищут возможность,
когда его нет - причину!


МОЙ ПРОЕКТ
Sergey_L вне форума   Ответить с цитированием
Старый 15.09.2009, 16:23   #354
3o3o
Новый Пользователь
 
Аватар для 3o3o
 
Регистрация: 08.08.2009
Город: Псков
Регион: 60
Машина: Renault Logan
Сообщений: 9
3o3o is on a distinguished road
Lightbulb

Всем привет! Собрал я свой экземпляр такого БП. Без TPSки на лампочках настроил все плюсовые напряжения (пришлось килоомные резисторы от подстроечников на землю по 12В и 3,3В заменить на 560 Ом). Однако, минусовые напруги, почему то улетели: -5 => -8, а -12 => -18. Попробовал запитать мать от своего БП, но она не хочет запускаться. Включается, куллер на проце крутится, но ничего не происходит Может подскажете где капнуть?
Миниатюры
Нажмите на изображение для увеличения
Название: 3.jpg
Просмотров: 1318
Размер:	109.6 Кб
ID:	12740  
3o3o вне форума   Ответить с цитированием
Старый 15.09.2009, 22:06   #355
Gosha39
Старший Пользователь
 
Регистрация: 22.08.2007
Возраст: 45
Город: Верхняя Салда
Регион: 66, 96
Машина: 2001\Toyota\Corolla
Сообщений: 354
Gosha39 will become famous soon enough
По умолчанию

С килоомными резисторами так и есть подбирать приходится!
С минусовыми напругами по причине разных внутренних сопротивлений диодов, не волнуйся всё нормально.
Я без TPS-ки мамку старую сжёг (кулеры крутятся, проц греется).
Каналы нагрузил, напруги настроил, TPS воткнул, запустил (запустилась- отлично), цепляй к мамке.
Получилось красиво, причтно посмотреть Радиаторы не забудь через прокладки поставить!!!
__________________
Мой проект - http://pccar.ru/showthread.php?t=5969
Комп - БП-G39, AsusP5PE-VM, CPU-Intel 2.2Ггц, ОЗУ-1Гб, HDD - Hitachi 2.5" 160Gb, Audygi 2, LILLIPUT GL629, Камера-RV-C270E.
Фронт - Steg K2/01 на Focal 165 VR.
Саб - ЗЯ .......... пока курит
Gosha39 вне форума   Ответить с цитированием
Старый 15.09.2009, 23:45   #356
3o3o
Новый Пользователь
 
Аватар для 3o3o
 
Регистрация: 08.08.2009
Город: Псков
Регион: 60
Машина: Renault Logan
Сообщений: 9
3o3o is on a distinguished road
По умолчанию

Цитата:
Сообщение от Gosha39 Посмотреть сообщение
С минусовыми напругами по причине разных внутренних сопротивлений диодов, не волнуйся всё нормально.
Буду надеяться что так.
Цитата:
Сообщение от Gosha39 Посмотреть сообщение
Я без TPS-ки мамку старую сжёг (кулеры крутятся, проц греется).
Каналы нагрузил, напруги настроил, TPS воткнул, запустил (запустилась- отлично), цепляй к мамке.
Дык, я после настроек напряжений на лампочках воткнул TPSку на место. Подключил БП к матери и кнопкой запускаю... но... куллер на проце крутится, а на экране ничего нет Короче, завтра буду осциллографом смотреть. Может подскажешь куда тыкаться и что смотреть в первую очередь?
Цитата:
Сообщение от Gosha39 Посмотреть сообщение
Получилось красиво, причтно посмотреть Радиаторы не забудь через прокладки поставить!!!
Спасибо за комплимент Я старался Была возможность отдать знакомому трансы, чтобы он их в трансформаторный лак окунул. Теперь они блестят Радиаторы я уже поставил. Только хороших не нашел. Пришлось из того, что было пилить и прикручивать. Короче, полевички греются очень сильно. Особенно те, которые на 12В. Это нормально?
Миниатюры
Нажмите на изображение для увеличения
Название: 1.jpg
Просмотров: 1324
Размер:	114.9 Кб
ID:	12755  
3o3o вне форума   Ответить с цитированием
Старый 16.09.2009, 17:13   #357
Gosha39
Старший Пользователь
 
Регистрация: 22.08.2007
Возраст: 45
Город: Верхняя Салда
Регион: 66, 96
Машина: 2001\Toyota\Corolla
Сообщений: 354
Gosha39 will become famous soon enough
По умолчанию

Выходные дроссели маловаты (и проволка и витков мало), по 12в греться будет.

Если трансы не шумят и БП работает без кулера и не перегревается (70 градусов), и с провадами ничего не напутал, то можно попробовать напруги покрутить (естественно тока под нагрузкой).
А для начала ему нуна тест драйв устроить (обкатать на лампочках и АКБ) 5-10 цыклов до разрядки АКБ !
От плотности и павномерности намотки транса КПД зависит!
__________________
Мой проект - http://pccar.ru/showthread.php?t=5969
Комп - БП-G39, AsusP5PE-VM, CPU-Intel 2.2Ггц, ОЗУ-1Гб, HDD - Hitachi 2.5" 160Gb, Audygi 2, LILLIPUT GL629, Камера-RV-C270E.
Фронт - Steg K2/01 на Focal 165 VR.
Саб - ЗЯ .......... пока курит
Gosha39 вне форума   Ответить с цитированием
Старый 17.09.2009, 16:35   #358
3o3o
Новый Пользователь
 
Аватар для 3o3o
 
Регистрация: 08.08.2009
Город: Псков
Регион: 60
Машина: Renault Logan
Сообщений: 9
3o3o is on a distinguished road
Smile

Цитата:
Сообщение от Gosha39 Посмотреть сообщение
Выходные дроссели маловаты (и проволка и витков мало), по 12в греться будет.
Ну что, по твоему совету поменял дроссели. Были сердечники 5мм диаметр и 20мм длина, диаметр провода примерно чуть больше 1мм (нечем измерить), 6 витков. Нашел и поставил дроссели как написано в этой ветке: 6мм диаметр и 30мм длинна, диаметр провода меньше, примерно 0.7-0.8мм, 18 витков.
И о! Чудо! Мать начала стартовать, правда дроссель по 12В сильно греется, но это и понятно диаметр провод маловат. Короче, спасибо тебе ГУРУ за ПИНОК в нужном направлении Теперь буду думать как перемотать дроссели более толстым проводом. Кстати, мотать до заполнения или надо какое-то определенное кол-во витков? Нигде в ветке не нашел ответа на этот вопрос
3o3o вне форума   Ответить с цитированием
Старый 17.09.2009, 20:24   #359
Gosha39
Старший Пользователь
 
Регистрация: 22.08.2007
Возраст: 45
Город: Верхняя Салда
Регион: 66, 96
Машина: 2001\Toyota\Corolla
Сообщений: 354
Gosha39 will become famous soon enough
По умолчанию

Ты видимо такойже гуру как и я. Плотно в 2 слоя наматываеш на гвоздь (трубочку D6 мм) провод 1.5 мм и длиной примерно 30 мм, кусаеш концы, расслабляеш её и загибаеш выводы. Насаживаеш на ферит и в лак!!! На печатке дырки какраз под его размерчиг!
Купи клей "титан" для потолочной, пенопластовой плитки и залей выводы на трансах, залей дроссели, кондёры, все провода и тд. Если чё он паяльником в жевачку превращается, а так камушком ))))))))
__________________
Мой проект - http://pccar.ru/showthread.php?t=5969
Комп - БП-G39, AsusP5PE-VM, CPU-Intel 2.2Ггц, ОЗУ-1Гб, HDD - Hitachi 2.5" 160Gb, Audygi 2, LILLIPUT GL629, Камера-RV-C270E.
Фронт - Steg K2/01 на Focal 165 VR.
Саб - ЗЯ .......... пока курит
Gosha39 вне форума   Ответить с цитированием
Старый 17.09.2009, 20:27   #360
kogut
Новый Пользователь
 
Регистрация: 12.04.2009
Город: Almaty
Регион: Казахстан
Машина: Mitsubishi Montero Sport
Сообщений: 9
kogut is on a distinguished road
По умолчанию

Цитата:
Сообщение от 3o3o Посмотреть сообщение
Ну что, по твоему совету поменял дроссели. Были сердечники 5мм диаметр и 20мм длина, диаметр провода примерно чуть больше 1мм (нечем измерить), 6 витков. Нашел и поставил дроссели как написано в этой ветке: 6мм диаметр и 30мм длинна, диаметр провода меньше, примерно 0.7-0.8мм, 18 витков.
И о! Чудо! Мать начала стартовать, правда дроссель по 12В сильно греется, но это и понятно диаметр провод маловат. Короче, спасибо тебе ГУРУ за ПИНОК в нужном направлении Теперь буду думать как перемотать дроссели более толстым проводом. Кстати, мотать до заполнения или надо какое-то определенное кол-во витков? Нигде в ветке не нашел ответа на этот вопрос
А как с нагревом транзисторов разобрался? Греются? Я подключил мать Intel GCLF2 + винт 2.5, потребляемый ток всего 3A и греются.... пальцы толго не удержишь... В соседней ветке (про переделку ATX блока) проскакивало что возможно не хватает напряжения для полного открытия транзисторов???
У кого какой нагрев при каком токе?
kogut вне форума   Ответить с цитированием
Ответ


Здесь присутствуют: 1 (пользователей: 0 , гостей: 1)
 

Ваши права в разделе
Вы не можете создавать новые темы
Вы не можете отвечать в темах
Вы не можете прикреплять вложения
Вы не можете редактировать свои сообщения

BB коды Вкл.
Смайлы Вкл.
[IMG] код Вкл.
HTML код Выкл.



Часовой пояс GMT +4, время: 21:58.


Работает на vBulletin® версия 3.8.4.
Copyright ©2000 - 2026, Jelsoft Enterprises Ltd.
Перевод: zCarot