PCCar.ru - Ваш автомобильный компьютер

Вернуться   PCCar.ru - Ваш автомобильный компьютер > MP3Car ТехИнфа > AndroidCar > Дополнительные устройства

Ответ
 
Опции темы Поиск в этой теме
Старый 07.01.2017, 02:08   #351
oleg707
Гуру
 
Аватар для oleg707
 
Регистрация: 16.04.2014
Возраст: 42
Город: Gdynia
Регион: другой - для добавления сообщить ab
Сообщений: 2,548
oleg707 has a reputation beyond reputeoleg707 has a reputation beyond reputeoleg707 has a reputation beyond reputeoleg707 has a reputation beyond reputeoleg707 has a reputation beyond reputeoleg707 has a reputation beyond reputeoleg707 has a reputation beyond reputeoleg707 has a reputation beyond reputeoleg707 has a reputation beyond reputeoleg707 has a reputation beyond repute
По умолчанию

Цитата:
Сообщение от vtyns Посмотреть сообщение
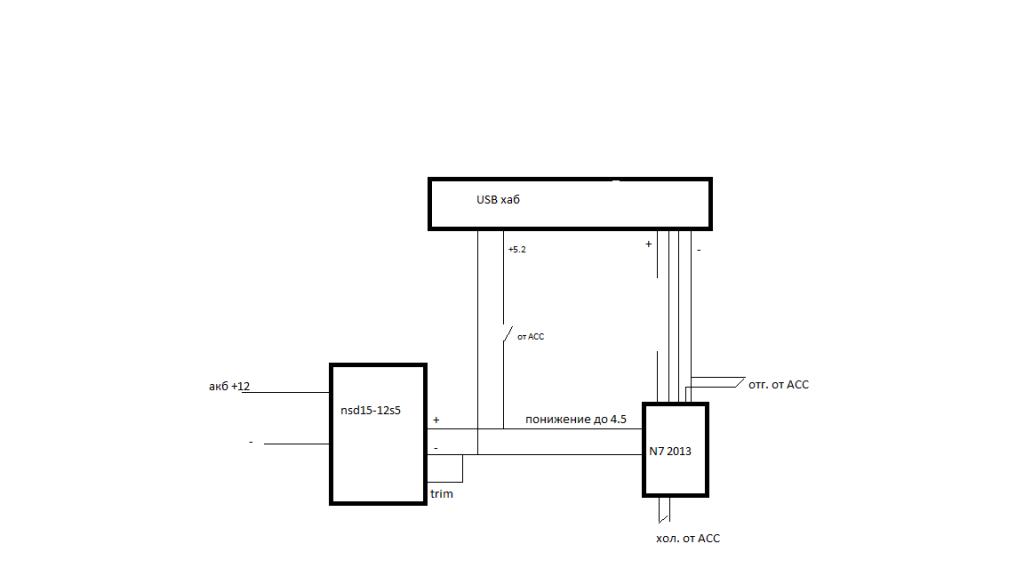
https://www.ulmart.ru/goods/231014 ребят вот такой хаб купил. работал неделю норм с нексус 7 2013. питание плюса на разрыв реле. но изза чегото сгорел, хотя питание идет. купил еще один такой и сразу же опять такая беда и плюс еще отг перестало на планшете работать. питание 5.3в думаю не в этом дело. питается все от нсд15 12с5. мож сам хаб слаб к таким эксплуатациям с таким напряжением? какие могут быть мысли? подключено все вот так. не судить строго) собрал из того что дали.
схему приложишь или додумывать?
oleg707 вне форума   Ответить с цитированием
Старый 07.01.2017, 11:26   #352
vtyns
Старший Пользователь
 
Регистрация: 30.10.2016
Возраст: 38
Город: краснодар
Регион: 23, 93
Машина: mazda 3 BK
Сообщений: 155
vtyns is on a distinguished road
По умолчанию

http://www.pccar.ru/attachment.php?a...6&d=1481614082 вот схема тока без диодов и кандеров. и по факту питание на хаб вышло 5.3в
__________________
проектик https://www.drive2.ru/users/dimgg/
vtyns вне форума   Ответить с цитированием
Старый 07.01.2017, 12:16   #353
Sergey 4_4
Старший Пользователь
 
Регистрация: 25.01.2015
Регион: 44
Машина: Toyota Avensis T250
Сообщений: 430
Sergey 4_4 has a spectacular aura aboutSergey 4_4 has a spectacular aura aboutSergey 4_4 has a spectacular aura about
По умолчанию

vtyns По фото видно,что родной кабель из хаба выпаян и припаяны обычные провода без экрана. Может в этом проблема? А вообще хаб этот пайки не любит(у самого такой был для тестов дома). И при отрицательных температурах от -2 и ниже не работает проверено. Так что заканчивай эксперементы с ним и смотри в сторону D-Link или чего-то другого. Вместо двух этих мог бы уже взять.И провод от хаба до планшета получше возми с экраном,а плюс прямо в хабе отпаяй.
__________________
Nexus 7 2012/USB Hub D-Link7(без доп.питания)/контроллер от YAM1966+джойстик iDrive/. фото + видео
Sergey 4_4 вне форума   Ответить с цитированием
Старый 07.01.2017, 12:49   #354
vtyns
Старший Пользователь
 
Регистрация: 30.10.2016
Возраст: 38
Город: краснодар
Регион: 23, 93
Машина: mazda 3 BK
Сообщений: 155
vtyns is on a distinguished road
По умолчанию

изза отсутствия экрана врятли сгорит. плюс через реле к 5.3в припаян. ну вот качество меня и интересует). скорее он не любит эти 5.3в и дохнет. вот интересно при разрыве контакта в реле происходит скачек силы тока. не может он палить хабы?
__________________
проектик https://www.drive2.ru/users/dimgg/
vtyns вне форума   Ответить с цитированием
Старый 07.01.2017, 13:02   #355
Sergey 4_4
Старший Пользователь
 
Регистрация: 25.01.2015
Регион: 44
Машина: Toyota Avensis T250
Сообщений: 430
Sergey 4_4 has a spectacular aura aboutSergey 4_4 has a spectacular aura aboutSergey 4_4 has a spectacular aura about
По умолчанию

Цитата:
Сообщение от vtyns Посмотреть сообщение
изза отсутствия экрана врятли сгорит. плюс через реле к 5.3в припаян. ну вот качество меня и интересует). скорее он не любит эти 5.3в и дохнет. вот интересно при разрыве контакта в реле происходит скачек силы тока. не может он палить хабы?
Конечно из-за отсутствия экрана вряд ли сгорит хаб,а вот то что не будет обмена данными или помехи вполне себе может быть.
__________________
Nexus 7 2012/USB Hub D-Link7(без доп.питания)/контроллер от YAM1966+джойстик iDrive/. фото + видео
Sergey 4_4 вне форума   Ответить с цитированием
Старый 07.01.2017, 17:53   #356
-=zds=-
Старший Пользователь
 
Регистрация: 06.04.2009
Возраст: 42
Город: Владивосток
Регион: 25
Машина: Toyota CAMRY
Сообщений: 636
-=zds=- is a jewel in the rough-=zds=- is a jewel in the rough-=zds=- is a jewel in the rough
По умолчанию

Цитата:
Сообщение от -=zds=- Посмотреть сообщение
У меня на работе такой два года служит, очень удобный.
А в машине orico трудится, гдето в теме по покупкам на али, я ссылку давал, после моего сгоревшего и вечно глючившего dlink, orico вооьще забыл что есть в системе, работает как часы
Upd: вот такой ORICO A3H4
Процитирую сам себя, интересно, а никто так и не пробовал orico на андроиде? 4х портовый стоит до 1500₽, а 7ми чуть больше 2000₽, но это без доставки конечно. На днях свой комп пересобирал и перекидывал свой orico хаб, с ним реально проблем нету, все модернизации которые он пережил, это я закоротил на нем кнопку вкл, чтоб всегда был включён, все, не надо разрывать плюс, включается вместе с компом без задержек, работал в -15 без проблем.
Миниатюры
Нажмите на изображение для увеличения
Название: IMG_1723.jpg
Просмотров: 691
Размер:	40.4 Кб
ID:	46223  
__________________
Chaser продал
forester продал
Legacy продал
Impreza GH8 идет постройка... Продал, комп забрал...
Toyota Camry 2015 07.09.18 Продал комп отдал с машиной, следующий будет полностью с ноля!
-=zds=- вне форума   Ответить с цитированием
Старый 14.01.2017, 19:02   #357
vtyns
Старший Пользователь
 
Регистрация: 30.10.2016
Возраст: 38
Город: краснодар
Регион: 23, 93
Машина: mazda 3 BK
Сообщений: 155
vtyns is on a distinguished road
По умолчанию

Chipset: VL810 хаб gembird uhb-c344 подскажите чип норм или хрень очередная? и VL812 интересен
__________________
проектик https://www.drive2.ru/users/dimgg/

Последний раз редактировалось vtyns; 14.01.2017 в 19:39.
vtyns вне форума   Ответить с цитированием
Старый 17.01.2017, 15:34   #358
shrimpplus
Новый Пользователь
 
Регистрация: 09.12.2014
Возраст: 34
Город: Краснодар
Регион: 23, 93
Машина: Lancer Cedia
Сообщений: 19
shrimpplus is on a distinguished road
По умолчанию

Психанул в итоге, спаял и теперь радуюсь, все работает и все в одном месте в корпусе. Fe1.1 отлично работают и в минус и в плюс
Миниатюры
Нажмите на изображение для увеличения
Название: IMG-20161226-WA0000.jpg
Просмотров: 720
Размер:	75.1 Кб
ID:	46324  
shrimpplus вне форума   Ответить с цитированием
Старый 26.01.2017, 19:05   #359
vtyns
Старший Пользователь
 
Регистрация: 30.10.2016
Возраст: 38
Город: краснодар
Регион: 23, 93
Машина: mazda 3 BK
Сообщений: 155
vtyns is on a distinguished road
По умолчанию

сталкивался кто с таким хабом D-Link DUB-1040? фирму вы рекомендуете но подозрительно дешевый он? версию чипсета не могу найти
__________________
проектик https://www.drive2.ru/users/dimgg/
vtyns вне форума   Ответить с цитированием
Старый 27.01.2017, 01:55   #360
Явген
Старший Пользователь
 
Регистрация: 30.12.2009
Возраст: 40
Город: Минск
Регион: Беларусь
Машина: Renault Laguna 3
Сообщений: 156
Явген is on a distinguished road
По умолчанию

Есть такой. Правда не разбирал. Гуглится это: http://olegart.ru/wordpress/2014/06/14/4260/
Явген вне форума   Ответить с цитированием
Ответ


Здесь присутствуют: 1 (пользователей: 0 , гостей: 1)
 

Ваши права в разделе
Вы не можете создавать новые темы
Вы не можете отвечать в темах
Вы не можете прикреплять вложения
Вы не можете редактировать свои сообщения

BB коды Вкл.
Смайлы Вкл.
[IMG] код Вкл.
HTML код Выкл.



Часовой пояс GMT +4, время: 12:00.


Работает на vBulletin® версия 3.8.4.
Copyright ©2000 - 2026, Jelsoft Enterprises Ltd.
Перевод: zCarot