PCCar.ru - Ваш автомобильный компьютер

Вернуться   PCCar.ru - Ваш автомобильный компьютер > Всё Остальное > Проекты > Рабочий журнал

Ответ
 
Опции темы Поиск в этой теме
Старый 07.04.2012, 16:52   #231
KPOT113
Старший Пользователь
 
Аватар для KPOT113
 
Регистрация: 16.06.2011
Город: Кадошкино....
Регион: 13
Машина: форд
Сообщений: 271
KPOT113 has a spectacular aura aboutKPOT113 has a spectacular aura about
По умолчанию

Цитата:
Сообщение от Мордвин Посмотреть сообщение
А вот это ты зря.....


Всё понял в понедельник выложу схему (она на работе )


Цитата:
Сообщение от Мордвин Посмотреть сообщение
Зачем релюшки на фильтре, нужно ли пропитывать после намотки дроссель, чем заливал?
Рылюшки на фильтре выполняют роль центрального выключателя, через них поступает питание на фильтр, а с фильтра питание идет через предохранители на компьютер и усилитель. Рылюшки стоят на сомопитпнии когда комп запущен. Не хотел что бы фильтр оставался под напряжением , когда комп выключен.

Дроссель после намотки желательно пропитывать, это связанно с тем ,что могут возникнуть шумы при работе. Залил эпоксидной смолой , не стал заморачиватся с креплением, так проще. И опять же снижение шумов.

Цитата:
Сообщение от Мордвин Посмотреть сообщение
Твоя тема для меня давно уже стала объектом для подражания.
Большое спасибо за отзыв....
__________________
Вот мой проект на форд фокус III
http://pccar.ru/showthread.php?t=16228
KPOT113 вне форума   Ответить с цитированием
Старый 07.04.2012, 18:30   #232
Мордвин
Пользователь
 
Регистрация: 04.09.2011
Возраст: 44
Город: Королев
Регион: 50, 90, 150
Машина: Nissan Navara
Сообщений: 89
Мордвин is on a distinguished road
По умолчанию

Изначально у тебя было 2 сердечника - хотел сделать 2 фильтра? А сейчас один. Ты использовал один сердечник или объединил их?
При ручной намотке лакированной проволоки насколько вероятны межвитковые замыкания и насколько они критичны если вдруг образовались?
Мордвин вне форума   Ответить с цитированием
Старый 07.04.2012, 19:00   #233
KPOT113
Старший Пользователь
 
Аватар для KPOT113
 
Регистрация: 16.06.2011
Город: Кадошкино....
Регион: 13
Машина: форд
Сообщений: 271
KPOT113 has a spectacular aura aboutKPOT113 has a spectacular aura about
По умолчанию

Цитата:
Сообщение от Мордвин Посмотреть сообщение
Изначально у тебя было 2 сердечника - хотел сделать 2 фильтра? А сейчас один. Ты использовал один сердечник или объединил их?
При ручной намотке лакированной проволоки насколько вероятны межвитковые замыкания и насколько они критичны если вдруг образовались?
Использовал одну катушку, вторую ставить не буду.
Вероятность межветкового замыкания ничтожно мала.
Оно может произойти если бракованный провод.
Мотай и не думай об этом .!!!!
__________________
Вот мой проект на форд фокус III
http://pccar.ru/showthread.php?t=16228

Последний раз редактировалось KPOT113; 07.04.2012 в 19:34.
KPOT113 вне форума   Ответить с цитированием
Старый 08.04.2012, 05:26   #234
leha-mentos
Старший Пользователь
 
Аватар для leha-mentos
 
Регистрация: 09.01.2012
Город: Москва
Регион: 77, 97, 99, 177
Машина: Аваланш 2500, Volvo XC70, Solaris
Сообщений: 246
leha-mentos is on a distinguished road
По умолчанию

Уже третий раз перечитываю тему. Впечатления ну очень и очень положительные. Повторю слова многих здесь высказывавшихся: на высшем уровне идет и разработка и оформление.

Есть два вопроса: можно ли получить совет, как правильно задействовать контроллер клавиатуры? (у меня осталась старая клава) и почему был выбран контроллер кнопок руля, а не ардуино?
leha-mentos вне форума   Ответить с цитированием
Старый 09.04.2012, 10:58   #235
KPOT113
Старший Пользователь
 
Аватар для KPOT113
 
Регистрация: 16.06.2011
Город: Кадошкино....
Регион: 13
Машина: форд
Сообщений: 271
KPOT113 has a spectacular aura aboutKPOT113 has a spectacular aura about
По умолчанию

Цитата:
Сообщение от leha-mentos Посмотреть сообщение
Уже третий раз перечитываю тему. Впечатления ну очень и очень положительные. Повторю слова многих здесь высказывавшихся: на высшем уровне идет и разработка и оформление.

Есть два вопроса: можно ли получить совет, как правильно задействовать контроллер клавиатуры? (у меня осталась старая клава) и почему был выбран контроллер кнопок руля, а не ардуино?



Советую не использовать контроллер клавиатуры это было неправильное решение лучше использовать "Адаптер" (сообщение 184) это устройство снимет море проблем.(связь с рулём простая схема управления кнопок на передней панели) я ставил контроллер когда у меня не было мультимедийного руля
контроллер кнопок руля и ардуин очень похожие устройства
__________________
Вот мой проект на форд фокус III
http://pccar.ru/showthread.php?t=16228
KPOT113 вне форума   Ответить с цитированием
Старый 10.04.2012, 15:06   #236
KPOT113
Старший Пользователь
 
Аватар для KPOT113
 
Регистрация: 16.06.2011
Город: Кадошкино....
Регион: 13
Машина: форд
Сообщений: 271
KPOT113 has a spectacular aura aboutKPOT113 has a spectacular aura about
По умолчанию

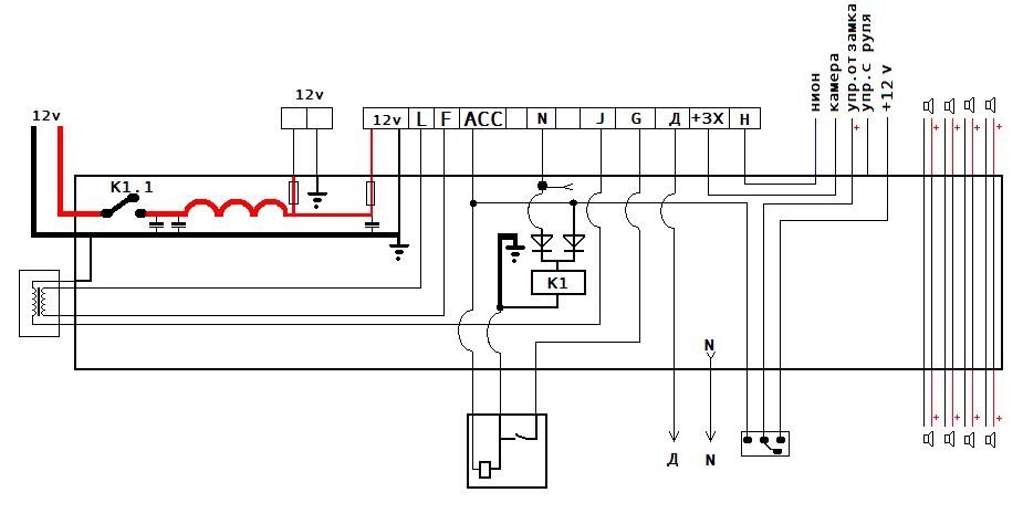
Выкладываю схему кросс-платы цель которой облегчить монтаж оборудования
в машине т.е. все провода заводяться в эту плату,
также в ней стоит входной фильтр питания и реле задержки на включение компьютера.
Миниатюры
Нажмите на изображение для увеличения
Название: кам плата.JPG
Просмотров: 868
Размер:	46.3 Кб
ID:	26232  
__________________
Вот мой проект на форд фокус III
http://pccar.ru/showthread.php?t=16228
KPOT113 вне форума   Ответить с цитированием
Старый 13.04.2012, 19:26   #237
KPOT113
Старший Пользователь
 
Аватар для KPOT113
 
Регистрация: 16.06.2011
Город: Кадошкино....
Регион: 13
Машина: форд
Сообщений: 271
KPOT113 has a spectacular aura aboutKPOT113 has a spectacular aura about
По умолчанию

Миниатюры
Нажмите на изображение для увеличения
Название: 12345.JPG
Просмотров: 817
Размер:	77.9 Кб
ID:	26251  
__________________
Вот мой проект на форд фокус III
http://pccar.ru/showthread.php?t=16228
KPOT113 вне форума   Ответить с цитированием
Старый 15.04.2012, 12:12   #238
KPOT113
Старший Пользователь
 
Аватар для KPOT113
 
Регистрация: 16.06.2011
Город: Кадошкино....
Регион: 13
Машина: форд
Сообщений: 271
KPOT113 has a spectacular aura aboutKPOT113 has a spectacular aura about
По умолчанию

Миниатюры
Нажмите на изображение для увеличения
Название: 1212.JPG
Просмотров: 852
Размер:	48.2 Кб
ID:	26274  
__________________
Вот мой проект на форд фокус III
http://pccar.ru/showthread.php?t=16228
KPOT113 вне форума   Ответить с цитированием
Старый 22.04.2012, 22:26   #239
KPOT113
Старший Пользователь
 
Аватар для KPOT113
 
Регистрация: 16.06.2011
Город: Кадошкино....
Регион: 13
Машина: форд
Сообщений: 271
KPOT113 has a spectacular aura aboutKPOT113 has a spectacular aura about
По умолчанию

Миниатюры
Нажмите на изображение для увеличения
Название: 1.jpg
Просмотров: 878
Размер:	247.1 Кб
ID:	26315   Нажмите на изображение для увеличения
Название: 2.jpg
Просмотров: 837
Размер:	187.4 Кб
ID:	26316   Нажмите на изображение для увеличения
Название: 3.jpg
Просмотров: 843
Размер:	245.3 Кб
ID:	26317  
__________________
Вот мой проект на форд фокус III
http://pccar.ru/showthread.php?t=16228
KPOT113 вне форума   Ответить с цитированием
Старый 27.04.2012, 23:39   #240
KPOT113
Старший Пользователь
 
Аватар для KPOT113
 
Регистрация: 16.06.2011
Город: Кадошкино....
Регион: 13
Машина: форд
Сообщений: 271
KPOT113 has a spectacular aura aboutKPOT113 has a spectacular aura about
По умолчанию

Миниатюры
Нажмите на изображение для увеличения
Название: Фото1.jpg
Просмотров: 858
Размер:	224.5 Кб
ID:	26356   Нажмите на изображение для увеличения
Название: 2.jpg
Просмотров: 834
Размер:	201.4 Кб
ID:	26357   Нажмите на изображение для увеличения
Название: 3.jpg
Просмотров: 871
Размер:	199.6 Кб
ID:	26358   Нажмите на изображение для увеличения
Название: 4.jpg
Просмотров: 602
Размер:	186.7 Кб
ID:	26359  
__________________
Вот мой проект на форд фокус III
http://pccar.ru/showthread.php?t=16228
KPOT113 вне форума   Ответить с цитированием
Ответ


Здесь присутствуют: 1 (пользователей: 0 , гостей: 1)
 

Ваши права в разделе
Вы не можете создавать новые темы
Вы не можете отвечать в темах
Вы не можете прикреплять вложения
Вы не можете редактировать свои сообщения

BB коды Вкл.
Смайлы Вкл.
[IMG] код Вкл.
HTML код Выкл.



Часовой пояс GMT +4, время: 12:46.


Работает на vBulletin® версия 3.8.4.
Copyright ©2000 - 2026, Jelsoft Enterprises Ltd.
Перевод: zCarot