PCCar.ru - Ваш автомобильный компьютер

Вернуться   PCCar.ru - Ваш автомобильный компьютер > MP3Car ТехИнфа > AndroidCar > Питание

Ответ
 
Опции темы Поиск в этой теме
Старый 05.11.2013, 19:10   #191
Rage2
Banned
 
Регистрация: 06.11.2009
Возраст: 40
Город: Nizhniy Novgorod
Регион: 52
Машина: Ford Focus III
Сообщений: 1,776
Rage2 has a brilliant futureRage2 has a brilliant futureRage2 has a brilliant futureRage2 has a brilliant futureRage2 has a brilliant futureRage2 has a brilliant futureRage2 has a brilliant futureRage2 has a brilliant futureRage2 has a brilliant futureRage2 has a brilliant futureRage2 has a brilliant future
По умолчанию

Цитата:
Сообщение от laytya Посмотреть сообщение
Пока все это запитано от штатного провода в магнитолу. Провода 0.75.
Ну тут же все очевидно...система зажигания в авто построена таким образом, что при кручении стартером отрубаются практически все потребители..
Т.е в вашем случае это не просадки напряжения и кондером тут не поможешь......

...блин, чуть не развели холливар из-за вашей же халатности
Rage2 вне форума   Ответить с цитированием
Старый 05.11.2013, 20:00   #192
laytya
Старший Пользователь
 
Регистрация: 30.07.2011
Город: Новосибирск
Регион: 54
Машина: Honda Civic Ferio
Сообщений: 361
laytya is a glorious beacon of lightlaytya is a glorious beacon of lightlaytya is a glorious beacon of lightlaytya is a glorious beacon of lightlaytya is a glorious beacon of lightlaytya is a glorious beacon of light
По умолчанию

Ну провод Бат на колодке запитан напрямую от батареи. Это я по схеме машины проверял. Да и не пропадает там + при кручении. Там пропадает АСС, идущий своим проводом. Пропадание АСС при кручении я отлавливаю в контроллере - задержкой. Тут именно просадка во время кручения до 9в виновата.
laytya вне форума   Ответить с цитированием
Старый 05.11.2013, 21:44   #193
Rage2
Banned
 
Регистрация: 06.11.2009
Возраст: 40
Город: Nizhniy Novgorod
Регион: 52
Машина: Ford Focus III
Сообщений: 1,776
Rage2 has a brilliant futureRage2 has a brilliant futureRage2 has a brilliant futureRage2 has a brilliant futureRage2 has a brilliant futureRage2 has a brilliant futureRage2 has a brilliant futureRage2 has a brilliant futureRage2 has a brilliant futureRage2 has a brilliant futureRage2 has a brilliant future
По умолчанию

АКБ тогда может старый...))
Rage2 вне форума   Ответить с цитированием
Старый 05.11.2013, 22:49   #194
laytya
Старший Пользователь
 
Регистрация: 30.07.2011
Город: Новосибирск
Регион: 54
Машина: Honda Civic Ferio
Сообщений: 361
laytya is a glorious beacon of lightlaytya is a glorious beacon of lightlaytya is a glorious beacon of lightlaytya is a glorious beacon of lightlaytya is a glorious beacon of lightlaytya is a glorious beacon of light
По умолчанию

Не, АКБ заряжен и нормальный. Я ж говорю при автозаводе или с брелка, стартер крутит 6 секунд.

Я отловил глюк в прошивке. Нужно будет заново протестировать. В прошивке есть значение PanicVoltage - при котором все обесточивается чрез 10 сек.
Почемуто я его задал 10в. Такчто просадка не до 9в а до 10в - стартером легко.
laytya вне форума   Ответить с цитированием
Старый 29.11.2013, 12:19   #195
anton2204
Старший Пользователь
 
Аватар для anton2204
 
Регистрация: 29.12.2009
Город: Ульяновск
Регион: 73
Машина: VW Polo Sedan. Fiat Albea погибла смертью храбрых(((
Сообщений: 753
anton2204 is a splendid one to beholdanton2204 is a splendid one to beholdanton2204 is a splendid one to beholdanton2204 is a splendid one to beholdanton2204 is a splendid one to beholdanton2204 is a splendid one to beholdanton2204 is a splendid one to behold
По умолчанию

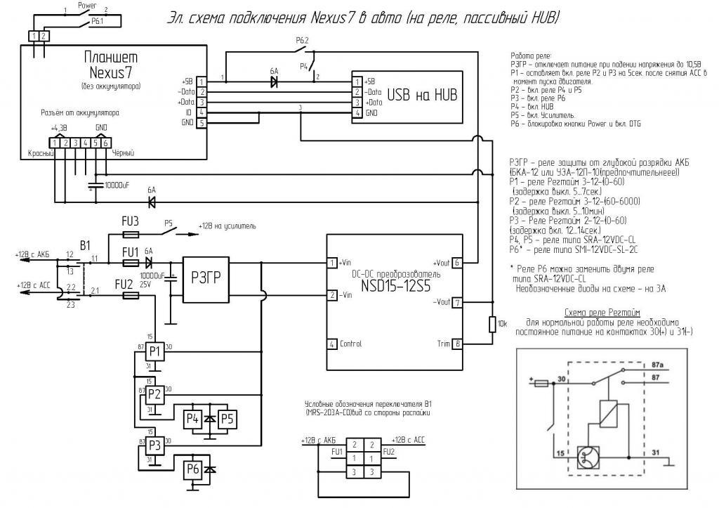
Пришли релюхи Регтайм...Поигрался с ними немного, выставил нужное время срабатывания))) Как оказалось, для правильной работы реле нуна постоянно "подпитывать"... Пришлось схему пересмотреть...Диод на OTG между планшетом и хабом оставил, так на всякий случай)))
Хаб рассматривается обычный, без дополнительного разъёма питания.
P.S. Схема не крайняя-будет уточняться, см. далее по теме!
Миниатюры
Нажмите на изображение для увеличения
Название: Вариант3д(крайний!).jpg
Просмотров: 1229
Размер:	100.0 Кб
ID:	33718  
__________________
Если хочешь поработать - ляг, поспи и всё пройдёт!
Мой проект - Rover A700GQ в Fiat Albea неожиданно завершен
Второй проект - VW Polo Sedan(была Nexus7 2012 Wi-Fi(Timur) теперь сток 4.4.4+ядро от Daniel, БП на NSD15-12S5 переделан под датчик Холла, HUB D-Link DUB-H7(серый), DAC PCM2706+ES9023(ранее был на PCM2704), контроллер Юры(YAM1966)+кнопки на "морде"+ИК пульт на руль MYSTERY RC-90UN, камера ЗХ на Easier CAP(v.008,АМТ630) и RearViewCamera-1.4-test.apk

Последний раз редактировалось anton2204; 14.08.2014 в 13:36.
anton2204 вне форума   Ответить с цитированием
Старый 29.11.2013, 14:00   #196
laytya
Старший Пользователь
 
Регистрация: 30.07.2011
Город: Новосибирск
Регион: 54
Машина: Honda Civic Ferio
Сообщений: 361
laytya is a glorious beacon of lightlaytya is a glorious beacon of lightlaytya is a glorious beacon of lightlaytya is a glorious beacon of lightlaytya is a glorious beacon of lightlaytya is a glorious beacon of light
По умолчанию

О боже мой! остановитесь! Есть уже рабочая схема БП с контроллером. Потерпите немного выложу. То что вы городите на реле от регтайма очень дорого и избыточно.
laytya вне форума   Ответить с цитированием
Старый 29.11.2013, 14:05   #197
kristal0211
Старший Пользователь
 
Регистрация: 14.02.2013
Возраст: 39
Город: Сургут
Регион: 86
Машина: Chevrolet Sonic
Сообщений: 338
kristal0211 is on a distinguished road
По умолчанию

Цитата:
Сообщение от laytya Посмотреть сообщение
О боже мой! остановитесь! Есть уже рабочая схема БП с контроллером. Потерпите немного выложу. То что вы городите на реле от регтайма очень дорого и избыточно.
Очень жду, а то как увидел сколько релюх, страшно стало, представив как они перещелкивать будут все.
kristal0211 вне форума   Ответить с цитированием
Старый 29.11.2013, 15:17   #198
anton2204
Старший Пользователь
 
Аватар для anton2204
 
Регистрация: 29.12.2009
Город: Ульяновск
Регион: 73
Машина: VW Polo Sedan. Fiat Albea погибла смертью храбрых(((
Сообщений: 753
anton2204 is a splendid one to beholdanton2204 is a splendid one to beholdanton2204 is a splendid one to beholdanton2204 is a splendid one to beholdanton2204 is a splendid one to beholdanton2204 is a splendid one to beholdanton2204 is a splendid one to behold
По умолчанию

Цитата:
Сообщение от laytya Посмотреть сообщение
О боже мой! остановитесь! Есть уже рабочая схема БП с контроллером. Потерпите немного выложу. То что вы городите на реле от регтайма очень дорого и избыточно.
Очень буду рад, если Контроллер получится коммерческим продуктом - сам с удовольствием бы купил готовое решение. Единственно что перепрошивать надо конкретно под свои нужды/выдержки. С релюхами в этом плане проще - подкрутил и готово! Ну а схема на релюшках...путь будет, как альтернатива!Тем паче, что комплектующие я уже приобрёл!
__________________
Если хочешь поработать - ляг, поспи и всё пройдёт!
Мой проект - Rover A700GQ в Fiat Albea неожиданно завершен
Второй проект - VW Polo Sedan(была Nexus7 2012 Wi-Fi(Timur) теперь сток 4.4.4+ядро от Daniel, БП на NSD15-12S5 переделан под датчик Холла, HUB D-Link DUB-H7(серый), DAC PCM2706+ES9023(ранее был на PCM2704), контроллер Юры(YAM1966)+кнопки на "морде"+ИК пульт на руль MYSTERY RC-90UN, камера ЗХ на Easier CAP(v.008,АМТ630) и RearViewCamera-1.4-test.apk
anton2204 вне форума   Ответить с цитированием
Старый 03.12.2013, 01:34   #199
Hamann51
Новый Пользователь
 
Регистрация: 30.11.2013
Возраст: 43
Город: Апатиты
Регион: 51
Машина: Mitsubishi L200
Сообщений: 8
Hamann51 is on a distinguished road
По умолчанию

Здравствуйте! Подскажите, подойдёт ли данное устройство ля питания Nexus 7 и активнгго usb hub. Читал что нужна гальваническая развязка земли, а есть она тут или нет?...
http://www.ebay.com/itm/Boost-100W-6...item43bd63f880
Hamann51 вне форума   Ответить с цитированием
Старый 03.12.2013, 07:53   #200
kristal0211
Старший Пользователь
 
Регистрация: 14.02.2013
Возраст: 39
Город: Сургут
Регион: 86
Машина: Chevrolet Sonic
Сообщений: 338
kristal0211 is on a distinguished road
По умолчанию

Цитата:
Сообщение от Hamann51 Посмотреть сообщение
Здравствуйте! Подскажите, подойдёт ли данное устройство ля питания Nexus 7 и активнгго usb hub. Читал что нужна гальваническая развязка земли, а есть она тут или нет?...
http://www.ebay.com/itm/Boost-100W-6...item43bd63f880
Страшно такое втыкать, он на выходе имеет диапазон с 3.5 до 30В. А если при старте, сбой какой произойдет и скакнет питание. Он же спалит все что можно. Тем более уже кто-то подобный DC ставил с разным выходным напряжением 5-12В вроде. И спалил девайс.
kristal0211 вне форума   Ответить с цитированием
Ответ


Здесь присутствуют: 1 (пользователей: 0 , гостей: 1)
 

Ваши права в разделе
Вы не можете создавать новые темы
Вы не можете отвечать в темах
Вы не можете прикреплять вложения
Вы не можете редактировать свои сообщения

BB коды Вкл.
Смайлы Вкл.
[IMG] код Вкл.
HTML код Выкл.



Часовой пояс GMT +4, время: 16:57.


Работает на vBulletin® версия 3.8.4.
Copyright ©2000 - 2026, Jelsoft Enterprises Ltd.
Перевод: zCarot