PCCar.ru - Ваш автомобильный компьютер

Вернуться   PCCar.ru - Ваш автомобильный компьютер > MP3Car ТехИнфа > Блоки питания > Контроллеры управления питанием

Ответ
 
Опции темы Поиск в этой теме
Старый 13.03.2007, 11:37   #11
Самоделкин
Старший Пользователь
 
Аватар для Самоделкин
 
Регистрация: 12.03.2007
Возраст: 62
Город: Москва
Регион: 77, 97, 99, 177
Машина: Nissan MAXIMA
Сообщений: 263
Самоделкин will become famous soon enough
По умолчанию

за основу был взят проект с мп3кар: Startup / Shutdown Controller w/ LCD Char Screen ,
после повторения конструкции на PIC16F877A было замеченно немного недоделок которые захотелось исправить и подкорректировать работу контроллера под себя, для этого пришлось взять исходник автора и немножко его изменить ну и внести маленькие изменения в железо.
Что добавил: задержку при включение и выключении по сигналу АСС, отключение включения по сигналу АСС, контроль напряжения питания с корректным завершением работы, русифицировал меню.
Убрал показания температуры в фарингейтах и оставил только один градусник, убрал включение сабвуфера и инвертора которые включались по отдельности ну и были исправленны на мой взгля мелкие ошибки автора.
В итоге получилоси нормально работающее устройство, работа которого устраивает меня на данный момент.
Миниатюры
Нажмите на изображение для увеличения
Название: макет.jpg
Просмотров: 3998
Размер:	24.6 Кб
ID:	1988  
Самоделкин вне форума   Ответить с цитированием
Старый 14.03.2007, 08:23   #12
sagge
Пользователь
 
Аватар для sagge
 
Регистрация: 18.01.2007
Возраст: 50
Машина: хожу пешком
Сообщений: 31
sagge is on a distinguished road
По умолчанию

фотки - это хорошо! а теперь ждем прошивку и окончательную схему!!!
sagge вне форума   Ответить с цитированием
Старый 14.03.2007, 10:25   #13
sagge
Пользователь
 
Аватар для sagge
 
Регистрация: 18.01.2007
Возраст: 50
Машина: хожу пешком
Сообщений: 31
sagge is on a distinguished road
По умолчанию

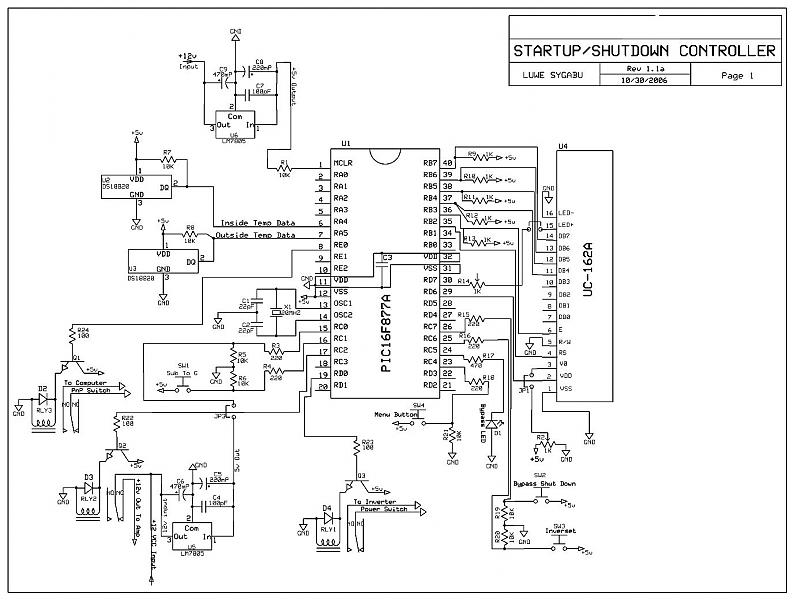
как я понял схема эта?
Миниатюры
Нажмите на изображение для увеличения
Название: CONTROLLER.jpg
Просмотров: 3869
Размер:	72.9 Кб
ID:	2003  
sagge вне форума   Ответить с цитированием
Старый 14.03.2007, 14:57   #14
Самоделкин
Старший Пользователь
 
Аватар для Самоделкин
 
Регистрация: 12.03.2007
Возраст: 62
Город: Москва
Регион: 77, 97, 99, 177
Машина: Nissan MAXIMA
Сообщений: 263
Самоделкин will become famous soon enough
По умолчанию

Да, эта схема взята за основу и немного модифицированна, выкладываю свой вариант схемы и прошивки. Будут вопросы буду рад ответить.
Вложения
Тип файла: rar схема+прошивка.rar (144.3 Кб, 2365 просмотров)
Самоделкин вне форума   Ответить с цитированием
Старый 14.03.2007, 16:02   #15
Alex1972
Пользователь
 
Регистрация: 30.01.2007
Возраст: 53
Город: Жигулевск
Регион: 63, 163
Машина: 2006\ВАЗ\21124
Сообщений: 43
Alex1972 is on a distinguished road
По умолчанию

Цитата:
Сообщение от Самоделкин Посмотреть сообщение
Да, эта схема взята за основу и немного модифицированна, выкладываю свой вариант схемы и прошивки. Будут вопросы буду рад ответить.
А разводка печатной платы будет?
И еще немного по подробней о подключении расскажи:
1. "Inverrter power switch" - кнопка включения БП
2. "ACC" - это подается питание с аккумулятора
3. "Computer PnP swith" - кнопка включения компа
4. "+12V" - это питание уже подается с БП
Правильно я понял?
Alex1972 вне форума   Ответить с цитированием
Старый 14.03.2007, 16:36   #16
Don_ik_kot
Главный Ибонех
 
Аватар для Don_ik_kot
 
Регистрация: 04.09.2006
Возраст: 46
Регион: 50, 90, 150
Машина: Mazda3
Сообщений: 815
Don_ik_kot will become famous soon enoughDon_ik_kot will become famous soon enough
По умолчанию

Самоделкин! А можно еще и исходник выложить?
Don_ik_kot вне форума   Ответить с цитированием
Старый 14.03.2007, 17:18   #17
Самоделкин
Старший Пользователь
 
Аватар для Самоделкин
 
Регистрация: 12.03.2007
Возраст: 62
Город: Москва
Регион: 77, 97, 99, 177
Машина: Nissan MAXIMA
Сообщений: 263
Самоделкин will become famous soon enough
По умолчанию

Разводки печатной платы пока нет да там и разводить особо нечего
"Inverrter power switch" - кнопка включения БП
"ACC" - это подается питание с замка зажигания
"+12V" - это питание подается с АКБ
А исходник есть тту http://www.mp3car.com/vbulletin/show...&highlight=pic
только он под ту схемку которая там же нарисована
Самоделкин вне форума   Ответить с цитированием
Старый 14.03.2007, 20:31   #18
Alex1972
Пользователь
 
Регистрация: 30.01.2007
Возраст: 53
Город: Жигулевск
Регион: 63, 163
Машина: 2006\ВАЗ\21124
Сообщений: 43
Alex1972 is on a distinguished road
По умолчанию

Цитата:
Сообщение от Самоделкин Посмотреть сообщение
Разводки печатной платы пока нет да там и разводить особо нечего
"Inverrter power switch" - кнопка включения БП
"ACC" - это подается питание с замка зажигания
"+12V" - это питание подается с АКБ
А исходник есть тту http://www.mp3car.com/vbulletin/show...&highlight=pic
только он под ту схемку которая там же нарисована
Самоделкин есть еще пара вопросов

1. Каково время задержки по АСС?
2. По контролю напряжения, до какого уровня сделал просадку аккумулятора?
3. Седня съездил и купил индикатор фирмы МЭЛТ MT-16S2H-3YLG
http://www.melt.com.ru/work/8/57/155
http://www.megachip.ru/item.php?item_id=66626
В нем есть страница знакогенератора с русскими буквами, скажи твоя прошива будет корректно работать (по русски) с данным индикатором?

А так седня уже все купил кроме термометра DS18 (ну нету их в Тольятти), думаю что в выходные повторю схему....
Alex1972 вне форума   Ответить с цитированием
Старый 14.03.2007, 22:25   #19
Самоделкин
Старший Пользователь
 
Аватар для Самоделкин
 
Регистрация: 12.03.2007
Возраст: 62
Город: Москва
Регион: 77, 97, 99, 177
Машина: Nissan MAXIMA
Сообщений: 263
Самоделкин will become famous soon enough
По умолчанию

Время задержки по АСС шесть секунд при включении и выключении
Контроль напряжения сделан на уровне 11 вольт, но если надо другое значение то подкорректирую прошивку и пришлю это непроблемма
ЖКИ вполне подойдет
Без DS18B20 все будет работать только показания температуры будут 0.00 но датчик нужен именно 18B20 с другим из серии DS18 работать будет неправильно.
При включении правильн собранной схемы ничего непроисходит пока небудет нажата кнопка меню или байпас или подан сигнал АСС т.к при первом включени процессор переходит в спящий режим и включается только по одному из этих сигналов так же после выключения уходит в спящий режим для экономии АКБ.
Самоделкин вне форума   Ответить с цитированием
Старый 14.03.2007, 23:16   #20
Самоделкин
Старший Пользователь
 
Аватар для Самоделкин
 
Регистрация: 12.03.2007
Возраст: 62
Город: Москва
Регион: 77, 97, 99, 177
Машина: Nissan MAXIMA
Сообщений: 263
Самоделкин will become famous soon enough
По умолчанию

Немного уточню:
Задержка по сигналу АСС сделана шесть секунд до включения оснвной программы а уже в теле осовной прграммы через Меню можно выставит значерия ВКЛ/ВЫКЛ Б.П от 0 до 59 секунд и время загрузки системы т.е если в меню "ВКЛ Б.П" стоит время включения три секунды то алгоритм следующий: АСС есть, паузу шесть екунд ( ну незаводится она с первого раза ) если всё удачно то происходит старт основной программы которая ждет три секунды включает Б.П и через две секунды включает комп.
Если в меню "ВЫКЛ Б.П" установленно время выключения сорок секунд то при пропадани сигнала АСС пауза шесть секунд ( ну заглох на светофоре,завелся, ничего непроизшло комп работает ) две секунды задержка потом сигнал на ВЫКЛ компа и через сорок секунд отключаем Б.П, но есть ещё и кнопочка "Байпас"
Самоделкин вне форума   Ответить с цитированием
Ответ


Здесь присутствуют: 1 (пользователей: 0 , гостей: 1)
 

Ваши права в разделе
Вы не можете создавать новые темы
Вы не можете отвечать в темах
Вы не можете прикреплять вложения
Вы не можете редактировать свои сообщения

BB коды Вкл.
Смайлы Вкл.
[IMG] код Вкл.
HTML код Выкл.



Часовой пояс GMT +4, время: 23:07.


Работает на vBulletin® версия 3.8.4.
Copyright ©2000 - 2026, Jelsoft Enterprises Ltd.
Перевод: zCarot