PCCar.ru - Ваш автомобильный компьютер

Вернуться   PCCar.ru - Ваш автомобильный компьютер > MP3Car ТехИнфа > Мониторы > Матрицы для CarPC > Матрицы до 7 дюймов

Ответ
 
Опции темы Поиск в этой теме
Старый 09.11.2011, 22:54   #11
rul7711
Новый Пользователь
 
Регистрация: 12.01.2011
Возраст: 48
Город: MOSKOV
Регион: 77, 97, 99, 177
Машина: AVEO
Сообщений: 7
rul7711 is on a distinguished road
По умолчанию

аппарат у которого звук нормальный спорить не надо. да разрешение 400х234 для 6,8 вполне для значков 20x30 оболочки и gps навител. (уменя Prestigio GeoVision 100 разрешение 320×240 пикселей прекрасно всё). 10" моник лилипут какой лутше?
rul7711 вне форума   Ответить с цитированием
Старый 09.11.2011, 23:44   #12
rul7711
Новый Пользователь
 
Регистрация: 12.01.2011
Возраст: 48
Город: MOSKOV
Регион: 77, 97, 99, 177
Машина: AVEO
Сообщений: 7
rul7711 is on a distinguished road
По умолчанию

http://www.masterkit.ru/main/set.php?code_id=852585
rul7711 вне форума   Ответить с цитированием
Старый 09.11.2011, 23:49   #13
rul7711
Новый Пользователь
 
Регистрация: 12.01.2011
Возраст: 48
Город: MOSKOV
Регион: 77, 97, 99, 177
Машина: AVEO
Сообщений: 7
rul7711 is on a distinguished road
По умолчанию

есть похожий разьем
Миниатюры
Нажмите на изображение для увеличения
Название: kenwood.jpg
Просмотров: 746
Размер:	26.5 Кб
ID:	24250  
rul7711 вне форума   Ответить с цитированием
Старый 10.11.2011, 00:19   #14
Hamster
Больной. Диагноз "Car PC"
 
Аватар для Hamster
 
Регистрация: 01.09.2005
Возраст: 52
Город: Москва
Регион: 77, 97, 99, 177
Машина: 08\Acura\MDX •••• 07\Honda\Civic 4D
Сообщений: 4,379
Hamster is a splendid one to beholdHamster is a splendid one to beholdHamster is a splendid one to beholdHamster is a splendid one to beholdHamster is a splendid one to beholdHamster is a splendid one to beholdHamster is a splendid one to behold
По умолчанию

Объясняю еще раз:
Чтобы прикрутить тач необходимо отснифферить протокол, который идет по Rx Tx, написать свой эмулятор и драйвер для HID устройства в винде.
Сделать это реально (т.е. возможно), но делать для тебя этого никто не будет, т.к. это достаточно большой объем работы.

Ты же производишь впечатление человека, который думает, что зная распиновку разъема он сможет согласовать разные технические и программные решения вместе на уровне соединения нужных пинов. Извини, не получится.
__________________
Старый проект Honda Accord RHD
Теперь будет Acura MDX 2008 и Honda Civic 4D 2007 и Mitsubishi Outlander XL 2011
Hamster вне форума   Ответить с цитированием
Старый 10.11.2011, 01:59   #15
rul7711
Новый Пользователь
 
Регистрация: 12.01.2011
Возраст: 48
Город: MOSKOV
Регион: 77, 97, 99, 177
Машина: AVEO
Сообщений: 7
rul7711 is on a distinguished road
По умолчанию

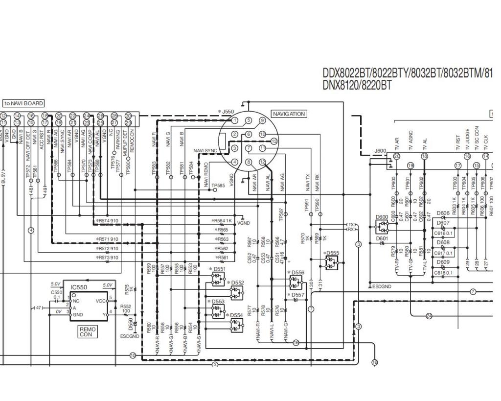
получится ещё как
Миниатюры
Нажмите на изображение для увеличения
Название: РАСПИНОВКА RGB.jpg
Просмотров: 638
Размер:	116.0 Кб
ID:	24253  
rul7711 вне форума   Ответить с цитированием
Старый 10.11.2011, 02:14   #16
Hamster
Больной. Диагноз "Car PC"
 
Аватар для Hamster
 
Регистрация: 01.09.2005
Возраст: 52
Город: Москва
Регион: 77, 97, 99, 177
Машина: 08\Acura\MDX •••• 07\Honda\Civic 4D
Сообщений: 4,379
Hamster is a splendid one to beholdHamster is a splendid one to beholdHamster is a splendid one to beholdHamster is a splendid one to beholdHamster is a splendid one to beholdHamster is a splendid one to beholdHamster is a splendid one to behold
По умолчанию

Цитата:
Сообщение от rul7711 Посмотреть сообщение
получится ещё как
Дерзай.
__________________
Старый проект Honda Accord RHD
Теперь будет Acura MDX 2008 и Honda Civic 4D 2007 и Mitsubishi Outlander XL 2011
Hamster вне форума   Ответить с цитированием
Старый 10.11.2011, 11:05   #17
Dj Aleks
Старший Пользователь
 
Аватар для Dj Aleks
 
Регистрация: 13.05.2010
Возраст: 41
Город: Воронеж
Регион: 36
Машина: Jetta 6
Сообщений: 899
Dj Aleks is infamous around these parts
По умолчанию

rul7711 тебе тут дело говорят! оставь ее в покое, пускай доживет свое САМА! купи нормальный моник, комп и в перед... Если ты ничего не шаришь в программировании и прочей лабуде ничего у тебя не выйдет! только испортишь магнитолу! Продай ее здесь. а себе купишь другое! Насчет звука я прям незнаю... с каких пор микросхемный звук стал нормальный!? как скажешь, спорить не будем
__________________
Мой проект http://pccar.ru/showthread.php?t=18618

Поспешишь, AIRBAG распушишь...

Dj Aleks вне форума   Ответить с цитированием
Старый 10.11.2011, 11:07   #18
Dj Aleks
Старший Пользователь
 
Аватар для Dj Aleks
 
Регистрация: 13.05.2010
Возраст: 41
Город: Воронеж
Регион: 36
Машина: Jetta 6
Сообщений: 899
Dj Aleks is infamous around these parts
По умолчанию

Hamster не рви душу, мы с тобой посмотрим безрезультатный оральный секс в несколько недель
__________________
Мой проект http://pccar.ru/showthread.php?t=18618

Поспешишь, AIRBAG распушишь...

Dj Aleks вне форума   Ответить с цитированием
Старый 10.11.2011, 14:03   #19
Hamster
Больной. Диагноз "Car PC"
 
Аватар для Hamster
 
Регистрация: 01.09.2005
Возраст: 52
Город: Москва
Регион: 77, 97, 99, 177
Машина: 08\Acura\MDX •••• 07\Honda\Civic 4D
Сообщений: 4,379
Hamster is a splendid one to beholdHamster is a splendid one to beholdHamster is a splendid one to beholdHamster is a splendid one to beholdHamster is a splendid one to beholdHamster is a splendid one to beholdHamster is a splendid one to behold
По умолчанию

Цитата:
Сообщение от Dj Aleks Посмотреть сообщение
Hamster не рви душу, мы с тобой посмотрим безрезультатный оральный секс в несколько недель
Да не будет секса
Я то точно знаю, не в первый раз
__________________
Старый проект Honda Accord RHD
Теперь будет Acura MDX 2008 и Honda Civic 4D 2007 и Mitsubishi Outlander XL 2011
Hamster вне форума   Ответить с цитированием
Старый 10.11.2011, 19:45   #20
Dj Aleks
Старший Пользователь
 
Аватар для Dj Aleks
 
Регистрация: 13.05.2010
Возраст: 41
Город: Воронеж
Регион: 36
Машина: Jetta 6
Сообщений: 899
Dj Aleks is infamous around these parts
По умолчанию

Цитата:
Сообщение от Hamster Посмотреть сообщение
Да не будет секса
Я то точно знаю, не в первый раз
эээххх, а так хотелось))))))))
__________________
Мой проект http://pccar.ru/showthread.php?t=18618

Поспешишь, AIRBAG распушишь...

Dj Aleks вне форума   Ответить с цитированием
Ответ


Здесь присутствуют: 1 (пользователей: 0 , гостей: 1)
 

Ваши права в разделе
Вы не можете создавать новые темы
Вы не можете отвечать в темах
Вы не можете прикреплять вложения
Вы не можете редактировать свои сообщения

BB коды Вкл.
Смайлы Вкл.
[IMG] код Вкл.
HTML код Выкл.



Часовой пояс GMT +4, время: 09:26.


Работает на vBulletin® версия 3.8.4.
Copyright ©2000 - 2025, Jelsoft Enterprises Ltd.
Перевод: zCarot