PCCar.ru - Ваш автомобильный компьютер

Вернуться   PCCar.ru - Ваш автомобильный компьютер > MP3Car ТехИнфа > Мониторы

Ответ
 
Опции темы Поиск в этой теме
Старый 21.04.2020, 02:42   #1771
basurman
Super Moderator
 
Аватар для basurman
 
Регистрация: 19.07.2011
Возраст: 54
Город: Нижегородские болота
Регион: 52
Машина: пешкарус
Сообщений: 2,033
basurman has a reputation beyond reputebasurman has a reputation beyond reputebasurman has a reputation beyond reputebasurman has a reputation beyond reputebasurman has a reputation beyond reputebasurman has a reputation beyond reputebasurman has a reputation beyond reputebasurman has a reputation beyond reputebasurman has a reputation beyond repute
По умолчанию

Это просьба помочь в ремонте? Или констатация факта поломки.
Если ремонтировать, то проверить питание на разьеме ХДМИ. Если есть, то менять проц.
__________________
ВСЕ ДЛЯ АРДУИНО

Моя почта - mogirov971sobakamail.ru
basurman вне форума   Ответить с цитированием
Старый 21.04.2020, 21:50   #1772
Cyhill
Новый Пользователь
 
Регистрация: 20.04.2020
Возраст: 39
Регион: 02
Сообщений: 3
Cyhill is on a distinguished road
По умолчанию

Цитата:
Сообщение от basurman Посмотреть сообщение
Это просьба помочь в ремонте? Или констатация факта поломки.
Если ремонтировать, то проверить питание на разьеме ХДМИ. Если есть, то менять проц.
Спасибо за ответ!
Не стал цитировать, а формы для изменения сообщения не нашел.
В представленной схеме не совсем нашел пинов для проверки питания, погляжу еще.
Менять проц это конечно наверно из ряда вон...
Cyhill вне форума   Ответить с цитированием
Старый 21.04.2020, 22:27   #1773
basurman
Super Moderator
 
Аватар для basurman
 
Регистрация: 19.07.2011
Возраст: 54
Город: Нижегородские болота
Регион: 52
Машина: пешкарус
Сообщений: 2,033
basurman has a reputation beyond reputebasurman has a reputation beyond reputebasurman has a reputation beyond reputebasurman has a reputation beyond reputebasurman has a reputation beyond reputebasurman has a reputation beyond reputebasurman has a reputation beyond reputebasurman has a reputation beyond reputebasurman has a reputation beyond repute
По умолчанию

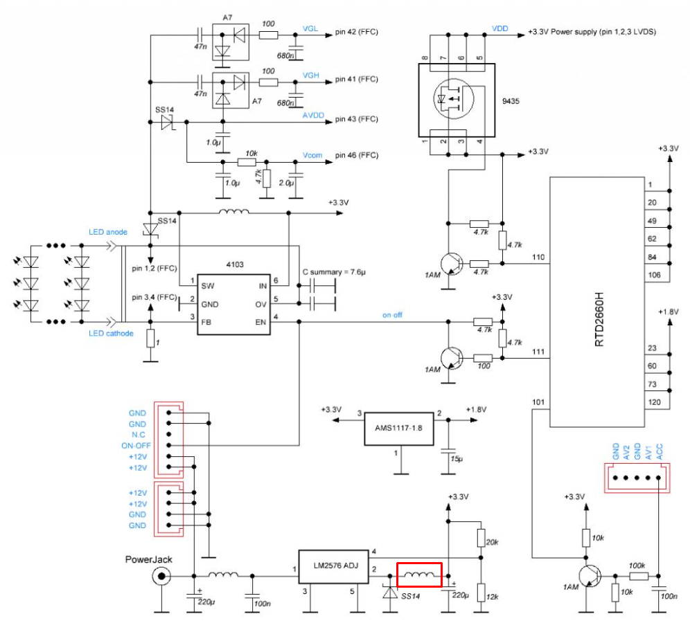
Что за пины для проверки питания? На схеме все есть.
Миниатюры
Нажмите на изображение для увеличения
Название: Снимок.jpg
Просмотров: 1459
Размер:	39.0 Кб
ID:	51885  
__________________
ВСЕ ДЛЯ АРДУИНО

Моя почта - mogirov971sobakamail.ru
basurman вне форума   Ответить с цитированием
Старый 22.04.2020, 12:15   #1774
Cyhill
Новый Пользователь
 
Регистрация: 20.04.2020
Возраст: 39
Регион: 02
Сообщений: 3
Cyhill is on a distinguished road
По умолчанию

Цитата:
Сообщение от basurman Посмотреть сообщение
Что за пины для проверки питания? На схеме все есть.
basurman, спасибо!

Схему искал в шапке, ссылку на саму схему, упустил. Буду измерять, не вижу правда диода между 18 ногой HDMI и резистором (rev. 6 версии у меня)
Cyhill вне форума   Ответить с цитированием
Старый 22.04.2020, 13:07   #1775
basurman
Super Moderator
 
Аватар для basurman
 
Регистрация: 19.07.2011
Возраст: 54
Город: Нижегородские болота
Регион: 52
Машина: пешкарус
Сообщений: 2,033
basurman has a reputation beyond reputebasurman has a reputation beyond reputebasurman has a reputation beyond reputebasurman has a reputation beyond reputebasurman has a reputation beyond reputebasurman has a reputation beyond reputebasurman has a reputation beyond reputebasurman has a reputation beyond reputebasurman has a reputation beyond repute
По умолчанию

Ну раз уж перешел по ссылке, то должен был прочитать что схема с моими "доделками". В чинском нет диода.
__________________
ВСЕ ДЛЯ АРДУИНО

Моя почта - mogirov971sobakamail.ru
basurman вне форума   Ответить с цитированием
Старый 24.06.2020, 20:18   #1776
SimyriK
Новый Пользователь
 
Регистрация: 05.10.2012
Возраст: 35
Город: Красноярск
Регион: 24
Машина: Hyndai Genesis Coupe
Сообщений: 25
SimyriK is on a distinguished road
По умолчанию

Друзья, всем привет. Приобрел дисплей с данным контроллером на али. Все работает отлично, только катушка индуктивности одна очень громко и противно пищит. Та, которая идет после 2576.
Прикрепляю фото с указанием самой катушки. Я так понял это она на схеме (прикрепляю скрин), но там тоже нет ее обозначения
Никто не знает как подобрать замену? Номинала на ней нет.
Миниатюры
Нажмите на изображение для увеличения
Название: Screenshot_3.jpg
Просмотров: 1409
Размер:	119.8 Кб
ID:	52070   Нажмите на изображение для увеличения
Название: Screenshot_1.png
Просмотров: 1396
Размер:	279.0 Кб
ID:	52071  
SimyriK вне форума   Ответить с цитированием
Старый 24.06.2020, 20:39   #1777
Vladget
Moderator
 
Регистрация: 04.04.2009
Возраст: 69
Город: Краснодар
Регион: 23, 93
Машина: HONDA CR-V-08
Сообщений: 3,129
Vladget is a splendid one to beholdVladget is a splendid one to beholdVladget is a splendid one to beholdVladget is a splendid one to beholdVladget is a splendid one to beholdVladget is a splendid one to beholdVladget is a splendid one to behold
По умолчанию

ищется в легкую https://www.google.com/search?sxsrf=...K4eu2HZ1JQfXLM она даже в даташите есть
__________________


Vladget вне форума   Ответить с цитированием
Старый 27.06.2020, 19:48   #1778
Antidk
Новый Пользователь
 
Регистрация: 13.11.2018
Возраст: 32
Регион: 77, 97, 99, 177
Сообщений: 5
Antidk is on a distinguished road
По умолчанию

Привет коллеги, а можно ли имея народный контролер и экран с тачем, сделать выведенное изображение(рабочую зону если можно так выразиться) чуть меньше (размер картинки к примеру не 174*90, а 168*86) цифры просто пример
Antidk вне форума   Ответить с цитированием
Старый 27.06.2020, 19:51   #1779
basurman
Super Moderator
 
Аватар для basurman
 
Регистрация: 19.07.2011
Возраст: 54
Город: Нижегородские болота
Регион: 52
Машина: пешкарус
Сообщений: 2,033
basurman has a reputation beyond reputebasurman has a reputation beyond reputebasurman has a reputation beyond reputebasurman has a reputation beyond reputebasurman has a reputation beyond reputebasurman has a reputation beyond reputebasurman has a reputation beyond reputebasurman has a reputation beyond reputebasurman has a reputation beyond repute
По умолчанию

если сможешь разобраться в прошивке, то можно
__________________
ВСЕ ДЛЯ АРДУИНО

Моя почта - mogirov971sobakamail.ru
basurman вне форума   Ответить с цитированием
Старый 27.06.2020, 20:38   #1780
Alex15BV
Пользователь
 
Регистрация: 01.11.2017
Возраст: 52
Город: Лобня
Регион: 50, 90, 150
Машина: BMW 530D Touring
Сообщений: 96
Alex15BV is a jewel in the roughAlex15BV is a jewel in the roughAlex15BV is a jewel in the rough
По умолчанию

Цитата:
Сообщение от Antidk Посмотреть сообщение
Привет коллеги, а можно ли имея народный контролер и экран с тачем, сделать выведенное изображение(рабочую зону если можно так выразиться) чуть меньше (размер картинки к примеру не 174*90, а 168*86) цифры просто пример
У меня car-pc сделан на Khadas VIM2 - так у него в прошивке такая фишка есть: масштаб экрана. И можно прямо в Андрюше поставить 95% и радоваться 😋
Alex15BV вне форума   Ответить с цитированием
Ответ


Здесь присутствуют: 1 (пользователей: 0 , гостей: 1)
 

Ваши права в разделе
Вы не можете создавать новые темы
Вы не можете отвечать в темах
Вы не можете прикреплять вложения
Вы не можете редактировать свои сообщения

BB коды Вкл.
Смайлы Вкл.
[IMG] код Вкл.
HTML код Выкл.



Часовой пояс GMT +4, время: 23:52.


Работает на vBulletin® версия 3.8.4.
Copyright ©2000 - 2026, Jelsoft Enterprises Ltd.
Перевод: zCarot