PCCar.ru - Ваш автомобильный компьютер

Вернуться   PCCar.ru - Ваш автомобильный компьютер > MP3Car ТехИнфа > АвтоЗвук > Усилители

Ответ
 
Опции темы Поиск в этой теме
Старый 02.02.2009, 15:59   #161
mcf1
Guest
 
Сообщений: n/a
По умолчанию

Цитата:
Сообщение от Juice Explos Посмотреть сообщение
Саб от этого усилка собираешься брать или усилитель для него отдельный будет?
пока что планирую саб Hertz ES 250. в не большойй ЗЯ ~14л. подключать буду к челленджеру. думаю споется он с остальной акустикой.
Выбор пал именно на эту головку как раз из-за высокой чувствительности и не высокой цены.
  Ответить с цитированием
Старый 02.02.2009, 16:12   #162
Juice Explos
Старший Пользователь
 
Регистрация: 04.06.2008
Возраст: 44
Город: Москва
Регион: 50, 90, 150
Машина: Lexus LS400
Сообщений: 250
Juice Explos is on a distinguished road
По умолчанию

Цитата:
Сообщение от mcf1 Посмотреть сообщение
пока что планирую саб Hertz ES 250. в не большойй ЗЯ ~14л. подключать буду к челленджеру. думаю споется он с остальной акустикой.
Выбор пал именно на эту головку как раз из-за высокой чувствительности и не высокой цены.
Хе а я как раз смотрел на ES 200, правда до этого искал фриэйрный HX 200, но его сняли с производства.

З.Ы. АЗ форева!
Juice Explos вне форума   Ответить с цитированием
Старый 03.02.2009, 12:57   #163
Vl@dK
Старший Пользователь
 
Регистрация: 25.11.2006
Возраст: 56
Город: Москва
Регион: 77, 97, 99, 177
Машина: ФФ2 и КИА Соренто
Сообщений: 798
Vl@dK is a jewel in the roughVl@dK is a jewel in the roughVl@dK is a jewel in the roughVl@dK is a jewel in the rough
По умолчанию

Насколько мне помнится по тестам, головки херц не для компактных инсталляций. Требуют большого объема. По крайней мере мой ES300 раскрывается, начиная с 45 литров (фазик).

Сорри не заметил, что речь идет про ЗЯ.
Тогда 12 литров в принципе нормально, но подъема на 40Гц не будет.
Vl@dK вне форума   Ответить с цитированием
Старый 03.02.2009, 12:59   #164
mcf1
Guest
 
Сообщений: n/a
По умолчанию

по ссылке на журнал автозвук (указал выше) достаточно 12 литров на ЗЯ
  Ответить с цитированием
Старый 03.02.2009, 14:13   #165
syva4
Старший Пользователь
 
Аватар для syva4
 
Регистрация: 22.03.2008
Город: Петропавловск-Камчатский
Регион: 41
Машина: JEEP Grand Cherokee 96
Сообщений: 94
syva4 will become famous soon enough
По умолчанию

Кто нибудь бывает на Митино? Очень хочется попробовать выходные микрухи TAS5162DKD, вместо родных TAS5152. Хочу чуток поднять мощность сабвуферного канала, избавившись от центрального. Где и по чем в Москве можно купить TAS5162DKD ? Купил бы штучек 5-6.
__________________
Мой Grand Cherokee

Последний раз редактировалось syva4; 03.02.2009 в 20:19.
syva4 вне форума   Ответить с цитированием
Старый 03.02.2009, 14:57   #166
mcf1
Guest
 
Сообщений: n/a
По умолчанию

что то я смотрел-смотрел стандартные схемы включения этих микрух, но так и не вкурил как использовать одну микруху под саб, лишившись центрального канала.

а поиск по наличию здесь
http://www.chipfind.ru/
http://www.efind.ru/
  Ответить с цитированием
Старый 03.02.2009, 15:27   #167
syva4
Старший Пользователь
 
Аватар для syva4
 
Регистрация: 22.03.2008
Город: Петропавловск-Камчатский
Регион: 41
Машина: JEEP Grand Cherokee 96
Сообщений: 94
syva4 will become famous soon enough
По умолчанию

Цитата:
Сообщение от mcf1 Посмотреть сообщение
что то я смотрел-смотрел стандартные схемы включения этих микрух, но так и не вкурил как использовать одну микруху под саб, лишившись центрального канала.
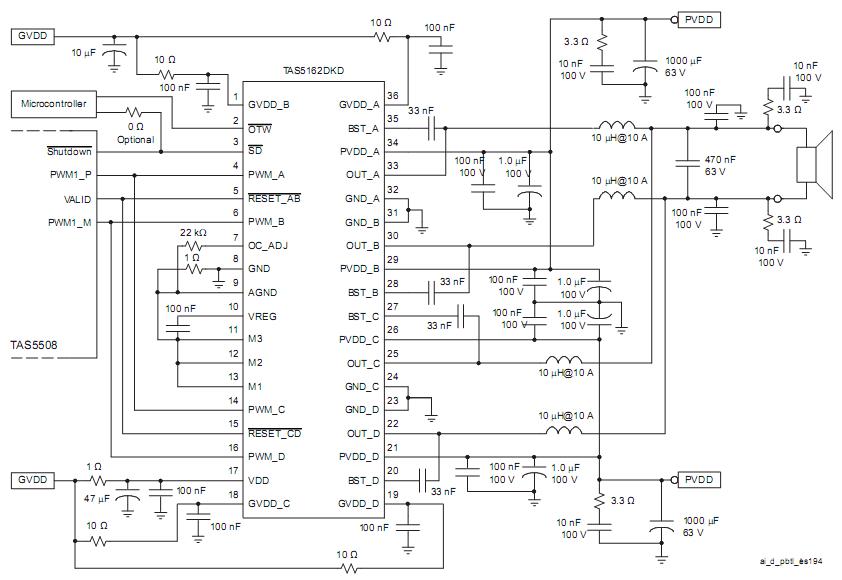
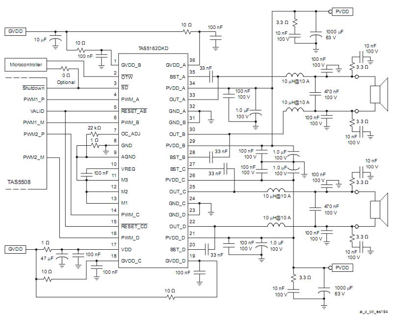
Замена на TAS5162DKD (по ногам один в один)
Первая схема - то что есть
Вторая схема - то что нужно + увеличение питания до 50 вольт на PVDD(перемотка обмотки трансформатора, замена диодов (на MBRM5100-13 или аналог), замена связанных емкостей, коррекция обратной связи БП) = 300 Ватт на 4 Ома
Миниатюры
Нажмите на изображение для увеличения
Название: 2 канала.JPG
Просмотров: 1224
Размер:	74.0 Кб
ID:	9125   Нажмите на изображение для увеличения
Название: 1 канал.JPG
Просмотров: 1265
Размер:	70.2 Кб
ID:	9126  
__________________
Мой Grand Cherokee

Последний раз редактировалось syva4; 03.02.2009 в 20:20.
syva4 вне форума   Ответить с цитированием
Старый 03.02.2009, 15:36   #168
mcf1
Guest
 
Сообщений: n/a
По умолчанию

мне кажется недостаточным просто перемкнуть outA/outC и outB/outD, еще нужно что бы и с микроконтроллера пришла подходящая инфа.

ubd все увидел, на входах тоже объеденено
  Ответить с цитированием
Старый 03.02.2009, 16:05   #169
ab
Guest
 
Сообщений: n/a
По умолчанию

По-моему, проще позвонить разработчикам этого усилителя, Вячеславу Леонидовичу Резникову, PIT (http://www.piti.ru), +7 (495) 967-3323/24
  Ответить с цитированием
Старый 03.02.2009, 16:17   #170
syva4
Старший Пользователь
 
Аватар для syva4
 
Регистрация: 22.03.2008
Город: Петропавловск-Камчатский
Регион: 41
Машина: JEEP Grand Cherokee 96
Сообщений: 94
syva4 will become famous soon enough
По умолчанию

Цитата:
Сообщение от ab Посмотреть сообщение
По-моему, проще позвонить разработчикам этого усилителя, Вячеславу Леонидовичу Резникову, PIT (http://www.piti.ru), +7 (495) 967-3323/24
Ага, был я там до покупки сабжа. Вот, что из этого получилось. Может не очень красиво, но из песни слов не выкинешь.
__________________
Мой Grand Cherokee
syva4 вне форума   Ответить с цитированием
Ответ


Здесь присутствуют: 1 (пользователей: 0 , гостей: 1)
 

Ваши права в разделе
Вы не можете создавать новые темы
Вы не можете отвечать в темах
Вы не можете прикреплять вложения
Вы не можете редактировать свои сообщения

BB коды Вкл.
Смайлы Вкл.
[IMG] код Вкл.
HTML код Выкл.



Часовой пояс GMT +4, время: 08:40.


Работает на vBulletin® версия 3.8.4.
Copyright ©2000 - 2026, Jelsoft Enterprises Ltd.
Перевод: zCarot