PCCar.ru - Ваш автомобильный компьютер

Вернуться   PCCar.ru - Ваш автомобильный компьютер > MP3Car ТехИнфа > AndroidCar > Железо > Планшеты

Ответ
 
Опции темы Поиск в этой теме
Старый 11.12.2018, 10:26   #4361
Romanыч
Новый Пользователь
 
Регистрация: 31.08.2018
Возраст: 26
Регион: 78, 98
Сообщений: 10
Romanыч is on a distinguished road
По умолчанию

Схемы подключений. 1-й и 2-й вариант. Сейчас второй

Цитата:
Сообщение от Sergey 4_4 Посмотреть сообщение
Судя по описанию кабеля+ к плате не припаян. Можно и перемычку
попробовать.
А что дает эта перемычка?
Миниатюры
Нажмите на изображение для увеличения
Название: 1.png
Просмотров: 877
Размер:	3.7 Кб
ID:	50561   Нажмите на изображение для увеличения
Название: 2.png
Просмотров: 902
Размер:	4.7 Кб
ID:	50562  

Последний раз редактировалось basurman; 13.12.2018 в 19:04.
Romanыч вне форума   Ответить с цитированием
Старый 11.12.2018, 11:05   #4362
skanch
Модератор
 
Аватар для skanch
 
Регистрация: 19.01.2010
Возраст: 59
Город: Санкт-Петербург
Регион: 78, 98
Сообщений: 2,669
skanch has a brilliant futureskanch has a brilliant futureskanch has a brilliant futureskanch has a brilliant futureskanch has a brilliant futureskanch has a brilliant futureskanch has a brilliant futureskanch has a brilliant futureskanch has a brilliant futureskanch has a brilliant futureskanch has a brilliant future
По умолчанию

Цитата:
Сообщение от Romanыч Посмотреть сообщение
А что дает эта перемычка?
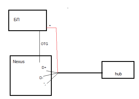
Подключение питания планшета и HUB-а должно быть таким

Нажмите на изображение для увеличения
Название: 34.jpg
Просмотров: 971
Размер:	33.3 Кб
ID:	50565
skanch вне форума   Ответить с цитированием
Старый 11.12.2018, 11:09   #4363
Romanыч
Новый Пользователь
 
Регистрация: 31.08.2018
Возраст: 26
Регион: 78, 98
Сообщений: 10
Romanыч is on a distinguished road
По умолчанию

Цитата:
Сообщение от skanch Посмотреть сообщение
Подключение питания планшета и HUB-а должно быть таким

Вложение 50564
Ясно, попробую
Romanыч вне форума   Ответить с цитированием
Старый 11.12.2018, 16:35   #4364
coord
Пользователь
 
Регистрация: 27.04.2012
Город: Саранск
Регион: 13
Машина: Hyundai Elantra MD Comfort
Сообщений: 75
coord is on a distinguished road
По умолчанию

Добрый день. Парни, для полной уверенности, внешнюю GPS антенну активную подключаю +5В непосредственно к контакту без инжектора питания? Планшет 2013 WiFi.
coord вне форума   Ответить с цитированием
Старый 11.12.2018, 16:37   #4365
Denkos
Гуру
 
Регистрация: 21.01.2010
Город: Новосибирск
Регион: 54
Сообщений: 2,580
Denkos is a glorious beacon of lightDenkos is a glorious beacon of lightDenkos is a glorious beacon of lightDenkos is a glorious beacon of lightDenkos is a glorious beacon of lightDenkos is a glorious beacon of light
По умолчанию

Цитата:
Сообщение от coord Посмотреть сообщение
Добрый день. Парни, для полной уверенности, внешнюю GPS антенну активную подключаю +5В непосредственно к контакту без инжектора питания? Планшет 2013 WiFi.
Да..
Denkos вне форума   Ответить с цитированием
Старый 11.12.2018, 18:54   #4366
Mixman
Пользователь
 
Регистрация: 28.05.2015
Возраст: 41
Город: Нижний Новгород
Регион: 52
Машина: Audi a6 c5
Сообщений: 94
Mixman is on a distinguished road
По умолчанию

Цитата:
Сообщение от coord Посмотреть сообщение
Добрый день. Парни, для полной уверенности, внешнюю GPS антенну активную подключаю +5В непосредственно к контакту без инжектора питания? Планшет 2013 WiFi.
Да. Я прям + подал с преобразователя, который идёт на контролер батареи. {4,55 В}
__________________
Больше ни слова о БП
Mixman вне форума   Ответить с цитированием
Старый 13.12.2018, 17:46   #4367
creativ92
Новый Пользователь
 
Регистрация: 05.10.2018
Регион: другой - для добавления сообщить ab
Сообщений: 10
creativ92 is on a distinguished road
По умолчанию

как заставить устанавливать дату/время в планшете по GPS после загрузки?
creativ92 вне форума   Ответить с цитированием
Старый 13.12.2018, 23:03   #4368
oleg707
Гуру
 
Аватар для oleg707
 
Регистрация: 16.04.2014
Возраст: 41
Город: Gdynia
Регион: другой - для добавления сообщить ab
Сообщений: 2,548
oleg707 has a reputation beyond reputeoleg707 has a reputation beyond reputeoleg707 has a reputation beyond reputeoleg707 has a reputation beyond reputeoleg707 has a reputation beyond reputeoleg707 has a reputation beyond reputeoleg707 has a reputation beyond reputeoleg707 has a reputation beyond reputeoleg707 has a reputation beyond reputeoleg707 has a reputation beyond repute
По умолчанию

Цитата:
Сообщение от creativ92 Посмотреть сообщение
как заставить устанавливать дату/время в планшете по GPS после загрузки?
Найдете - пишите, я тоже так хочу. Рабочего способа как то не нашел.
oleg707 вне форума   Ответить с цитированием
Старый 14.12.2018, 00:54   #4369
svoboda120
Старший Пользователь
 
Регистрация: 20.01.2017
Возраст: 62
Город: Енакиево
Регион: Украина
Машина: Peugeot 407
Сообщений: 110
svoboda120 is on a distinguished road
По умолчанию

Цитата:
Сообщение от oleg707 Посмотреть сообщение
Найдете - пишите, я тоже так хочу. Рабочего способа как то не нашел.
У себя подобное не ставил, но на просторах интернета нашел вот такое приложение. В заявленных функциях есть определение времени в фоне, если запущено хоть одно приложение использующее GPS
https://trashbox.ru/link/smart-sinhr...remeni-android
svoboda120 вне форума   Ответить с цитированием
Старый 14.12.2018, 20:32   #4370
Явген
Старший Пользователь
 
Регистрация: 30.12.2009
Возраст: 40
Город: Минск
Регион: Беларусь
Машина: Renault Laguna 3
Сообщений: 156
Явген is on a distinguished road
По умолчанию

Цитата:
Сообщение от creativ92 Посмотреть сообщение
как заставить устанавливать дату/время в планшете по GPS после загрузки?
Хм. А зачем? Время сбивается, только если удалена батарея и в этом случае было полное обесточивание системы. Чет я не понимаю
Явген вне форума   Ответить с цитированием
Ответ


Здесь присутствуют: 1 (пользователей: 0 , гостей: 1)
 

Ваши права в разделе
Вы не можете создавать новые темы
Вы не можете отвечать в темах
Вы не можете прикреплять вложения
Вы не можете редактировать свои сообщения

BB коды Вкл.
Смайлы Вкл.
[IMG] код Вкл.
HTML код Выкл.



Часовой пояс GMT +4, время: 01:39.


Работает на vBulletin® версия 3.8.4.
Copyright ©2000 - 2026, Jelsoft Enterprises Ltd.
Перевод: zCarot