PCCar.ru - Ваш автомобильный компьютер

Вернуться   PCCar.ru - Ваш автомобильный компьютер > MP3Car ТехИнфа > АвтоЗвук > Усилители

Ответ
 
Опции темы Поиск в этой теме
Старый 09.01.2018, 22:01   #421
Alex-L
Moderator
 
Аватар для Alex-L
 
Регистрация: 23.03.2008
Возраст: 55
Город: Москва, Нагорная
Регион: 77, 97, 99, 177
Машина: Mitsubishi Lancer-X
Сообщений: 2,096
Alex-L is a splendid one to beholdAlex-L is a splendid one to beholdAlex-L is a splendid one to beholdAlex-L is a splendid one to beholdAlex-L is a splendid one to beholdAlex-L is a splendid one to beholdAlex-L is a splendid one to behold
По умолчанию

Снабер - вообще костыль, а уж между крайними выводами - костыль для костыля! Напомню, в авто версии не применяется вообще, ибо никаких выбросов нет! От слова совсем! В случае питания от сети 220в - тему не изучал. Поэтому и говорю:
Цитата:
Номиналы элементов снаберов (на схеме и на фото обведены красным), так же как и резистор 1Ом в средней точке, рекомендованы Маньяком.
- автором схемы. Хуже не будет. Как справедливо было замечено выше, не поставить - скорее всего никто и не заметит. Но Маньяк этот усилок "вылизывал" на протяжении многих лет - отсюда и результат. Плохого не посоветует!
"...продвинутого для аудио фильтра 220в..." - там фильтр постоянки. Вообще другая тема.
Alex-L вне форума   Ответить с цитированием
Старый 18.02.2018, 18:31   #422
Alex-L
Moderator
 
Аватар для Alex-L
 
Регистрация: 23.03.2008
Возраст: 55
Город: Москва, Нагорная
Регион: 77, 97, 99, 177
Машина: Mitsubishi Lancer-X
Сообщений: 2,096
Alex-L is a splendid one to beholdAlex-L is a splendid one to beholdAlex-L is a splendid one to beholdAlex-L is a splendid one to beholdAlex-L is a splendid one to beholdAlex-L is a splendid one to beholdAlex-L is a splendid one to behold
По умолчанию

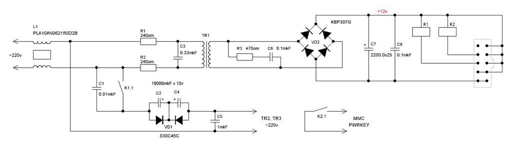
Блок дежурного питания и фильтр постоянной составляющей сети.

Миниатюры
Нажмите на изображение для увеличения
Название: 1.jpg
Просмотров: 909
Размер:	36.1 Кб
ID:	49205  
Alex-L вне форума   Ответить с цитированием
Старый 18.02.2018, 20:46   #423
sirota
Бывалый писикарщик
 
Аватар для sirota
 
Регистрация: 27.09.2008
Город: Собянинск
Регион: 77, 97, 99, 177
Машина: шкода а5
Сообщений: 5,447
sirota has a brilliant futuresirota has a brilliant futuresirota has a brilliant futuresirota has a brilliant futuresirota has a brilliant futuresirota has a brilliant futuresirota has a brilliant futuresirota has a brilliant futuresirota has a brilliant futuresirota has a brilliant futuresirota has a brilliant future
По умолчанию

это питание усилителя от 220?
__________________
То win 10х64, то win 8.1x64

Видео регистрация на web. камеру:http://www.youtube.com/watch?v=1hPPLRBBIqc
sirota вне форума   Ответить с цитированием
Старый 19.02.2018, 00:13   #424
Alex-L
Moderator
 
Аватар для Alex-L
 
Регистрация: 23.03.2008
Возраст: 55
Город: Москва, Нагорная
Регион: 77, 97, 99, 177
Машина: Mitsubishi Lancer-X
Сообщений: 2,096
Alex-L is a splendid one to beholdAlex-L is a splendid one to beholdAlex-L is a splendid one to beholdAlex-L is a splendid one to beholdAlex-L is a splendid one to beholdAlex-L is a splendid one to beholdAlex-L is a splendid one to behold
По умолчанию

Да. Домашняя версия неспеша делается.
Alex-L вне форума   Ответить с цитированием
Старый 06.04.2018, 14:18   #425
Alex-L
Moderator
 
Аватар для Alex-L
 
Регистрация: 23.03.2008
Возраст: 55
Город: Москва, Нагорная
Регион: 77, 97, 99, 177
Машина: Mitsubishi Lancer-X
Сообщений: 2,096
Alex-L is a splendid one to beholdAlex-L is a splendid one to beholdAlex-L is a splendid one to beholdAlex-L is a splendid one to beholdAlex-L is a splendid one to beholdAlex-L is a splendid one to beholdAlex-L is a splendid one to behold
По умолчанию

Ищо один #3
Для авто.


Последний раз редактировалось Alex-L; 23.06.2018 в 00:33.
Alex-L вне форума   Ответить с цитированием
Старый 06.04.2018, 14:52   #426
Vladget
Moderator
 
Регистрация: 04.04.2009
Возраст: 69
Город: Краснодар
Регион: 23, 93
Машина: HONDA CR-V-08
Сообщений: 3,129
Vladget is a splendid one to beholdVladget is a splendid one to beholdVladget is a splendid one to beholdVladget is a splendid one to beholdVladget is a splendid one to beholdVladget is a splendid one to beholdVladget is a splendid one to behold
По умолчанию

Цитата:
Сообщение от sirota Посмотреть сообщение
это питание усилителя от 220?
да что то не то! это видимо какая то дежурка там транс то вроде как должен быть "побольшее" да и на выходе д.б. наверняка больше 12В так раза в 2,5
__________________


Vladget вне форума   Ответить с цитированием
Старый 06.04.2018, 15:34   #427
Alex-L
Moderator
 
Аватар для Alex-L
 
Регистрация: 23.03.2008
Возраст: 55
Город: Москва, Нагорная
Регион: 77, 97, 99, 177
Машина: Mitsubishi Lancer-X
Сообщений: 2,096
Alex-L is a splendid one to beholdAlex-L is a splendid one to beholdAlex-L is a splendid one to beholdAlex-L is a splendid one to beholdAlex-L is a splendid one to beholdAlex-L is a splendid one to beholdAlex-L is a splendid one to behold
По умолчанию

Если разговор про пост 422, то таки да - это для домашней версии усилителя.
Блок дежурного питания для регулятора громкости с ДУ от Antecom и фильтр постоянной составляющей сети для торов - на каждый канал будет свой.
Проект временно приостановлен по причине нехватки времени.
Alex-L вне форума   Ответить с цитированием
Старый 02.06.2018, 19:30   #428
Alex-L
Moderator
 
Аватар для Alex-L
 
Регистрация: 23.03.2008
Возраст: 55
Город: Москва, Нагорная
Регион: 77, 97, 99, 177
Машина: Mitsubishi Lancer-X
Сообщений: 2,096
Alex-L is a splendid one to beholdAlex-L is a splendid one to beholdAlex-L is a splendid one to beholdAlex-L is a splendid one to beholdAlex-L is a splendid one to beholdAlex-L is a splendid one to beholdAlex-L is a splendid one to behold
По умолчанию

Вырисовывается....









Alex-L вне форума   Ответить с цитированием
Старый 23.06.2018, 00:30   #429
Alex-L
Moderator
 
Аватар для Alex-L
 
Регистрация: 23.03.2008
Возраст: 55
Город: Москва, Нагорная
Регион: 77, 97, 99, 177
Машина: Mitsubishi Lancer-X
Сообщений: 2,096
Alex-L is a splendid one to beholdAlex-L is a splendid one to beholdAlex-L is a splendid one to beholdAlex-L is a splendid one to beholdAlex-L is a splendid one to beholdAlex-L is a splendid one to beholdAlex-L is a splendid one to behold
По умолчанию

Собралося...















Фона нет совсем. Даже на максимальной громкости, даже со свободным входом.
Постоянки на выходе нет. Ну где-то 0.003в...
Выглядит и звучит красиво! Даже на встроенной в ноут звуковухе ( медиацентре сгорел БП, так что послушать с нормальным источником возможности пока нету)! Аж самому нравится Осталось морду и кожух срукожопить
Alex-L вне форума   Ответить с цитированием
Старый 10.07.2018, 12:18   #430
Alex-L
Moderator
 
Аватар для Alex-L
 
Регистрация: 23.03.2008
Возраст: 55
Город: Москва, Нагорная
Регион: 77, 97, 99, 177
Машина: Mitsubishi Lancer-X
Сообщений: 2,096
Alex-L is a splendid one to beholdAlex-L is a splendid one to beholdAlex-L is a splendid one to beholdAlex-L is a splendid one to beholdAlex-L is a splendid one to beholdAlex-L is a splendid one to beholdAlex-L is a splendid one to behold
По умолчанию

В своё время было много разговоров про резистор 1 Ом в средней точке питания.
Вот, освежая память и перечитывая тему на Веге, нашёл:
http://forum.vegalab.ru/showthread.php?t=58364&page=4
посты с 74 по 79.
А память освежал, ибо появилась мысля, как включить две 3886 мостом. Схема не стандартная - ничего общего с даташитом и с тем, что ищется в Сети!
Двукратное увеличение мощности, при тех же качественных показателях! Результаты симуляции впечатляют! Теперь бы вот в железе очень интересно смакетировать...
Alex-L вне форума   Ответить с цитированием
Ответ


Здесь присутствуют: 1 (пользователей: 0 , гостей: 1)
 

Ваши права в разделе
Вы не можете создавать новые темы
Вы не можете отвечать в темах
Вы не можете прикреплять вложения
Вы не можете редактировать свои сообщения

BB коды Вкл.
Смайлы Вкл.
[IMG] код Вкл.
HTML код Выкл.



Часовой пояс GMT +4, время: 23:05.


Работает на vBulletin® версия 3.8.4.
Copyright ©2000 - 2026, Jelsoft Enterprises Ltd.
Перевод: zCarot