PCCar.ru - Ваш автомобильный компьютер

Вернуться   PCCar.ru - Ваш автомобильный компьютер > MP3Car ТехИнфа > Блоки питания > Разное

Ответ
 
Опции темы Поиск в этой теме
Старый 28.11.2017, 16:03   #1731
Vladget
Moderator
 
Регистрация: 04.04.2009
Возраст: 69
Город: Краснодар
Регион: 23, 93
Машина: HONDA CR-V-08
Сообщений: 3,129
Vladget is a splendid one to beholdVladget is a splendid one to beholdVladget is a splendid one to beholdVladget is a splendid one to beholdVladget is a splendid one to beholdVladget is a splendid one to beholdVladget is a splendid one to behold
По умолчанию

емкость 2500 настораживает чем проверял ? или так написано (не верь) проверь зарядкой.
__________________


Vladget вне форума   Ответить с цитированием
Старый 28.11.2017, 16:05   #1732
Vladget
Moderator
 
Регистрация: 04.04.2009
Возраст: 69
Город: Краснодар
Регион: 23, 93
Машина: HONDA CR-V-08
Сообщений: 3,129
Vladget is a splendid one to beholdVladget is a splendid one to beholdVladget is a splendid one to beholdVladget is a splendid one to beholdVladget is a splendid one to beholdVladget is a splendid one to beholdVladget is a splendid one to behold
По умолчанию

Цитата:
Сообщение от Vkrasav4ik Посмотреть сообщение
Получается 12.5 вольт, когда на холостом блок тогда 12.48, когда с нагрузкой на 3.3 или 5 вольт то 12.3 вольта, если нагрузка на 12 вольт то падает до 12 вольт
и .. когда "нагрузка на 12 вольт то падает до 12 вольт" блок уходит в защиту?

схему донора примерно можешь ссылкой указать

да и еще если донор был 100% живой и нормально работал, то ошибка то ли в трансе, что то там не так! либо в том что ты там напаял с 44-ми и обвязкой вокруг них - проверяй
__________________


Vladget вне форума   Ответить с цитированием
Старый 28.11.2017, 16:48   #1733
НСО154
Старший Пользователь
 
Регистрация: 01.01.2014
Возраст: 39
Город: Новосибирск
Регион: 54
Машина: РРС, Форд
Сообщений: 954
НСО154 is on a distinguished road
По умолчанию

Цитата:
Сообщение от Vkrasav4ik Посмотреть сообщение
У меня 6 батареек по две в параллель, тоесть 2+2+2, 4.2+4.2+4.2=12.6 вольт, 2500х6=15000 или 15 ампер,
Похоже лыжи не едут...одно понял, рамс с подключением.
я не встречал данных батарей с такими характеристиками.
3.7в. точно есть.
НСО154 вне форума   Ответить с цитированием
Старый 28.11.2017, 17:05   #1734
Vladget
Moderator
 
Регистрация: 04.04.2009
Возраст: 69
Город: Краснодар
Регион: 23, 93
Машина: HONDA CR-V-08
Сообщений: 3,129
Vladget is a splendid one to beholdVladget is a splendid one to beholdVladget is a splendid one to beholdVladget is a splendid one to beholdVladget is a splendid one to beholdVladget is a splendid one to beholdVladget is a splendid one to behold
По умолчанию

Ага только щаз сообразил!!
неверно твое суждение об амперах!!
Что бы увеличить ток соединяем в параллель что бы напряжение .. т.е. соединяем последовательно ток не увеличивется а остается такой же как у элементов, увеличивается только напряжение , что бы твое суждение было верно надо таких как у тебя элементов соединить в параллель по 6 штук и таких параллельных последовательно 3 штуки . Если емкость одного 2500 то соединяя параллельно 2 получаешь 5000 (4-10000, 6-15000) вот когда ты три по две соединяешь последовательно плюсуется только напряжение емкость будет как у каждого из двух подключенных параллельно т.е. 5000.

Да и не видел я 18650 емкостью 2500 (в смысле в натуре не видел, подписанные видел НО когда заряжаешь на Imaxe получается max 1800)

возьми аккумулятор с машины если две в параллель будет 12в, но ток будет суммироваться, если последовательно то надо как правило два одинаковых ток будет такой же (или такой как у меньшего) а напряжение в два раза больше.

Короче у тебя что проблема подключить от блока питания ?
__________________


Vladget вне форума   Ответить с цитированием
Старый 28.11.2017, 17:10   #1735
НСО154
Старший Пользователь
 
Регистрация: 01.01.2014
Возраст: 39
Город: Новосибирск
Регион: 54
Машина: РРС, Форд
Сообщений: 954
НСО154 is on a distinguished road
По умолчанию

Да.
А еще эти акб могут уходить в защиту от перегрузки.
так что плохая идея использовать их в качестве экспериментов.
НСО154 вне форума   Ответить с цитированием
Старый 28.11.2017, 17:33   #1736
Vladget
Moderator
 
Регистрация: 04.04.2009
Возраст: 69
Город: Краснодар
Регион: 23, 93
Машина: HONDA CR-V-08
Сообщений: 3,129
Vladget is a splendid one to beholdVladget is a splendid one to beholdVladget is a splendid one to beholdVladget is a splendid one to beholdVladget is a splendid one to beholdVladget is a splendid one to beholdVladget is a splendid one to behold
По умолчанию

если есть возьми аккумулятор от бесперебойника можно полудохлый тогда к нему зарядку
__________________


Vladget вне форума   Ответить с цитированием
Старый 28.11.2017, 19:10   #1737
Vkrasav4ik
Новый Пользователь
 
Регистрация: 25.11.2017
Возраст: 34
Город: г. Новосибирск
Регион: 54
Машина: Nissan primera p12
Сообщений: 21
Vkrasav4ik is on a distinguished road
По умолчанию

Цитата:
Сообщение от Vladget Посмотреть сообщение
и .. когда "нагрузка на 12 вольт то падает до 12 вольт" блок уходит в защиту?

схему донора примерно можешь ссылкой указать

да и еще если донор был 100% живой и нормально работал, то ошибка то ли в трансе, что то там не так! либо в том что ты там напаял с 44-ми и обвязкой вокруг них - проверяй
Блок был живой, он был переделан на 14 вольт, я им аккумулятор заряжал. Перед переделкой для карпс, я его вернул на 12 вольт. Нагрузку тянул норм он. От акума завтра попробую подцепить, с обвязкой сложно напутать. Мне интересен тот факт, что почему когда я 494 замыкаю пальцем, то он начинает работать и батареек 18650 ему хватает раскачать лампочку. И да когда нагружаю 12 вольтовую линию, блок уходит в защиту. Схему даже не искал, блок китайский какой то, я уже и корпус выкинул от него. Батарейки эти спокойно держат галогенку 55ватную, напруга падает до 11 вольт и все. Так что для блока этого должно хватать
Миниатюры
Нажмите на изображение для увеличения
Название: 1511881994627-918061498.jpg
Просмотров: 674
Размер:	90.5 Кб
ID:	48680  
Vkrasav4ik вне форума   Ответить с цитированием
Старый 28.11.2017, 19:46   #1738
Vladget
Moderator
 
Регистрация: 04.04.2009
Возраст: 69
Город: Краснодар
Регион: 23, 93
Машина: HONDA CR-V-08
Сообщений: 3,129
Vladget is a splendid one to beholdVladget is a splendid one to beholdVladget is a splendid one to beholdVladget is a splendid one to beholdVladget is a splendid one to beholdVladget is a splendid one to beholdVladget is a splendid one to behold
По умолчанию

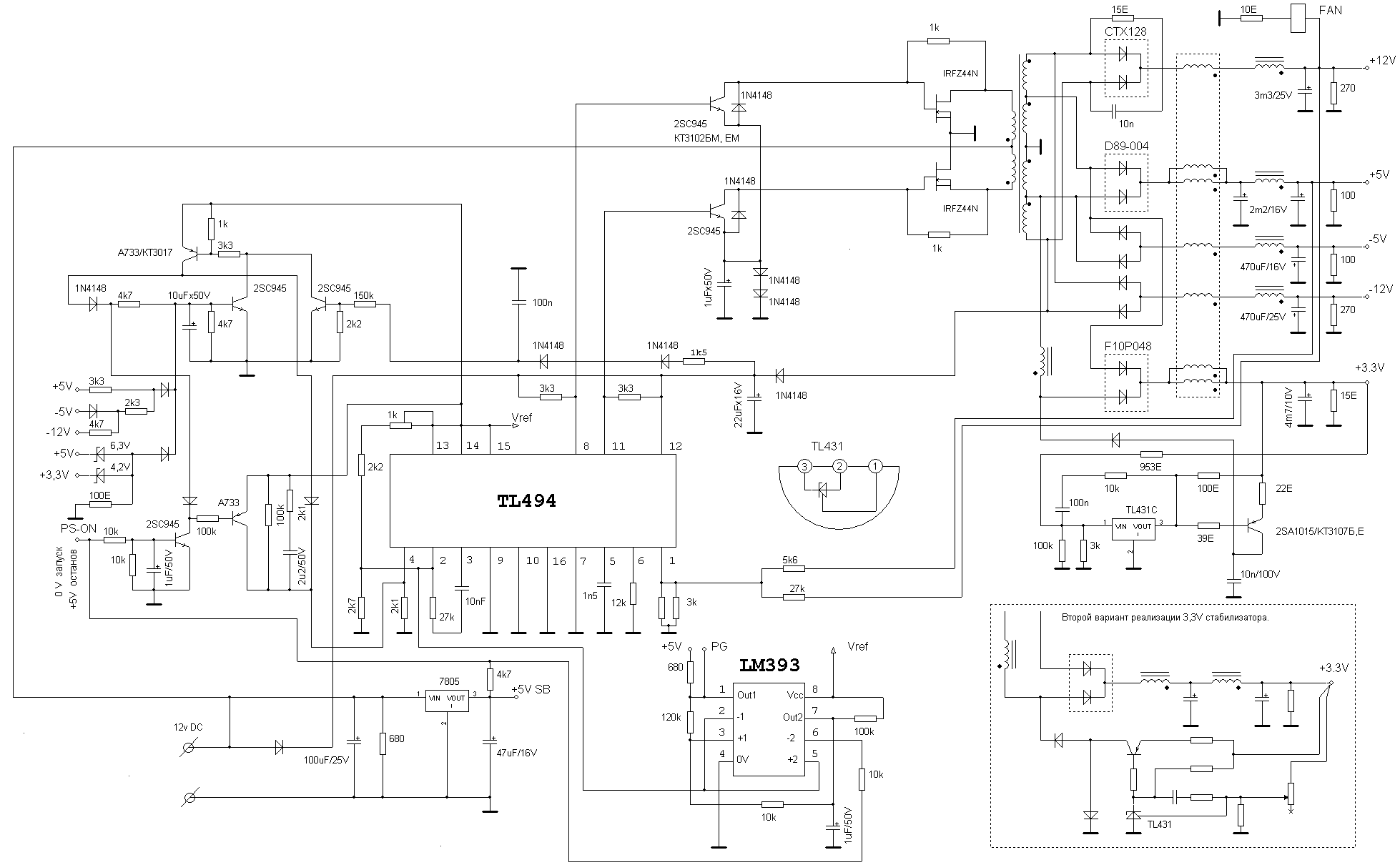
насчет пальца ты же сам пишешь что не знаешь что замыкаешь конкретно, а что то около 5-ой, да и попробуй разберись с твоими пальцами потом, работать то он должен без пальца и работал же когда был от сети - без пальца! ты там когда делал на 14в не отключал 12в от ДГС (дроссель на кольце) или там через сопротивление (или два) с 12В и с 5ти шло на первую ногу 494-й это проверь должно быть примерно как здесь http://www.pccar.ru/attachment.php?a...0&d=1142822169
__________________


Vladget вне форума   Ответить с цитированием
Старый 29.11.2017, 10:37   #1739
Vkrasav4ik
Новый Пользователь
 
Регистрация: 25.11.2017
Возраст: 34
Город: г. Новосибирск
Регион: 54
Машина: Nissan primera p12
Сообщений: 21
Vkrasav4ik is on a distinguished road
По умолчанию

Цитата:
Сообщение от Vladget Посмотреть сообщение
насчет пальца ты же сам пишешь что не знаешь что замыкаешь конкретно, а что то около 5-ой, да и попробуй разберись с твоими пальцами потом, работать то он должен без пальца и работал же когда был от сети - без пальца! ты там когда делал на 14в не отключал 12в от ДГС (дроссель на кольце) или там через сопротивление (или два) с 12В и с 5ти шло на первую ногу 494-й это проверь должно быть примерно как здесь http://www.pccar.ru/attachment.php?a...0&d=1142822169
Я менял сопротивление на 6 ноге, ставил на 3 кОма
Vkrasav4ik вне форума   Ответить с цитированием
Старый 29.11.2017, 10:46   #1740
Vladget
Moderator
 
Регистрация: 04.04.2009
Возраст: 69
Город: Краснодар
Регион: 23, 93
Машина: HONDA CR-V-08
Сообщений: 3,129
Vladget is a splendid one to beholdVladget is a splendid one to beholdVladget is a splendid one to beholdVladget is a splendid one to beholdVladget is a splendid one to beholdVladget is a splendid one to beholdVladget is a splendid one to behold
По умолчанию

ты когда там паял заляпуху не повесил ? процарапай между дорожками иголкой , может поэтому и палец помогает?

короче чудес не бывает если работало то проверяй те места где что то менял вплоть до номинала сопротивления которое впаял в шестую ногу
__________________


Vladget вне форума   Ответить с цитированием
Ответ


Здесь присутствуют: 1 (пользователей: 0 , гостей: 1)
 

Ваши права в разделе
Вы не можете создавать новые темы
Вы не можете отвечать в темах
Вы не можете прикреплять вложения
Вы не можете редактировать свои сообщения

BB коды Вкл.
Смайлы Вкл.
[IMG] код Вкл.
HTML код Выкл.



Часовой пояс GMT +4, время: 16:56.


Работает на vBulletin® версия 3.8.4.
Copyright ©2000 - 2026, Jelsoft Enterprises Ltd.
Перевод: zCarot