PCCar.ru - Ваш автомобильный компьютер

Вернуться   PCCar.ru - Ваш автомобильный компьютер > MP3Car ТехИнфа > Мониторы > Матрицы для CarPC > Подсветка матриц

Ответ
 
Опции темы Поиск в этой теме
Старый 15.11.2017, 19:23   #1
basurman
Super Moderator
 
Аватар для basurman
 
Регистрация: 19.07.2011
Возраст: 54
Город: Нижегородские болота
Регион: 52
Машина: пешкарус
Сообщений: 2,033
basurman has a reputation beyond reputebasurman has a reputation beyond reputebasurman has a reputation beyond reputebasurman has a reputation beyond reputebasurman has a reputation beyond reputebasurman has a reputation beyond reputebasurman has a reputation beyond reputebasurman has a reputation beyond reputebasurman has a reputation beyond repute
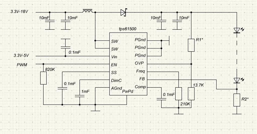
По умолчанию Универсальный драйвер на TPS61500.

Не претендую на оригинальность, но за долгое время поисков, остановился на этом варианте. Он оказался самый удачный и при правильном повторении работает сразу без настройки.
Проверял от 5в до 12в на входе и на выходе от 9в до 35в. Ток подбираеся резистором по очень простой формуле.
Очень хорошо регулируется шимом, аналогом плохо.
Описывать не буду, все есть в даташите. Если что не ясно спрашивайте.
В аттаче печатка.
Миниатюры
Нажмите на изображение для увеличения
Название: Снимок.jpg
Просмотров: 1377
Размер:	52.5 Кб
ID:	48570   Нажмите на изображение для увеличения
Название: 11.jpg
Просмотров: 1353
Размер:	154.4 Кб
ID:	48576  
Вложения
Тип файла: zip Схема.zip (2.6 Кб, 763 просмотров)
Тип файла: zip Драйвер.zip (9.7 Кб, 806 просмотров)

Последний раз редактировалось basurman; 12.02.2018 в 17:18.
basurman вне форума   Ответить с цитированием
Ответ


Здесь присутствуют: 1 (пользователей: 0 , гостей: 1)
 

Ваши права в разделе
Вы не можете создавать новые темы
Вы не можете отвечать в темах
Вы не можете прикреплять вложения
Вы не можете редактировать свои сообщения

BB коды Вкл.
Смайлы Вкл.
[IMG] код Вкл.
HTML код Выкл.



Часовой пояс GMT +4, время: 02:16.


Работает на vBulletin® версия 3.8.4.
Copyright ©2000 - 2026, Jelsoft Enterprises Ltd.
Перевод: zCarot