PCCar.ru - Ваш автомобильный компьютер

Вернуться   PCCar.ru - Ваш автомобильный компьютер > MP3Car ТехИнфа > AndroidCar > Звук > Звуковые процессоры

Ответ
 
Опции темы Поиск в этой теме
Старый 05.11.2017, 00:35   #611
Alekssandr
Старший Пользователь
 
Регистрация: 11.08.2013
Возраст: 36
Регион: 86
Сообщений: 445
Alekssandr is a jewel in the roughAlekssandr is a jewel in the roughAlekssandr is a jewel in the rough
По умолчанию

В общем удалось сделать сохранение всех настроек из оперативной памяти в EEPROM, т.е. теперь при отключении зажигания всё сохраняется, допустим установили определённую громкость или настроили эквалайзер, при следующем включении всё запуститься с вашими настройками.

Ещё хочу приделать функцию вежливой громкости, которая при включении плавно прибавит до установленной громкости, при отключении плавно убавит до нуля.
Alekssandr вне форума   Ответить с цитированием
Старый 05.11.2017, 01:26   #612
oleg707
Гуру
 
Аватар для oleg707
 
Регистрация: 16.04.2014
Возраст: 41
Город: Gdynia
Регион: другой - для добавления сообщить ab
Сообщений: 2,548
oleg707 has a reputation beyond reputeoleg707 has a reputation beyond reputeoleg707 has a reputation beyond reputeoleg707 has a reputation beyond reputeoleg707 has a reputation beyond reputeoleg707 has a reputation beyond reputeoleg707 has a reputation beyond reputeoleg707 has a reputation beyond reputeoleg707 has a reputation beyond reputeoleg707 has a reputation beyond repute
По умолчанию

Делай сразу настройку максимальной громкости при включении зажигания. Еепром же внешний, правильно? У проца ресурс записи не очень, около ста тысяч.
oleg707 вне форума   Ответить с цитированием
Старый 05.11.2017, 01:41   #613
Alekssandr
Старший Пользователь
 
Регистрация: 11.08.2013
Возраст: 36
Регион: 86
Сообщений: 445
Alekssandr is a jewel in the roughAlekssandr is a jewel in the roughAlekssandr is a jewel in the rough
По умолчанию

EEPROM внешний, Зачем громкость на максимум? При использовании этого проца громкость будет выставляться при помощи цапа а не с системы Android. EEPROM внешний 24LC256 он подключен к STM32 у него циклов записи 1 000 000 хватит на всю жизнь.

Откуда инфа что у проца ресурс не очень? А вообще, у проца нет пзу, а только озу. Соответственно у него нет понятия ресурс, хоть триллион раз меняй регистры ничего не будет. Поэтому при каждом включении её нужно инициализировать так как при отключении питания прошивка в DSP теряется, на данный момент вся инициализация идёт с STM32 (с памяти STM32 перекачивается в DSP прошивка которая сгенерирована в SigmaStudia и выставляются регистры)

Кстати в STM32 прошивка для DSP занимает целых 49кБ памяти. Если увеличить задержки для всех 12 выходных каналов до 25-30ms, прошивка в STM32F303RB уже не влазит и занимает 170кб памяти. + прошивка самой STM32 ~70кБ. так что STM32F303RC будет в самый раз.

на данный момент пока тестирую всё на STM32F303RB у неё 128кб памяти.
128 кб STM32F303RB 49кб + 70кб = 119кб практический на пределе) и ещё оперативки из 40 кб используется 29кб
256 кб STM32F303RC 170кб + 70кб = 240кб

Закинул пару фоток.
Миниатюры
Нажмите на изображение для увеличения
Название: 1.jpg
Просмотров: 666
Размер:	44.4 Кб
ID:	48512   Нажмите на изображение для увеличения
Название: 2.jpg
Просмотров: 642
Размер:	73.6 Кб
ID:	48513  

Последний раз редактировалось Alekssandr; 05.11.2017 в 02:18.
Alekssandr вне форума   Ответить с цитированием
Старый 05.11.2017, 12:42   #614
oleg707
Гуру
 
Аватар для oleg707
 
Регистрация: 16.04.2014
Возраст: 41
Город: Gdynia
Регион: другой - для добавления сообщить ab
Сообщений: 2,548
oleg707 has a reputation beyond reputeoleg707 has a reputation beyond reputeoleg707 has a reputation beyond reputeoleg707 has a reputation beyond reputeoleg707 has a reputation beyond reputeoleg707 has a reputation beyond reputeoleg707 has a reputation beyond reputeoleg707 has a reputation beyond reputeoleg707 has a reputation beyond reputeoleg707 has a reputation beyond repute
По умолчанию

Громкость - если заглушить на очень громко, чтобы потом оно включалось на уровне, который я настрою (20)
Если заглушить тихо, то на этом уровне и включать.

Еепром как и флеш в проце имеет меньший ресурс, чем внешний. Откуда знаю уже не помню, вроде из даташита. По крайней мере атмеги , про стм не скажу. Про ОЗУ это и так понятно.
oleg707 вне форума   Ответить с цитированием
Старый 05.11.2017, 15:34   #615
Senia
Пользователь
 
Регистрация: 04.09.2010
Возраст: 42
Регион: Украина
Сообщений: 47
Senia is on a distinguished road
По умолчанию

Саша, объясни плиз! Как будет управление DSP от Android?
Правильно я понял, что вот эти коды что генерирует sigmastudio (ниже скрин) ты пропишешь в android приложении и будешь транслировать их по Bluetooth. Bluetooth DSP слушает команды посылаемые от Android и передает их на STM, STM их просто перенаправляет на ADAU
Миниатюры
Нажмите на изображение для увеличения
Название: Безымянный.jpg
Просмотров: 590
Размер:	39.9 Кб
ID:	48517  
Senia вне форума   Ответить с цитированием
Старый 06.11.2017, 02:35   #616
Alekssandr
Старший Пользователь
 
Регистрация: 11.08.2013
Возраст: 36
Регион: 86
Сообщений: 445
Alekssandr is a jewel in the roughAlekssandr is a jewel in the roughAlekssandr is a jewel in the rough
По умолчанию

Вся передача будет по USB. От блютус пока что отказался (возможно в будущем приделаю)

У этих переменных что на скрине есть ещё адреса, они хранятся на STM32, + на STM32 еще храняться все стандартные настройки под тип тех что на скрине. На android формируются эти переменные определёнными формулами и передаются по usb на STM32 дальше им присваиваются адреса и отправляются на DSP (далее они сохраняются в оперативной памяти если произошло отключение то записываются в энэргонезависимую память EEPROM. при включении считываются с энэргонезависимой памяти в оперативную память и передаются на DSP)

И таких переменных с разными адресами примерно 500-600штук. Я запарился их вбивать.

В общем этот механизм довольно сложный, хотя на первый взгляд кажется простым.
Alekssandr вне форума   Ответить с цитированием
Старый 06.11.2017, 11:31   #617
Senia
Пользователь
 
Регистрация: 04.09.2010
Возраст: 42
Регион: Украина
Сообщений: 47
Senia is on a distinguished road
По умолчанию

Я понял, спасибо!
Посижу еще помучаюсь с передачей по Bluetooth каналу команд
Senia вне форума   Ответить с цитированием
Старый 13.11.2017, 13:14   #618
Alekssandr
Старший Пользователь
 
Регистрация: 11.08.2013
Возраст: 36
Регион: 86
Сообщений: 445
Alekssandr is a jewel in the roughAlekssandr is a jewel in the roughAlekssandr is a jewel in the rough
По умолчанию

Всем привет! Начали приходить комплектующие для сборки первой партии.
Миниатюры
Нажмите на изображение для увеличения
Название: 7D-vYNEmCEE.jpg
Просмотров: 609
Размер:	96.0 Кб
ID:	48545   Нажмите на изображение для увеличения
Название: 64VBNuaziXE.jpg
Просмотров: 572
Размер:	54.9 Кб
ID:	48546   Нажмите на изображение для увеличения
Название: AhfOKhDHTKs.jpg
Просмотров: 594
Размер:	110.8 Кб
ID:	48547   Нажмите на изображение для увеличения
Название: b9vesnFhh1w.jpg
Просмотров: 558
Размер:	96.7 Кб
ID:	48548   Нажмите на изображение для увеличения
Название: C3TH-PZFyp4.jpg
Просмотров: 578
Размер:	84.4 Кб
ID:	48549  

Нажмите на изображение для увеличения
Название: JEwdh9GONm0.jpg
Просмотров: 569
Размер:	106.1 Кб
ID:	48550   Нажмите на изображение для увеличения
Название: JvwKcRerKa0.jpg
Просмотров: 550
Размер:	48.7 Кб
ID:	48551   Нажмите на изображение для увеличения
Название: lFQIgqlxZT4.jpg
Просмотров: 548
Размер:	93.6 Кб
ID:	48552   Нажмите на изображение для увеличения
Название: MhUpOVeMJvI.jpg
Просмотров: 1043
Размер:	96.1 Кб
ID:	48553  
Alekssandr вне форума   Ответить с цитированием
Старый 13.11.2017, 16:53   #619
sirota
Бывалый писикарщик
 
Аватар для sirota
 
Регистрация: 27.09.2008
Город: Собянинск
Регион: 77, 97, 99, 177
Машина: шкода а5
Сообщений: 5,447
sirota has a brilliant futuresirota has a brilliant futuresirota has a brilliant futuresirota has a brilliant futuresirota has a brilliant futuresirota has a brilliant futuresirota has a brilliant futuresirota has a brilliant futuresirota has a brilliant futuresirota has a brilliant futuresirota has a brilliant future
По умолчанию

фильм со сборкой будет?
__________________
То win 10х64, то win 8.1x64

Видео регистрация на web. камеру:http://www.youtube.com/watch?v=1hPPLRBBIqc
sirota вне форума   Ответить с цитированием
Старый 14.11.2017, 13:38   #620
Alekssandr
Старший Пользователь
 
Регистрация: 11.08.2013
Возраст: 36
Регион: 86
Сообщений: 445
Alekssandr is a jewel in the roughAlekssandr is a jewel in the roughAlekssandr is a jewel in the rough
По умолчанию

Цитата:
Сообщение от sirota Посмотреть сообщение
фильм со сборкой будет?
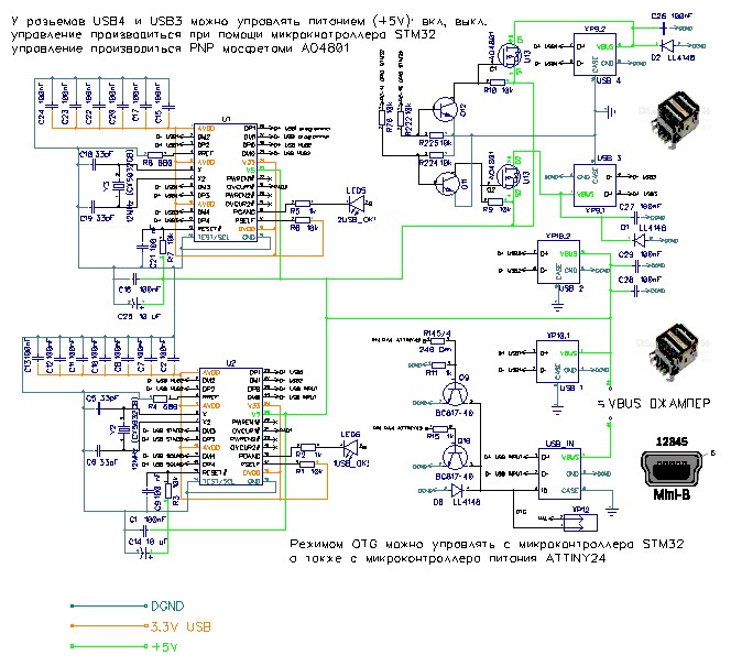
Вчера пришёл микрофон, заказывал как раз чтоб ролики записывать, устройство получилось довольно сложное. При помощи видео контента будет проще донести информацию что да как.

Пока что начал рисовать схемы устройства. Прикрепил схему USB хаба в PDF здесь.
Миниатюры
Нажмите на изображение для увеличения
Название: usb_hub.jpg
Просмотров: 693
Размер:	128.4 Кб
ID:	48559  
Alekssandr вне форума   Ответить с цитированием
Ответ


Здесь присутствуют: 1 (пользователей: 0 , гостей: 1)
 

Ваши права в разделе
Вы не можете создавать новые темы
Вы не можете отвечать в темах
Вы не можете прикреплять вложения
Вы не можете редактировать свои сообщения

BB коды Вкл.
Смайлы Вкл.
[IMG] код Вкл.
HTML код Выкл.



Часовой пояс GMT +4, время: 10:22.


Работает на vBulletin® версия 3.8.4.
Copyright ©2000 - 2026, Jelsoft Enterprises Ltd.
Перевод: zCarot