PCCar.ru - Ваш автомобильный компьютер

Вернуться   PCCar.ru - Ваш автомобильный компьютер > MP3Car ТехИнфа > Мониторы > Матрицы для CarPC > Матрицы 9 - 10 дюймов

Ответ
 
Опции темы Поиск в этой теме
Старый 09.02.2017, 11:52   #21
Leobor
Старший Пользователь
 
Регистрация: 13.05.2014
Возраст: 59
Город: Воронеж
Регион: 36
Машина: Hyundai S-Fe I
Сообщений: 799
Leobor has a brilliant futureLeobor has a brilliant futureLeobor has a brilliant futureLeobor has a brilliant futureLeobor has a brilliant futureLeobor has a brilliant futureLeobor has a brilliant futureLeobor has a brilliant futureLeobor has a brilliant futureLeobor has a brilliant futureLeobor has a brilliant future
По умолчанию

Да какие там подвижки... Столько всего навалилось, что не до него было.
Выпиши напруги по не подписанным в табличке ногам - хоть сравним.
__________________
Ёпть! А то ж...
Leobor вне форума   Ответить с цитированием
Старый 10.02.2017, 11:23   #22
-=zds=-
Старший Пользователь
 
Регистрация: 06.04.2009
Возраст: 41
Город: Владивосток
Регион: 25
Машина: Toyota CAMRY
Сообщений: 636
-=zds=- is a jewel in the rough-=zds=- is a jewel in the rough-=zds=- is a jewel in the rough
По умолчанию

3- 17.80V
4- -1.064V
5- 96mV
6- 1.820V
9- 9.3V
26 - 1.789V
27 - 1.789V
28 - 1.823V (в выключеном состоянии звонятся на землю)
29 - 1.823V (в выключеном состоянии звонятся на землю)
30 - 2.242V
__________________
Chaser продал
forester продал
Legacy продал
Impreza GH8 идет постройка... Продал, комп забрал...
Toyota Camry 2015 07.09.18 Продал комп отдал с машиной, следующий будет полностью с ноля!
-=zds=- вне форума   Ответить с цитированием
Старый 10.02.2017, 13:17   #23
Leobor
Старший Пользователь
 
Регистрация: 13.05.2014
Возраст: 59
Город: Воронеж
Регион: 36
Машина: Hyundai S-Fe I
Сообщений: 799
Leobor has a brilliant futureLeobor has a brilliant futureLeobor has a brilliant futureLeobor has a brilliant futureLeobor has a brilliant futureLeobor has a brilliant futureLeobor has a brilliant futureLeobor has a brilliant futureLeobor has a brilliant futureLeobor has a brilliant futureLeobor has a brilliant future
По умолчанию

Эх... Не легче... Я потом займусь как нибудь. Наберу у сына хвостов от ардуины чтобы можно было оперативно перетыкать и тогда поковыряюсь. Ну некогда мне сейчас...
__________________
Ёпть! А то ж...
Leobor вне форума   Ответить с цитированием
Старый 11.02.2017, 08:41   #24
-=zds=-
Старший Пользователь
 
Регистрация: 06.04.2009
Возраст: 41
Город: Владивосток
Регион: 25
Машина: Toyota CAMRY
Сообщений: 636
-=zds=- is a jewel in the rough-=zds=- is a jewel in the rough-=zds=- is a jewel in the rough
По умолчанию

Цитата:
Сообщение от Leobor Посмотреть сообщение
Эх... Не легче... Я потом займусь как нибудь. Наберу у сына хвостов от ардуины чтобы можно было оперативно перетыкать и тогда поковыряюсь. Ну некогда мне сейчас...
Ну если что пиши, плата у меня, и 3 разных дисплея разных дюймов которые на ней показывают
__________________
Chaser продал
forester продал
Legacy продал
Impreza GH8 идет постройка... Продал, комп забрал...
Toyota Camry 2015 07.09.18 Продал комп отдал с машиной, следующий будет полностью с ноля!
-=zds=- вне форума   Ответить с цитированием
Старый 21.02.2017, 16:54   #25
-=zds=-
Старший Пользователь
 
Регистрация: 06.04.2009
Возраст: 41
Город: Владивосток
Регион: 25
Машина: Toyota CAMRY
Сообщений: 636
-=zds=- is a jewel in the rough-=zds=- is a jewel in the rough-=zds=- is a jewel in the rough
По умолчанию

А не подойдёт ли нам такой переходник?
На всякий случай я его уже заказал :-)
Нажмите на изображение для увеличения
Название: IMG_3055.JPG
Просмотров: 1051
Размер:	84.3 Кб
ID:	46820
__________________
Chaser продал
forester продал
Legacy продал
Impreza GH8 идет постройка... Продал, комп забрал...
Toyota Camry 2015 07.09.18 Продал комп отдал с машиной, следующий будет полностью с ноля!
-=zds=- вне форума   Ответить с цитированием
Старый 20.09.2017, 22:28   #26
Leobor
Старший Пользователь
 
Регистрация: 13.05.2014
Возраст: 59
Город: Воронеж
Регион: 36
Машина: Hyundai S-Fe I
Сообщений: 799
Leobor has a brilliant futureLeobor has a brilliant futureLeobor has a brilliant futureLeobor has a brilliant futureLeobor has a brilliant futureLeobor has a brilliant futureLeobor has a brilliant futureLeobor has a brilliant futureLeobor has a brilliant futureLeobor has a brilliant futureLeobor has a brilliant future
По умолчанию

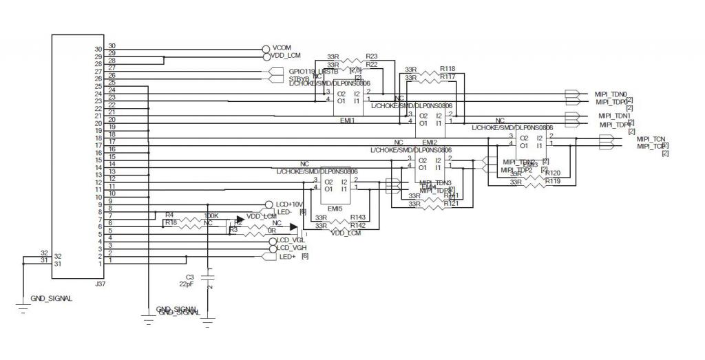
Дима, сюрпрайз (или наоборот нежданчик...)!
Схема Supra M727G:
Нажмите на изображение для увеличения
Название: 2017-09-20_21-16-50.jpg
Просмотров: 1683
Размер:	58.6 Кб
ID:	48163
Подводим итог, что же у нас есть:

1,2 - LED+
3 - VGH
4 - VGL
5 - через перемычку на GND (может быть переставлена на VDD_LCM)
6 - через 100к VDD_LCM (может быть переставлена на GND)
7,8 - LED-
9 - LCD +10V (это точно AVDD - по схеме смотрел)
10 - GND
11 - TD3+
12 - TD3-
13 - GND
14 - TD2+
15 - TD2-
16 - GND
17 - TDC+
18 - TDC-
19 - GND
20 - TD1+
21 - TD1-
22 - GND
23 - TD0+
24 - TD0-
25 - GND
26 - STBYB
27 - LRSTB
28,29 - VDD_LCM
30 - VCOM

От чего я в ступоре:
1. Питание (VDD_LCM) 1,8В.
2. Очень похоже, что это не LVDS, а MIPI.
Мне никогда не попадались матрицы мипи с таким разрешением, но на схеме написано MIPI и питание 1,8В - один грамотный товарищ говорит, что 1,8В - аккурат у мипи встречается...

Пока возиться некогда (хоть уже и переходники с джамперами приготовил когда то. На днях попробую, но теперь уже ни в чем не уверен...

... Повозился... Результат = 0.
пины 5 и 6 местами менял, 26 ногу сажал на массу и подтягивал к VDD_LCM, 27 пин (LRSTB) при испытаниях был подключен к RESET. На панели видно, как поступает питание (моргает) и больше НИЧЕГО...
Похоже правда она мипи... А жаль...
__________________
Ёпть! А то ж...

Последний раз редактировалось Leobor; 26.09.2017 в 00:58.
Leobor вне форума   Ответить с цитированием
Старый 16.10.2017, 17:21   #27
-=zds=-
Старший Пользователь
 
Регистрация: 06.04.2009
Возраст: 41
Город: Владивосток
Регион: 25
Машина: Toyota CAMRY
Сообщений: 636
-=zds=- is a jewel in the rough-=zds=- is a jewel in the rough-=zds=- is a jewel in the rough
По умолчанию

Цитата:
Сообщение от Leobor Посмотреть сообщение
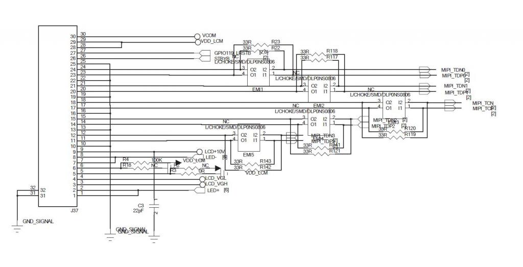
Дима, сюрпрайз (или наоборот нежданчик...)!
Схема Supra M727G:
Вложение 48163
Подводим итог, что же у нас есть:

1,2 - LED+
3 - VGH
4 - VGL
5 - через перемычку на GND (может быть переставлена на VDD_LCM)
6 - через 100к VDD_LCM (может быть переставлена на GND)
7,8 - LED-
9 - LCD +10V (это точно AVDD - по схеме смотрел)
10 - GND
11 - TD3+
12 - TD3-
13 - GND
14 - TD2+
15 - TD2-
16 - GND
17 - TDC+
18 - TDC-
19 - GND
20 - TD1+
21 - TD1-
22 - GND
23 - TD0+
24 - TD0-
25 - GND
26 - STBYB
27 - LRSTB
28,29 - VDD_LCM
30 - VCOM

От чего я в ступоре:
1. Питание (VDD_LCM) 1,8В.
2. Очень похоже, что это не LVDS, а MIPI.
Мне никогда не попадались матрицы мипи с таким разрешением, но на схеме написано MIPI и питание 1,8В - один грамотный товарищ говорит, что 1,8В - аккурат у мипи встречается...

Пока возиться некогда (хоть уже и переходники с джамперами приготовил когда то. На днях попробую, но теперь уже ни в чем не уверен...

... Повозился... Результат = 0.
пины 5 и 6 местами менял, 26 ногу сажал на массу и подтягивал к VDD_LCM, 27 пин (LRSTB) при испытаниях был подключен к RESET. На панели видно, как поступает питание (моргает) и больше НИЧЕГО...
Похоже правда она мипи... А жаль...
Блин только щас увидел твоё сообщение. Самый прикол в том что на Тао в некоторых лотах к этим матрицам киты пишут mipi но я думал ошибка, получается не ошибка. Mipi контролеры пока дорогие и не такие популярные, надо бы уже свой mipi контролёр замутить с av входом и авто переключением на него, тогда куча интересных матриц сразу можно будет завести.
__________________
Chaser продал
forester продал
Legacy продал
Impreza GH8 идет постройка... Продал, комп забрал...
Toyota Camry 2015 07.09.18 Продал комп отдал с машиной, следующий будет полностью с ноля!
-=zds=- вне форума   Ответить с цитированием
Ответ


Здесь присутствуют: 1 (пользователей: 0 , гостей: 1)
 

Ваши права в разделе
Вы не можете создавать новые темы
Вы не можете отвечать в темах
Вы не можете прикреплять вложения
Вы не можете редактировать свои сообщения

BB коды Вкл.
Смайлы Вкл.
[IMG] код Вкл.
HTML код Выкл.



Часовой пояс GMT +4, время: 08:45.


Работает на vBulletin® версия 3.8.4.
Copyright ©2000 - 2025, Jelsoft Enterprises Ltd.
Перевод: zCarot